Электрооборудование гибридных блоков управления
с высоковольтной системой автобусов MAN
(тренинг персонала)

СОДЕРЖАНИЕ
- ПРЕДИСЛОВИЕ
- ВЫХОДНЫЕ ДАННЫЕ
- СОКРАЩЕНИЯ
- 1 ВВЕДЕНИЕ
- 1.1 Указания по технике безопасности
- 1.2 Обзор типов
- 1.3 Руководство по эксплуатации, схема электрических соединений
- 1.3.1 Места установки для обозначения места A37
- 2 ОПИСАНИЕ СИСТЕМЫ
- 2.1 Общие положения
- 2.1.1 Гибридное оборудование
- 2.1.2 Последовательный гибридная система (SHS)
- 2.1.3 Указания по технике безопасности
- 2.1.4 Гибридные системы
- 2.1.5 Диагностика MAN-cats®
- 2.2 Устройство и принцип действия
- 2.2.1 Гибридный привод
- 2.2.2 A608, цифровой контроллер ввода (DICO)
- 2.2.3 A1006, блок управления электропитанием (EMU)
- 2.2.4 A1129, двигатель/трансмиссия: шлюз CAN (MTGW)
- 2.2.5 A1143, система UltraCap (UCM и накопитель энергии торможения)
- 2.2.6 A1147, инвертор (WERI)
- 2.2.7 T169/T170, зарядный преобразователь бортовой сети (BNLW)
- 2.3 Интерфейс для других систем
- 2.3.1 Общие положения
- 2.3.2 Структура системы TEPS шины CAN с гибридными системами (I-CAN/CAN трансмиссии/M1-CAN)
- 2.3.3 Шина CAN системной структуры TEPS с гибридными системами (базовые CAN1+2 MUX)
- 2.3.4 Шина CAN системной структуры TEPS с гибридными системами (ES-CAN)
- 2.3.5 Шина CAN системной структуры TEPS с гибридными системами (SI-CAN)
- 3 ОПИСАНИЕ ФУНКЦИОНИРОВАНИЯ
- 3.1 Системные структуры, гибридные блоки управления
- 3.1.1 Системная структура A608, контроллер цифрового ввода (DICO)
- 3.1.2 Системная структура A1129, шлюз CAN двигателя/трансмиссии (MTGW)
- 3.1.3 Системная структура A1006, блок управления электропитанием (EMU)
- 3.1.4 Системная структура A1143 управления UltraCap (UCM)
- 3.1.5 Системная структура A1147, инвертор (WERI)
- 3.1.6 Системная структура, зарядный преобразователь бортовой сети (BNLW)
- 3.1.7 Системная структура высоковольтной системы
- 3.1.8 Вторичная система охлаждения
- 3.1.9 Гибридная система рулевого механизма
- 3.2 A608, блок управления контроллера цифрового ввода (DICO)
- 3.2.1 Функция
- 3.2.2 Назначение контактов
- 3.2.3 Технические данные
- 3.2.4 Руководство по ремонту
- 3.3 A1006, блок управления электропитанием (EMU)
- 3.3.1 Функция
- 3.3.2 Назначение контактов
- 3.3.3 Технические данные
- 3.3.4 Руководство по ремонту
- 3.4 A1101, инвертор тягового двигателя 1
- 3.4.1 Функция
- 3.4.2 Назначение контактов
- 3.4.3 Технические данные
- 3.4.4 Руководство по ремонту
- 3.5 A1102, инвертор тягового электродвигателя 2
- 3.5.1 Функция
- 3.5.2 Назначение контактов
- 3.5.3 Технические данные
- 3.5.4 Руководство по ремонту
- 3.6 A1103, инвертор генератора
- 3.6.1 Функция
- 3.6.2 Назначение контактов
- 3.6.3 Технические данные
- 3.6.4 Руководство по ремонту
- 3.7 A1129, блок управления шлюзом (MTGW)
- 3.7.1 Функция
- 3.7.2 Назначение контактов
- 3.7.3 Технические данные
- 3.7.4 Руководство по ремонту
- 3.8 A1138, дроссельный блок
- 3.8.1 Функция
- 3.8.2 Назначение контактов
- 3.8.3 Технические данные
- 3.8.4 Руководство по ремонту
- 3.9 A1141, высоковольтный распределитель тока (HVSV)
- 3.9.1 Функция
- 3.9.2 Назначение контактов
- 3.9.3 Технические данные
- 3.10 A1147, двусторонний преобразователь насоса рулевого механизма/системы кондиционирования воздуха
- 3.10.1 Функция
- 3.10.2 Назначение контактов
- 3.10.3 Технические данные
- 3.10.4 Руководство по ремонту
- 3.11 B139, датчик уровня охлаждающей жидкости
- 3.11.1 Функция
- 3.11.2 Назначение контактов
- 3.11.3 Технические данные
- 3.11.4 Руководство по ремонту
- 3.12 B545, датчик температуры охлаждающей жидкости вторичного контура
- 3.12.1 Функция
- 3.12.2 Назначение контактов
- 3.12.3 Технические данные
- 3.12.4 Руководство по ремонту
- 3.13 B573, пневматический переключатель влагоотделителя
- 3.13.1 Функция
- 3.13.2 Назначение контактов
- 3.13.3 Технические данные
- 3.14 B983, реле расхода насоса рулевого механизма, высокое напряжение
- 3.14.1 Функция
- 3.14.2 Назначение контактов
- 3.14.3 Технические данные
- 3.14.4 Руководство по ремонту
- 3.15 B984, реле расхода резервного насоса рулевого механизма LHP 24 В
- 3.15.1 Функция
- 3.15.2 Назначение контактов
- 3.15.3 Технические данные
- 3.15.4 Руководство по ремонту
- 3.16 B1050, датчик температуры раздаточной коробки между двигателем и генератором
- 3.16.1 Функция
- 3.16.2 Назначение контактов
- 3.16.3 Технические данные
- 3.16.4 Руководство по ремонту
- 3.17 G102, генератор
- 3.17.1 Функция
- 3.17.2 Назначение контактов
- 3.17.3 Технические данные
- 3.17.4 Руководство по ремонту
- 3.18 M187, тяговый электродвигатель 1
- 3.18.1 Функция
- 3.18.2 Назначение контактов
- 3.18.3 Технические данные
- 3.18.4 Руководство по ремонту
- 3.19 M188, тяговый электродвигатель 2
- 3.19.1 Функция
- 3.19.2 Назначение контактов
- 3.19.3 Технические данные
- 3.19.4 Руководство по ремонту
- 3.20 M235, резервный насос рулевого механизма
- 3.20.1 Функция
- 3.20.2 Назначение контактов
- 3.20.3 Технические данные
- 3.20.4 Руководство по ремонту
- 3.21 M248, компрессор кондиционера VSK 31
- 3.21.1 Функция
- 3.21.2 Руководство по ремонту
- 3.22 M250, насос системы охлаждения
- 3.22.1 Функция
- 3.22.2 Назначение контактов
- 3.22.3 Руководство по ремонту
- 3.23 M284, двигатель вентилятора 1 для теплообменника 1
- 3.23.1 Функция
- 3.23.2 Назначение контактов
- 3.23.3 Технические данные
- 3.24 M285, двигатель вентилятора 2 для теплообменника 1
- 3.24.1 Функция
- 3.24.2 Назначение контактов
- 3.24.3 Технические данные
- 3.25 M286, двигатель вентилятора 1 для теплообменника 2
- 3.25.1 Функция
- 3.25.2 Назначение контактов
- 3.25.3 Технические данные
- 3.26 M287, двигатель вентилятора 2 для теплообменника 2
- 3.26.1 Функция
- 3.26.2 Назначение контактов
- 3.26.3 Технические данные
- 3.27 M288, электродвигатель насоса рулевого механизма с датчиком температуры
- 3.27.1 Функция
- 3.27.2 Назначение контактов
- 3.27.3 Технические данные
- 3.27.4 Руководство по ремонту
- 3.28 Q117, контактор резервного насоса рулевого механизма
- 3.28.1 Функция
- 3.28.2 Назначение контактов
- 3.28.3 Технические данные
- 3.29 R350, тормозное сопротивление датчика температуры
- 3.29.1 Функция
- 3.29.2 Назначение контактов
- 3.29.3 Технические данные
- 3.29.4 Руководство по ремонту
- 3.30 S176, переключатель пуска/останова двигателя
- 3.30.1 Функция
- 3.30.2 Назначение контактов
- 3.31 S1097, датчик приближения для блокировки пуска
- 3.31.1 Функция
- 3.31.2 Назначение контактов
- 3.31.3 Технические данные
- 3.32 S1261, кнопка синхронизации UCS
- 3.32.1 Функция
- 3.32.2 Назначение контактов
- 3.32.3 Технические данные
- 3.33 T169, зарядный преобразователь бортовой сети 1
- 3.33.1 Функция
- 3.33.2 Назначение контактов
- 3.33.3 Технические данные
- 3.33.4 Руководство по ремонту
- 3.34 T170, зарядный преобразователь бортовой сети 2
- 3.34.1 Функция
- 3.34.2 Назначение контактов
- 3.34.3 Технические данные
- 3.34.4 Руководство по ремонту
- 3.35 X5068, разъемное соединение, диагностика сторонним утилитами
- 3.35.1 Функция
- 3.35.2 Назначение контактов
- 3.36 Система управления UltraCap (высоковольтный накопитель энергии торможения)
- 3.36.1 Модуль UltraCap 1–6 с двигателями вентиляторов
- 3.36.2 Функция
- 3.36.3 Технические данные
- 3.36.4 Штекер разъемного соединения модуля UltraCap
- 3.36.5 Высоковольтные подключения модуля UltraCap
- 3.36.6 Штекер разъемного соединения двигателя вентилятора модуля UltraCap
- 3.36.7 Датчик температуры окружающего воздуха
- 3.36.8 Функция
- 3.36.9 Технические данные
- 3.36.10 Блок управления системы UltraCap
- 3.36.11 Функция
- 3.36.12 Назначение контактов
- 3.36.13 Технические данные
- 3.36.14 Руководство по ремонту
- 3.36.15 Блок контакторов
- 3.36.16 Функция
- 3.37 Рабочие состояния
- 3.37.1 Обычное движение
- 3.37.2 Трогание с места за счет электродвигателя
- 3.37.3 Торможение (рекуперация)
- 3.37.4 Ускорение (с электрическим приводом)
- 3.37.5 Автоматическая система «Пуск-останов»
- 3.37.6 Установление симметричности модулей UltraCap
- 3.38 Системы безопасности
- 3.38.1 Защита от прямого контакта
- 3.38.2 Защита от непрямого контакта
- 3.38.3 Контроль изоляции
- 3.38.4 Аварийное отключение
- 3.39 Разряд системы управления UltraCap (высоковольтный накопитель энергии торможения)
- 4 ОПИСАНИЕ КОМПОНЕНТОВ
- 4.1 A608, цифровой контроллер ввода (DICO)
- 4.1.1 Демонтировано
- 4.1.2 Место установки
- 4.2 A1006, блок управления электропитанием (EMU)
- 4.2.1 Демонтировано
- 4.2.2 Место установки
- 4.3 A1101, инвертор тягового двигателя 1
- 4.3.1 Демонтировано
- 4.3.2 Место установки
- 4.4 A1102, инвертор тягового электродвигателя 2
- 4.4.1 Демонтировано
- 4.4.2 Место установки
- 4.5 A1103, инвертор генератора
- 4.5.1 Демонтировано
- 4.5.2 Место установки
- 4.6 A1129, двигатель/трансмиссия: шлюз CAN (MTGW)
- 4.6.1 Демонтировано
- 4.6.2 Место установки
- 4.7 A1138, дроссельный блок
- 4.7.1 Демонтировано
- 4.7.2 Место установки
- 4.8 A1141, высоковольтный распределитель тока (HVSV)
- 4.8.1 Демонтировано
- 4.8.2 Место установки
- 4.9 A1147, двусторонний преобразователь насоса рулевого механизма/системы кондиционирования воздуха
- 4.9.1 Демонтировано
- 4.9.2 Место установки
- 4.10 B139, датчик уровня охлаждающей жидкости
- 4.10.1 Демонтировано
- 4.11 B545, датчик температуры охлаждающей жидкости вторичного контура
- 4.11.1 Демонтировано
- 4.11.2 Место установки
- 4.12 B573, пневматический переключатель влагоотделителя
- 4.12.1 Демонтировано
- 4.13 B983, реле расхода резервного насоса рулевого механизма LHP 24 В
- 4.13.1 Демонтировано
- 4.13.2 Место установки
- 4.14 B984, реле расхода насоса рулевого механизма, высокое напряжение
- 4.14.1 Демонтировано
- 4.14.2 Место установки
- 4.15 B1050, датчик температуры раздаточной коробки между двигателем и генератором
- 4.15.1 Демонтировано
- 4.15.2 Место установки
- 4.16 G102, генератор
- 4.16.1 Демонтировано
- 4.16.2 Место установки
- 4.17 M187, тяговый электродвигатель 1
- 4.17.1 Демонтировано
- 4.17.2 Место установки
- 4.18 M188, тяговый электродвигатель 2
- 4.18.1 Демонтировано
- 4.18.2 Место установки
- 4.19 M235, резервный насос рулевого механизма
- 4.19.1 Демонтировано
- 4.19.2 Место установки
- 4.20 M248, компрессор кондиционера VSK 31
- 4.20.1 Демонтировано
- 4.20.2 Место установки
- 4.21 M250, насос системы охлаждения
- 4.21.1 Демонтировано
- 4.21.2 Место установки
- 4.22 M284, двигатель вентилятора 1 для теплообменника 1
- 4.22.1 Демонтировано
- 4.22.2 Место установки
- 4.23 M285, двигатель вентилятора 2 для теплообменника 1
- 4.23.1 Демонтировано
- 4.23.2 Место установки
- 4.24 M286, двигатель вентилятора 1 для теплообменника 2
- 4.24.1 Демонтировано
- 4.24.2 Место установки
- 4.25 M287, двигатель вентилятора 2 для теплообменника 2
- 4.25.1 Демонтировано
- 4.25.2 Место установки
- 4.26 M288, электродвигатель насоса рулевого механизма с датчиком температуры
- 4.26.1 Демонтировано
- 4.26.2 Место установки
- 4.27 Q117, контактор резервного насоса рулевого механизма
- 4.27.1 Демонтировано
- 4.27.2 Место установки
- 4.28 R350, тормозное сопротивление датчика температуры
- 4.28.1 Демонтировано
- 4.28.2 Место установки
- 4.29 S176, переключатель пуска/останова двигателя
- 4.29.1 Демонтировано
- 4.29.2 Место установки
- 4.30 S1097, датчик приближения для блокировки пуска
- 4.30.1 Демонтировано
- 4.30.2 Место установки
- 4.31 S1261, кнопка синхронизации UCS
- 4.31.1 Демонтировано
- 4.31.2 Место установки
- 4.32 T169, зарядный преобразователь бортовой сети 1
- 4.32.1 Демонтировано
- 4.32.2 Место установки
- 4.33 T170, зарядный преобразователь бортовой сети 2
- 4.33.1 Демонтировано
- 4.33.2 Место установки
- 4.34 X5068, разъемное соединение, диагностика сторонним утилитами
- 4.34.1 Демонтировано
- 4.34.2 Место установки
- 4.35 Система управления UltraCap
- 4.35.1 Модуль UltraCap с вентиляторами
- 4.35.2 Датчик температуры окружающего воздуха
- 4.35.3 Блок управления системы UltraCap
- 4.35.4 Блок контакторов
- 5 ДИАГНОСТИКА
- 5.1 Общие положения
- 5.1.1 Гнездо для диагностики HD-OBD (X200)
- 5.1.2 Назначение контактов
- 5.1.3 Место установки гнезда для диагностики
- 5.1.4 Основные функции диагностики
- 5.1.5 Индикация неисправностей
- 5.2 Индикация состояния FMI (Failure Mode Identification)
- 5.3 Приоритет в индикации/диагностике
- 5.4 Индикация кодов неисправностей SPN на дисплее
- 5.4.1 Панель приборов Stoneridge (версия ПО R26)
- 5.5 SPN – описание кодов диагностики
- 5.6 Разряд системы UltraCap
- 5.7 Специальный инструмент для гибридных систем
- 5.7.1 Проверочный ящик E-42/10 (80.99641-6056) для гибридных систем
- 5.7.2 Перемычка E-28/11 (80.99641-0074)
- 5.7.3 Измеритель сопротивления изоляции Fluke 1503 (08.78020-9024)
- 5.7.4 Прибор для проверки напряжения Duspol 1000 (08.78020-9025)
- 5.7.5 Прибор для проверки тестера изоляции (80.99641-6057)
- 5.7.6 Чемодан с инструментом для гибридных систем
- 5.7.7 Адаптер для отдельной разрядки E-29/11 (80.99641-0076)
- 5.7.8 Разрядное устройство с адаптером для отдельной разрядки E-29/11 (80.99642-0001)
- 5.7.9 Инструмент для отсоединения (80.99629-0050)
- 5.7.10 Цилиндрический замок (06.43049-0011)
- 5.7.11 Запираемый предохранительный колпачок (80.99606-0770)
- 6 ДОПОЛНИТЕЛЬНЫЕ ЭЛЕКТРОСХЕМЫ
- 6.1 Быстрые обзорные схемы
- 6.1.1 Быстрая обзорная схема: шлюз шины CAN двигателя/трансмиссии (MTGW)
- 6.1.2 Быстрая обзорная схема, контроллер цифрового ввода (DICO), лист 1
- 6.1.3 Быстрая обзорная схема, контроллер цифрового ввода (DICO), лист 2
- 6.1.4 Быстрая обзорная схема: контроллер цифрового ввода (DICO), лист 3
- 6.1.5 Быстрая обзорная схема: блок управления электропитанием (EMU), лист 1
- 6.1.6 Быстрая обзорная схема: блок управления электропитанием (EMU), лист 2
- 6.1.7 Быстрая обзорная схема: блок управления электропитанием (EMU), лист 3
- 6.1.8 Быстрая обзорная схема: инвертор
- 6.1.9 Быстрая обзорная схема: зарядный преобразователь бортовой сети
- 6.1.10 Быстрая обзорная схема, отключение PE
- 6.1.11 Быстрая обзорная схема: высоковольтная система
СОКРАЩЕНИЯ
A
A Ускорение
ABE Основное разрешение на эксплуатацию
ABS Антиблокировочная система
ABV Система автоматического предотвращения блокировки
AC Air Condition (система кондиционирования воздуха)
ACC Adaptive Cruise Control (система регулирования скорости с соблюдением безопасной дистанции)
ACK Acknowledge (подтверждение)
ADC Analog Digital Converter (преобразование из аналоговых в цифровые сигналы)
ADR Международное соглашение по автомобильной транспортировке опасных грузов (GGVS)
AGB Автоматический ограничитель скорости
AGND Analog Ground (аналоговая масса)
AGR Рециркуляция ОГ
ТСУ Тягово-сцепное устройство
AHK Тормозной клапан прицепа
ALB Режим тормозной системы для автоматического управления тормозной силой в зависимости от осевой нагрузки
ALM Индикация нагрузки на ось (Axle load monitoring)
AMA Установка с радиомачтой
AMR Anisotrop Magneto Resistive
ANH Прицеп/полуприцеп
ANS Автоматическое переключение в нейтральное положение
AS Автоматическая коробка передач
ASD Место подключения питания прицепа
ASM Модуль управления тормозной системой прицепа
ASR Антипробуксовочная система
ASV Кран управления тормозами прицепа
ATC Automatic Temperature Control (автоматическая регулировка температуры)
ATF Automatic Transmission Fluid (масло для автоматической коробки передач)
AU Контроль токсичности ОГ
AV Выпускной клапан
AVS Автоматическая система предварительного выбора
B
BA Руководство по эксплуатации
BR Тормозное сопротивление
BBA Рабочая тормозная система
BBV Рабочий тормозной клапан
BG Блок управления
BHTC Behr Hella Thermo Contol
BITE Встроенный тест
BKR Регулятор тормозных сил
BNLW Зарядный преобразователь бортовой сети
BUGH Передний отопитель
BV Резервный клапан (запорный клапан)
BVA Индикатор износа тормозных накладок
BVS Датчик износа тормозных накладок
BVV Питание датчика износа тормозных накладок
BW Бундесвер
BWG Датчик тормозного значения
BZ Цилиндр тормозного привода
C
CAN Controller Area Network (шинная система передачи данных с битовой последовательной передачей)
CAN-H Линия передачи данных по шине CAN-high
CAN-L Линия передачи данных по шине CAN-low
CATS Computer- Assisted Testing and diagnosting System (компьютеризированная контрольно-диагностическая система)
CBU Central Brake Unit (центральный тормозной блок)
CDC Continuous Damping Control (плавная система динамического управления амортизаторами)
CCVS Cruise Control Vehicle Speed (функция регулирования скорости движения)
CKD Complete Knocked Down (полностью разобранный автомобиль)
CNG Compressed Natural Gas (сжатый природный газ)
CPU Central Processing Unit (центральный компьютер)
CRT Фильтр с непрерывной очисткой (глушитель шума ОГ, окислительный нейтрализатор, фильтр твердых частиц)
CRC Cyclic Redundancy Check (циклическая проверка резервного контура)
CS Переключатель скоростей Comfort Shift
D
DAHL Вентилятор на крыше
DBR Реле тормоза-замедлителя
DCU Dosing Control Unit (дозирование AdBlue)
DF Датчик частоты вращения
DFÜ Дистанционная передача данных
DIA Диагностическая и информационная система индикации
DIAG Диагностика всего автомобиля
DIAG–MUX Диагностика всего автомобиля: мультиплексный центральный компьютер (только автобусы)
DIAK Диагностика, информационный провод (линия передачи данных)
DIAL Диагностика, провод L (провод возбуждения)
DIAR Диагностика, дальнейшее возбуждение
DICO Контроллер цифрового ввода
DIN Немецкий промышленный стандарт
DKE Увеличение открытия дроссельной заслонки (регулировка ASR)
DKH Обогрев желоба в крыше
DKL Заслонки для воздуха в крыше
DKR Уменьшение открытия дроссельной заслонки (запрос уменьшения от ASR в EDC/EMS)
DKV Заданное значение дроссельной заслонки (сигнал датчика нагрузки от датчика хода педали EDC/EMS)
DLB Пневматическая установка
DM Diagnostic message (диагностическое сообщение)
DNR Передний/холостой/задний ход (переключатель передач в автоматической коробке передач)
DPF Фильтр твердых частиц
DRM Регулятор давления
DRS Датчик поворота вокруг оси
DS Датчик давления
DSV Клапан ограничения давления
DTC Diagnostic trouble code (код диагностики OBD)
DTCO Цифровой тахограф
DV Дроссельный клапан
DWA Противоугонная сигнализация
DZG Датчик частоты вращения
DZM Тахометр
E
E-AGR Объем возвращаемых ОГ в зависимости от положения клапана системы AGR
EBS Электронная тормозная система
ECAM Electronically Controlled Air Management (система подачи сжатого воздуха с электронным управлением)
ECAS Electronically Controlled Air Suspension (электронная пневматическая подвеска)
ECE Система аварийного переключения согласно ECE 36
ECU Electronic Control Unit (блок управления)
EDC Electronic Diesel Control (электронная система управления дизельным двигателем)
EDC S Electronic Diesel Control Slave (электронная система управления дизельным двигателем (ведомый))
EDM Электронная система измерения расхода дизельного топлива
EDR Ограничитель максимальной частоты вращения
EEC Электронный контроль двигателя (Electronic engine controller)
EEPROM Стираемая и перезаписываемая (программируемая) энергонезависимая память
EFR Электронная система регулировки ходовой части
EFS Сиденье водителя с электрической регулировкой
EHAB Электрогидравлический выключатель
EHLA Электрогидравлическая система рулевого механизма
ELAB Электрический отключающий механизм
ELF Электронная пневматическая подвеска
EMP Производитель насоса системы охлаждения
EMU Energie Management Unit (блок управления электропитанием)
EMS Электронное управление мощностью двигателя
EMV Электромагнитная совместимость
EOBD European On Board Diagnosis (европейская бортовая система самодиагностики)
EOL End Of Line (программирование конца линии)
EP Топливный насос высокого давления
ER Engine- Retarder (моторный тормоз)
ESAC Electronic Shock Absorber Control (электронная система регулировки ходовой части)
ESP Electronic Stability Program (электронная система устойчивости)
ESR Электрическая солнцезащитная шторка
EST Электронный блок управления
EV Впускной клапан
EVB Exhaust Valve Brake (дополнительный моторный тормоз)
F
FAP Место водителя
FAQ Frequently Asked Questions (часто задаваемые вопросы)
FBA Стояночная тормозная система
FBM Модуль ножного тормоза
FDR Управление показателями динамики движения
FDF Файл с данными автомобиля
FFR Блок управления движением автомобиля
FGB Ограничение скорости движения
FGR Регулирование скорости движения
FHS Кабина
FIN VIN-номер автомобиля (17-значный)
FM Управление системами автомобиля
FMI Failure Mode Identifikation (вид ошибки)
FMS Fleet Management Standard (стандарт для управления транспортом,
не зависит от производителя, стандарт телематических систем)
FMR Регулировка двигателя автомобиля
FOC Front Omnibus Chassis (шасси для автобуса с передним двигателем)
FSCH Отопитель лобового стекла
FSG Прибор для определения неровности дорог
FSH Обогрев стекол и зеркал
FTW Перегородка места водителя
FUNK Радиостанция
FZA Индикатор цели поездки
FZNR Номер автомобиля (7 знаков)
G
GDK Регулируемый дизельный катализатор
GEN Генератор
GET Коробка передач
GGVS Распоряжение о транспортировке опасных грузов по дорогам (ADR)
GZK Промежуточный контур постоянного напряжения
GND Ground (масса)
GP Коробка передач: планетарная группа (передачи заднего делителя)
GS Управление переключением передач
GV Передний делитель коробки передач (передачи переднего делителя)
H
HA Задняя ось
HBA Вспомогательная тормозная система
HD-OBD Heavy Duty-Onboard Diagnose (бортовая система самодиагностики в тяжелых условиях работы)
HDS Установка для добавления раствора мочевины
HGB Ограничение максимальной скорости
HGS Гидравлическое переключение передач
HLUE Гидростатический вентилятор
HOC Heck Omnibus Chassis (шасси для автобуса с задним двигателем)
HSS Переключатель Highside
HST Главный щит электрических соединений
HU Основное испытание
HVSV Высоковольтный распределитель
HYD Автономный отопитель Hydronic
HYDRIVE Гидростатический привод передней оси
HYDRO MAN Привод Hydro Drive
HVA Гидростатический привод передней оси
Hz Герц (смена/периодов в секунду)
HZA Система стоп-сигналов
HZG Дополнительный датчик частоты вращения
I
IBEL Освещение салона
IBIS Встроенная бортовая информационная система
IC Integrated Circuit (встроенная электрическая схема)
ICOM Специальная шина данных VDO
ID Идентификация
IGBT Insolate Gate Bipolar Transistor (биполярный транзистор с изолированным затвором)
IMR Встроенное механическое реле (управление пуском)
INA Индикация информации (например, световой указатель)
INST Панель приборов
IR Индивидуальное регулирование (ABS)
IRM Индивидуальное регулирование, модифицированное (ABS)
ISO Международная организация стандартизации
IWZ Инкрементальная система измерения угла зажигания и времени
K
KBZ Тормозной цилиндр двойного назначения
KFH Обогрев топливного фильтра
KITAS Интеллектуальный датчик тахографа Kienzle
KLI Система кондиционирования воздуха
KNEEL Система книлинга
KSM Пользовательский блок управления (блок управления для внешнего обмена данными)
KSW Пожелания заказчика
KWP Key Word Protocol (протокол для диагностики с помощью MAN-cats KWP 2000)
L
LBH Ресивер
LCD Liquid Crystal Display (ЖК-дисплей)
LDA Зависящий от давления наддува ограничитель хода рейки
LDF Датчик давления наддува
LDS Пневматическая подвеска системы амортизаторов
LED Light Emitting Diode (светодиод)
LF Пневматическая подвеска
LGS Lane Guard System (система автотрекинга)
LHP Насос рулевого механизма или резервный насос рулевого механизма
LIN Local Interconnect Network (система шин передачи данных)
LL Частота вращения на холостом ходу
LLA Увеличение частоты вращения двигателя на холостом ходу
LLR Регулирование частоты вращения на холостом ходу
LNA Управляемая задняя поддерживающая ось задней тележки
LNG Liquified Natural Gas (сжиженный природный газ)
LOE Масло для рулевого механизма, контроль
LPG Liquified Petroleum Gas (сжиженный газ)
LSVA Дорожный сбор для грузовиков в Швейцарии
LWR Изменение угла наклона фар
LWS Датчик угла поворота рулевого колеса
M
M-TCO Модульный тахограф ЕС
MAB Отключение электромагнитным клапаном (отключение двигателя электромагнитным
клапаном высокого давления в топливном насосе)
MAN-cats MAN computer assisted testing and diagnosting system (компьютеризированная контрольно- диагностическая система MAN)
MAR Реле отключения электромагнитным клапаном (реле резервной подготовки двигателя к пуску)
MCB Main Control Board (центральная панель управления)
MDB Диапазон частот вращения вала двигателя
MES Регулятор подачи топлива
MFL Многофункциональное рулевое колесо
MIL Malfunction Indicator Lamp (сигнальная лампа бортовой системы самодиагностики)
ML Midline (средняя линия)
MMI Интерфейс человек-машина
MOTB Моторный тормоз
MP Ящик соединений сверху двигателя (кабельный канал в моторном блоке)
MR Регулятор двигателя: система регулирования привода ведущих колес
MSG Блок управления двигателем (EDC)
MTGW Шлюз трансмиссии двигателя
MUX Мультиплексный центральный компьютер (только автобусы)
MV Электромагнитный клапан
MZ Тормозная пневматическая камера
N
N Частота вращения
NA Система отбора мощности
NBF Датчик движения иглы
NES Новая электронная структура
NFZ Грузовые автомобили
NLA Задняя поддерживающая ось задней тележки
NOx Оксиды азота
NSL Задняя противотуманная фара
NSW Противотуманная фара
O
OBD Бортовая система самодиагностики
OBDU Модуль бортовой самодиагностики (подсистема ZBR)
OC Occurrence Count (счетчик частоты ... ошибки)
OEAB Маслоотделитель
OENF Дозаправка масла
P
p Давление
P Powertrain (трансмиссия, силовой агрегат)
PBM Pulse Breadth Modulation (широтно-импульсная модуляция сигнала, см. также PWM)
P-Code Powertrain-Code (код диагностики силового агрегата/трансмиссии)
PDF Фильтр твердых частиц
PLM Программируемый логический модуль
PM-Kat Particulate Matter-Katalysator (катализатор частиц)
PSC Pneumatic Supply Controller: замена для ECAM
PSG Блок управления насосом (EDC)
PTM Powertrain Manager (замена для FFR)
PTO Power Take Off (система отбора мощности)
PWG Датчик хода педали
PWM Pulse Width Modulation (сигнал с широтно-импульсной модуляцией, также см. PВM)
R
RA Руководство по ремонту
RAH Отопитель салона
RAM Random Access Memory (энергонезависимая память чтения/записи)
RAS Rear Axle Steering (управляемая задняя ось)
RAS-EC Rear Axle Steering Electronic Controlled (задняя ось с электронным управлением)
RDRA Устройство регулирования давления в шинах
RDS Radio Data System (система передачи информации по радио)
RET Ретардер
RET P Первичный ретардер
RET S Вторичный ретардер
RKL Проблесковый фонарь
RKS Система контроля шин: заменена на TPM
RLV Ускорительный клапан
RME Raps Methyl Ester (биодизель)
ROM Read Only Memory (одностороннее ЗУ)
S
SA Специальное оборудование
SAE Society of Automotive Engineers (объединение инженеров автомобильной промышленности)
SAMT Semi Automatic Mechanic Transmission (полуавтоматическая механическая коробка передач)
SB Сервисное обслуживание
SBW RA Steer By Wire Rear Axle (задняя поддерживающая ось с электронным управлением)
SCR Selective Catalytic Reduction (установка селективной каталитической нейтрализации окислов азота)
sec Секунда
SER Серийная установка
SG Блок управления
SH Регулирование по принципу Select High (ABS)
SKD Semi Knocked Down (частично разобранный автомобиль)
SL Регулирование по принципу Select Low (ABS)
SML Боковые габаритные фонари
SPI Serial Peripheral Interface (последовательный периферийный интерфейс)
SPN Suspect Parameter Number (номер места неисправности)
SRE Stoneridge Electronics
SSG Стандартный блок управления (отопитель, кондиционер воздуха)
STA Пуск/останов двигателя
SWR Устройство для очистки фар
T
T Время
TBM Модуль телематики
TC Traction Control (система регулирования привода ведущих колес)
TCM Trailer Control Modul (модуль управления тормозной системой прицепа)
TCO Тахограф (MTCO, DTCO, TSU и пр.)
TCU Transmission Control Unit (автоматический блок управления коробкой передач)
TEPS win Electronic Platform Systems (только автобусы)
TGA Автомобили серии Trucknology Generation A
TGL Автомобили серии Trucknology Generation Light
TGM Автомобили серии Trucknology Generation Mid
TGS Автомобили серии Trucknology Generation S
TGX Автомобили серии Trucknology Generation X
TKU Техническая документация заказчика
TMC Traffic Message Channel (канал передачи важной информации о дорожном движении)
TPM Tyre Pressure Module (система контроля давления в шинах)
TRS Технические условия для автомобильных дорог
TSC Torque Speed Control (тормозной момент)
TSU Tachograph Simulating Unit (преобразователь сигнала тахографа (в автомобилях без MTCO/DTCO))
TUER Управление дверями
U
UBat Напряжение аккумуляторной батареи
UCM Система управления UltraCap
UCS Система UltraCap
UDF Файл переоборудования (файл конвертирования)
UDS Память для записи информации об аварии
V
v Скорость
VA Передняя ось
VAC Переменное напряжение
VDC Постоянное напряжение
VDF Vehicle data file (файл данных автомобиля)
VG Раздаточная коробка или по стандартам для раздаточных устройств
VIN Vehicle Identification Number (VIN-номер автомобиля)
VLA Передняя поддерживающая ось задней тележки
VSM Раздаточная коробка, управление блокировкой
W
WA Руководство по обслуживанию
WAB Водоотделитель
WaPu Интардер насоса системы охлаждения
WERI Инвертор
WLE Инверторный блок зарядки
WR Сигнальное реле
WS Датчик положения
WSK Преобразователь муфты переключения
Z
z Торможение
ZBR Центральный компьютер
ZBRO Центральный компьютер автобуса
ZDR Внешнее управление частотой вращения
ZE Центральный щит электрических соединений
ZFR Дополнительный компьютер автомобиля
ZR Центральный компьютер
ZS Централизованная смазочная система
ZUSH Автономный отопитель
ZWS Система предупреждения о времени проведения техобслуживания
λ Проскальзывание
μ Значение трения
μC Микроконтроллер (микропроцессор)
Cхема электрических соединений

(1) Маркировка электрических узлов (пример: диод V100 в центральном щите электрических соединений, место 53).
(2) Место установки в передней части центрального щита электрических соединений (в данном случае выбитый номер места 53).
(3) Разъемное соединение с обратной стороны центрального щита электрических соединений (в данном случае штекер разъемного соединения 78, подключение 8).
(4) Номер кабеля, для цветных кабелей сокращения обозначения цвета, сечение указывается только в том случае, если не равно 1².
(5) Название, номер кабеля в скобках – это проводники электросхемы печатной платы.
(6) Разрыв цепи и продолжение цепи с номером листа (лист 2) и номером пути (путь 4).
(7) Разъемное соединение (пример: однополюсное разъемное соединение X104).
(8) Место установки узла (см. места установки для обозначения места).
(9) Цепь тока (пронумерована от 1 до 55/60 на схему).
Места установки для обозначения места A37

(A) Задняя часть автомобиля
(B) Двигатель, коробка передач (управление двигателем EDC7)
(C) Передняя часть
(D) Главный щит электрических соединений
(E) Приборный ящик (ящик для аккумуляторной батареи)
(E1) Панель для подключения оборудования 1 (вспомогательная коммутационная панель)
(F) Панель управления
(F1) Интерфейс панели управления
(G) Ящик для аккумуляторной батареи
(H) Левая сторона автомобиля
(J) Правая сторона автомобиля
(J4) Кнопка Balancing UCS
(K) Центр автомобиля
(L1) Самоходное шасси гибридных компонентов
(L2) Самоходное шасси энергоаккумулятора
(L3) Щит электроприборов высоковольтного распределителя тока
(L4) Щит электроприборов гибридного компонента на 24 В
(L5) Интерфейс в крыше на 24 В
(L6) Коробка с предохранителями на 24 В
(L7) Распределитель массы
(N) Передняя ось
(P) Задняя ось
Гибридное оборудование
Требования к снижению расхода топлива и выброса вредных веществ были основными при разработке гибридного привода.
Слово «гибрид» пришло из латинского языка и обозначает «смешанный». В области оборудования под этим понимают комбинацию двух разных технологий. Автомобиль с гибридным приводом приводится в действие двигателем внутреннего сгорания и электрическим двигателем. В компании MAN используется последовательная гибридная система.
Последовательный гибридная система (SHS)
При использовании последовательной гибридной системы отсутствует механическое соединение двигателя внутреннего сгорания с ведущей осью. Двигатель внутреннего сгорания приводит в действие генератор, а он в свою очередь создает энергию для движения. Колеса приводятся в действие с помощью двух электрических приводных двигателей, которые соединены между собой с помощью
суммирующей трансмиссии. При торможении приводные двигатели приводятся в действие генератором и заряжают высоковольтную систему (система управления UltraCap). Эта энергия снова используется для трогания с места и ускорения.

1 Двигатель внутреннего сгорания
2 Генератор
3 Инвертор
4 Конденсаторы энергии UltraCap
5 Ведущая ось
6 Топливный бак
7 Приводные двигатели с суммирующей трансмиссией
Гибридный привод
При использовании комбинированного привода энергия торможения преобразуется в электрическую энергию и аккумулируется, чтобы ее можно было использовать для последующего трогания с места или ускорения. Тяговые электродвигатели в процессе торможения работают как генераторы. Если энергоаккумулятор заполнен, двигатель внутреннего сгорания выключается, и последующий процесс
трогания с места или ускорения происходит без вредных выбросов и с пониженным уровнем шума. При длительной поездке с рекуперацией энергии и уже наполненным энергоаккумулятором с помощью тормозного сопротивления осуществляется торможение без износа. Кроме этого энергоаккумулятор питает вспомогательное оборудование, например насос рулевого механизма.
Двигатель внутреннего сгорания работает в наиболее благоприятном диапазоне, так как он через генератор подает на приводные двигатели энергию и таким образом дополнительно экономит топливо.

A608, цифровой контроллер ввода (DICO)
Цифровой контроллер ввода (DICO) постоянно контролирует системные функции и значения электрических приводных компонентов, генераторы и инверторы.
A1006, блок управления электропитанием (EMU)
Блок управления EMU активирует следующие области:
· Контроль реле контроля ISO
· Панель приборов (сообщения об ошибках, индикаторы техобслуживания и состояния)
· Частота вращения насоса для охлаждающей жидкости
· Резервный насос рулевого механизма и насос рулевого механизма
· Установка заданного значения для инвертора компрессора кондиционера
· Тормоз-замедлитель и установка заданного значения электрического тормоза
· Зарядный преобразователь бортовой сети
· Анализ состояния системы UltraCaps
· Автоматическая система «Пуск-останов»
· Управление контактора предварительного заряда и главного контактора
· Подготовка сигналов для остальной системы автомобиля
A1129, двигатель/трансмиссия: шлюз CAN (MTGW)
Шлюз шины CAN двигателя/трансмиссии (MTGW) обеспечивает передачу данных от M1-CAN на шину CAN трансмиссии.
A1143, система UltraCap (UCM и накопитель энергии торможения)
Система управления UltraCap управляет получением энергии во время торможения и отдачей энергии при трогании с места и ускорении автомобиля.
В задачи UCM входит следующее:
· Контроль температуры ячейки или модуля
· Контроль напряжений модулей
· Включение вентиляторов
· Предоставление данных о текущем состоянии для диагностики системы UltraCap
A1147, инвертор (WERI)
Двойной преобразователь с водяным охлаждением для рулевого механизма и системы кондиционирования преобразует постоянное напряжение в трехфазное переменное напряжение.
T169/T170, зарядный преобразователь бортовой сети (BNLW)
Зарядные преобразователи бортовой сети преобразуют напряжение постоянного тока 750 В (промежуточный контур постоянного напряжения) в постоянный ток 24 В. Они получают энергию напрямую от накопителя энергии торможения и предоставляют питание бортовой сети на 24 В.
Зарядные преобразователи бортовой сети управляются блоком управления электропитания (EMU) (A1006) в зависимости от температуры окружающего воздуха и типа аккумулятора. Выходное напряжение, т. е. выходной ток самостоятельно выравнивается даже при использовании двух параллельно работающих зарядных преобразователей бортовой сети. При сбое связи по шине CAN
зарядные преобразователи бортовой сети должны самостоятельно регулировать параметрируемое выходное напряжение. Зарядные преобразователи бортовой сети самостоятельно выводят предупреждения и коды ошибок.
Интерфейс для других систем
Общие положения
Мультиплексный центральный компьютер (ZBRO) (A360) – это связь между шиной CAN трансмиссии, базовой шиной CAN1 и базовой шиной CAN2. Связь между шиной CAN трансмиссии и ES-CAN – это FFR (A403). Блок управления контроллера цифрового ввода (DICO) (A608) – это связь между M1-CAN и SICAN.
Сообщение об ошибке или отказ системы (например, EBS, EDC, ECAS и т. д.) передается в центральный бортовой компьютер ZBR 2 через шину данных CAN трансмиссии (Т-CAN). Центральный компьютер ZBR 2 отправляет сигнал через шину CAN приборов управления (I-CAN) на панель приборов управления, где неисправность отображается на дисплее водителя с помощью контрольных и
сигнальных ламп, символов и текста.
Изображения шины CAN могут отличаться от действительно установленных в автомобиле блоков управления.
Структура системы TEPS шины CAN с гибридными системами (I-CAN/CAN трансмиссии/M1-CAN)

A143 Блок управления ECAS
A302 Центральный компьютер 2 (ZBR2) с нагрузочным резистором I-CAN
A360 Мультиплексный центральный компьютер (ZBRO)
A402 Блок управления системой EBS WABCO
A403 Блок управления движением автомобиля с нагрузочным резистором ES-CAN
A407 Панель приборов с нагрузочным резистором H-CAN
A408 Тахограф с нагрузочным резистором I-CAN
A435 Блок управления EDC с нагрузочным резистором M-CAN
A574 Устройство управления MMI с нагрузочным резистором H-CAN
A608 Блок управления контроллера цифрового ввода (DICO)
A1006 Блок управления блока управления электропитания (EMU)
A1129 Блок управления шлюза с нагрузочными резисторами M-CAN и шины CAN трансмиссии
A Другие подключаемые к сети системы
H-CAN Шина CAN Highline
I-CAN Шина CAN панели приборов
M1-CAN Шина CAN управления двигателем
T-CAN Шина CAN трансмиссии
Шина CAN системной структуры TEPS с гибридными системами (базовые CAN1+2 MUX)

A360 Мультиплексный центральный компьютер (ZBRO)
A411 Гнезда мультиплексора, передняя левая часть 2-M 1.1
A412 Гнезда мультиплексора (по заказу клиента на специальное исполнение) 2-M 1.2
A413 Гнезда мультиплексора блоков управления 2-М 1.3
A414 Гнезда мультиплексора (по заказу клиента на специальное исполнение) 2-M 1.4
A415 Гнезда мультиплексора, крышки 2-M 1.5
A416 Гнезда мультиплексора (по заказу клиента на специальное исполнение) 2-M 1,6
A417 Гнезда мультиплексора (по заказу клиента на специальное исполнение) 2-M 1.7
A418 Гнезда мультиплексора, задняя правая часть 2-M 1.8
A421 Гнезда мультиплексора, передняя правая часть 2-B 2.1
A422 Гнезда мультиплексора (по заказу клиента на специальное исполнение) 2-M 2.2
A423 Гнезда мультиплексора, центр автомобиля 2-M 2.3
A424 Гнезда мультиплексора, IBIS 2-M 2.4
A425 Гнезда мультиплексора, задняя часть 3 2-M 2.5
A426 Гнезда мультиплексора (по заказу клиента на специальное исполнение) 2-M 2.6
A427 Гнезда мультиплексора прицепа 2-М 2.7
A428 Гнезда мультиплексора, задняя левая часть автомобиля 2-M 2.8
R195 Нагрузочный резистор перед основной CAN 1
R196 Нагрузочный резистор за основной CAN 1
R197 Нагрузочный резистор перед основной CAN 2
R198 Нагрузочный резистор за основной CAN 2
Шина CAN системной структуры TEPS с гибридными системами (ES-CAN)

A403 Блок управления движением автомобиля с нагрузочным резистором ES-CAN
A1006 Блок управления блока управления электропитания (EMU)
A1143 Система управления UltraCap (UCM)
A1147 Двойной преобразователь LHP/кондиционера
M250 Насос системы охлаждения
T169 Зарядный преобразователь бортовой сети 1 (BNLW1)
T170 Зарядный преобразователь бортовой сети 2 (BNLW2)
X5155 Штекерный разъем Провод 159 (желтый)
X5156 Штекерный разъем Провод 160 (бело-желтый)
ES-CAN Шина CAN системы электропитания
Шина CAN системной структуры TEPS с гибридными системами (SI-CAN)

A608 Блок управления контроллера цифрового ввода (DICO)
A1101 Инвертор тягового электродвигателя 1
A1102 Инвертор тягового электродвигателя 2
A1103 Инвертор генератора
R346 Сопротивление 120 Ом 3
SI-CAN Siemens-CAN
X5068 Штекерный разъем Диагностика, сторонние утилиты
X5153 Штекерный разъем, скрученный кабель (синий)
X5154 Штекерный разъем, скрученный кабель (бело-синий)
ОПИСАНИЕ ФУНКЦИОНИРОВАНИЯ
Системная структура A608, контроллер цифрового ввода (DICO)

A608 Блок управления контроллера цифрового ввода (DICO)
A1006 Блок управления блока управления электропитания (EMU)
A1101 Инвертор тягового электродвигателя 1
A1102 Инвертор тягового электродвигателя 2
A1103 Инвертор генератора
A1129 Блок управления шлюза с нагрузочными резисторами M1-CAN и шины CAN трансмиссии
Системная структура A1129, шлюз CAN двигателя/трансмиссии (MTGW)

A302 Центральный компьютер 2 (ZBR2) с нагрузочным резистором I-CAN
A435 Блок управления EDC с нагрузочным резистором M1-CAN
A608 Блок управления контроллера цифрового ввода (DICO)
A1006 Блок управления блока управления электропитания (EMU)
A1129 Блок управления шлюза с нагрузочными резисторами M1-CAN и шины CAN трансмиссии
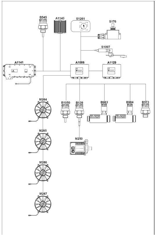
Системная структура A1006, блок управления электропитанием (EMU)

A1006 Блок управления блока управления электропитания (EMU)
A1129 Блок управления шлюза с нагрузочными резисторами M1-CAN и шины CAN трансмиссии
A1141 Высоковольтный распределитель тока (HVSV)
A1143 Система управления UltraCap (UCM)
B139 Датчик уровня охлаждающей жидкости
B545 Температура охлаждающей жидкости вторичного контура
B573 Пневматический переключатель влагоотделителя
B983 Реле расхода LHP, высокое напряжение
B984 Реле расхода резервного LHP 24 В
B1050 Датчик температуры раздаточной коробки между двигателем и генератором
M250 Насос системы охлаждения (EMP)
M284 Двигатель вентилятора 1 для теплообменника 1
M285 Двигатель вентилятора 2 для теплообменника 1
M286 Двигатель вентилятора 1 для теплообменника 2
M287 Двигатель вентилятора 2 для теплообменника 2
S176 Переключатель пуска/останова двигателя
S1097 Датчик приближения для блокировки пуска
S1261 Кнопка синхронизации UCS
Системная структура A1143 управления UltraCap (UCM)

A403 Блок управления движением автомобиля с нагрузочным резистором ES-CAN
A1006 Блок управления блока управления электропитания (EMU)
A1138 Дроссельный блок
A1141 Высоковольтный распределитель тока (HVSV)
A1143 Система управления UltraCap (UCM)
T169 Зарядный преобразователь бортовой сети 1 (BNLW1)
Системная структура A1147, инвертор (WERI)

A1147 Двойной преобразователь LHP/кондиционера
M248 Компрессор кондиционера VSK 31
M288 Электродвигатель насоса рулевого механизма с датчиком температуры
A1006 Блок управления блока управления электропитания (EMU)
Системная структура, зарядный преобразователь бортовой сети (BNLW)

A1141 Высоковольтный распределитель тока (HVSV)
A1143 Система управления UltraCap (UCM)
A1147 Двойной преобразователь LHP/кондиционера
T169 Зарядный преобразователь бортовой сети 1 (BNLW1)
T170 Зарядный преобразователь бортовой сети 2 (BNLW2)
Системная структура высоковольтной системы

A1101 Инвертор тягового электродвигателя 1
A1102 Инвертор тягового электродвигателя 2
A1103 Инвертор генератора
A1138 Дроссельный блок
A1141 Высоковольтный распределитель тока (HVSV)
A1143 Система управления UltraCap (UCM)
A1147 Двойной преобразователь LHP/кондиционера
G102 Генератор 1
M187 Тяговый электродвигатель 1
M188 Тяговый электродвигатель 2
M248 Компрессор кондиционера VSK 31
M288 Электродвигатель насоса рулевого механизма с датчиком температуры
R350 Датчик температуры: перегрев тормозного сопротивления (BR)
T169 Зарядный преобразователь бортовой сети 1 (BNLW1)
T170 Зарядный преобразователь бортовой сети 2 (BNLW2)
1 Блок контакторов
2 UltraCap модуль 1
3 UltraCap модуль 2
4 UltraCap модуль 3
5 UltraCap модуль 4
6 UltraCap модуль 5
7 UltraCap модуль 6
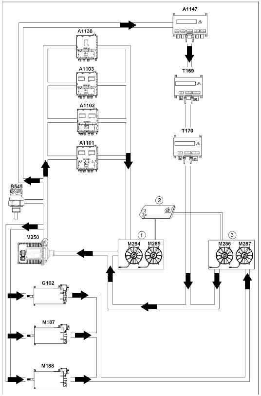
Вторичная система охлаждения

Вторичная система охлаждения обеспечивает охлаждение:
· тяговых электродвигателей (M187, M188);
· генератора (G102);
· инверторов (A1101, A1102, A1103);
· дроссельного блока (A1138);
· двойного преобразователя (A1147);
· зарядных преобразователей бортовой сети (Т169, Т170).
Остальные узлы вторичной системы охлаждения:
· Насос системы охлаждения (M250)
· Дополнительный бачок для охлаждающей жидкости (2)
· Теплообменники (1, 3) с двигателями вентиляторов (M284, M285, M286, M287)
· Датчик температуры охлаждающей жидкости во вторичном контуре (B545)
Наполнение вторичного контура охлаждения осуществляется в меню «Наполнение контура охлаждения», которое имеется в «процедуре» в MAN-cats® II в блоке управления EMU.
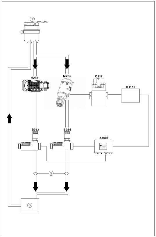
Гибридная система рулевого механизма

Электродвигатель насоса рулевого механизма с датчиком температуры (M288) или резервный насос рулевого механизма (M235) подают в гибридную систему рулевого механизма достаточное количество масла для рулевого механизма из дополнительного бачка для охлаждающей жидкости (1). Для контроля используется 2 реле расхода (B983, B984) в гидросистеме. 2 обратных клапана (2) отключают безнапорную линию. Таким образом (3) в рулевой механизм подается масло для рулевого механизма.
Блок управления EMU (A1006) получает данные от реле расхода (B983, B984) и управляет резервным насосом рулевого механизма (M235) с помощью резервного насоса рулевого механизма (K1159) и с помощью резервного насоса рулевого механизма с контакторами (Q117).
A608, блок управления контроллера цифрового ввода (DICO)

Функция
Контроллер цифрового ввода (A608) заменяет блок управления коробки передач и ретардера и состоит из нескольких функциональных компонентов:
· Модуль управления электропитанием
· Drive Control Unit (блок управления приводом)
· Overhead Control Unit (главный контрольный блок управления)
Блок управления приводом в зависимости от требования водителя задает необходимый момент тяговых электродвигателей.
Блок управления А608 контроллера цифрового ввода (DICO) контролирует следующие узлы:
· Инверторы (A1101, A1102)
· Тяговые электродвигатели (M187, M188)
· Инвертор (A1103)
· Генератор (G102)
В этих узлах можно проверить:
· мощность;
· моменты вращения;
· показатели напряжения и силы тока;
· температуру;
· частоту вращения
Назначение контактов


Технические данные

Руководство по ремонту
– Демонтаж и установка блока управления
При необходимости демонтировать или установить имеющийся блок управления DICO параметрирование не требуется.
– Замена блока управления
При замене блока управления DICO необходимо провести его параметрирование.
– Параметрирование блока управления
Параметрирование необходимо также в том случае, если параметрирование блока управления DICO было выполнено некорректно.
A1006, блок управления электропитанием (EMU)

Функция
Блок управления электропитанием (EMU) (A1006) является центральным устройством управления. Он получает и отправляет данные по шине M1-CAN и ES-CAN. Разные датчики также посылают значения измерения в блок управления EMU (A1006). Блок управления EMU активирует следующие области:
· Контроль реле контроля ISO
· Панель приборов (А407), код ошибки, индикаторы техобслуживания и состояния
· Частота вращения насоса системы охлаждения (M250)
· Резервный насос рулевого механизма (М235) и насос рулевого механизма (М288)
· Компрессор кондиционера (M248)
· Тормоз-замедлитель и установка заданного значения электрического тормоза
· Зарядные преобразователи бортовой сети (Т169, Т170)
· Анализ состояния системы UltraCaps
· Автоматическая система «Пуск-останов»
· Подготовка сигналов для остальной системы автомобиля
Назначение контактов

Штекер разъемного соединения Х1

Штекер разъемного соединения Х2

Штекер разъемного соединения X3

Штекер разъемного соединения X4

Технические данные

Руководство по ремонту
– Демонтаж и установка блока управления
При необходимости демонтировать или установить имеющийся блок управления EMU параметрирование не требуется.
A1101, инвертор тягового двигателя 1
Внимание! Высокое напряжение!
С данным узлом может работать только квалифицированный персонал.
Перед прикосновением проверить, отключена ли подача напряжения!
Необходимо соблюдать все меры по защите.

Функция
В инверторе (силовая электроника) (A1101) постоянное напряжение (DC) высоковольтного накопителя энергии торможения распределяется по подключениям фазы (3 фазы) приводного двигателя таким образом, что получается трехфазное напряжение. Инвертор тягового электродвигателя 1 имеет 4 отдельно активируемые фазы, причем четвертая фаза используется для активации
энергоаккумулятора через дроссельный блок. Инвертор состоит из высоковольтной силовой части и устройства управления. Высоковольтная силовая часть состоит:
· из 4 силовых транзисторов со встроенным задающим каскадом (IGBT);
· 2 конденсаторов промежуточной цепи постоянного напряжения;
· резисторов симметрии и разряда.
Устройство управления состоит:
· из основной контрольной платы (MCB);
· контрольной платы IGBT.
MCB генерирует последовательность импульсов для сигнала PWM и передает запрошенные данные по интерфейсу CAN, например напряжение, частоту вращения и ток.
Контрольная плата IGBT контролирует силовые транзисторы.
Инвертор тягового электродвигателя 1 (A1101) работает в гибридной системе как регулятор тока для задания крутящего момента и контролирует приводной электродвигатель (M187). Для охлаждения используется вторичный контур охлаждения. Инвертор тягового электродвигателя 1 (A1101) сообщает по шине SI-CAN блоку управления DICO (A608) о возникающих кодах диагностики.
Назначение контактов

Высоковольтные кабели подключаются к разъемам L1 – P2. Штекер разъемного соединения X2 – это связь с тяговым электродвигателем 1 (M187). По экранированному кабелю данные управления передаются двигателю.

Штекер разъемного соединения Х1

Штекер разъемного соединения Х2

Подключение тягового электродвигателя 1

Технические данные

Продолжение и всю информацию смотри в