Подогреватели предпусковые дизельные серии
14ТС 10 12 4910
14ТС 10 12 8080

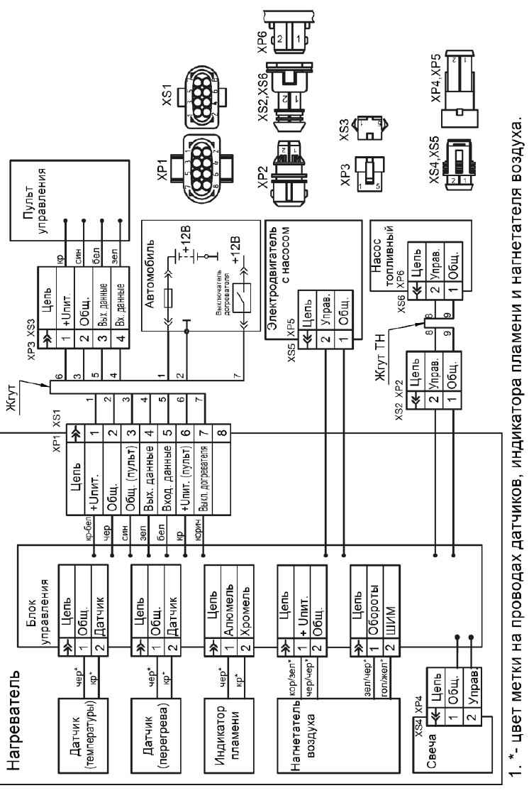
Схема электрических соединений

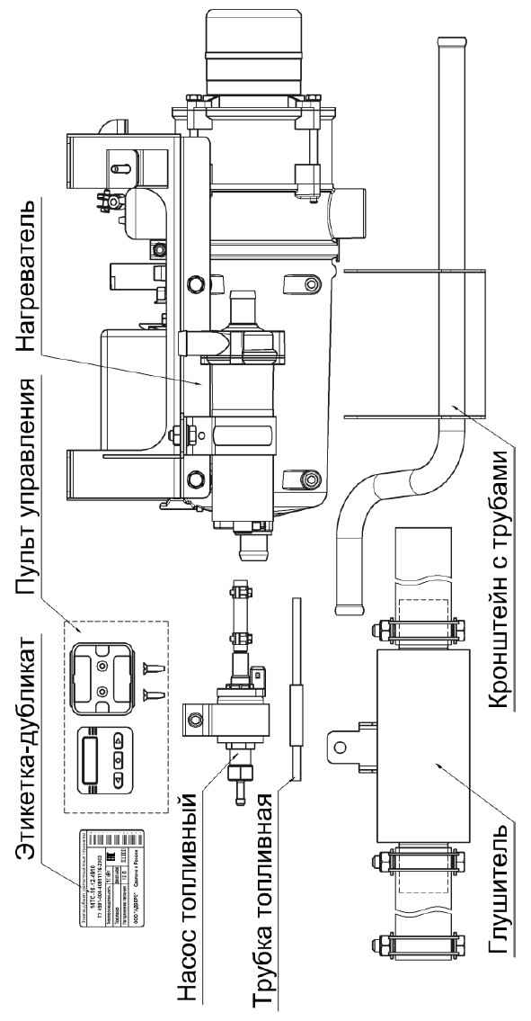
Основные узлы подогревателя

Основные узлы нагревателя
Подписывайтесь на наш канал в Telegram и будьте всегда в курсе самых последних сообщений и публикаций с сайта. |


