Экскаватор пневмоколесный гидравлический ЕК-14
(электрические, гидравлические схемы и инструкции по ремонту)

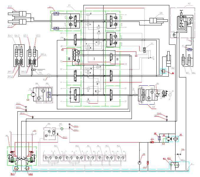
Принципиальная гидравлическая схема ЕК-14
А1 Коллектор центральный 314-02-71.00.850
А2 Механизм рулевой НДМ-80-У250-8-У ТУ23.5785851.1-91
А3 Калорифер 313-00-80.06.700-10
А4 Блок клапанов 312-04-80.01.500
А5 Фланец ЭО-3323А.08.07.500-10
А6 Блок плавающего положения стрелы 520.35.00.000
А7 Кран буксировочный 314-02-71.00.450
A8 Кран 314-02-80.01.500
АК Пневмогидроаккумулятор 64002.10.000
Б Гидробак 314-02-80.15.000-10
БК Блок переливных клапанов с ПОУ У4620.41.00.000
ВН1.1-ВН1.2 Включатель манометра ЭО-3323.01.82.680
ВН2.1-ВН2.4 Включатель манометра ЭО-3322А.23.02.260
Др Дроссель с обратным клапаном 62900А
ЗМ1.1-ЗМ1.4 Гидрозамок двухсторонний 13.71.80.670/680
КО1 Клапан предохранительный ЭО-3323А.08.07.110-10
КО2 Клапан подпорный ЭО-3323А.08.07.110-20
КИ Клапан «ИЛИ» 3323А.07.15.020
М1 Гидромотор аксиально-поршневой 310.3.56 или 410.56 (г. Одесса)
М2 Гидромотор аксиально-поршневой 303.3.112.501
М3 Гидромотор аксиально-поршневой 310.12.01.03 (или ДЭЦ2.957.001)
МН1 Манометр МП3-60 МПа х 1,5 черт. 1 ТУ25.02.943-74
МН2 Манометр масляный с демпфером Ø60 МТП-3-10 МПа-1,5 ТУ 25-7310.0045-87
МН3 Манометр масляный с демпфером Ø60 МТП-3-16 МПа-1,5 ТУ 25-7310.0045-87
МН4 Манометр масляный с демпфером Ø60 МТП-3-1 МПа-1,5 ТУ 25-7310.0045-87
НА Насосный агрегат 333.3.55.100.220
НШ Насос шестеренчатый НШ-10-3 ГОСТ 8753-80
Р1 Гидрораспределитель 314-02-520.00-10
Р2.1-Р2.2 Блок управления 13.80.04.500 или 100 ВНМ-03(-11)
Р3 Блок управления 13.80.04.820
Р4 Блок управления 13.80.04.920-20
Р5.1-Р5.2 Блок управления 13.80.04.940
Р6 Клапан пневмогидравлический ЭО-3322Б.60.05.000
Р7 Гидрораспределитель ЭО-3323А.07.21.010
Ф1.1-Ф1.2 Фильтр магистральный с фильтроэлементами 55P-661А-1-06 ТУ55.11224.00 или ПЗМИ-ГС-661 (Реготмас 661-1-05)
Ф2.1-Ф2.2 Фильтр всасывающий MSZ-303 BMCVB или SF0180S125W/-B0.2
Ф3 Фильтр напорный MDM101CD1CB300X или APM 37
Ц1.1-Ц1.2 Гидроцилиндр стрелы (110х70х1100) 313-00-23.95.000-11
Ц2 Гидроцилиндр рукояти (125х90х1100) 125-90-11.01.000-11
Ц3.1-Ц3.2 Гидроцилиндр выносных опор (125х80х400) ЭО-3323А.71.82.000-11
Ц4.1-Ц4.2 Гидроцилиндр отвала (100х63х250) 13.20.69.000-11
Ц5.1 Гидроцилиндр поворота колес правый ЭО-3323.71.80.300
Ц5.2 Гидроцилиндр поворота колес левый ЭО-3323.71.80.400
Ц6 Гидроцилиндр ковша (110х70х900) 313-00-23.94.000-11

Электрическая схема экскаватора ЕК-14
1 - указатели поворота;
2, 6 - фары;
3 - датчик давления воздуха;
4 - стеклоочиститель;
5 - включатель стоп-сигнала;
7 - звуковой сигнал;
8 - плафон;
9 - вентилятор;
10 - стеклоомыватель;
11 - электронная панель приборов;
12 - включатель стартера;
13 - включатель электрофакельного подогревателя;
14 - включатель «массы»;
15 - датчик уровня топлива;
16 - электрофакельный подогреватель двигателя;
17 - аккумуляторные батареи;
18 - дистанционный включатель «массы»;
19 - генератор;
20 – указатели поворота задние;
21 – фонари габаритные;
22 – фонари стоп-сигнала;
23 - датчик давления масла в двигателе;
24 - стартер;
25 - датчик температуры охлаждающей жидкости;
26 - реле стартера;
27 - датчик температуры рабочей жидкости;
28 - буксировочный жгут;
29 - буксировочная вилка;
30 - подогреватель жидкостный HYDRONIC 10;
31 - дозировочный насос;
32* - электрогидравлический золотник сервоуправления включения ускорителя хода;
33 - отопитель;
34 - монтажный блок;
35 - розетка;
36* - включатель ускорителя хода;
37 - предохранители;
38 - подрулевой переключатель;
39 - включатель подогревателя;
40 - включатель фар на поворотной платформе;
41 - включатель вентилятора;
42 - включатель отопителя;
43 - включатель габаритных огней;
44 - включатель фар на кабине и стреле;
45, 46 - электромагнитные клапаны;
47 - включатель стояночного тормоза;
48 - включатель переключения передач.
Расцветка проводов в жгутах:
Б - белый;
Ж - желтый;
О - оранжевый;
К – красный;
Р – розовый;
Г – голубой;
З – зеленый;
Кч – коричневый;
С – серый;
Ч – черный;
Ф – фиолетовый.
Цифра после цвета провода – сечение, мм2
Все инструкции смотри в