Места установки компонентов Renault Magnum

Система электронного опережения впрыска "VMAC"
Размещение оборудования в кабине
2216 - Сигнализатор ’Информация" электронного противоугонного устройства
5268 - Выключатель регулятора скорости и режима двигателя
5269 - Привод регулятора скорости и режима двигателя
5270 - Шунт ограничения скорости (для экспортного исполнения)
7519 - Штепсельная розетка для диагностики
9205 - Вычислительное устройство “VMAC"
9266 - Сигнализатор ‘информация” и контрольный тест “VMAC*

Система электронного опережения впрыска "VMAC"
Размещение оборудования в кабине
8169 - Ручной контактор стояночного тормоза
8272 - Датчик уровня воды
8644 - Контактор-выключатель сцепления
9227 - Датчик положения педали акселератора

Система электронного опережения впрыска "VMAC"
Размещение оборудования на двигателе “MIDR 06.24.65”
2266 - Привод выключения двигателя (лри опрокидывании кабины)
7362 - Датчик температуры в контуре охлаждения двигателя
7368 - Датчик давления масла
8261 - Датчик скорости вращения двигателя
6275 - Датчик уровня масла в двигателе
8286 - Датчик температуры наддувочного воздуха

Система электронного опережения впрыска "VMAC"
Размещение оборудования на двигателе “MIDR 06.24.65”
9218 - Электроклапан опережения "ECONOVANCE"
9219 - Привод зубчатой рейки ТНВД
9262 - Датчик режима ТНВД
9265 - Датчик положения зубчатой рейки ТНВД

Система электронного опережения впрыска "VMAC"
Размещение оборудования на двигателе “MACK ЕЕ9 560”
7362 - Датчик температуры в контуре охлаждения двигателя
7368 - Датчик давления масла
8261 - Датчик скорости вращения двигателя
8275 - Датчик уровня масла в двигателе
9218 - Эпвктрокпапан опережения “ECONOVANCE"

Система электронного опережения впрыска "VMAC"
Размещение оборудования на двигателе “MACK ЕЕ9 56О"
2266 - Привод выключения двигателя (при опрокидывании кабины)
8286 - Датчик температуры наддувочного воздуха
9219 - Привод зубчатой рейки ТНВД
9262 - Датчик режима ТНВД
9265 - Датчик положений зубчатой рейки ТНВД

Дистанционное управление коробкой передач “TBV”
Размещение оборудования в кабине
7519 - Штепсельная розетки для диагностики
7616 - Матричный дисплей
8663 - Рычаг управления коробки передач
8667 - Выключатель "заднии ход с ограничением"

Дистанционное управление коробкой передач “TBV"
Размещение оборудования в кабине
1133 - Резистор "BUS CAN"
8601 - Вычислительное устройство "TBV"
8674 - Аварийный выключатель "TBV" (в модификации RTMDR)

Дистанционное управление коробкой передач “TBV"
Размещение оборудования на коробке передач “818“
8168 - Манометрический выключатель воздуха вспомогательных контуров
8617 - Датчик заднего реле
8618 - Электрокпапан задней передачи
8619 - Электрокпан нейтрального положения
8620 - Электроклапан первой медленной передачи “CRAWLER"
8621 - Электроклалан переднего реле медленных скоростей
8622 - Электроклалан переднего реле быстрых скоростей
8623 - Электроклалан заднего реле медленных скоростей
8624 - Электроклалан заднего реле быстрых скоростей
8625 - Электроклалан первой передачи
8626 - Электроклалан второй передачи
8627 - Электроклалан третьей передачи
8628 - Электроклалан четвертой передачи
8629 - Электроклалан "DELTA 2"
8660 - Датчик скорости "на входе" коробки передач
8668 - Датчик переднего реле
А1 - "медленная передача"
А2 - питание {+)
B1 - "быстрая передача"
В2 - питание ( - )
8669 - Датчик “DELTA 2"
8671 - Датчик "первая - вторая"
8672 - Датчик "третья - четвертая"

Противоугонное устройство
Размещение оборудования в кабине
2200 - Электронный блок с противоугонным устройством
2219 - Антенна ответчика
2220 - Ключ ответчика
2221 - Сигнализатор "Информация" электронного противоугонного устройства
7519 - Штепсельная розетка для диагностики
9205 - Вычислительное устройство “VMAC"
9266 - Сигнализатор "информация" и контрольный тест "VMAC"

Пневмо-электронная подвеска "4х2 - 6x2 - 6x4"
Размещение оборудования е кабине
7519 - Штепсельная розетка для диагностики
8502 - Вычислительное устройство подвески
8522 - Контрольная лампа подвески
8523 - Аварийная контрольная лампа подвески
8560 - Пульт дистанционного управления
8569 - Привод перераспределителя нагрузки на ось

Пневмо-электронная подвеска “4x2"
Размещение оборудования иа шасси
8524 - Блок электроклапанов задней подвески
8572 - Задний правый датчик уровня подвески
8573 - Задний левый датчик уровня подвески

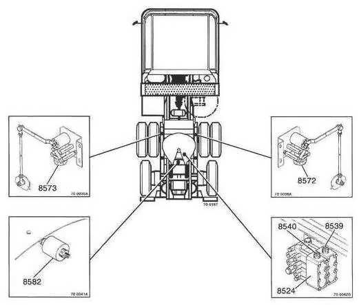
Пневмо-электронная подвеска “4x2”
Размещение оборудования на шасси
8524 - Блок электроклапанов задней подвески
8525 - Бпок электроклапанов передней подвески
8571 - Передний датчик уровня подвески
8572 - Задний правый датчик уровня подвески
8573 - Задний левый датчик уровня подвески

Пневмо-электронная подвеска “6x2"
Размещение оборудования на шасси
8524 - Блок электроклапанов задней подвески
8539 - Блок электроклапанов задней подвески (мост)
8540 - Блок электроклапанов задней подвески (ось)
8572 - Задний правый датчик уровня подвески
8573 - 3адний левый датчик уровня подвески
8682 - Датчик давления подушек эаднега моста

Пневмо-электронная подвеска “6x2”
Размещение оборудования не шасси
8524 - Блок электроклапанов задней подвески
8525 - Блок электроклапанов передней подвески
8539 - Блок электроклапанов задней подаески (мocт)
8540 - Блок электроклапанов задней подвески (ось)
8571 - Передний датчик уровня подвески
8572 - Задний правый датчик уровня подвески
8573 - Задний левый датчик уровня подвески
8582 - Датчик давления подушек заднего моста

Оборудование ABS/ ASR
Размещение оборудования в кабине
7519 - Штепсельная розетка для диагностики
8001 - Вычислительное устройство для системы “ABS-ASR"
8011 - Контрольная лампа системы "ABS"
8020 - Контрольная лампа пробуксовки колес или включения системы "ASR"
8060 - Выключатель системы противоскольжений
8014 - Электроклапан системы ABS передний левый
8015 - Электроклапан системы ABS передний правый
8016 - Эпектроклапан системы ABS задний левый
8017 - Электроклапан системы ABS задний правый
8038 - Электроклапан системы "ASR" левый
8039 - Электроклапан системы "ASR" правый
8061 - Датчик системы АБС передний левый
8062 - Датчик системы АБС передний правый
8063 - Датчик системы АБС задний левый
8064 - Датчик системы АБС задний правый

Оборудование A8S \ ASR “4x2"

Оборудование ABS / ASR “4x2”

Оборудование ABS / ASR “ 6x2 - 6x4"

Оборудование ABS / ASR “6x2"

Оборудование "EBS"
Размещение оборудования в кабине
7519 - Штепсельная розетка для диагностики
8020 - Контрольная пампа пробуксовки колес или включения системы “ASR"
8060 - Выключатель системы противоскольжения
9501 - Вычислительное устройство “EBS"
9510 - Аварийный сигнализатор системы торможения автопоезда
9511 - Сигнализатор неисправности системы торможения тягача

Оборудование “EBS"
Размещение оборудования в кабине
9520 - Кран тормоза

Оборудование "EBS"
Механическая подвеска
Размещение оборудований на шасси
9530 - Передний блок
9540 - Правый канал заднего блока (мост)
9545 - Певый канап заднего блока (мост)
9560 - Датчик давления "EBS" в подушках заднего моста
9570 - Датчик скорости колеса переднего левого
9571 - Датчик скорости колеса переднего правого
9572 - Датчик скорости колеса заднего левого
9573 - Датчик скорости колеса заднего правого

Оборудование “EBS"
Пневматическая подвеска
Размещение оборудования ив шасси
9530 - Передний блок
9540 - Правый канал заднего блока (мост)
9545 - Левый канал заднего бпока (мост)
9560 - Датчик давления "EBS" в подушках заднего моста
9570 - Датчик скорости колеса переднего левого
9571 - Датчик скорости колеса переднего правого
9572 - Датчик скорости колеса заднего левого
9573 - Датчик скорости колеса заднего правого

Автономный отопитепь “D1LCC/D3LCC"
4422 - Автономный отопитель марки
4466 - Привод автономного отопитепя
4469 - Программируемое управление автономным отопителем
4487 - Вариатор температуры
7519 - Штепселькая розвтка для диагностики

Автономный отопитель “D1LCC/D3LCC"
4919 - Насос подачи дизельного топлива

Автономный отопитель “THERMO 90"
4423 - Автономный отопитель марки
4469 - Программируемое управление автономным отопителем
4487 - Вариатор температуры
4938 - Выключатель главного электроклапана контура охлаждения
7519 - Штепсельная розетка для диагностики

Автономный отопитель “THERMO 90”
4426 - Электроклапан водяной магистрали
4919 - Насос подачи дизельного топлива

Оборудование RTMDR
2171 - Общий выключатель в модификациях RTMDR
5561 - Выключатель подсветки клапанов
7100 - Ограничитель тока

Электронные блоки кроме соединительного
3101 - Прерыватель указателей поворота
4001 - Блок централизованной блокировки дверей
5301 - Тактовая схема стеклоочистителя

Понижающий трансформатор
Размещение оборудования в кабине
4200 - Понижающий трансформатор (розетка 12 вольт)
4209 - Понижающий трансформатор (связь)


Реле вне блока соединителей
Размещение оборудования на двигателе
2212 - Пусковое реле
2414 - Реле предпускового нагревателя

Реле вне блока соединителей
Размещение оборудования на шасси
2218 - Сигнализатор "Информация" электронного противоугонного устройства
8021 - Реле злектроклапанов "ABS/ASR" (Пер.прав./Задн.пев.)
8022 - Реле эпектроклапанов "ABS/ASR" (Пер. лев. / Задн. прав.)
8023 - Реле контрольной лампы системы ABS
8S27 - Реле опрокидывания кабины

Предохранители вне блока соединителей
Размещение оборудования на шасси
F84 - Приводной двигатель опрокидывания кабины
F85 - Штепсельная розетка прицепа 7 - контактная (для системы “A8S/EBS’')