См. также:
Электросхемы пневматической подвески NR Mercedes Axor
Электропитание блока управления NR система регулирования уровня а/м

- А14: Блок управления NR система регулирования уровня а/м
- Х2(А14): Штекерное соединение на блоке управления NR
- А7: Базовый модуль
- Х8(А7): Штекерное соединение на конструктивном узле А7
- Х9(А7): Штекерное соединение на конструктивном узле А7
- Х13(А7): Штекерное соединение на конструктивном узле А7
Z1: Соединение по CAN

- А14: NR система регулирования уровня а/м
- Х2(А14): Штекерное соединение на блоке управления NR
- Z1: Точка звезды CAN
- X1(Z1): Штекерное соединение на конструктивном узле Z1
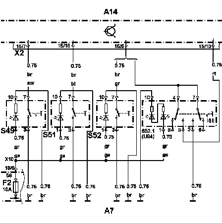
S49: Выключатель нормального уровня I/II

- А14: Блок управления NR система регулирования уровня а/м
- Х2(А14): Штекерное соединение на блоке управления NR
- А7: Базовый модуль
- Х10(А7): Штекерное соединение на конструктивном узле А7
- F2: Предохранитель Подсветка панели приборов , Клемма 58 (Базовый модуль)
- S49: Выключатель нормального уровня I/II
- S51: Выключатель Поднимающийся мост
- S52: Выключатель помощи при начале движения
- S52.1(U94) В северных странах клавиша для задействования помощи при начале движения выполнена как выключатель.
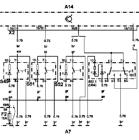
S51: Выключатель Поднимающийся мост - Только для тип а/м 6x2

- А14: Блок управления NR система регулирования уровня а/м
- Х2(А14): Штекерное соединение на блоке управления NR
- А7: Базовый модуль
- Х10(А7): Штекерное соединение на конструктивном узле А7
- F2: Предохранитель Подсветка панели приборов , Клемма 58 (Базовый модуль)
- S49: Выключатель нормального уровня I/II
- S51: Выключатель Поднимающийся мост
- S52: Выключатель помощи при начале движения
- S52.1(U94) В северных странах клавиша для задействования помощи при начале движения выполнена как выключатель.
S52: Выключатель Помощь при начале движения - Только для тип а/м 6x2

- А14: Блок управления NR система регулирования уровня а/м
- Х2(А14): Штекерное соединение на блоке управления NR
- А7: Базовый модуль
- Х10(А7): Штекерное соединение на конструктивном узле А7
- F2: Предохранитель Подсветка панели приборов , Клемма 58 (Базовый модуль)
- S49: Выключатель нормального уровня I/II
- S51: Выключатель Поднимающийся мост
- S52: Выключатель помощи при начале движения
- S52.1(U94) В северных странах клавиша для задействования помощи при начале движения выполнена как выключатель.
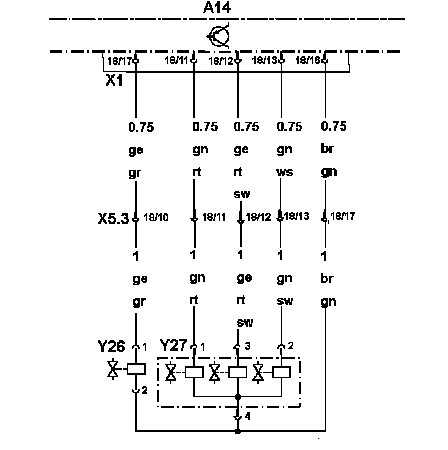
В51 / В52 / В53: Датчики перемещения

- А14: Блок управления NR система регулирования уровня а/м
- Х1(А14): Штекерное соединение на блоке управления NR
- ХЗ.З: Штекерное соединение 'Кабина водителя-шасси'
- Х5.3: Штекерное соединение 'рама'
- В51: Датчик перемещения переднего моста
- В52: Левый датчик перемещения ведущего моста
- В53: Правый датчик перемещения ведущего моста
В54 / В55 / В56: Датчики давления

- А14: Блок управления NR система регулирования уровня а/м
- Х1(А14): Штекерное соединение на блоке управления NR
- Х5.4: Штекерное соединение ’рама’
- В54: Левый датчик давления ведущего моста
- В55: Правый датчик давления ведущего моста
- В56: Датчик давления переднего моста
Y26 / Y27: Блок электромагнитных клапанов
Передний мост - Задний мост / Только для тип а/м 4х2/6х4

- A14: Блок управления NR система регулирования уровня а/м
- Х1(А14): Штекерное соединение на блоке управления NR
- Х5.3: Штекерное соединение 'рама'
- Y26: Электромагнитный клапан регулировка уровня переднего моста
- Y27: Блок электромагнитных клапанов регулировки уровня (тип а/м 4х2/6х4)
Y26 / Y28: Блок электромагнитных клапанов
Передний мост - Задний мост / Только для тип а/м 6x2

- A14: Блок управления NR система регулирования уровня а/м
- Х1(А14): Штекерное соединение на блоке управления NR
- Х5.3: Штекерное соединение 'рама'
- Х5.4: Штекерное соединение 'рама'
- Y26: Электромагнитный клапан регулировка уровня переднего моста
- Y28: Блок электромагнитных клапанов регулировки уровня (тип а/м 6x2)
- X1(Y28): Штекерное соединение на конструктивном узле Y28
- X2(Y28): Штекерное соединение на конструктивном узле Y28
S50 / ХЗО: Панель управления

- А14: Блок управления NR система регулирования уровня а/м
- Х2(А14): Штекерное соединение на блоке управления NR
- S50: Панель управления регулировкой уровня
- ХЗО: Штекерное соединение панели управления регулировкой уровня