Тренинг персонала RENAULT TRUCKS
(замедлитель VOITH)


ОБЩИЕ СВЕДЕНИЯ
Технические данные
Тип УЯ3250
Максимальный момент торможения 3250 Нм
Максимально допустимый режим 2500 об/мин
Масса замедлит еля без масла 59 кг
Рабочее давление 7-10 бар
Объем масла 5,4 литра
Презентация
Замедлитель Voith - экономичный замедлитель, удерживающий температуру рабочего тормоза на низком уровне и вместе с тем обеспечивающий полную работоспособность рабочего тормоза и дополнительную безопасность в экстренные случаях.
Эффективность замедлителя может быггь использована полностью при понижении передачи с тем, чтобы получить обороты двигателя не менее 1500 об/мин. Таким образом обеспечены большая производительность водяного насоса и высокая скорость венилятора.
При неблагоприятные дорожные условиях замедлитель вводить в действие осторожно и плавно, а в экстремальные случаях (снег, гололед и пр.) его вообще не включать. Замедлитель отключается автоматически при задействованной функции ABS. Отмена последней автоматически активирует замедлитель.
Принцип замедления
Сила замедления обеспечена за счет энергии масляного потока. Лицевой стороной друг к другу обращены два лопастных колеса: слева ротор,справа статор. Ротор вращается трансмиссионным валом, статор же обращен к нему лицевой стороной и жестко скреплен с картером замедлителя. В зависимости от заданного режима замедления масляный поток сжатым воздухом перегоняется из масляного бака в лопастные камеры ротора и статора. При этом кинетическая энергия превращается в тепловую и ротор замедляется. Отрицательное ускорение передается трансмиссионному валу, в результате чего автомобиль сбавляет ход. Таким образом, замедление осуществляется без механического трения в лопастных колесах ротора и статора.

1. Ротор
2. Статор
3. Гидравлическая жидкость
Установка на авто м обиле

1. Коробка передач
2. Понижающая шестерня
3. Входной вал замедлителя
4. Ротор
5. Статор
6. Масляный бак замедлителя
7. Теплообменник
8. Трансмиссионный вал
2. Понижающая шестерня
3. Входной вал замедлителя
4. Ротор
5. Статор
6. Масляный бак замедлителя
7. Теплообменник
8. Трансмиссионный вал
Контур охлаждения
Поскольку механическая энергия автомобиля превращается в тепло, замедлитель требуется охлаждать и поэтому он подключен к контуру охлаждения двигателя.

9. Термостат
10. Радиатор автомобиля
11. Вентилятор
12. Теплообменник
13. Датчик температуры масла
14. Датчик температуры воды
Ручка управления на руле
Замедлителем можно управлять с помощью тормозной педали (ножное включение) или ручкой на рулевой колонке (поз. 1). У этой ручки на автомобиле, укомплектованном тормозом Орtibгаке и замедлителем VOITH, имеется 6 положений, одно из них нестабильно:
положение 0 = неактивный замедлитель
положения 1-4 = процент момента замедления как указано ниже в таблице:
положение 5 = оптимизация замедлителя путем автоматического выбора оптимального передаточного отношения VOITH используется только с автоматической коробкой передач Optidriver 2. Это положение нестабильно: как только ручку отпускают, она автоматически возвращается в положение 4.


Кнопка Авто/Ручн. (Auto/Manu)
Кнопка Авто/Ручн. должна быть задействована для обеспечения сопряжения замедлителя с тормозной педалью и включения «интегрального круиз-контроля» (активация замедлителей при превышения скорости, заданной регулятором хода).

Сигнализатор работы замедлителя VOITH

ОПИСАНИЕ КОМПОНЕНТОВ
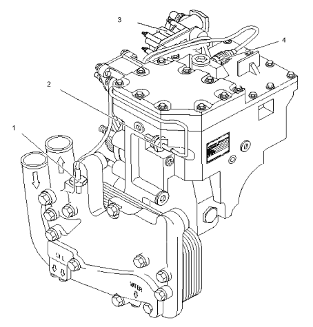
Наружные ко мпоненты
1. Пропорциональный электроклапан
2. Пробка заливки масла
3. Картер замедлителя
4. Пробка уровня (4а) и воздушная пробка (4Ь)
5. Заводской щиток
6. Масляный фильтр
7. Водно-масляный теплообменник
8. Слив охлаждающей жидкости
9. Картер теплообменника
10. Слив масла
11. Обратный клапан на входе

Электрические ко мпоненты
1. Датчик температуры охлаждающей жидкости
2. Датчик температуры масла
3. Пропорциональный электроклапан
4. Датчик давления воздуха

Теплообменник

1. Вход охлаждающей жидкости
2. Вывод охлаждающей жидкости к радиатору
3. Выход охлаждающей жидкости
4. Вход масла замедлителя при холостых оборотах
5. Выход масла замедлителя при холостых оборотах
6. Вход масла работающего замедлителя
7. Выход масла работающего замедлителя
Примечание: теплообменник используется также для охлаждения масла коробки передач, которое поступает и удаляется через заднюю стенку теплообменника.
ПРИНЦИП РАБОТЫ
Гидропневматический контур

1 Теплообменник
1/1 Контур охлаждения масла замедлителя
1/2 Контур охлаждения масла коробки передач
19 Датчик охлаждающей жидкости
- Позволяет подстроить замедляющий момент при перегреве.
20 Датчик температуры масла.
- Как и датчик температуры воды, он позволяет подогнать замедляющий момент при перегреве и, кроме того, предупреждает заранее о резком повышении температуры масла.
21 Пропорциональный электроклапан
22 Дыхательный клапан
23 Поплавковый воздухоотводчик
- Выпускает воздух из контура в начале замедления, но не пропускает масла.
25 Пневмопровод воздуха управления А (Ру)
26 Пневмопровод воздуха вспомогательных систем (Ру)
36 Выхлоп R
41 Заливной канал
43 Масляный бак
44 Статор
46 Ротор
55 Сливные пробки для масла замедлителя
56 Сливные пробки для охлаждающей жидкости
57 Пробка для заливки масла
62 Ограничитель давления
- Регулирует давление смазки при неактивном замедлителе (оснащен сетчатым фильтром грубой очистки)
63 Обратный клапан на входе
- Открывается, как только давление масла достаточно для перетекания масла между ротором и статором
64 Обратный клапан на выходе
- Открывается для протекания масла в теплообменник
72 Датчик давления воздуха
Этапы работы
• Средством управления замедлителем VOITH является сжатый воздух из контура вспомогательных систем.
• При нажатии на ручку управления на электронный блок управления поступает входной сигнал. Блок вырабатывает ток управления, подаваемый на пропорциональный электроклапан (21).
• Из пропорционального электроклапана (21) подается давление управления (Ру) к масляному баку (43).

• Под действием давления управления (Ру) в масляном баке (43) и в зависимости от условий работы (обороты трансмиссионного вала) пропускается определенное количество масла между ротором (46) и статором (44).
• Вращение ротора (46) перемещает масло в закрытом пространстве между ротором (46) и статором (44). Замедление движения масла в камерах статора вызывает снижение скорости ротора, а следовательно - и торможение автомобиля. При торможении энергия замедления превращается в тепло. Для рассеяния этого тепла часть масла, находящегося в контуре, выкачивается из ротора (46), пропускается через теплообменник (1) и закачивается обратно по заливным каналам прямо в контур.
• На случай перегрева запрограммированы пороги срабатывания:
- Вода > 9843 и/или масло > 18043: аварийный режим работы замедлителя.
- Вода > 11843 и/или масло > 21043: остановка замедлителя.
ТЕХОБСЛУЖИВАНИЕ
Контроль за уровнем масла
Для проверки уровня масла возможны два метода, но при любом из них температура масла должна быть выше 60°0.
Метод 1: измерение объема масла
• Двигатель и автомобиль остановлены; убедиться, что управление замедлителем не задействовано (из- за опасности ожогов, поскольку масло под давлением).
• Подставить сосуд под замедлитель.
• Снять две пробки «1», пробку «3Ь» и пробку «2».
• Измерить количество масла после полного слива (нормальное количество - 5,4 литра)
• Закрыть две пробки «1», выдерживая при этом правильный момент затяжки (20 Нм - проверить по ремонтной документации).
• Залить масло через отверстие в пробке «2». Заливку производить крайне медленно (не быстрее, чем за 3 минуты, чтобы обеспечить правильную дегазацию замедлителя).
• Закрыть пробку «3Ь» (момент затяжки 20 Нм - проверить по ремонтной документации).
• Закрыть пробку «2» (момент затяжки 70 Нм - проверить по ремонтной документации).
После каждой проверки объема масла нажимать 5 раз за 5 секунд на ручку управления при положении 2 и при скорости не меньше 50 к м/ч с тем, чтобы правильно заполнить все внутренние отверстия замедлителя.

Метод 2: проверка уровня
• Двигатель и автомобиль остановлены; нажать на ручку управления замедлителя при положении 4, 3 раза подряд в течение 3 секунд.
• Поставить ручку управления в положение 0 и выждать 5 минут.
• Снять пробку «3а», предварительно убедившись, что управление замедлителем не задействовано (из-за опасности ожогов, поскольку масло под давлением).
• Проверить, что масло доходит до нижнего уровня отверстия пробки «3а».
• При необходимости, после снятия пробки «3Ь» долить масло через отверстие в пробке «2». Производить доливку крайне медленно (не быстрее, чем за 3 минуты, чтобы обеспечить правильную дегазацию замедлителя).
• Закрыть пробки «2», «3а» и «3Ь», выдерживая при этом правильные моменты затяжки.

Слив масла
Как и для проверки уровня, слив осуществляется при температуре масла выше 60°C.
• Двигатель и автомобиль остановлены; убедиться, что управление замедлителем не задействовано (из-за опасности ожогов, поскольку масло под давлением).
• Подставить сосуд под замедлитель.
• Снять две пробки «1», пробку «3b» и пробку «2».
• После окончания слива закрыть две пробки «1», выдерживая при этом правильный момент затяжки (20 Нм - проверить по ремонтной документации).
• Снять и сжатым воздухом очистить сетчатый фильтр «4». Затем поставить ее на место (100 Нм - проверить по ремонтной документации).
• Залить масло через отверстие в пробке «2». Заливку производи ь крайне медленно (не бысрее, чем за 3 минуты, чтобы обеспечить правильную дегазацию замедлиеля).
• Завернуть пробку «3b» (момент затяжки 20 Нм - проверить по ремонтной документации).
• Завернуть пробку «2» (момент затяжки 70 Нм - проверить по ремонтной документации).
После каждой проверки объема масла нажимать 5 раз за 5 секунд на ручку управления в положении 2 и при скорости не меньше 50 км/ч с тем, чтобы правильно заполнить все внутренние отверстия замедлителя. В замедлитель надо нормально заливать 5,4 литра, но 6,1 литра в случае замены теплообменника. Для справки приводим ниже периодичность слива в зависимости от типа масла.


ДИАГНОСТИРОВАНИЕ
Электрические проверки
Датчики температуры охлаждающей жидкости и температура масла
• Проверить: сопротивление R = 1,1 ком, напряжение = 3,2 В при 24°С (см. нижеследующий график)

Датчик давления воздуха
Проверить: напряжение 0,5 В при 0 барах и не активированном замедлителе (см. нижеследующий график). Напряжение измеряется между клеммами 4 и 5 разъема датчика давления. Если получено неправильное значение, измерить напряжение питания датчика между клеммами 3 и 4: значение должно составлять 5 В при допуске ± 0,25 В.

Пропорциональным электроклапан
• Измерение сопротивления пропорционального электроклапана: 200 ом ± 6
ЭЛЕКТРИЧЕСКАЯ СХЕМА
Управление замедлителем VOITH, не имеющим собственного блока управления, обеспечено блоком управления коробки передач Орtidriver2.
