См. также:
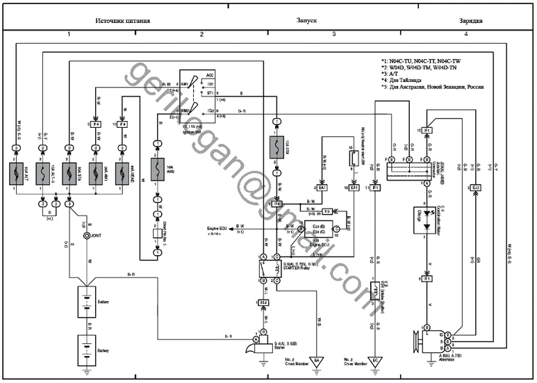
Электросхемы моделей HINO 300
(серии WU300, 302, 340, 410, 412, 420, 422 / серия XZU303, 306, 307, 343, 347, 405, 407, 413, 415, 417, 423, 425, 427, 435, 437)
АББРЕВИАТУРЫ
- А/С = Кондиционер воздуха
- А/Т = Автоматическая трансмиссия
- DC = Постоянный ток
- DLC3 = Коннектор передачи данных 3
- DPR (DPF) = Система снижения выброса твердых частиц дизелем
- ECU = Электронный блок управления
- EDU = Электронный привод
- EGR = Рециркуляция выхлопных газов
- FL = Плавкий предохранитель
- ISC = Контроль холостого хода
- J/B = С оединительный блок
- LCD = Жидкокристаллический дисплей
- LH = Левосторонний
- LHD = Левостороннее управление
- M/T = Механическая трансмиссия
- PTO = Отбор мощности
- R/B = Блок реле
- RH = Правосторонний
- RHD = Правосторонне управление
- SW = Выключатель
- TEMP. = Температура
- vsv = Клапан выключения вакуума
- w/ = с
- w/o = без
Надписи внутри компонентов являются названию терминалов (кодами терминалов) и не считаются
аббревиатурами.
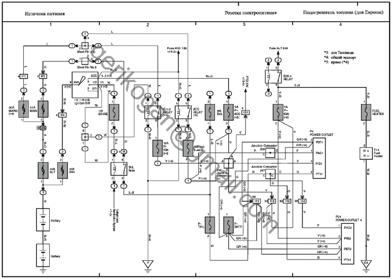
Обозначения на схемах
[A]: Название системы [B]: Показывает цвет провода Цвет проводов указан в алфавитном порядке В = черный W = белый BR = коричневый L = синий V = фиолетовый SB = голубой R = красный G = зеленый LG = светло- Р = розовый Y = желтый зеленый О = оранжевый GR = серый Первая буква обозначает двет основного провода, а вторая - цвет жилы. | ![]() |
[C]: Положение детали, как показано на электросхеме и схеме проводки. [D]: Показывает количество контактов коннектора. Система нумерации различна для приемных разъемов и штекеров. Система нумерации всей коммутационной схемы аналогична вышеприведенной. | ![]() |
[Е]: Означает блок реле. Затемнение не используется, и показан только номер блока реле для его отличия от соединительного блока. [F]: Соединительный блок (номер в кружке является его номером, а код коннектора показан рядом). Соединительные блоки затемнены для отличия их от других деталей. | ![]() |
[G]: Показывает соответствующую систем)-. [H]: Показывает жгут проводов с коннектором. Жгут проводов со штекером показан стрелками ( V )• Цифры показывают количество контактов. | ![]() |
[I]: ( ) используются для обозначения разных проводов и коннекторов, когда модель автомобиля, тип двигателя или спецификация отличаются. [J]: Обозначает армированный кабель. [К]: Обозначает точку заземления и находится на контакте заземления. [L]: Такой код, встречающийся на следующей странице, обозначает неразрывность жгута проводов. | |
СОВЕТ: Соединительный коннектор в этом пособии включает короткий терминал, который соединен с несколькими жгутами проводов. Всегда выполняйте проверку с установленным коротким терминалом. (При установке жгут можно подсоединять к любой точке внутри группы коротких терминалов. Соответственно, на других автомобилях эта же точка на коротком терминале может быть соединена со жгутом от другой детали). Провода в жгуте, соединенном с одной группой коротких терминалов, имеют одинаковый цвет. | ![]() |
Код Название детали Номер детали
А1 Магнитная муфта кондиционера (W04D-TN, N04C-TT) 90980-11069
Магнитная муфта кондиционера (W04D-TM, N04C-TU) 90980-11271
А2 Датчик скорости ABS 90980-11073
А4 Датчик положения педали акселератора (для работы) 90980-11930
А6 Генератор переменного тока 90980-09213
А7 Генератор переменного тока 90980-11349
А8 Усилитель кондиционера 90980-10801
А9 Выключатель кондиционера 90980-11280
А10 Выключатель педали акселератора 90980-10825
Термистор кондиционера 90980-10825
A11 Датчик положения педали акселератора 90980-11858
А13 Электронный блок управления подушкой безопасности 90980-11872
А15 Датчик скорости ABS 90980-11073
А16 Датчик скорости ABS 90980-11773
А17 Датчик ABS 90980-10845
А18 Датчик подуппси безопасности передний 90980-11856
А19 Пиропатрон подушки безопасности 90980-11884
А20 Датчик воздушного потока 90980-11317
А21 Электронный блок управления ABS 90980-11638
А22 Электронный блок управления ABS 90980-11637
А23 Электронный блок управления ABS 90980-11476
А24 Электронный блок управления ABS 90980-11421
А25 Исполнительный механизм ABS 90980-11893
В1 Выключатель светового сигнала заднего хода (N04C) 90980-11003
Выключатель светового сигнала заднего хода (кроме N04C) 90980-10576
В2 Выключатель сигнала вакуума тормозов 90980-11252
ВЗ Электромотор воздуходувки 90980-10214
В4 Резистор воздуходувки 90980-10171
В5 Выключатель сигнала уровня тормозной жидкости 90980-10214
В6 Звуковой сигнал вакуума тормозов 90980-10825
В7 Выключатель защелки ремня безопасности (со стороны водителя) 90980-11212
В8 Датчик ускорителя 90980-10845
В9 Датчик сигнала вакуума тормозов 90980-11011
С1 Датчик положения распредвала 90980-11143
С2 Электромотор и резистор вентилятора конденсатора 90980-10841
СЗ Датчик положения коленвала (N04C) 90980-11162
Датчик положения коленвала (W04D) 90980-10923
С4 Прикуриватель 90980-10760
С5 Комбинированный датчик 90980-12557
С6 Комбинированный датчик 90980-12554
С7 Комбинированный выключатель 90980-10803
С8 Комбинированный выключатель 90980-11913
С9 CAN DLC (коннектор передачи данных локальной сети контроллеров) 90980-12355
С10 CAN ECD (электронный детектор локальной сети коннекторов) 90980-12355
С11 Реле кулера 90980-10713
С12 Выключатель кулера 90980-10795
С13 Заземление локальной сети коннекторов 90980-10871
С14 Датчик хода муфты сцепления 90980-11349
С16 Выключатель наклона кабины 90980-10841
С17 Выключатель наклона кабины 90980-11075
D1 Диод (стоп-сигнала) 90980-11608
D2 Коннектор передачи данных 3 82824-36150
D3 Коннектор передачи данных 3 90980-11665
D4 Штекер фиксатора двери 90980-10806
D5 Выключатель освещения при открытой двери 90980-10871
D6 Выключатель фиксатора двери 90980-11245
D7 Электромотор фиксатора двери 90980-11019
D8 Конвертор DC/DC 90980-11362
D9 Диод (кондиционер № 2) 90980-11608
D10 Диод (0/D) 90980-10962
D11 Диод (Система снижения выброса твердых частиц дизелем) 90980-11071
Диод (стояночный тормоз) 90980-11071
Диод (вакуум) 90980-10962
Диод (наклон кабины) 90980-10962
D12 Выключатель потолочного плафона 90980-10795
D13 Выключатель обновления системы снижения выброса твердых частиц 90980-10799
D14 Датчик перепада давления 90980-10845
D15 Фиксатор двери 90980-11150
Е1 Электронный звуковой сигнал 90980-10214
Е2 Выключатель электронного коммутатора 90980-11529
ЕЗ Клапан выключения вакуума выхлопных газов 90980-10923
Е8 Выключатель педали акселератора пневмотормоза 90980-10825
Е9 Выключатель муфты пневмотормоза 90980-10935
Е16 ЕСТ SOL2 (12Р) 90980-11151
Е17 Датчик клапана рециркуляции выхлопных газов 90980-11317
Е18 ЕСТ SOLI (ЮР) 90980-11658
Е19 Электронный блок управления ЕСТ (31Р) 90980-11421
Е20 Электронный блок управления ЕСТ (17Р) 90980-11586
Е21 Электронный блок управления ЕСТ (24Р) 90980-11476
Е22 Электронный блок управления двигателем (34Р) 90980-12527
Е23 Электронный блок управления двигателем (35Р) 90980-12528
Е24 Электронный блок управления двигателем (35Р) 90980-12529
Е25 Электронный блок управления двигателем (31Р) 90980-12525
Е2б Электронный привод 1 90980-11592
Е27 Электронный привод 2 90980-11593
Е28 Датчик температуры выхлопных газов 90980-10898
F1 Передний габаритный фонарь левый 90980-11020
F2 Передний габаритный фонарь правый 90980-11020
F3 Левая противотуманная фара (кроме стандартной кабины W04D) 90980-11019
Левая противотуманная фара (стандартная кабина W04D) 82824-37070
F4 Правая противотуманная фара (кроме стандартной кабины W04D) 90980-11019
Правая противотуманная фара (стандартная кабина W04D) 82824-37070
F5 Передний сигнал поворота левый 90980-11003
F6 Передний сигнал поворота правый 90980-11003
F7 Выключатель топливного отстойника (N04C) 90980-11003
Выключатель топливного отстойника (W04D) 90980-10737
F8 Датчик давления топлива 90980-10845
F9 Нагнетатель топлива 90980-10834
F10 Датчик температуры топлива 90980-11062
F11 Реле переключения сигналов поворота 90980-10173
F12 Передний боковой сигнал поворота левый 90980-11019
F13 Передний боковой сигнал поворота правый 90980-11019
F14 Подогреватель топлива 90980-10928
F15 Переключатель полного привода 90980-10795
F16 Выключатель передней противотуманной фары 90980-10795
F17 Выключатель топливного отстойника 90980-11003
G3 Свеча накаливания 90980-11161
G4 Свеча накаливания 90980-11045
G5 Свеча накаливания 90980-11184
Н1 Исполнительный механизм дальнего света левый 90980-11016
Н2 Исполнительный механизм дальнего света правый 90980-11016
НЗ Фара левая 90980-11314
Н4 Фара правая 90980-11314
Н5 Электромотор воздуходувки нагревателя 90980-10795
Н6 Звуковой сигнал (низкий) 90980-10619
Н7 Выключатель аварийной сигнализации 90980-10801
Н8 Выключатель дальнего света 90980-11296
Н9 Выключатель обогревателя 90980-10714
Н10 Фара левая 90980-10942
Н11 Фара правая 90980-10942
12 Инжектор № 1 90980-11875
13 Инжектор № 2
14 Инжектор № 3
15 Инжектор № 4
16 Выключатель зажигания 90980-11537
17 Освещение салона (освещение дорожной карты) 90980-11804
18 Освещение салона (освещение дорожной карты) 90980-11369
19 Датчик температуры всасываемого воздуха 90980-11025
110 Клапан выключения вакуума впускной заслонки 90980-11149
111 Реле интегратора 90980-10819
112 Клапан контроля холостого хода 90980-10695
113 Объем повышения холостого хода 90980-10908
114 Сигнал повышения холостого хода 90980-10871
115 Выключатель зажигания 90980-10988
J1 Соединительный коннектор 90980-10830
J4 Соединительный коннектор 90980-10807
J5 Соединительный коннектор 90980-10807
J8 Соединительный коннектор
J13 Соединительный коннектор 90980-10803
J16 Соединительный коннектор
J28 Соединительный коннектор 90980-11542
J29 Соединительный коннектор
J30 Соединительный коннектор 90980-10807
J31 Соединительный коннектор
J32 Соединительный коннектор 90980-11915
J33 Соединительный коннектор
J34 Соединительный коннектор
J35 Соединительный коннектор 90980-10803
J36 Соединительный коннектор 90980-11542
J37 Соединительный коннектор
J38 Соединительный коннектор 90980-10803
J39, 40 Соединительный коннектор
J41 Соединительный коннектор 90980-11915
J43, 44 Соединительный коннектор 90980-11661
J47 Соединительный коннектор 90980-10807
J48 Соединительный коннектор 90980-11398
К1 Бесключевой вход 90980-10807
L1 Освещение номерного знака слева
L2 Освещение номерного знака справа 90980-10498
L3 Освещение номерного знака 90980-11075
Ml Дисплей монитора 90980-10795
N1 Выключатель нейтральной передачи 90980-11075
N2 Датчик нейтральной передачи 90980-10923
N3 Выключатель запуска на нейтральной передаче 90980-11658
01 Выключатель давления масла 90980-11363
02 Датчик давления масла 90980-10845
03 Датчик температуры масла 90980-11025
Р1 Выключатель давления 90980-11149
Р2 Магнитный клапан отбора мощности 90980-10923
РЗ Выключатель нейтрального положения трансмиссии отбора мощности (электрический) 90980-11002
Выключатель нейтрального положения трансмиссии отбора мощности (W04D) 90980-10887
Выключатель нейтрального положения трансмиссии отбора мощности (широкая кабина N04C) 90980-11250
Короткий контакт (широкая кабина кроме механического рычага N04C)
Р4 Розетка питания 90980-10171
Р5 Выключатель муфты отбора мощности 90980-10860
Р6 Выключатель отбора мощности 90980-10997
Р7 Выключатель стояночного тормоза (левая сторона) 90980-10795
Выключатель стояночного тормоза (правая сторона) 90980-10359
Р8 Выключатель заднего стеклоподъемника 90980-11090
Р9 Выключатель стеклоподъемника (со стороны пассажира) 90980-10631
Р10 Универсальный выключатель стеклоподъемника 90980-10799
Р11 Электромотор стеклоподъемника (со стороны водителя) (со стороны пассажира) 90980-11900
Р12 Электромотор стеклоподъемника (со стороны водителя) (со стороны пассажира) 90980-11900
Р13 Датчик стеклоподъемника 90980-11003
Р14 Выключатель стояночного света 90980-10045
Р15 Таймер предварительного нагрева 90980-11915
Р16 Предварительный натяжитель 90980-11862
Р17 Выключатель пассажирского сиденья 90980-10860
Р18 Контроллер отбора мощности № 2 90980-11607
Р19 Контроллер отбора мощности № 1 90980-10988
Р20 Выключатель позиции отбора мощности 90980-10935
Р21 Выключатель защелки пассажирского ремня безопасности 90980-10906
Р22 Выключатель отбора мощности 90980-11015
Р23 Стояночный датчик 90980-11918
Р24 Розетка электропитания 4 90980-11178
Р25 Выключатель стеклоподъемника 90980-10789
Р26 Выключатель стеклоподъемника правый-левый 90980-11013
R1 Радиоприемник и проигрыватель 825 80-8810А
R2 Выключатель задней противотуманной фары 90980-11533
R3 Комбинация задних фонарей левая 90980-11290
R4 Комбинация задних фонарей правая 90980-11290
R5 Задняя противотуманная фара 90980-10556
R6 Звуковой сигнал заднего хода 90980-11156
R7 Выключатель заднего обогревателя 90980-11399
R8 Зеркало заднего вида 90980-11172
R9 Комбинация задних фонарей 90980-10173
R10 Освещение салона 1 90980-11436
R11 Освещение салона 2 90980-10121
R12 Резистор заднего кулера 90980-10171
R13 Электромотор заднего кулера 90980-10214
R14 Реле заднего обогревателя 90980-10171
S2 Боковой указатель поворота правый 90980-11019
S3 Датчик скорости 90980-11020
Датчик скорости 2 90980-11143
Выход сигнала 90980-10216
S4 Стартер 90980-09508
Стартер 90980-09507
S5 Стартер 90980-11183
Стартер 99141-13006
S6 Стартер 99141-13006
S7 Реле стартера 99141-13006
S8 Реле стартера 90980-11299
S9 Клапан управления всасыванием № 1 90980-10720
S10 Электронный блок управления блокировкой переключения передач 90980-10322
S11 Рычаг переключения передач 90980-11011
S14 Выключатель стоп-сигнала 90980-10916
S15 Выключатель стоп-сигнала (W04D) 90980-10916
Выключатель стоп-сигнала (N04C) 90980-11118
S16 Динамик левый
S17 Динамик правый 90980-10935
S18 Выключатель защитной дуги 90980-11075
Т1 Выключатель управления наклоном кабины 90980-11075
Т2 Датчик турбодавления 90980-10845
ТЗ Тахометр 82580-7000А
Т4 Тахометр 90980-11529
Т5 Выключатель фиксатора наклона кабины 90980-10841
Тб Насос наклона кабины 90980-10839
Т7 Датчик положения дроссельной заслонки 90980-11261
Т8 Исполнительный механизм турбонагнетателя 90980-11194
T9 Электромотор клапана выключения вакуума наклона 90980-10959
Т10 Звуковой сигнал наклона кабины 90980-11156
Т11 Реле наклона кабины 1 90980-11410
Т12 Реле наклона кабины 2 90980-10923
Т13 Выключатель управления наклона кабины 90980-10494
Т14 Датчик турбины 90980-10572
VI Выключатель сигнала вакуума 90980-10893
V2 Датчик вакуума 90980-10845
V3 Клапан выключения вакуума (впускная заслонка) 90980-11149
V6 Клапан выключения вакуума (пневмотормоз) 90980-10923
W1 Выключатель температуры воды 90980-10892
W2 Электромотор стеклоочистителей 90980-11599
W3 Электромотор стеклоомывателя 90980-10214
W5 Датчик температуры воды 90980-11451
W6 Выключатель прогрева 90980-10799
W7 Выключатель прогрева 90980-10321












































