См. также:
Компоненты двигателей
ISB (4-цилиндровых) и ISBe (4- и 6-цилиндровых)
На рисунках ниже показано расположение основных внешних узлов и деталей двигателя, фильтров и других устройств для техобслуживания. Расположение некоторых внешних узлов зависит от модели двигателя.
Иллюстрации носят только справочный характер, отображая типовой вариант исполнения двигателя.

Двигатель объемом 3,9 л - вид сбоку (со стороны впускного коллектора)
- Редукционный клапан общего топливопровода высокого давления
- Датчик давления/температуры во впускном коллекторе
- Трубопроводы системы охлаждения компрессора
- Компрессор
- Датчик положения распределительного вала двигателя
- Топливный насос Bosch®
- Картер маховика
- Топливный фильтр
- Датчик температуры топлива
- Места крепления пластины охлаждения модуля ЕСМ
- Сливная пробка поддона картера двигателя
- Масломерный щуп
- Датчик частоты вращения коленчатого вала двигателя
- Электронный модуль управления
- Датчик давления окружающего воздуха (находится внутри ЕСМ)
- Вход топлива в пластину охлаждения
- Входной воздушный патрубок
- Выход охлаждающей жидкости
- Датчик давления в общем топливопроводе высокого давления
- Общий топливопровод высокого давления

Двигатель объемом 5,9 л - вид сбоку (со стороны впускного коллектора)
- Редукционный клапан общего топливопровода высокого давления
- Датчик давления/температуры во впускном коллекторе
- Трубопроводы системы охлаждения компрессора
- Компрессор
- Датчик положения распределительного вала двигателя
- Топливный насос Bosch®
- Картер маховика
- Топливный фильтр
- Датчик температуры топлива
- Места крепления пластины охлаждения модуля ЕСМ
- Сливная пробка поддона картера двигателя
- Масломерный щуп
- Датчик частоты вращения коленчатого вала двигателя
- Электронный модуль управления
- Датчик давления окружающего воздуха (находится внутри ЕСМ)
- Вход топлива в пластину охлаждения
- Входной воздушный патрубок
- Выход охлаждающей жидкости
- Датчик давления в общем топливопроводе высокого давления
- Общий топливопровод высокого давления

Двигатель объемом 3,9 л - вид спереди
- Вход воздуха
- Привод вентилятора
- Электронный модуль управления
- Датчик частоты вращения коленчатого вала двигателя
- Масломерный щуп
- Топливный фильтр
- Гаситель крутильных колебаний
- Фланец крепления вентилятора или привода отбора мощности
- Стартер
- Водяной насос
- Вход охлаждающей жидкости
- Натяжное устройство
- Генератор
- Выход охлаждающей жидкости
- Датчик температуры охлаждающей жидкости

Двигатель объемом 5,9 л - вид спереди
- Вход воздуха
- Привод вентилятора
- Электронный модуль управления
- Датчик частоты вращения коленчатого вала двигателя
- Масломерный щуп
- Топливный фильтр
- Гаситель крутильных колебаний
- Фланец крепления вентилятора или привода отбора мощности
- Стартер
- Водяной насос
- Вход охлаждающей жидкости
- Натяжное устройство
- Генератор
- Выход охлаждающей жидкости
- Датчик температуры охлаждающей жидкости

Двигатель объемом 3,9 л - вид сзади
- Фитинг системы охлаждения для компрессора
- Выход воздуха из турбонагнетателя
- Вход воздуха в турбонагнетатель
- Маховик
- Картер маховика
- Трубка сапуна картера двигателя
- Сливной топливопровод
- Подъемные кронштейны двигателя

Двигатель объемом 5,9 л - вид сзади
- Фитинг системы охлаждения для компрессора
- Выход воздуха из турбонагнетателя
- Вход воздуха в турбонагнетатель
- Маховик
- Картер маховика
- Трубка сапуна картера двигателя
- Сливной топливопровод
- Подъемные кронштейны двигателя

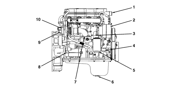
Двигатель объемом 3,9 л - вид сбоку (со стороны выпускного коллектора)
- Выход охлаждающей жидкости
- Генератор
- Датчик температуры/давления масла
- Вход охлаждающей жидкости
- Масляный фильтр
- Сливная пробка поддона картера двигателя
- Выпускной патрубок турбонагнетателя
- Стартер
- Картер маховика
- Вход в компрессор турбонагнетателя

Двигатель объемом 5,9 л - вид сбоку (со стороны выпускного коллектора)
- Выход охлаждающей жидкости
- Генератор
- Датчик температуры/давления масла
- Вход охлаждающей жидкости
- Масляный фильтр
- Сливная пробка поддона картера двигателя
- Выпускной патрубок турбонагнетателя
- Стартер
- Картер маховика
- Вход в компрессор турбонагнетателя

Двигатель объемом 3,9 л - вид сверху
- Перепускной клапан турбонагнетателя
- Картер маховика
- Сапун картера двигателя
- Фитинг системы охлаждения компрессора
- Датчик давления/температуры во впускном коллекторе
- Компрессор
- Общий топливопровод высокого давления
- Магистраль подачи топлива от насоса высокого давления в общий топливопровод высокого давления
- Датчик давления в общем топливопроводе высокого давления
- Топливопроводы высокого давления
- Крышка заливной горловины системы смазки
- Датчик частоты вращения коленчатого вала двигателя
- Колесо датчика частоты вращения
- Датчик температуры охлаждающей жидкости
- Гаситель крутильных колебаний
- Выход охлаждающей жидкости
- Генератор
- Датчик температуры/давления масла
- Выпускной коллектор

Двигатель объемом 5,9 л - вид сверху
- Перепускной клапан турбонагнетателя
- Стартер
- Сапун картера двигателя
- Фитинг системы охлаждения компрессора
- Компрессор
- Датчик давления/температуры во впускном коллекторе
- Магистраль подачи топлива от насоса высокого давления в общий топливопровод высокого давления
- Датчик давления в общем топливопроводе высокого давления
- Общий топливопровод высокого давления
- Топливопроводы высокого давления
- Крышка заливной горловины системы смазки
- Датчик частоты вращения коленчатого вала двигателя
- Колесо датчика частоты вращения
- Гаситель крутильных колебаний
- Датчик температуры охлаждающей жидкости
- Выход охлаждающей жидкости
- Генератор
- Датчик температуры/давления масла
- Выпускной коллектор