Электрическое оборудование системы EBS SCANIA
Электрическое оборудование системы EBS 2.0
Изделия электрооборудования, расположение на шасси автомобиля

Перечень изделий электрооборудования системы EBS 2.0
Обозначение изделия Наименование Номер зоны на электрической схеме
- B50/B51 Проволочный индикатор износа тормозных колодок Мост 1, левый борт 6
- B52/53 Проволочный индикатор износа тормозных колодок Мост 1, правый борт 42
- B54/55 Проволочный индикатор износа тормозных колодок Мост 2, левый борт 56
- B56/57 Проволочный индикатор износа тормозных колодок Мост 2, правый борт 92
- C8 Разъем 161
- C56 Соединительный блок Для шины CAN и диагностики 138
- C92 Разъем Электрический разъем для АБС прицепа 169
- C93 Разъем 14, 34,
- C94 Разъем 64, 84 103
- C95 Разъем 172
- C98 Разъем 113
- D39 Потенциометр Тормозной кран рабочей тормозной системы 109
- E43 Блок управления EBS
- E46 Блок идентификации наличия прицепа 159
- G4 Соединение с массой 118, 130
- G11 Соединение с массой 11
- G13 Соединение с массой 150, 172
- G18 Соединение с массой 13
- O1 Приборная панель 151
- P2 Центральный электрический блок
- R1 Реле-прерыватель 165
- S90 Выключатель TC OFFROAD 117
- S95 Выключатель Диагностика 129
- T11 Датчик частоты вращения колеса Мост 1, левый борт 24
- T12 Датчик частоты вращения колеса Мост 1, правый борт 27
- T13 Датчик частоты вращения колеса Мост 2, левый борт 74
- T14 Датчик тоты вращеничяа с колеса Мост 2, правый борт 77
- T46 Датчик давления 103
- T39 Датчик износа Мост 1, левый борт 2
- T40 Датчик износа Мост 1, правый борт 45
- T41 Датчик износа Мост 2, левый борт 52
- T42 Датчик износа Мост 2, правый борт 97
- V82 Модулятор Мост 1, левый борт 12
- V83 Модулятор Мост 1, правый борт 31
- V84 Модулятор Мост 2, левый борт 62
- V85 Модулятор Мост 2, правый борт 81
- W3 Сигнализатор TC 153
- W8 Сигнализатор АБС/автомобиль 153
- W15 Сигнализатор АБС/прицеп 153
- W18 Сигнализатор Износ тормозных колодок 134
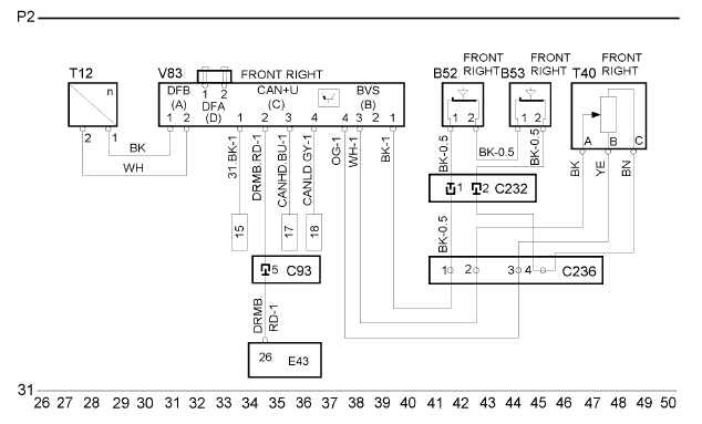
Принципиальная электрическая схема системы EBS 2.0
Зоны 1 - 25

Зоны 26 - 50

Зоны 51 - 75

Зоны 76 - 100

Зоны 101 - 125

Зоны 126 - 150

Зоны 151 - 175

Электрическое оборудование системы EBS 2.1
Изделия электрооборудования, расположение на шасси автомобиля

Перечень изделий электрооборудования системы EBS
Обозначение изделия Наименование Номер зоны на электрической схеме
- B50/51 Проволочный индикатор износа тормозных колодок Мост 1, левый борт 82
- B52/53 Проволочный индикатор износа тормозных колодок Мост 1, правый борт 116
- B54/55 Проволочный индикатор износа тормозных колодок Мост 2, левый борт 135
- B56/57 Проволочный индикатор износа тормозных колодок Мост 2, правый борт 166
- B64/65 Проволочный индикатор износа тормозных колодок Мост 3, левый борт 210
- B66/67 Проволочный индикатор износа тормозных колодок Мост 3, правый борт 194
- C8 Разъем 60
- C56 Соединительный блок Для шины CAN и диагностики 40
- C92 Разъем Электрический разъем для АБС прицепа 68
- C93 Разъем 90, 108
- C94 Разъем 5, 0, 58, 182 14
- C95 Разъем 68, 73
- C98 Разъем 15
- D39 Потенциометр Тормозной кран рабочей тормозной системы 12
- E43 Блок управления EBS
- E46 Электронный блок Идентификация наличия прицепа 60
- G4 Соединение с массой 19, 31
- G11 Соединение с массой 88
- G13 Соединение с массой 49, 72
- G18 Соединение с массой 89
- O1 Приборная панель 53
- R1 Реле-прерыватель 66
- S90 Выключатель TC Off Road 20
- S95 Износ тормозных колодок Диагностика по ламповым кодам 31
- T11 Датчик частоты вращения колеса Мост 1, левый борт 97
- T12 Датчик частоты вращения колеса Мост 1, правый борт 103
- T13 Датчик частоты вращения колеса Мост 2, левый борт 147
- T14 Датчик частоты вращения колеса Мост 2, правый борт 154
- T28 Датчик частоты вращения колеса Мост 3, левый борт 219
- T30 Датчик частоты вращения колеса Мост 3, правый борт 178
- T39 Датчик износа Мост 1, левый борт 79
- T40 Датчик износа Мост 1, правый борт 122
- T41 Датчик износа Мост 2, левый борт 128
- T42 Датчик износа Мост 2, правый борт 172
- T46 Датчик давления Задняя пневмоподвеска 6
- T51 Датчик износа Мост 3, левый борт 207
- T52 Датчик износа Мост 3, правый борт 197
- V82 Модулятор Мост 1, левый борт 90
- V83 Модулятор Мост 1, правый борт 107
- V84 Модулятор Мост 2, левый борт 137
- V85 Модулятор Мост 2, правый борт 156
- V86 Модулятор Мост 3 180
- W3 Сигнализатор TC 53
- W8 Сигнализатор АБС/автомобиль 53
- W15 Сигнализатор АБС/прицеп 55
- W18 Сигнализатор Износ тормозных колодок 36
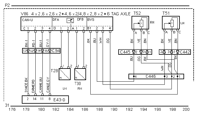
Принципиальная электрическая схема системы EBS 2.1
Зоны 1 - 25

Зоны 26 - 50

Зоны 51 - 75

Зоны 76 - 100

Зоны 101 - 125

Зоны 126 - 150

Зоны 151 - 175

Зоны 176 - 200

Зоны 201 - 225

Электрическое оборудование системы EBS 2.2
Изделия электрооборудования, расположение на шасси автомобиля

Перечень изделий EBS Обозначение изделия Наименование Номер зоны на схеме
- C6 Разъем 49
- C8 Разъем 78
- C56 Соединительный блок Для шины CAN и диагностики 4, 10, 14, 22, 27, 33, 38
- C92 Разъем Электрический разъем для АБС прицепа 106
- C93 Разъем 120, 126, 138, 301, 328
- C94 Разъем 163, 178 213, 238, 278
- C95 Разъем 106
- D34 Резистор 5
- D39 Потенциометр Тормозной кран рабочей тормозной системы 53
- E43 Блок управления EBS
- E46 Электронный блок Идентификация наличия прицепа 84
- G4 Соединение с массой 61
- G13 Соединение с массой
- G18 Соединение с массой 95
- O1 Приборная панель 96
- R1 Реле-прерыватель 80
- S50 Выключатель Диагностика 65
- S90 Выключатель TC Off 61
- T11 Датчик частоты вращения колеса Мост 1, левый борт 131, 309
- T12 Датчик частоты вращения колеса Мост 1, правый борт 144, 334
- T13 Датчик частоты вращения колеса Мост 2, левый борт 156, 230, 258
- T14 Датчик частоты вращения колеса Мост 2, правый борт 169, 244, 283
- T28 Датчик частоты вращения колеса Мост 3, левый борт 183, 206, 260
- T30 Датчик частоты вращения колеса Мост 3, правый борт 185, 219, 285
- T39 Датчик износа Мост 1, левый борт 136, 321
- T40 Датчик износа Мост 1, правый борт 148, 346
- T41 Датчик износа Мост 2, левый борт 161, 236
- T42 Датчик износа Мост 2, правый борт 173, 248
- T46 Датчик давления Задняя пневмоподвеска 151, 226
- T51 Датчик износа Мост 3, левый борт 196, 211
- T52 Датчик износа Мост 3, правый борт 192, 223
- T87 Датчик частоты вращения колеса Мост 4, левый борт 311
- T88 Датчик частоты вращения колеса Мост 4, правый борт 336
- T89 Датчик износа Мост 4, левый борт 317
- T90 Датчик износа Мост 4, правый борт 342
- V48 Модулятор управления тормозами прицепа 121
- V82 Модулятор Мосты 1 и 4, левый борт 126, 303
- V83 Модулятор Мосты 1 и 4, правый борт 138, 328
- V86 Модулятор Дополнительный задний мост 178
- V95 Модулятор Мосты 2 и 3 151, 226, 251, 276
- V96 Модулятор Мост 3 201
- W3 Сигнализатор TC 98
- W8 Сигнализатор АБС/автомобиль 98
- W15 Сигнализатор АБС/прицеп 97
- W18 Сигнализатор Износ тормозных колодок 77
Принципиальная электрическая схема системы EBS 2.2
Зоны 1 - 25

Зоны 26 - 50

Зоны 51 - 75

Зоны 76 - 100

Зоны 101 - 125

Зоны 126 - 150

Зоны 151 - 175

Зоны 176 - 200

Зоны 201 - 225

Зоны 226 - 250

Зоны 251 - 276

Зоны 276 - 300

Зоны 301 - 325

Зоны 326 - 350

См. также: