Описание автономного воздушного отопителя Air Top 3500 ST MAN
Независимый обогрев Air Top 3500 ST представляет собой дополнительный воздушный отопитель, работающий на дизельном топливе. Мощность отопителя регулируется путем плавного выбора внутренней температуры с помощью устройства управления дополнительного отопителя (A290).
С помощью устройства управления дополнительного отопителя (A290) можно выполнить немедленный пуск и программирование. Для каждых суток можно задать три значения времени пуска обогрева, причем это время может быть задано за 7 суток до требуемого дня. Воздушный отопитель предназначен также для режима ADR (Международное соглашение по автомобильной транспортировке опасных грузов). У независимого обогрева считывание регистратора неисправностей производится с помощью устройства управления дополнительного отопителя (A290).
Структура Air Top 3500 ST

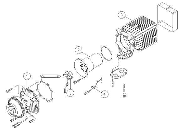
(1) Центральная электрическая сеть (A100)
(2) Электрические провода
(3) Устройство управления дополнительного отопителя (A290)
(4) Дополнительный воздушный отопитель (A483)
(5) Бак
(6) Дозировочный насос дополнительного отопителя (M123)
(7) Трубопровод дизеля
Изображение компонентов дополнительного воздушного отопителя (A483)
Блок управления в разрезе

(1) Блок управления
(2) Датчик перегрева
Блок сгорания в разрезе

(1) Привод с вентилятором отопителя
(2) Горелка
(3) Теплообменник
(4) Штифт свечи накаливания/реле контроля горения
(5) Форсунка
Пакет штекеров

Пакет штекеров A483/I (белый)

Пакет штекеров A483/II (желтый)

Устройство управления дополнительного отопителя (A290)


Дозировочный насос (M123)


Реле выключения дополнительного отопителя (K 451)
Реле выключения дополнительного отопителя (K 451) служит для аварийного отключения, т. е. реле включается в аварийном режиме и размыкает цепь переключения, в результате чего дополнительный воздушный отопитель (A483) отключается.

(1) Место установки реле K451
Первый ввод в эксплуатацию
При первом вводе в эксплуатацию или после перебоя подачи напряжения часы мигают и требуют новой настройки.
На автоцистернах, оснащенных согласно ADR/ADR99 (Международное соглашение по автомобильной транспортировке опасных грузов), устройство управления (A290) служит только для включения и выключения обогрева. Для ввода в эксплуатацию требуется настроить время.
Возможны продолжительный или ограниченный по времени режимы обогрева.
Выпуск воздуха из отопителя
Выпустить воздух из топливопровода перед первым вводом в эксплуатацию или после опорожнения можно с помощью MAN-cats® II. Чтобы заполнить топливопровод, необходимо отсоединить его от отопителя и подставить подходящую емкость под вытекающее топливо. Далее следует вызвать в диагностической системе пункт «Система регулировки кондиционирования/дополнительный
отопитель» и затем пункт Webasto Air Top 3500 ST. В этом меню имеется пункт «Заполнение топливопровода». Возможно, этот пункт меню потребуется вызвать второй раз, если топливопровод, из которого выпускается воздух, очень длинный и на конце отсоединенного трубопровода еще не появилось топливо.
Пуск системы отопления
Настройте с помощью устройства управления дополнительного отопителя (A290) требуемую внутреннюю температуру и затем нажатием кнопки немедленного включения отопителя (2) включите дополнительный воздушный отопитель. Загорится индикация работы (1), и на штифт свечи накаливания будет подан ток (постепенно). Электродвигатель вентилятора заработает с уменьшенной вполовину частотой вращения, и спустя прибл. 40 секунд начнется подача топлива. Штифт свечи накаливания отключается через 90 секунд после начала подачи топлива и одновременно контролирует образование пламени. Если пламя не образуется, то производится
вторая попытка пуска. При ее сбое производятся аварийное отключение и увеличение счетчика неудачных попыток пуска.

Переключение в режим паузы
Если дополнительный отопитель достиг температуры, настроенной с помощью устройства управления, то производится регулировка мощности отопителя. Частота вращения электродвигателя вентилятора и объем подачи дозировочного насоса уменьшатся; если, несмотря на эти меры, температура превысит требуемое значение, то дозировочный насос выключится, через 20 секунд частота вращения электродвигателя вентилятора частично уменьшится, а еще через 15 секунд понизится до выходной частоты. Через 180 секунд блок управления переключит частоту вращения в режим паузы и будет поддерживать ее, пока внутренняя температура не опустится до требуемого значения, затем снова включится отопитель.
Отключение отопителя
При выключении дополнительного отопителя нажатием кнопки немедленного включения отопителя на устройстве управления дополнительного отопителя (A290) индикация работы погаснет. Если в этот момент подача топлива не осуществляется или устройство находится в режиме паузы, то дополнительный отопитель выключится сразу, если же подача топлива осуществляется, то она прекратится и дополнительный отопитель сначала переключится в режим паузы и затем автоматически выключится.
Проверка коэффициентов проводимости воздухопроводящих деталей
Коэффициент проводимости деталей представляет собой величину противодавления воздуха, возникающего в этом конструктивном компоненте.
Коэффициенты проводимости деталей проверяют визуально. Требуется проверить надлежащую проводку, а также отсутствие повреждений, перекручиваний и загрязнений внутри шланга.
Необходимо также указать правильную длину. Если коэффициенты проводимости деталей неправильные, то в устройстве управления дополнительного отопителя (A290) индицируется неисправность. Для ее устранения необходимо заменить неисправные детали. Некоторым запасным частям необходимо придать предписанную длину.
Сопротивление для внутреннего датчика температуры
При наличии внутреннего датчика температуры к штекеру блока управления X5 подключается сопротивление 620 Ом, см. фото, позиция 2.

(1) Штекер для дозировочного насоса X4
(2) Штекер с сопротивлением X5
(3) Штекер соединения с автомобилем X7
(4) Штекер режима TRS X6
Проверка датчика перегрева
Проверка датчика перегрева выполняется с помощью Fluke 123 или Fluke 83/3 (цифровой мультиметр). Считайте значение сопротивления на измерительном приборе и измерьте температуру термометром или оставьте датчик, пока его температура не сравняется с внутренней температурой.

(1) Сопротивление в Ом
Вся информация в