SITRAK CAN шина и работа с ECU
(тренинг персонала)
ОПИСАНИЕ
- Введение в CAN-шину
- Введение в конструкцию SITRAK
- Введение в шлюз
- Введение в NBCU
- Введение в SAM
- Введение в прибор цветного дисплея
- Введение,связанное с энергией
- Введение в функции
Введение в CAN-шину
Локальная сеть контроллера CAN (Controller Area Network) —одна из наиболее широко используемых в мире местных шин, представляет собой протокол последовательной связи, изначально разработанная немецкой компанией Bosch для обеспечения обмена данными в режиме реального времени между многими блоками управления и измерительными приборами в современных автомобилях.

Технические характеристики CAN
• Применяет двухпроводной дифференциальный сигнал, использует витую пару в качестве среды шины, скорость передачи может достигать 1 Mbps, длина шины составляет не более 40 м.
• Сам протокол не имеет ограничения на количество узлов, а количество узлов на шине может динамически изменяться.
• Сообщение отправляется радиовещанием, и сообщение может быть получено всеми узлами одновременно.
• Структура с несколькими первичными станциями, все узлы равны, а приоритет определяется идентификатором сообщения.
• Фильтрация соответствующих сообщений может выполняться по мере необходимости.


SM0 0x18FF7AB650ms (послано с руля)
Имя параметра длины начального положения
1.12bitКнопка выбора прибора ICPageUp наверх
1.3 2bit Кнопка выбора прибора ICPageDown вниз
2.1 2bit Громкость+ (выбор наверх/многократное использование линий NG17)
2.3 2bit Громкость —(выбор вниз/многократное использование линий NG17)
2.5 2bit Предыдущая песня (наверх/интеллектуальная версия, предыдущая песня/многократное использование линий NG17)
2.7 2bit Следующая песня (вниз/интеллектуальная версия, следующая страница/мультиплекс NG17)
3.3 2bit MP5Mute Кнопка беззвучного режима
4.7 2bit Horn Кнопка громкоговорителя
5.1 2bit PhoneAnswer Кнопка ответа на телефонный звонок
5.3 2bit PhoneHangUp Кнопка отключения трубки телефона
SM2 18FF5DBE200ms (SAM отправляется на прибор и центральную панель управления)
Имя параметра длины начального положения
1.1 2bit Кнопка выбора прибора ICPageUpнаверх
1.3 2bit Кнопка выбора прибора ICPageDownвниз
1.5 2bit Лист переводил наверх IClastPage
1.7 2bit Лист переводил внизIClastPage
2.1 2bit MP5VoicePlus Громкость+
2.3 2bit MP5VoiceMinus Громкость-
2.5 2bit MP5LastSong Предыдущая песня
2.7 2bit MP5NextSong Следующая песня
3.3 2bit MP5Mute Кнопка беззвучного режима
4.7 2bit Horn Кнопка громкоговорителя
5.1 2bit PhoneAnswer Кнопка ответа на телефонный звонок
5.3 2bit PhoneHangUp Кнопка отключения трубки телефона

Адрес источника ECU главного контроллера
Серийный номер Название контроллера SA (шестнадцатеричная система счисления)
1 Двигатель ECU 00
2 Тормоз выхлопного клапана двигателя 0F
3 Выхлопной тормоз 29
6 Последующая обработка 3D
7 Блок управления автомобилем VCU 27
8 Контроллер коробкой скоростей TCU 03
10 Ретардер 10
11 ABS/EBS 0B
19 BBM FD
20 Прибор автомобиля 17
21 Интеллигентная коммуникация 1C
22 Видеорегистраторы с датчиком движения TCO EE
24 Контроллер кузова 21
25 Передний модуль B1
26 Задний модуль A9
27 Модуль прицепа C9
28 ADAS (веб -камера)LDWS E8
29 ADAS (веб -камера)FCW/ACC 2A
41 NBCU 21
43 SAM BE
CAN ID EEC1

CAN ID
TSC1
0C00100B
0C000003
0C0000FD
0C000F03
0C000021
HTEA2 (PCAN -500K) VI + NBCU + прибор цветного дисплея+шлюз+SAM+модуль переднего и заднего прицепа

Применимый тип автомобиля:
1. Новый SITRAK C9H
2. Тип автомобиляNG17
3. Высокий пол TH7
1. Переключатель ручного тормоза подключает к SAM / EPB, SAM отправляет CCVS1 (18FEF211), двигатель дополнительно отправляет ECU CCVSEng (SA = 00 неинтеллигентный автомобиль), PCAN TO ALL
ECU отправляет CCVSEng (SA = 01 интеллигентный автомобиль), PCAN TO VCAN
ADCU отправляет CCVSEng (SA = 00 "интеллигентный автомобиль"), VCAN TO ALL
2.Крейсеровка
SAM отправляет CCVS1(21),SCAN TO PCAN(неинтеллигентный автомобиль)
SAM отправляет SM1,SCAN TO VCAN(интеллигентный автомобиль)
ECU отправляет CCVS_Eng(SA=00 неинтеллигентный автомобиль),PCAN TO ALL
ECU отправляет CCVSEng (SA = 01 интеллигентный автомобиль), PCAN TO VCAN
ADCU отправляет CCVSEng (SA = 00 "интеллигентный автомобиль"), VCAN TO ALL
3、Ввод SAM в выхлопной тормоз
SAM отправляет TSC1(0C000F21),SCAN to PCAN;
ECU отправляет ERC1(18F00000),PCAN TO SCAN
SAM дополнительно отправляет ERC1_EXR(18F00029),SCAN TO PCAN
4、Тормозной сигнал подключен к двигателю,
Двигатель отправляет CCVS(SA=01/00)( интеллигентный автомобиль/неинтеллигентный автомобиль)
5、Выключатель ретардера подключен к SAM,
SAM отправляет TSC1_DR(0C001027),SCAN TO PCAN;
Введение в конструкцию SITRAK



HTEA1-модуляризация (слабая)
Большинство функций имеют свои специфические ECU,
Не формирует сеть

HTEA2-соединение с сетью
Каждая функция имеет специфическую ECU, и ECU -формирует сеть

Диагностический интерфейс OBD
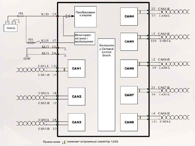
Введение в шлюз

Шлюз
Основные функции заключаются в том, чтоб передавать сообщения CAN, которые взаимодействуют между различными контроллерами транспортных средств, снижать коэффициент нагрузки линии CAN, и контролировать состояние сети CAN целого автомобиля.

Шлюз "Бош" установлен на самом нижнем этаже РМ ECU переднего окружения.
В настоящее время для подъема SITRAK использует:
CAN1:ICAN (250KB)
CAN2:PCAN (500KB)
CAN4:SCAN
CAN5:VCAN
CAN6:ACAN
CAN7:DCAN
CAN8:BCAN

Главный диагностический интерфейс:
PCANH: KC светлосиний-белый;
PCANL: KD светлосиний-желтый
DCANH: KA светлосиний-красный
DCANL: KB светлосиний-черный
BCANH: EA серый-красный
BCANL: EF серый-зеленый
SCANH: LA коричнево-красный
SCANL: LB коричнево-черный
Побочный диагностический интерфейс (в настоящее время только имеется у автомобилей с высокими полами):
PCANH: KC светло синий-белый;
PCANL: KD светло синий-желтый
ICANH: E серый
ICANL: F зелёный
SCANH: LA коричнево-красный
SCANL: LB коричнево-черный
VCANH: C белый
VCANL: D желтый
Использование контроллера шлюза и EOL
С помощью инструмента EOL можно выполнять написание программы на контроллер шлюза, считывание сбоев с контроллером шлюза DTC, считывание снимков Snapshot и т.д.

Интерфейс считывания сбоев контроллера шлюза "Бош"

Введение в NBCU
NBCU установлен в передней панели части ноги второго водителя с специальной монтажной стойкой

Сведения о версии программы: 06CX000210651


Основные функции NBCU, используемые вместе с шлюзом:
• Самопроверка света под автомобилем, автоматическое освещение, ЭУП, контроль аварийная сигнализация, контроль лампы положения, контроль лампы ближнего света, контроль лампы дальнего света / контроль вспомогательной лампы дальнего света, передние противотуманные фары, задние противотуманные фары, дневной и ночной автомобильный свет, рабочая лампа, стоп-сигнал, контроль фонаря заднего хода
• Контроль стеклоочистителя и обрызгивания, автоматический стеклоочиститель
• Контроль состояния выключателя разности колесной оси
• Контроль заднего отбора мощности коробки скоростей
Настройка параметров, NBCU может адаптировать к различным видам автомобилей путем калибровки, например интеллектуальная машина, оснащено светофором дневного движения, тип коробки скоростей и тип светильника.
Тип коробки скоростей
Тип светильника
Полностью LED
LED + галоид
Полный галоид

P написание файла

Считывание и устранение неисправностей

Введение в SAM
Внешний вид и разъем SAM одинаковы, как и NBCU, установлены в РМ левой передней части второго водителя.
Номер версии программы:0DNA00021805 (с коробкой передач ZF)
0DNA00021001(с коробкой передач HW)

Функция SAM, применимая к типу автомобиля подъема SITRAK
• Контроль ретардера
• Получение и передача информации о состоянии дверей
• Контроль внутреннего света освещения
• Сбор и отправка сигналов на центральную панель управления/руль
• Состояние выключателя крейсеровки с постоянной скоростью, сигнал передачи AMT, сбор и отправка сигналов выхлопного тормозного переключателя
• Управление выводом электрических/пневматических рупоров
Схема сетевой коммуникации SAM CAN

Написание программы SAM

Параметры настройки SAM

Введение в прибор цветного дисплея
Номер версии программы: 08ZQ00021070000
Расчет значения K
ПараметрыBOOL
Выбор элемента параметра считается открытым или нет для функции
Правый параметр (выбрать один из нескольких параметров)
Тип двигателя
Тип прибора
Форма привода
Кабина MAN
К-значение
Ввод VIN (номер станины)

Введение, связанное с энергией
Введение в двигатель
Послепродажное обслуживание только нужно настроить параметры

Введение в коробку передач
Выбор канала связи и скорость передачи данных 11-12_500kbps
Процесс коробки передач HW: Программа написания→ большая учеба
Процесс коробки передачZF Friedrichshafen AG (ZF Friedrichshafen AG отвечает ответственность) написание-учеба оффлайн

Введение в EBS

Выбор программы EBS по информации о транспортных средствах
Введение в функции
Наблюдение состояния подключения прицепов
Описание функций: Когда калибровка модуля с прицепом выполняется, то будет проверять состояние соединения прицепа
Включите лампу аварийной сигнализации /левую (правую) ЭУП -лампа положения / заднюю противотуманную фару/ стоп-сигнал / лампа машины для заднего хода, чтобы можно было проверить состояние соединения прицепа.
При калибровке модуля с прицепом обнаруживаются неисправность связи модуля прицепа, иначе проверка не производится.
При калибровке модуля с прицепом и обнаружен прицеп, все виды освещения прицепа проверяются на разомкнутом и коротком замыкании.
Калибровка автомобиля: С дневным ходовым светом
Контроль дневного ходового света:
Когда скорость оборотов двигателя > 350rpm, дневной свет загорится, прибор показывает рабочие указания дневного ходового света.
Дневной ходовой свет прекращает работу (при соблюдении одного из следующих условий):
Условие 1: Скорость оборотов двигателя < 250rpm
Условие 2: Лампа положения загорается
Условие 3: Когда ЭУП одной стороны включается, соответствующая сторона погасает дневной ходовой свет.
Передача сигнала
BCAN:Сообщение о скорости оборотов передаётся NBCU через шлюз, при этом сообщение о лампе положения и ЭУП отправляется в NBCU передним модулем, после суждения NBCU отправляет сообщение дневного ходового света на передний модуль, и приводной светильник переднего модуля

Контроль ЭУП и света аварийной сигнализации:
Левый (правый) поворот: Когда ЭУП работает, если каждая левая (правая) ЭУП нормальная, то контроллер приводит все левые (правые) ЭУП по нормальной частоте;если один или несколько левых (правых) ЭУП окажется неисправным, то контроллер будет приводить каждый левый (правый) ЭУП по частоте неисправности. Если какой -либо путь левой (правой) ЭУП происходит короткое замыкание, то остановите выходу этой ЭУП.
Когда какой -либо ЭУП не загорается, то прибор не показывает рабочее состояние этой ЭУП.
Передача сигнала:
BCAN:Выключатель подключен к NBCU, NBCU посылает сообщение на передний и задний модули, передний и задний модули приводят свет
Контроль лампы положения::
Когда переключатель лампы положения замкнут, лампа положения загорается.
Описание функции лампы ближнего света:
Переключатель лампы ближнего света замкнут, лампа ближнего света загорается, и одновременно прибор отображает рабочее состояние лампы ближнего света.
Передача сигнала (BCAN):
Лампа ближнего света: Выключатель подключен к NBCU, NBCU отправляет сообщение на передний модуль, и передний модуль приводит свет.
Лампа положения: Переключатель подключен к NBCU, и NBCU отправляет сообщение на передний и задний модули, а модули приводят передний, задний и подвесной свет положения. Боковые лампы положения и габаритный фонарь приводятся в действие напрямую от NBCU. NBCU отправляет сообщение CM1 на прибор, и прибор загорает лампу положения (BCAN-ICAN).
При установке датчика солнца и дождя: Когда переключатель повернут в положение AUTO, NBCU загорает лампу положения или лампу ближнего света в зависимости от интенсивности света, возвращаемой датчиком солнца и дождя.
Передача сигнала (BCAN):
Контроллер солнца и дождя отправляет сообщение о загорании света, и NBCU получает это сообщение и отправляет на передний модуль, передний модуль приводит в действие лампу положения или лампу ближнего света.
Контроль лампы дальнего света:
Когда переключатель лампы дальнего света замкнут или переключатель обгона замкнут, лампа дальнего света загорается, и на приборной панели загорается символ дальнего света.
Передача сигнала:
BCAN:Переключает подключен к NBCU, NBCU отправляет сообщение на передний модуль, передний модуль приводит в действие лампу дальнего света NBCU отправляет сообщение CM1 на прибор, и прибор загорает лампу дальнего света (BCAN-ICAN).
Устранение неисправностей:
1. Обнаружение придания сообщений лампы дальнего света, отправленного NBCU.
2. Если придание сообщений возникает неисправность, проверьте цепь переключателя и программу NBCU.
3. Если придание сообщений нормальное, проверьте программу переднего модуля и световую приводную цепь.
Контроль вспомогательной лампы дальнего света:
Присоединенная лампа дальнего света загорается, а левая и правая передние противотуманные фары не загораются, вспомогательная лампа дальнего света загорается.
Когда переключатель лампы дальнего света отключен или одна из левых и правых передних противотуманных фар включена, то вспомогательная лампа дальнего света на этой стороне погаснет.
Передача сигнала:
BCAN:NBCU получает сообщение о рабочем состоянии передних противотуманных фар и переключатель лампы дальнего света, отправленный передним модулем. После суждения NBCU отправляет придание рабочих сообщений на передний модуль, и передний модуль приводит в действие свет.

Управление передними противотуманными фарами:
Замкните переключатель лампы положения, нажмите на переключатель передних противотуманных фар, передние противотуманные фары загораются; или переключатель лампы положения замкнут, и переключатель ЭУП замкнут, передние противотуманные фары этой пути загораются.
Когда передняя противотуманная фара загорается, на панели приборов горит индикатор работы передней противотуманной фары.
Передача сигнала:
BCAN:Переключатель подключен к NBCU, и NBCU отправляет сообщение CM2 на передний модуль, и передний модуль приводит в действие переднюю противотуманную фару. NBCU отправляет на прибор сообщение CM1, и прибор загорает переднюю противотуманную фару (BCAN-ICAN).
Устранение неисправностей: 1. Обнаружение придания сообщений лампы света, отправленного NBCU.
2. Если придание сообщений возникает неисправность, проверьте цепь переключателя и программу NBCU.
3. Если придание сообщений нормальное, проверьте программу переднего модуля и световую приводную
Управление задними противотуманными фарами:
Когда один из переключателей ближнего и дальнего света замкнут, или когда передняя противотуманная фара загорается, нажмите на переключатель задней противотуманной фары, затем включается задняя противотуманная фара, и на приборе отобразится индикация работы задней противотуманной фары.
Когда задний противотуманный фонарь загорается, отсоедините выключатель лампы положения или снова нажмите переключатель заднего противотуманного фонаря, и задний противотуманный фонарь погаснет.
Передача сигнала:
BCAN:Переключатель подключен к NBCU, и NBCU отправляет сообщение на задний модуль, а задний модуль приводит в действие светильник. NBCU отправляет сообщение CM1 на прибор, и прибор загорает задние противотуманные фары (BCAN-ICAN).
Устранение неисправностей:
1. Проверьте, удовлетворяет ли условие для включения заднего противотуманного фонаря
2. Обнаружение придания сообщений лампы света, отправленного NBCU.
3. Если придание сообщений возникает неисправность, проверьте цепь переключателя и программу NBCU.
4. Если придание сообщений нормальное, проверьте программу заднего модуля и световую приводную цепь.
Управление рабочим освещением:
Ключевой выключатель замкнут, а скорость автомобиля превышает 30 км/ч в течение не подряд 3 секунд. Если переключатель рабочего освещения замкнут, рабочее освещение загорается.
Передача сигнала:
PCAN、BCAN:Переключатель подключен к NBCU, NBCU отправляет сообщение в соответствии с двухпозиционным измерением и скоростью двигателя (от PCAN до BCAN через шлюз), NBCU отправляет сообщение на задний модуль, и задний модуль управляет светильником

Управление стоп-сигналом:
При работе ножного тормоза, выхлопного тормоза и ретардера, стоп-сигнал загорается.
Управление лампой машины для заднего хода:
Переключатель заднего хода замыкается, и лампа машины для заднего хода загорается.
Передача сигнала:
BCAN:Двигатель отправляет сообщения ножного тормоза и выхлопного тормоза в NBCU (от PCAN до BCAN) через шлюз, ретардер отправляет сообщение о рабочем состоянии ретардера в NBCU (от PCAN до BCAN), а после суждения NBCU отправляет придание сообщений стоп-сигналов на задний модуль, и задний модуль загорает стоп-сигнал.
Обрызгивание стеклоочистителя, низкая скорость, высокая скорость, автоматическое управление:
Когда переключатель обрызгивания замкнут, NBCU немедленно приводит в действие двигатель разбрызгивателя, и с задержкой в 1 секунду приводит в действие стеклоочиститель на низкой скорости.
Переключатель низкой скорости стеклоочистителя замкнут, и NBCU приводит стеклоочиститель в действие на низкой скорости.
Переключатель высокой скорости стеклоочистителя замкнут, и NBCU приводит стеклоочиститель в действие на высокой скорости.
Когда автоматический переключатель стеклоочистителя замкнут, NBCU приводит стеклоочиститель в действие на низкой или высокой скорости в зависимости от количества дождя, возвращаемого контроллером солнца и дождя. При автоматической передаче, если NBCU обнаруживает сбой связи с солнцем и дождем или сбой солнца и дождя, стеклоочиститель будет работать с перерывами.

Переключатель разности осей на месте и состояние передано:
NBCU получает информацию о положении переключателя межосевого дифференциала, отправленную задним модулем, и передает ее на прибор для отображения.

Сигнализация о правом повороте:
Когда автомобиль поворачивает направо, звуковая сигнализация правого поворота.

Задний отбор мощности коробки передач:
Пункт калибровки EOL: Обычная механическая коробка
Условия входа: После того, как на холостом ходе и наступайте на сцепление, замкните выключатель инструмента отбора мощности.
То NBCU приводит в действие коробки передач для выполнения работу заднего отбора мощности, одновременно отправляет сообщение на прибор, и прибор начнет мигать и отображает подсказку о работе PTO. Когда отбор мощности на месте, прибор всегда загорается, это показывает, что PTO работает.
Условия выхода: После того, как на холостом ходе и наступайте на сцепление, отсоедините выключатель инструмента отбора мощности.
То NBCU прекращает работу заднего отбора мощности коробки передач, отправляет сообщение на прибор, и больше не отображает рабочее состояние инструмента отбора мощности.
Задний отбор мощности коробки передач:
Пункт калибровки EOL: Механическая коробка HW16
Условия входа: Условие 1: Холостой ход и наступайте на сцепление
Условие 2: Выключатель положения дифференциала замкнут
После того, как оба условия 1 и 2 выполнены, замкните переключатель инструмента отбора мощности, инструмент отбора мощности работает и одновременно отправляет сообщение на прибор, и прибор начнет мигать и отображает подсказку о работе PTO. Когда инструмент отбора мощности установлена на месте, прибор всегда загорается, это показывает, что PTO работает нормально.
Условия выхода: После того, как на холостом ходе и наступайте на сцепление, отсоедините выключатель инструмента отбора мощности.
Когда инструмент отбора мощности не работает, NBCU отправляет на прибор сообщение, и прекращает отображение рабочего состояния инструмента отбора мощности.
Задний отбор мощности коробки передач: Пункт калибровки EOL: Коробка передач HW-AMT
Условие 1: Холостой ход, скорость автомобиля менее 10 км/ч, двигатель работает на низкими холостыми оборотами (350<об/мин<850)
Условие 2: Холостой ход, скорость входного вала коробки передач <200 об/мин

Условие выхода 1:
Холостой ход, скорость автомобиля менее 10 км/ч, двигатель работает на низкими холостыми оборотами (350<об/мин<850)

Управление ретардером:
Пункт калибровки EOL: Расположение VCU/ADCU, расположение ретардера ZF/ретардера Voith
Переключатель ретардера и ADCU позволяют выполнять торможение ретардера.
Управление ретардером:
Пункт калибровки EOL: Не сконфигурировано VCU/ADCU, ретардер ZF/ретардер Voith
Замкните выключатель ретардера, ретардер тормозит.

Передача сигнала: Запрос крутящего момента ретардера от ADCU до SAM (от VCAN до SCAN), SAM получает информацию о переключателе ретардера. После сравнения информаций о этих двух крутящих моментах на ретардер передается максимальный тормозной момент (от SCAN до PCAN), и ретардер тормозит.

Управление внутренним освещением:
• Когда левый и правый внутренний осветитель не загорается, нажмите на выключатель внутреннего осветителя, и левый и правый внутренний осветитель немедленно загораются.
• Пока загорается один из левого и правого внутренних осветителей, нажмите на переключатель внутреннего освещения, и левый и правый внутренний осветитель погаснет.
• Когда левый внутренний осветитель не горит, открывается левая передняя дверь, и сразу же включается левый внутренний осветитель; когда левая передняя дверь закрывается, левый внутренний осветитель гаснет. 15 При отключении питания, если левая дверь не закрыта, свет погаснет через 2 секунды.
• Когда правый внутренний осветитель не горит, правая передняя дверь открывается, и правый внутренний осветитель сразу же загорается; когда правая передняя дверь закрывается, правый внутренний осветитель гаснет. 15 При отключении питания, если правая дверь не закрыта, свет погаснет через 2 секунды.

Сбор и отправка переключающих сигналов:
• SAM получает переключающий сигнал, собранный модулем руля, и передает его на центральную панель управления или приборную панель.
• SAM отправляет информацию о крейсеровке с постоянной скоростью, собранную модулем руля, в двигатель или ADCU.

Поиск неисправности: Не работают кнопки на руле
• Проверьте сообщение SM0 на SCAN, чтобы убедиться, что кнопка работает нормально или нет.
• Проверьте сообщение SM2 на SCAN, чтобы убедиться, что кнопка работает нормально или нет.
• Проверьте сообщение SM2 на ICAN, чтобы убедиться, что кнопка работает нормально или нет.


Сбор и отправка сигнала передачи:
Пункт калибровки EOL: Не сконфигурировано VCU/ADCU, сконфигурировано HW_AMT/ZF_AMT
• Переключатель передач КС подключен к SAM, а SAM отправляется на коробку передач
• Приоритетный порядок отправки передачи:D/N/R/Dm/Rm>ПриоритетA/M>Переключение на повышенную передачу/понижающую передачу.
Пункт калибровки EOL:Сконфигурировано VCU/ADCU, сконфигурировано HW_AMT/ZF_AMT
• Переключатель передач КС подключен к SAM, и SAM также реагирует на информацию о передаче, отправленную VCU/ADCU, и передает ее на коробку передач.
• Когда информации о передаче, собранные двумя вышеуказанными способами, различаются, в основном используется сигнал не отложенного провода, собранный SAM.
Управление электрическим/пневматическим рупором
Переключатель рупора замкнут, переключатель переключения электрического/пневматического рупора отключается, и электрический рупор работает. Если электрический рупор имеет короткое замыкание на землю, то пневматический рупор будет работать.
Переключатель рупора замкнут, переключатель переключения электрического/пневматического рупора замкнут, пневматический рупор работает.Если пневматический рупор имеет короткое замыкание на землю, то пневматический рупор будет работать.
Передача сигнала: Переключатель рупора и переключения подключены к NBCU,
Прямой привод NBCU
