См. также:
Электросхемы Tractor NEW HOLLAND серии T9
Все схемы доступны только пользователям
NEW HOLLAND AGRICULTURE T9.390 INT Tier 4 - технические характеристики для Северной Америки
NEW HOLLAND AGRICULTURE T9.390 WE
NEW HOLLAND AGRICULTURE T9.390 NA
NEW HOLLAND AGRICULTURE T9.450 INT Tier 4 - технические характеристики для Северной Америки
NEW HOLLAND AGRICULTURE T9.450 WE
NEW HOLLAND AGRICULTURE T9.450 NA
NEW HOLLAND AGRICULTURE T9.505 INT Tier 4 - технические характеристики для Северной Америки
NEW HOLLAND AGRICULTURE T9.505 WE
NEW HOLLAND AGRICULTURE T9.505 NA
NEW HOLLAND AGRICULTURE T9.560 INT Tier 4 - технические характеристики для Северной Америки
NEW HOLLAND AGRICULTURE T9.560 WE
NEW HOLLAND AGRICULTURE T9.560 NA
NEW HOLLAND AGRICULTURE T9.615 INT Tier 4 - технические характеристики для Северной Америки
NEW HOLLAND AGRICULTURE T9.615 WE
NEW HOLLAND AGRICULTURE T9.615 NA
NEW HOLLAND AGRICULTURE T9.670 INT Tier 4 - технические характеристики для Северной Америки
NEW HOLLAND AGRICULTURE T9.670 WE
NEW HOLLAND AGRICULTURE T9.670 NA
NEW HOLLAND AGRICULTURE T9.390 WE
NEW HOLLAND AGRICULTURE T9.390 NA
NEW HOLLAND AGRICULTURE T9.450 INT Tier 4 - технические характеристики для Северной Америки
NEW HOLLAND AGRICULTURE T9.450 WE
NEW HOLLAND AGRICULTURE T9.450 NA
NEW HOLLAND AGRICULTURE T9.505 INT Tier 4 - технические характеристики для Северной Америки
NEW HOLLAND AGRICULTURE T9.505 WE
NEW HOLLAND AGRICULTURE T9.505 NA
NEW HOLLAND AGRICULTURE T9.560 INT Tier 4 - технические характеристики для Северной Америки
NEW HOLLAND AGRICULTURE T9.560 WE
NEW HOLLAND AGRICULTURE T9.560 NA
NEW HOLLAND AGRICULTURE T9.615 INT Tier 4 - технические характеристики для Северной Америки
NEW HOLLAND AGRICULTURE T9.615 WE
NEW HOLLAND AGRICULTURE T9.615 NA
NEW HOLLAND AGRICULTURE T9.670 INT Tier 4 - технические характеристики для Северной Америки
NEW HOLLAND AGRICULTURE T9.670 WE
NEW HOLLAND AGRICULTURE T9.670 NA
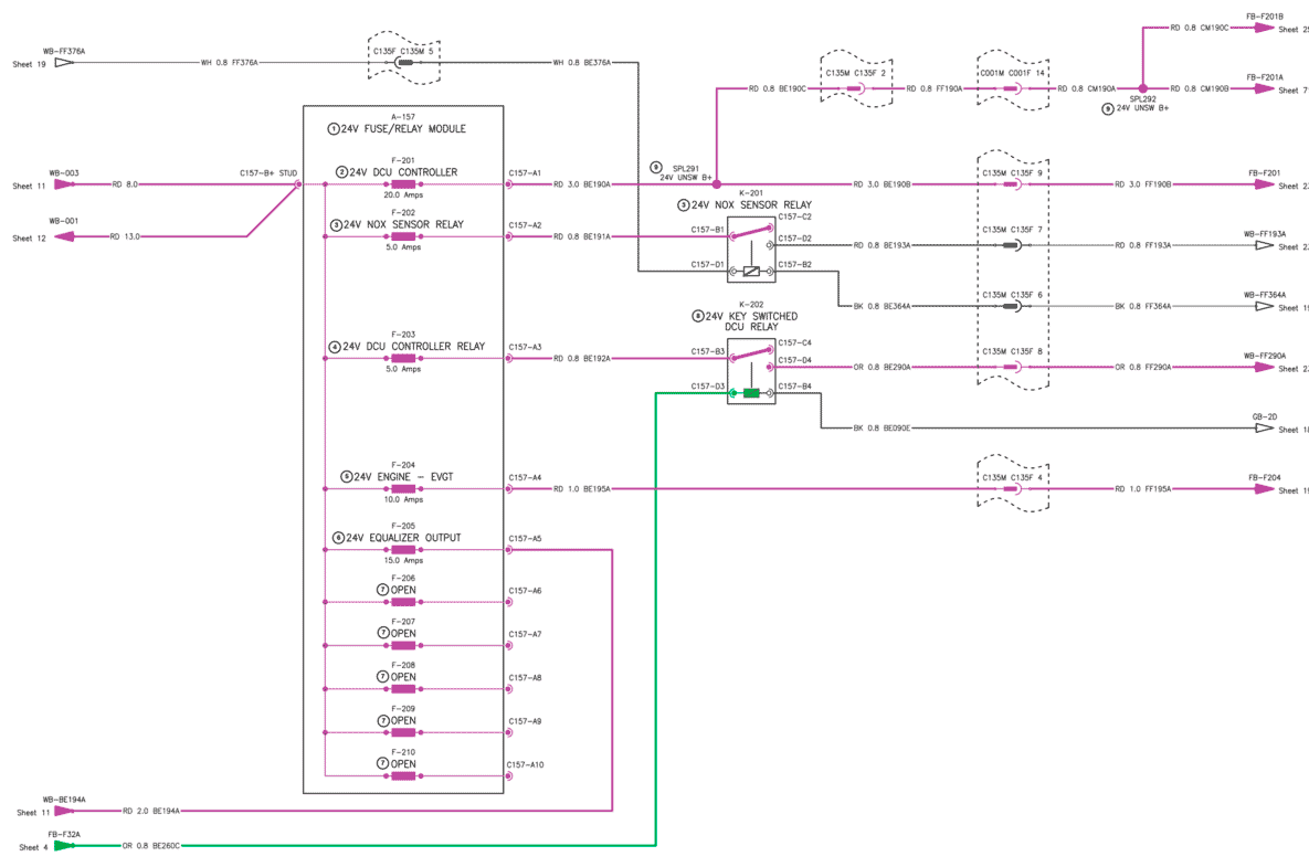
1 Модуль предохранителей/реле 24 В
2 Контроллер блока управления дозирования (DCU) 24 В
3 Реле датчика Nox 24 В
4 Реле контроллера блока управления дозирования (DCU) 24 В
5 Двигатель 24 В – Турбонагнетатель с регулируемой турбиной двигателя (EVGT)
6 Разъем компенсатора 24 В
7 свободный
8 Реле блока управления дозированием с переключением ключом зажигания (DCU) 24 В
9 Непереключаемая подача питания +БАТ 24 В
- Жгуты проводов - Электрическая схема, рама 10 - Предохранители 24 В 201-210
- Жгуты проводов - Электрическая схема, рама 11 - Предохранители 24 В 201-210
- Жгуты проводов - Электрическая схема, рама 12 - Система запуска и зарядки
- Жгуты проводов - Электрическая схема, рама 13 - Реле питания
- Жгуты проводов - Электрическая схема, рама 19 - Двигатель, одноступенчатая рама для пропашных культур 13 л
- Жгуты проводов - Электрическая схема, рама 23 - Двигатель, система SCR
- Жгуты проводов - Электрическая схема, рама 25 - Контроллер блока управления трактором (TCU) - питание и "масса"
- Жгуты проводов - Электрическая схема, рама 26 - Двигатель, одноступенчатая рама для пропашных культур 13 л
- Жгуты проводов - Электрическая схема, рама 26 - Контроллер блока управления трактором (TCU) - питание и "масса"
- Жгуты проводов - Электрическая схема, рама 27 - Двигатель, одноступенчатая рама для пропашных культур 13 л
- Жгуты проводов - Электрическая схема, рама 27 - Система запуска и зарядки
- Жгуты проводов - Электрическая схема, рама 28 - Коробка передач
- Жгуты проводов - Электрическая схема, рама 29 - Контроллер блока управления трактором (TCU) - питание и "масса"
- Жгуты проводов - Электрическая схема, рама 30 - FNRP - рычаг переключения
- Жгуты проводов - Электрическая схема, рама 32 - Гидравлика
- Жгуты проводов - Электрическая схема, рама 33 - Вторичная система рулевого управления
- Жгуты проводов - Электрическая схема, рама 34 - Гидравлика - Переключатель EHR/EDC и 4 клапана EHR
- Жгуты проводов - Электрическая схема, рама 52 - Дисплей щитка приборов
- Жгуты проводов - Электрическая схема, рама 55 - Органы управления сиденья
- Жгуты проводов - Электрическая схема, рама 58 - Двигатель, одноступенчатая рама для пропашных культур 13 л
- Жгуты проводов - Электрическая схема, рама 59 - Трехточечное сцепное устройство (при наличии)
- Жгуты проводов - Электрическая схема, рама 65 - Контроллер подлокотника и МОМ (при наличии)
- Жгуты проводов - Электрическая схема, рама 69 - Радар скорости хода (при наличии)
- Жгуты проводов - Электрическая схема, рама 70 - Блокировка дифференциала (при наличии)
- Жгуты проводов - Электрическая схема, рама 71 - Шина данных CAN - шина транспортного средства 1
- Жгуты проводов - Электрическая схема, рама 72 - Шина данных CAN - шина транспортного средства 1
- Жгуты проводов - Электрическая схема, рама 75 - Гидравлика - Переключатель EHR/EDC и 4 клапана EHR
- Жгуты проводов - Электрическая схема, рама 76 - Гидравлика - Переключатель EHR/EDC и 4 клапана EHR