См. также:
Электро, пневмо и гидро схемы автокрана TEREX A350
Diagrams Wiring





Hydraulic diagram upper structure

- 1. Swivel
- 2. Joysticks feeding unit
- 3. LH joystick
- 4. RH joystick
- 5. Joysticks control solenoid-valves
- 6. Main valve-block
- 7. Winches valve-block
- 8. Main winch valve
- 9. Main winch motor
- 10. Swinging valve
- 11. Swinging motor
- 12. Derricking cylinder valve
- 13. Derricking cylinder
- 14. Telescoping cylinder
- 15. Telescoping cylinder valve
- 16. Winches 2nd speed solenoid-valve
- 17. Steering unit
- 18. Steering feeding unit
- 19. Non return valve
- 20. Non return valve
- 21. Oil cooler
- 22. –
- 23. –
- 24. –
- 25. –
- 26. –
- 27. –
- 28. –
- 29. –
- 30. Auxiliary winch control solenoid-valves
- 31. Auxiliary winch valve
- 32. Auxiliary winch motor
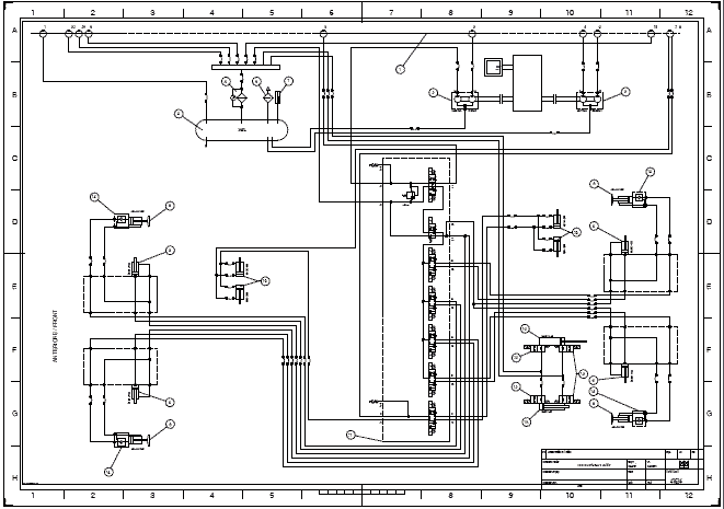
Hydraulic diagram carrier

- 1. Swivel
- 2. Swinging/stabilisers – winches pump
- 3. Servo-controls/steering – boom pump
- 4. Tank
- 5. Filter
- 6. Vent cap
- 7. Level gauge
- 8. Stabilizers
- 9. Beam extension cylinder
- 10. Steering cylinders
- 11. Carrier solenoid- valve block
- 12. Tilting locking valve
- 13. Tilting cylinders
- 14. Stabilizer valve
Pneumatic diagram

- 1. Compressor
- 2. Unloader with air dryer
- 3. Auxiliary tank
- 4. Drain valve
- 5. 4 circuits protection valve
- 6. Tank
- 7. Tank
- 8. Foot brake pedal
- 9. Brake system low pressure switch
- 10. Brake system low pressure switch
- 11. Brake light pressure switch
- 12. Front brakes converter
- 13. Front brakes oil tank
- 14. Brake oil low level switch
- 15. Hoses
- 16. Front braking cylinders
- 17. Brake light pressure switch
- 18. Rear brakes converter
- 19. Rear brake oil tank
- 20. Brake oil low level switch
- 21. Hoses
- 22. Rear braking cylinders
- 23. Parking/emergency brake command
- 24. Parking brake pressure switch
- 25. Parking / emergency brake
- 26. Hand accelerator
- 27. Selector valve
- 28. Accelerator pedal
- 29. Accelerator cylinder
- 30. RPM reduction solenoid-valve
- 31. RPM reduction cylinder
- 32. –
- 33. –
- 34. 4x4 drive disconnect/high range selection solenoid valve
- 35. Low range selection solenoid valve
- 36. 4x4 drive disconnect/high range selection cylinder
- 37. Low range selection cylinder
- 38. Swivel
- 39. –
- 40. 4th boom section lock/unlock control solenoid valve
- 41. 4th boom section lock/unlock valve
- 42. 4th boom section lock/unlock cylinder
Полная инструкция со схемами - в


