См. также:
Электросхемы JCB 3CX, 4CX, 214, 215, 217 и их модификации
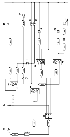
Базовый вариант машины
Приведенные принципиальные схемы относятся к стандартному варианту машины. На остальных
страницах данного раздела приведены принципиальные схемы для машин, не являющихся базовыми. Отметим, что показаны ТОЛЬКО отличия от базового варианта.
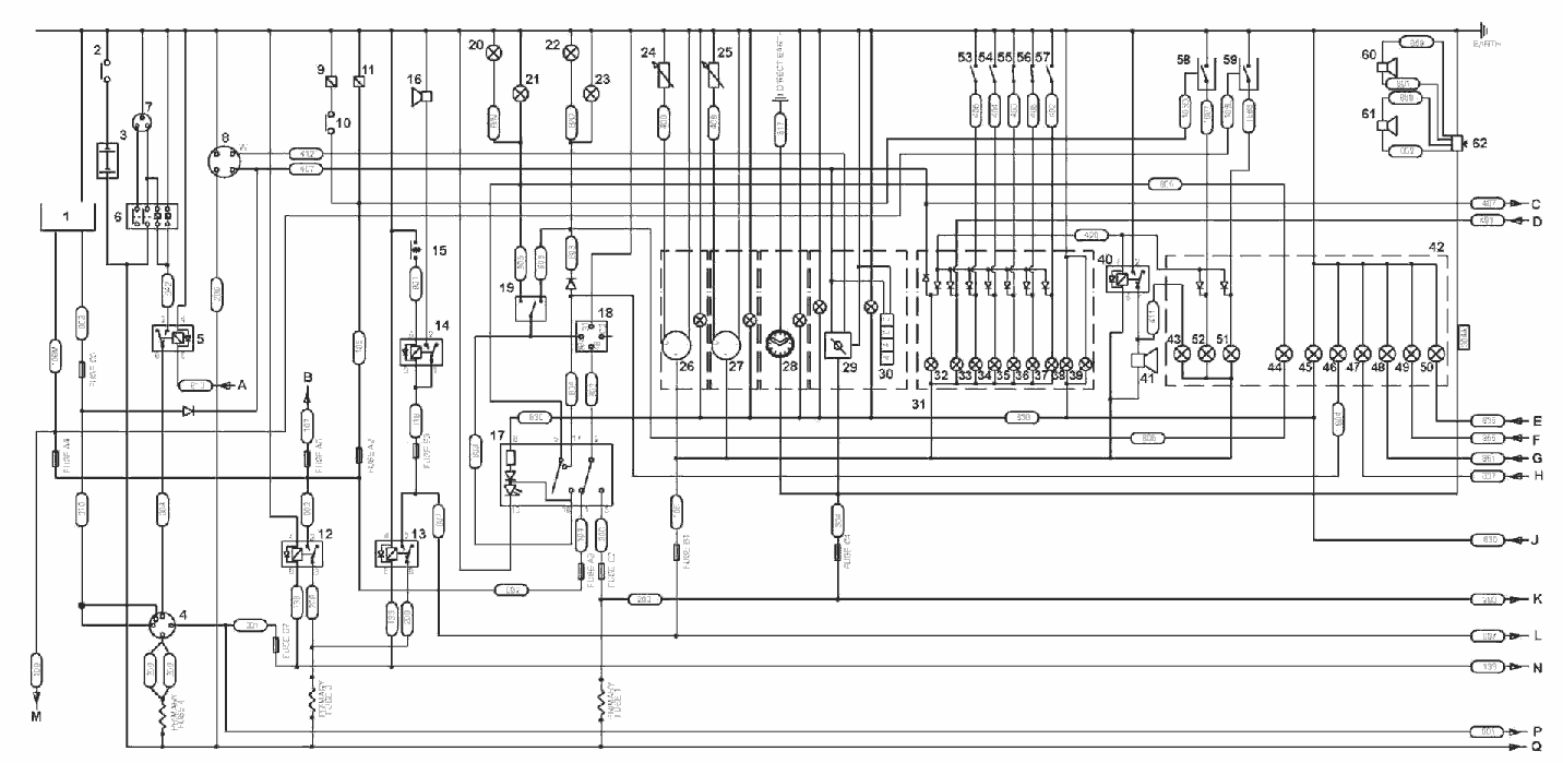
- 1 ECU обогревателя системы холодного пуска (если установлен)
- 2 Изолятор аккумуляторной батареи
- 3 Аккумулятор
- 4 Переключатель стартера
- 5 Нейтральное пусковое реле
- 6 Реле стартера
- 7 Мотор стартера
- 8 Генератор
- 9 Соленоид опережения при холодном запуске
- 10 Датчик опережения при холодном запуске
- I I Соленоид отключения двигателя (ESOS)
- 12 Реле зажигания " I"
- 13 Реле зажигания "2"
- 14 Реле заднего звукового сигнала
- 15 Выключатель заднего звукового сигнала
- 16 Задний звуковой сигнал
- 17 Выключатель сигнальных ламп опасности
- 18 Индикаторный блок с проблесковым сигналом
- 19 Переключатель указателя поворота
- 20 Левый передний индикатор
- 41 Предупредительный зуммер
- 21 Левый задний индикатор
- 42 Передняя приборная консоль
- 22 Правый передний индикатор
- 43 Главная сигнальная лампа
- 23 Правый задний индикатор
- 44 Индикатор сигнала поворота
- 24 Датчик температуры охлаждающей жидкости
- 45 Индикатор габаритных фонарей двигателя
- 46 Индикатор предупреждения об опасности
- 25 Датчик указателя уровня топлива
- 47 Предупредительный световой индикатор
- 26 Указатель температуры охлаждающей жидкости дальнего света фар двигателя
- 48 Световой индикатор работы заднего
- 27 Указатель уровня топлива оборудования
- 28 Часы
- 49 Световой индикатор работы переднего оборудования
- 29 Тахометр
- 30 Счетчик часов
- 50 Индикатор задних противотуманных фар
- 31 Боковая приборная консоль
- 51 Сигнальная лампа уровня охлаждающей жидкости
- 32 Предупредительный световой индикатор генератора переменного тока
- 52 Сигнальная лампа наличия воды в топливе
- 33 Предупредительный световой индикатор
- 53 Термореле охлаждающей жидкости двигателя стояночного тормоза
- 54 Термореле трансмиссионного масла
- 34 Световой индикатор температуры
- 55 Реле давления моторного масла охлаждающей жидкости двигателя
- 56 Реле давления трансмиссионного масла
- 35 Световой индикатор температуры трансмиссионного масла
- 57 Сигнализатор сопротивления воздушного фильтра
- 36 Световой индикатор давления моторного масла
- 58 Датчик присутствия воды в топливе
- 37 Световой индикатор давления трансмиссионного масла
- 59 Сигнализатор уровня охлаждающей жидкости
- 60 Левый динамик
- 38 Световой индикатор закупорки воздушного фильтра
- 61 Правый динамик
- 39 Подсветка панели
- 62 Радиоприемник (если установлен)
- 40 Реле предупредительного зуммера
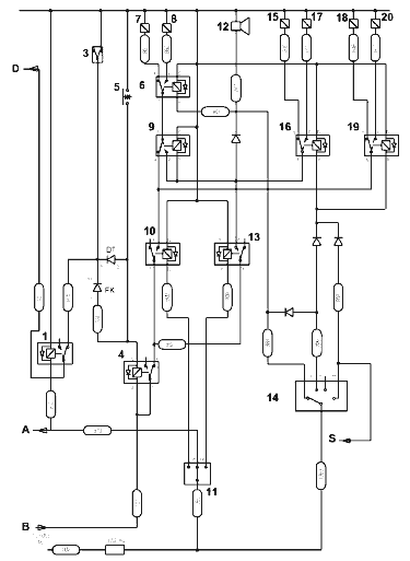
Основные компоненты
- 70 Прикуриватель
- 71 Вентилятор на уровне лица
- 72 Выключатель вентилятора, находящегося на уровне лица
- 73 Подогрев сиденья
- 74 Выключатель подогрева сиденья
- 75 Выключатель заднего стеклоомывателя/дворника
- 76 Двигатель заднего дворника
- 77 Двигатель заднего стеклоомывателя
- 78 Выключатель переднего стеклоомывателя/дворника
- 79 Двигатель переднего стеклоомывателя
- 80 Электронный блок управления перемежающимся режимом работы переднего дворника
- 81 Двигатель переднего дворника
- 82 Выключатель мигающего дальнего света
- 83 Выключатель переднего звукового сигнала
- 84 Передний звуковой сигнал
- 85 Выключатель задние противотуманных фар
- 86 Задние противотуманные фары
- 87 Отсутствует для стран - Италия, Германия
- 88 Установлено для стран - Италия, Германия
- 89 Реле ходовых огней
- 90 Выключатель ходовых огней
- 91 Переключатель света фар
- 92 Левый дальний свет фар
- 93 Правый дальний свет фар
- 94 Левый ближний свет фар
- 95 Правый ближний свет фар
- 96 Левый задний фонарь
- 97 Левый боковой фонарь
- 98 Штепсель (фонарь лопаты)
- 99 Освещение номерного знака
- 100 Правый задний фонарь
- 101 Правый боковой фонарь
- 102 Реле запуска двигателя
- 103 Реле переднего рабочего освещения
- 104 Реле заднего рабочего освещения
- 105 Выключатель переднего рабочего освещения
- 106 Выключатель заднего рабочего освещения
- 107 Переднее рабочее освещение
- 108 Заднее рабочее освещение
- 109 Освещение салона кабины/Выключатель
- I 10 Переключатель маячка
- I I I Маячок
- I 12 Переключатель обогревателя
- I 13 Обогреватель двигателя
- I 14 Реостат обогревателя
- I 15 Реле давления кондиционера
- I 15а Термостат кондиционера
- I 16 Электромагнитный клапан компрессора кондиционера
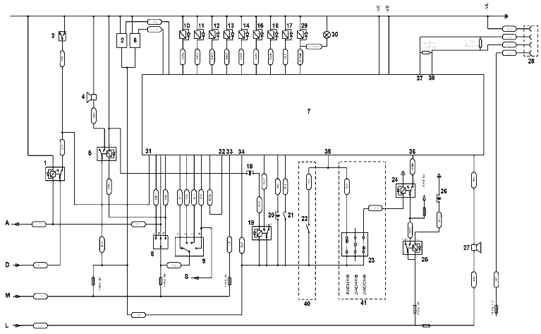
Управление коробкой передач
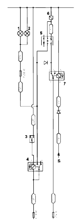
Коробка передач Synchro Shuttle

- 1 Реле предупредительного сигнала стояночного тормоза
- 2 -
- 3 Выключатель стояночного тормоза (язычкового типа)
- 4 Реле сброса трансмиссии
- 5 Переключатель сброса трансмиссии на рычаге погрузчика
- 6 Переключатель сброса трансмиссии на рычаге переключения передач
- 7 Электромагнитный клапан переднего хода
- 8 Реле переднего хода
- 9 Рычаг переключения переднего/заднего хода
- 10 Электромагнитный клапан заднего хода
- I I Реле заднего хода
- 12 Сигнал реверса
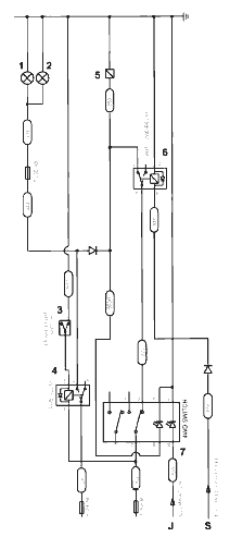
Коробка передач Powershift

- 1 Реле предупредительного сигнала стояночного тормоза
- 2 -
- 3 Выключатель стояночного тормоза (язычкового типа)
- 4 Реле сброса трансмиссии
- 5 Переключатель сброса трансмиссии на рычаге погрузчика
- 6 Реле привода
- 7 Электромагнитный клапан главного вала
- 8 Электромагнитный клапан промежуточного вала
- 9 Реле с самоблокировкой
- 10 Реле переднего хода
- I I Рычаг переключения переднего/заднего хода
- 12 Сигнал реверса
- 13 Реле заднего хода
- 14 Переключатель выбора передач
- 15 Электромагнитный клапан заднего хода на низкой скорости
- 16 Реле высокой/низкой скорости заднего хода
- 17 Электромагнитный клапан заднего хода на высокой скорости
- 18 Электромагнитный клапан переднего хода на низкой скорости
- 19 Реле высокой/низкой скорости переднего хода
- 20 Электромагнитный клапан переднего хода на высокой скорости
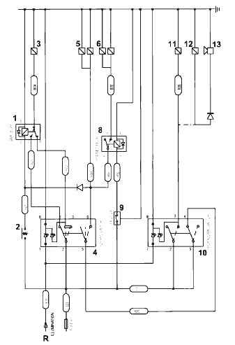
Коробка передач Shiftmaster

- 1 Реле предупредительного сигнала стояночного тормоза
- 2 Датчик частоты вращения - двигатель (если установлен)
- 3 Выключатель стояночного тормоза (язычкового типа)
- 4 Сигнал реверса
- 5 Реле сигнала заднего хода
- 6 Датчик частоты вращения - коробка передач
- 7 Электронный блок управления (ECU)
- 8 Рычаг переключения переднего/заднего хода
- 9 Переключатель выбора передач
- 10 Электромагнитный клапан "Т"
- I I Электромагнитный клапан "U"
- 12 Электромагнитный клапан "V"
- 13 Электромагнитный клапан "W"
- 14 Электромагнитный клапан "X"
- 15 Электромагнитный клапан "Y"
- 16 Электромагнитный клапан "Z"
- 17 Электромагнитный клапан привода на четыре колеса
- 18 Переключатель сброса трансмиссии
- 19 Реле сброса трансмиссии
- 20 Безударный понижающий переключатель
- 21 Переключатель дроссельной заслонки
- 22 Переключатель привода на четыре колеса
- 23 Селекторный переключатель режима работы тормоза
- 24 Реле включения режима торможения двумя колесами
- 25 Реле стоп-сигналов
- 26 Выключатель ножного тормоза
- 27 Предупредительный зуммер
- 28 Диагностический разъем
- 29 Электромагнитный клапан блокируемого гидротрансформатора (если имеется)
- 30 Сигнальная лампа электромагнитного клапана блокируемого гидротрансформатора (если имеется)
- 31 Стояночный тормоз
- 32 ECU + подача питания
- 33 Ряд положительных контактов 2
- 34 Ряд положительных контактов I
- 35 Привод на 4 колеса
- 36 Ножной тормоз
- 37 Высокий корпус
- 38 Низкий корпус
- 39 Диагностика
- 40 Только машины с рулевым управлением всеми колесами
- 41 Только машины с рулевым управлением двумя колесами
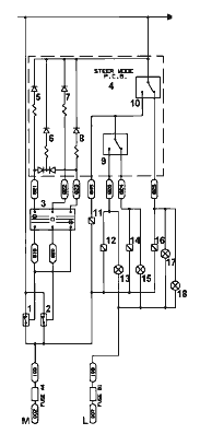
Режим рулевого управления (4x4x4) - управляется при помощи печатной платы (реле)

- 1 Бесконтактный переключатель переднего моста
- 2 Бесконтактный переключатель заднего моста
- 3 Селекторный переключатель режима рулевого управления
- 4 Печатная плата (РСВ) режима рулевого управления
- 5 Реле бокового движения (четвертая часть)
- 6 Реле бокового движения/рулевого управления четырьмя колесами (четвертая часть)
- 7 Реле рулевого управления двумя колесами (четвертая часть)
- 8 Реле рулевого управления четырьмя колесами (четвертая часть)
- 9 Селектор режима рулевого управления четырьмя колесами/бокового движения (четвертая часть)
- 10 Селектор режима рулевого управления двумя/четырьмя колесами (четвертая часть)
- I I Электромагнитный клапан бокового движения/4-колесного управления
- 12 Электромагнитный клапан 4-колесного управления
- I 3 Световой индикатор рулевого управления четырьмя колесами
- 14 Электромагнитный клапан бокового движения
- 15 Световой индикатор бокового движения
- 16 Электромагнитный клапан 2 -колесного управления
- 17 Световой индикатор рулевого управления двумя колесами (боковая консоль)
- 18 Световой индикатор рулевого управления двумя колесами (передняя консоль)
Режим рулевого управления (4x4x4) - управляется при помощи ECU

- 1 Бесконтактный переключатель переднего моста
- 2 Бесконтактный переключатель заднего моста
- 3 Селекторный переключатель режима рулевого управления
- 4 ECU режима рулевого управления
- 5 Реле переключения режима управления
- 6 Электромагнитный клапан 4-колесного управления
- 7 Световой индикатор рулевого управления четырьмя колесами
- 8 Электромагнитный клапан бокового движения
- 9 Световой индикатор бокового движения
- 10 Электромагнитный клапан бокового движения/4-колесного управления
- I I Электромагнитный клапан 2 -колесного управления
- 12 Световой индикатор рулевого управления двумя колесами (боковая консоль)
- I 3 Световой индикатор рулевого управления двумя колесами (передняя консоль)
Рулевое управление двумя колесами - Режим работы тормоза

- 1 Левый стоп-сигнал
- 2 Правый стоп-сигнал
- 3 Выключатель стоп-сигнала (язычкового типа)
- 4 Реле включения режима торможения четырьмя колесами
- 5 Селекторный переключатель режима работы тормоза
- 6 Электромагнитный клапан привода на четыре колеса/торможения четырьмя колесами
- 7 Автоматическое реле двухколесного привода
Рулевое управление всеми колесами - Режим работы тормоза

- 1 Левый стоп-сигнал
- 2 Правый стоп-сигнал
- 3 Выключатель стоп-сигнала (язычкового типа)
- 4 Реле включения режима торможения четырьмя колесами
- 5 Электромагнитный клапан привода на четыре колеса
- 6 Автоматическое реле двухколесного привода
- 7 Селекторный переключатель привода на четыре колеса
Вспомогательная гидравлическая система и система гидрозахвата

- 1 Реле захвата
- 2 Кнопочный переключатель на рычаге экскаватора
- 3 Электромагнитный клапан захвата
- 4 Селекторный переключатель вспомогательной гидросистемы
- 5 Электромагнитные клапаны переключения выдвигающейся лопаты
- 6 Электромагнитные клапаны молота
- 7 -
- 8 Реле молота
- 9 Бесконтактный переключатель ножной педали
- 10 Селекторный переключатель гидрозахвата
- I I Электромагнитный клапан гидрозахвата
- 12 Электромагнитный клапан силового бокового смещения (если имеется)
- I 3 Предупредительный зуммер
Просматривать и распечатывать в высоком качесте
полный объем электросхем - могут только пользователи

