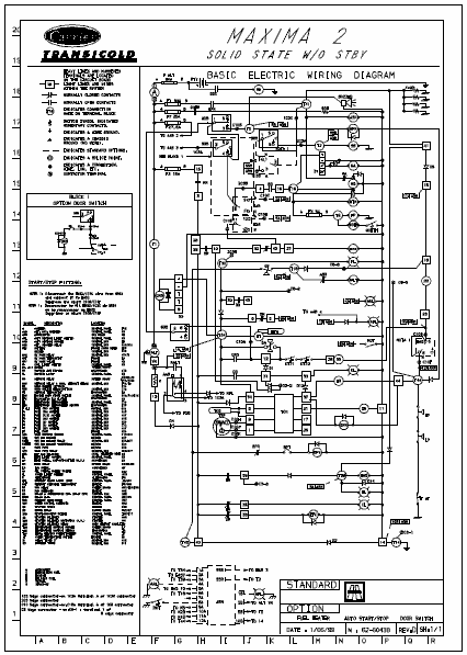
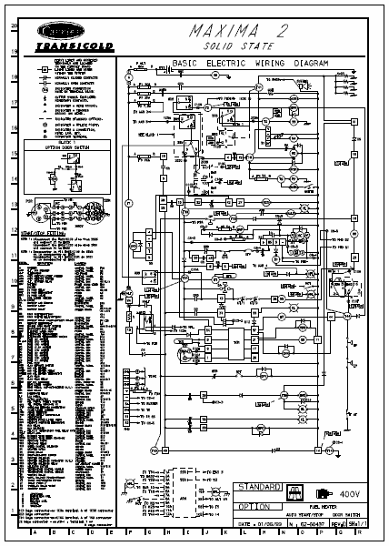
Электросхемы установки CARRIER Maxima 2
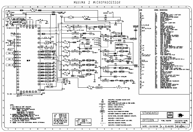
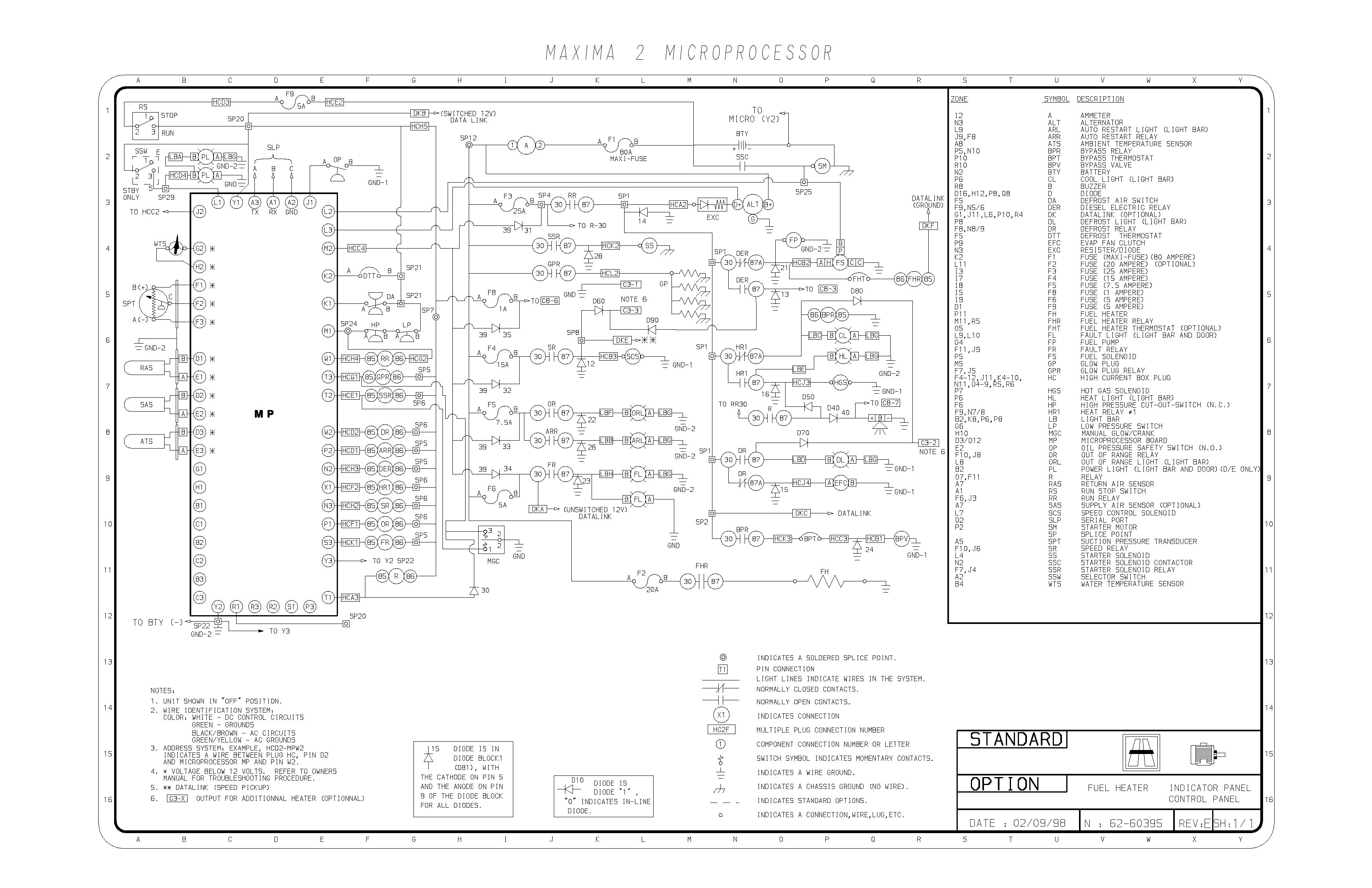
Расшифровка символов на электрической схеме Maxima 2 (микропроцессор)
- A – Амперметр
- ALT – генератор 12V
- ARL – Индикатор перезапуска (белый)
- ARR – Реле перезапуска
- ATS – Датчик наружной температуры
- BTY – аккумуляторная батарея 12V
- B – звуковой сигнал
- BPR – байпасное реле
- BPT – байпасный термостат
- BPV – байпасный вентиль
- CL – лампа режима охлаждения (белая)
- D – диод
- DA – воздушный датчик включения цикла оттайки
- DER – реле режима работы (дизельный/электрический)
- DK – система Datalink (спутниковая связь)
- DL – лампа режима оттайки (оранж.)
- DR – реле оттаивания
- DS – дверной выключатель
- DSR – реле дверного выключателя
- DTT – датчик завершения оттайки
- EFC – электромагнитная муфта вентиляторов испарителя
- EWP – электрическая помпа (принудительное охлаждение электромотора)
- F1 – основной предохранитель 80А
- F2 – предохранитель 20А
- F3 – предохранитель 25А
- F4 – предохранитель 15А
- F5 – предохранитель 7,5А
- F6 – предохранитель 5А
- F8 – предохранитель 1А
- F9 – предохранитель 5А
- F10 – предохранитель 5А
- FH – подогреватель топлива
- FHR – реле подогревателя топлива (доп)
- FHT – термостат подогревателя топлива (доп.)
- FL – индикатор отказа
- FP – электрический топливный насос
- FR – реле отказа
- FS – топливный соленоид
- GP – свечи накала
- GPR – реле свечей накала
- HC – разъем подключения сильноточных устройств
- HGS – соленоид горячего газа (3-ходовой вентиль)
- HL – лампа режима обогрева (оранж.)
- HP – реле высокого давления
- HR1 – реле обогрева 1
- IR – реле пускателя
- LB – доп. панель индикаторов
- LP – реле низкого давления
- MC1 – магнитный пускатель 1
- MC2 – магнитный пускатель 2
- MGC – тумблер ручного запуска
- MP – плата микропроцессора
- OP – датчик давления масла в дизеле (нормально открытый)
- OTP – тепловая защита электромотора
- OL – защита электромотора по току
- OR – реле выхода температуры из допуска
- ORL – индикатор выхода температуры из допуска
- PL – индикатор электропитания
- PHD – фазовый детектор
- PHR – фазовый инвертор
- PSR – розетка внешнего питания 380V/3/50Hz
- R – реле R
- RAS – датчик температуры воздуха на входе испарителя
- RS – тумблер пуск/стоп
- RR – реле включения агрегата
- SAS – датчик температуры воздуха на выходе испарителя
- SBM – стояночный электродвигатель
- SCS – соленоид изменения оборотов
- SLP – последовательный порт
- SM – стартер
- SP – точка соединения проводов
- SPT – датчик-преобразователь давления всасывания
- SR – реле скорости дизельного двигателя
- SS – обмотка втягивающего реле стартера
- SSC – контакты втягивающего реле стартера
- SSR – реле стартера
- SSW – тумблер выбора режима работы «дизельный/стояночный»
- WTS – датчик температуры дизеля




Расшифровка символов на электрической схеме Maxima 2 (электромеханическая)
- A – Амперметр
- AAB – защитный прерыватель
- ALT – генератор 12V
- ARL – Индикатор перезапуска
- ARM – Плата Старт-Стоп
- ASR – Защитное реле запуска генератора
- BTY – аккумуляторная батарея 12V
- B – звуковой сигнал
- BPR – байпасное реле
- BPT – байпасный термостат
- BPV – байпасный вентиль
- CL – лампа режима охлаждения (белая)
- D1 – D14 - диоды
- DA – воздушный датчик включения цикла оттайки
- DL – лампа режима оттайки (оранжевая)
- DR – реле оттаивания
- DS – дверной выключатель
- DSR – реле дверного выключателя
- DR0 – дополнительное реле оттайки (на таймере)
- DT – датчик останова цикла оттайки (два последовательно)
- EAS – тумблер автостарта
- EFC – электромагнитная муфта вентиляторов испарителя
- EWP – электрическая помпа (принудительное охлаждение электромотора)
- ET – электронный термометр
- ETS – датчик электронного термометра
- F – предохранитель 5А
- F1 – предохранитель 30А
- F2 – предохранитель 7,5А
- F3 – предохранитель 15А
- F4 – предохранитель 5А
- F5 – предохранитель 5А
- F7 – предохранитель 25А
- F8 – предохранитель 1А
- FP – электрический топливный насос
- GDS – тумблер «свечи накала/оттайка»
- GOH – подогреватель топлива (опция)
- GOHR – реле подогревателя топлива (доп)
- GOHTH – термостат подогревателя топлива (опция)
- GP – свечи накала
- GPR – реле свечей накала
- HGS – соленоид горячего газа (3-ходовой вентиль)
- HL – лампа режима обогрева (оранж.)
- HP – реле высокого давления
- HR – реле обогрева
- IR – реле пускателя
- LP – реле низкого давления
- MC – магнитный пускатель
- OP – датчик давления масла в дизеле (нормально открытый)
- OPS – датчик давления масла в дизеле (блокировка стояночной секции), (норм. закрытый)
- OTP – тепловая защита электромотора
- PL – индикатор электропитания
- PHD – фазовый детектор
- PSR – розетка внешнего питания 380V/3/50Hz
- R – резистор
- RFL – индикатор отказа при перезапуске
- ROT – термостат немедленного перезапуска (чтобы избежать переохлаждения дизеля)
- RR – реле включения агрегата
- RS – соленоид топливной заслонки
- RA – реле A (втягивающей обмотки топливного соленоида)
- RALT – реле генератора
- RTM – счетчик моточасов дизельного режима
- RTMS – счетчик моточасов стояночного режима
- SBM – стояночный электродвигатель
- SBR – реле стояночной секции
- SCS – соленоид изменения оборотов
- SM – стартер
- SR – реле контроля числа оборотов
- SRS – тумблер «стартер/включение/стоп»
- SS – обмотка втягивающего реле
- SSC – контакты втягивающего реле
- SSW – тумблер выбора режима работы «дизельный/стояночный»
- TCM – модуль контроля температуры (термостат)
- TCS – датчик температуры воздуха на входе в испаритель
- TR – тепловое реле
- TSP – потенциометр (установка заданной температуры)
- WT – датчик температуры охлаждения дизеля
- 31 – таймер задержки 2 сек.
- 32 – стояночный таймер задержки
- 33 – таймер оттаивания

