CASE - Farmall 95U, 105U, 115U (Pro EP)
Электросхемы


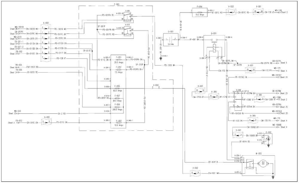
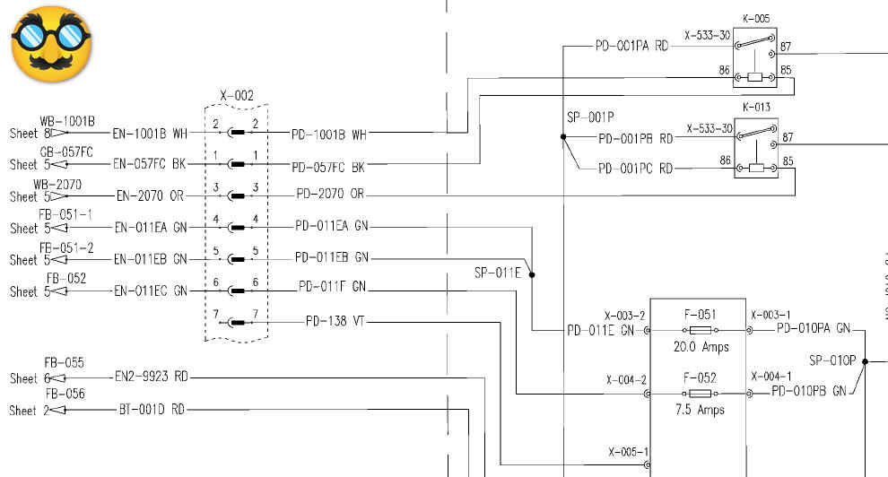
Wiring harnesses - Electrical schematic sheet 01 - STARTING, CHARGING, POWER DISTRIBUTION and FUSES
Component Connector Description
F-051 – Engine Control Unit (ECU) – Power supply (battery power supply)
F-052 – Engine Control Unit (ECU) – Power supply (battery power supply)
F-053 – Waste gate modulation solenoid, Lambda sensor
F-055 – Glow plug control module
F-056 – Battery power supply (main fuse)
F-057 – Start relay, Engine Control Unit (ECU) – Power supply relay
F-059 X-552 Permanent battery power supply (main fuse)
G-001 X-500, X-600 Battery
G-002 X-012, X-013 Alternator
K-005 – Start relay
K-013 – Engine Control Unit (ECU) – Power supply relay
M-003 X-010, X-011,
X-304 Starter motor
Q-001 X-008, X-009-A,
X-009-B Battery isolator
S-006 X-197 Battery isolator control switch
Z-083
X-003, X-004,
X-005, X-006,
X-007, X-014,
X-049, X-533
Power distribution unit
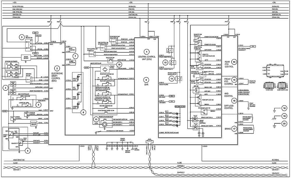
Electronic module Central Control Unit (CCU) - Electronic schema

1. Central Control Unit (CCU)
2. Electronic Draft Control (EDC)
3. Hydraulic master switch
4. Draft pin sensor left-hand and draft pin sensor right-hand
5. Multicontroller ( EDC control)
6. Hitch electronic control panel
7. Raise solenoid valve and lower solenoid valve (EDC)
8. EDC indicator light panel
9. Electro Hydraulic Remote (EHR) valve control
10. Multicontroller (EHR valve control and constant engine speed functionality)
11. Remote valve encoder
12. Front loader relay – valve 1 and front loader relay – valve 2
13. Backup alarm buzzer relay
14. Rear Power Take-Off (PTO) control
15. Front Power Take-Off (PTO) control
16. Four-Wheel Drive (4WD) control and differential lock control
17. Parking brake control
18. Sensor ground
19. Chassis ground
20. Power ground
Весь мануал смотри в