Электросхемы системы управления движением FR Mercedes VARIO
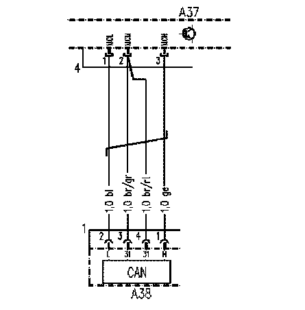
Шина данных CAN двигателя

- А37: Блок управления FR система управления движением
- А38: Блок управления MR система управления двигателем
- XI: Штекерное соединение (16-полюсное)
- Х4: Штекерное соединение (18-полюсное)
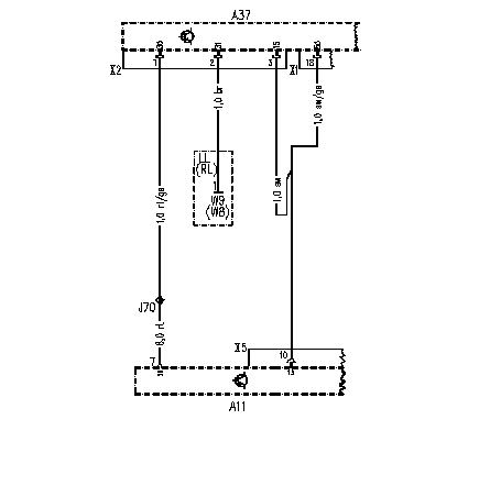
Электропитание блока управления FR

- А11: Центральный блок реле и предохранителей
- А37: Блок управления FR система управления движением
В1: Датчик педали газа

- А37: FR система управления движением
- В1: Датчик педали газа
- XF.F3 Штекерное соединение 3 'Кабина водителя - шасси' (со стороны водителя)
В21: Выключатель стоп-сигналов

- А37: FR система управления движением
- В21: Выключатель стоп-сигналов
В37: Датчик температуры наружного воздуха

- А37: FR система управления движением
- В37: Датчик температуры наружного воздуха
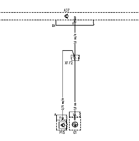
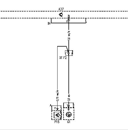
G1: Генератор

- А37: FR система управления движением
- G1: Генератор
- Р15: Комбинация приборов
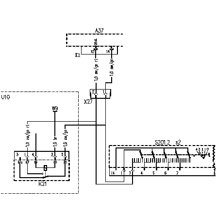
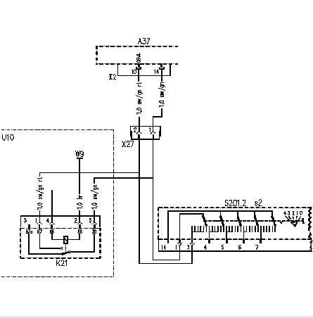
К21: Реле 'Моторный тормоз'

- А37: Блок управления FR система управления движением
- К21: Реле 'Моторный тормоз'
- S201.2s2 Выключатель 'Тормоз-замедлитель (ретардер)'
- U10: Связь рабочего и моторного тормоза
- W9: Точка массы на консоли справа
- Х27: Штекерное соединение 'Моторный тормоз'
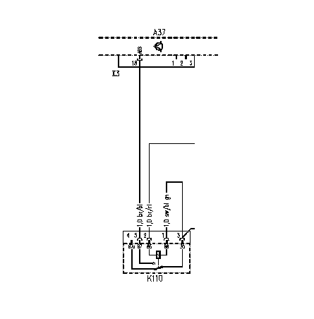
К110: Реле 'Отключение ABS'

- А37: Блок управления FR система управления движением
- К110: Реле 'Отключение ABS'
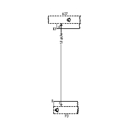
РЗ: Тахограф

- А37: Блок управления FR система управления движением
- РЗ: Тахограф
Р15: Комбинация приборов

- А37: FR система управления движением
- G1: Генератор
- Р15: Комбинация приборов
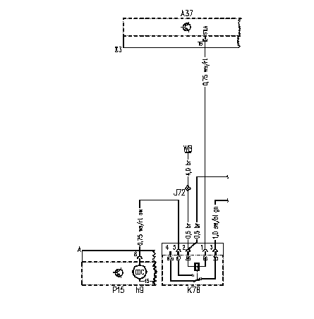
P15h9: Контрольная лампа FR

- A11: Центральный блок реле и предохранителей
- А37: Блок управления FR система управления движением
- J72: Концевая муфта точки массы на консоли слева
- К78: Реле Контрольная лампа FR
- W8: Точка массы на консоли слева
- Р15h9: Контрольная лампа FR
S68: Выключатель АКБ

- А11: Центральный блок реле и предохранителей
- А37: Блок управления FR система управления движением
- J82: Концевая муфта
- S68: Выключатель АКБ
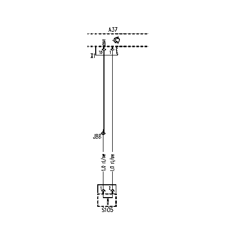
S105: Датчик педали сцепления

- А37: Блок управления FR система управления движением
- J86: Концевая муфта Датчик сцепления
- S105: Выключатель 'Педаль сцепления'
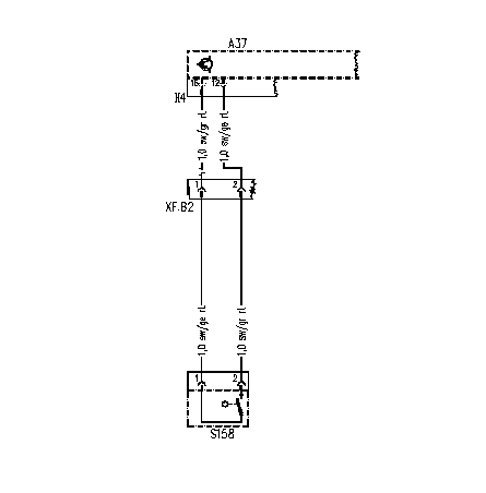
S158: Выключатель 'Нейтральное положение'

- А37: Блок управления FR система управления движением
- S158: Выключатель 'Нейтральное положение'
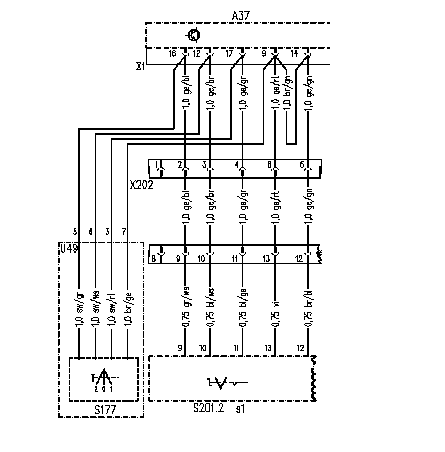
S201.2sl: Выключатель Темпомат

- А37: Блок управления FR система управления движением
- S177 Выключатель 'Переменная система регулировки рабочего числа оборотов' (24 В)
- S201.2sl Выключатель Темпомат
- U49: Действительно для системы регулировки рабочего числа оборотов МТ5
- Х202 Штекерное соединение Правый выключатель на рулевой колонке
S201.2s2: Выключатель 'Тормоз-замедлитель (ретардер)'

- А37: Блок управления FR система управления движением
- К21: Реле 'Моторный тормоз'
- S201.2s2 Выключатель 'Тормоз-замедлитель (ретардер)'
- U10: Связь рабочего и моторного тормоза
- W9: Точка массы на консоли справа
- Х27: Штекерное соединение 'Моторный тормоз'
Y6: Электромагнитный клапан 'Моторный тормоз 1'

- А37: Блок управления FR система управления движением
- XF.B7 Штекерное соединение 7 'Кабина водителя - шасси' (со стороны водителя)
- Y6: Электромагнитный клапан 'Моторный тормоз 1'