Электронный блок управления впрыском EMS2 RENAULT
БЛОК-СХЕМА EMS 2

ЭЛЕКТРОННЫЙ БЛОК УПРАВЛЕНИЯ ВПРЫСКОМ
Электронный блок управления впрыском EMS2 — новый, он получает питание от силового реле, которым управляет процессор VECU одновременно с тахографом и блоком BBM (если последний входит в комплектацию). Кроме того, он обменивается информацией с другими э.б.у. через шину связи J1939/1, а в ограниченной конфигурации при неполадках — через J1587.
ПРИМЕЧАНИЕ:
Э.б.у. поставляется незапрограммированным, поэтому он не может разрешать запуск двигателя, пока его не запрограммируют через компьютер DIAG NG3.
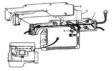
МЕСТОНАХОЖДЕНИЕ
Э.б.у. прикрепляется к двигателю. У него 2 разъема (зеленого цвета). Блок охлаждается дизтопливом, проходящим через специальный охладитель (оранжевого цвета).

ФУНКЦИИ
В электронном блоке управления впрыском EMS заложены новые функции, которых не было в э.б.у. EECU двигателей DCI и ETECH.
ПРИМЕЧАНИЕ:
Функцией индикации включенной передачи (DMS) теперь управляет EMS (до э.б.у. управления автомобилем). Этим обеспечивается более быстрый вывод информации на дисплей по всем передачам (включая задние).

Как и в двигателях E.TECH, вентилятор управляется блоком EMS в зависимости от температуры охлаждающей жидкости, включения замедлителей на трансмиссии, а также давления хладагента кондиционера. Кроме того, на основании данных о работе компрессора, температуре наружного воздуха и скорости автомобиля блок VECU может передать EMS запрос включения вентилятора, чтобы улучшить охлаждение воздуха, поступающего из компрессора.
УПРАВЛЯЕМЫЙ СТАРТЕР
Стартером управляет EMS2. Благодаря этому добавляется функция защиты стартера при неправильном
использовании, а также возможность дистанционного пуска двигателя при помощи BBM в безопасном
режиме.

В целях обеспечения дополнительной безопасности при включении стартера его реле, управляемое EMS (-), запитывается (+) при помощи второго реле, активируемые сигналом от блока VECU.
В соответствии с этим EMS не включает стартер в следующих условиях:
– задействована блокировка впрыска топлива (иммобилайзер)
– работает двигатель
– не одинаковый VIN в памяти блоков APM, VECU и EMS
– включена передача
– перегрев стартера (определяется путем вычисления по времени активации)
– неисправный датчик распредвала и маховик двигателя.
При выполнении одного из этих условий максимальное время активации зависит от температуры охлаждающей жидкости (ориентировочно, максимальное время порядка 30 секунд при температуре – 40°C и около 10 секунд при температуре выше 0°C). При превышении нормального времени активации стартера на дисплее появляется соответствующее указание (обратный счет времени).
Новое: предусмотрен специальный аварийный режим (Safety Mode), который позволяет вручную запустить стартер. Стартер активируется на протяжении всего времени, пока ключ зажигания остается в замке в положении стартера, кроме следующих случаев:
двигатель работает, задействован иммобилайзер или ошибка при контроле номера шасси (VIN).
Примечание: этот аварийный режим необходимо использовать при выполнении теста компрессии.
ОГРАНИЧЕНИЕ СКОРОСТИ АВТОМОБИЛЯ
В новой системе скорость автомобиля непосредственно ограничивается блоком EMS (прежде эту функцию выполнял VECU). Уменьшение порога ограничения или считывание текущей величины ограничения выполняется при помощи диагностического компьютера и программы Diag NG3.

ДАТЧИКИ
МЕСТОНАХОЖДЕНИЕ

1 Датчик давления газов в картере
2 Датчик скорости вентилятора
4 Датчик распредвала
5 Датчик давления масла
6 Датчик давления и T° воздуха
8 Датчик T° охлаждающей жидкости
9 Датчик маховика двигателя
10 Датчик давления дизтоплива
11 Датчик наличия воды
12 Датчик уровня и температуры масла
Большинству датчиков соответствуют электрические разъемы, находящиеся под крышкой двигателя, которую следует снимать при каждой проверке электрических соединений.

ДАТЧИКИ
ФУНКЦИОНИРОВАНИЕ:
Примечание: Некоторые датчики могут иметь общие цепи питания.
Неисправность самого датчика или его цепи питания может привести к нескольким неисправностям одновременно. Исполнительные устройства, зависящие от EMS, управляются «электрическим нулем» («массой»)
Датчики / Тип / Назначение / Схема
- Датчик пьезоэлектрический
- Пьезоэлектрический
- Предупредить водителя о механической неисправности двигателя.

- Датчик скорости вентилятора
- Датчик Холла
- Контроль скорости вентилятора. В случае неполадки вентилятор включается принудительно.

- Датчики распредвала и маховика
- Индуктивный
- Информация о режиме двигателя и положении коленвала для регулировки опережения при впрыске или проверке порядка впрыска Возможность впрыска только с одним датчиком.

- Датчик давления масла
- Пьезоэлектрический
- Предупредить водителя о нехватке давления масла. На панели приборов манометр давления масла отсутствует.

- Датчик давления и температуры воздуха
- Пьезоэлектрический, с переменным сопротивлением
- Настройка расхода и опережения впрыска. Цепь питания 5 вольт, общая с датчиком вентилятора. Это может привести к постоянному включению вентилятора, а размыкание цепи может привести также к дыму из выхлопной трубы.

- Датчик температуры охлажающей жидкости
- С переменным сопротивлением
- Настройка расхода и опережения впрыска, управление вентилятором, включение преднагрева воздуха и время действия управляемого стартера. Без индикации на панели приборов.

- Датчик давления дизтоплива
- Пьезоэлектрический
- Предупреждение водителя о нехватке давления в топливном контуре низкого давления. Водитель предупреждается о неполадках с давлением.

- Датчик давления охлаждающей жидкости
- Электродный
- Предупреждение водителя о наличии воды в дизтопливе. Позволяет включить дренаж воды.

- Датчик уровня и температуры масла
- Нить накаливания и переменное сопротивление
- Функция предупреждающей сигнализации и расчет времени техобслуживания.

- Датчик положения педали акселератора
- Потенциометр и концевой выключатель
- Потенциометр подключен к VECU. Передает сигналы по J1587 и J1939/1. Действие акселератора прекращается, если обе шины неисправны. Однако перед тем как остановить двигатель, можно перейти от холостых оборотов до 900 оборотов в минуту за счет сигнала LIMP от блока VECU.

- Останов двигателя
- Выключатель
- Позволяет остановить впрыск топлива нажатием на кнопку СТОП, смонтированную на корпусе двигателя. Этот выключатель не может помешать пуску и не останавливает двигатель, если автомобиль находится в движении.

- Датчик атмосферного давления
- Пьезоэлектрический, встроен в ЭБУ
- Позволяет скорректировать расход дизтоплива по высоте над уровнем моря. Может привести к появлению дыма.
Цепи питания / Назначение / Схема
- Положительная
- EMS получает электропитание от реле мощности, которым управляет блок VECU. Это же реле запитывает некоторые исполнительные устройства.

- Отрицательная
- "Электрический нуль" от EMS является общим для нескольких каналов.

Исполнит. устройства / Тип _ местонахождение / Назначение _ Функционирование / Схема
- Форсунки
- Электроклапан
- Форсунки управляются двумя сериями по три цифры через одну и ту же электрическую цепь плюс 80 вольт. Возможно тестирование цилиндров.

- Удаление воды
- Электроклапан под фильтром грубой очистки
- Электроклапан, встроенный в фильтр тонкой очистки, обеспечивает удаление воды, обнаруженной датчиком наличия воды.

- Управление вентилятором
- Электроклапан, встроенный в вентилятор
- Позволяет регулировать скорость вентилятора. В случае разрыва цепи вентилятор работает непрерывно.

- Преднагрев воздуха
- Реле, установленное в батарейном ящике
- Позволяет включить преднагрев воздуха, если температура ниже 20°C. Цепь питания контролируется блоком EMS через провод диагностики.

- Стартер
- Реле рядом со стартером
- Обеспечивает управление стартером от EMS.

- Замедлители на выхлопе и на клапанах
- Электроклапан, установленный на блоке двигателя на стороне впуска или под крышкой головки блока
- Позволяет изменять давление воздуха для открытия/закрытия заслонки на выхлопе или активировать компрессионный тормоз на клапанах.

- Электронасос
- Двигатель
- Включается водителем для продувки или дренажа воды.

- Подогрев дизельного топлива
- Термосопротивление, установленное в фильтре грубой очистки топлива
- Это сопротивление не управляется EMS, но включается от биметаллической пластины при температуре ниже 60°C.
Внимание! При отсутствии топлива в фильтре грубой очистки необходимо его вынуть.
