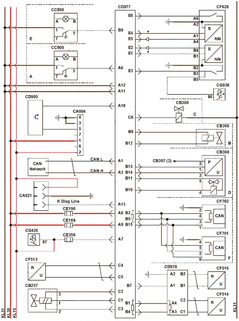
Электросхема EBS 2 DAF XF105



CD977 ECU

CF628

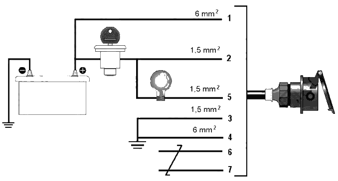
CA004 ISO 7638

CB308

CB306

CF702

CF701

CE190 / CE189 / CE350

CG426 / CG036

CD978

CF515 / CF512 / CF513 / CF514

CB257

CB307

CB256

Подписывайтесь на наш канал в Telegram и будьте всегда в курсе самых последних сообщений и публикаций с сайта. |
















