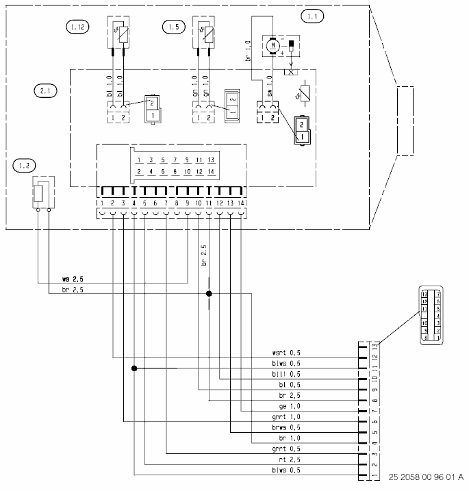
Заводские установки Eberspächer на IVECO
D1LC compact / D3LC compact IVECO Euro-Star
25 2058 05 00 00, 25 1977 01 00 00, 25 2059 05 00 00, 25 1981 01 00 00
D1LC


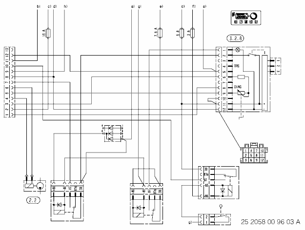
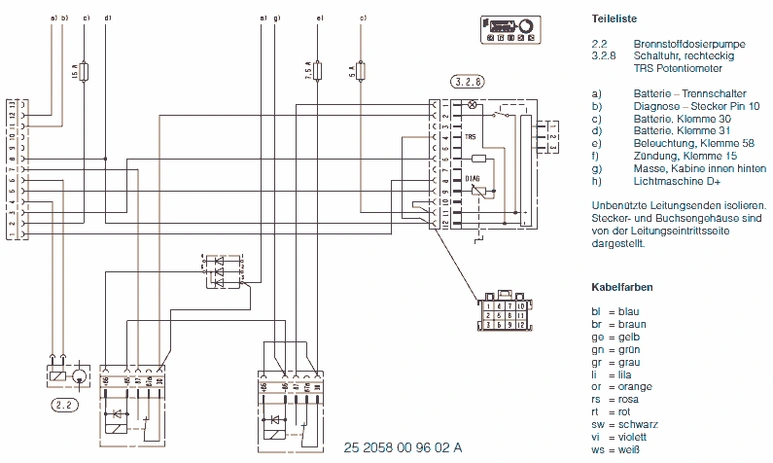
AIRTRONIC / AIRTRONIC M IVECO Stralis AT / AD / AS
25 2203 05 00 00, 25 2204 05 00 00, 25 2203 05 00 00, 25 2204 05 00 00


