Полное описание погрузчика ПК 46
(схемы и инструкции по ремонту)
Схема гидравлическая принципиальная

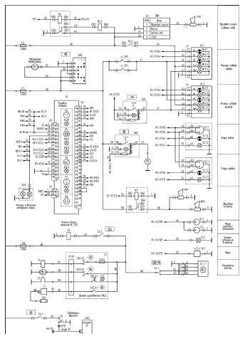
Схема электрическая принципиальная


- A1 Щиток управления для ПЖД-30 ПУ30.1 РИВП.453845.004
- А2, А3 Пластина диодов ВДС25.41.01.100
- А4 Блок контрольных ламп БКЛ10.1-03 РИВП.453687.003-03ТУ
- А5 Рулевая колонка HP-KP.24V-001
- BK1, BK2 Датчик указателя температуры ТМ100-В ТУ 37.003.1036-80
- BK3 Датчик-сигнализатор температуры ТМ111 ТУ 37.003.569-90
- B1 Датчик уровня топлива ДТ7.2 РИВП.453845.004 ТУ
- BP1 Датчик указателя давления ММ370 ТУ 37.003.952-79
- BP2 Датчик указателя давления 11.3829 ТУ 37.003.952-79
- BP3 Датчик указателя давления 18.3829 ТУ 37.003.952-79
- BP4 Датчик-сигнализатор засоренности масляного фильтра двигателя
- BP5 Датчик-сигнализатор засоренности воздушного фильтра двигате-ля 131.3839 ТУ 37.003.1186-89
- BP6, BP7 Датчик-сигнализатор давления ММ124Д ТУ37.003.546-76
- BP8 Датчик-сигнализатор давления ММ111Д ТУ311-00225621.151-93
- E1 Свеча подогрева топлива
- EK1 Свеча зажигания
- EL1 Левая фара 05.483.000
- EL2 Правая фара 05.479.000
- EL3, EL4, EL9, EL10 Фара рабочая 8724.304/301
- EL5 Плафон ПТ 37-3М ТУ16-676-168-86
- EL6, EL7 Лампа подкапотная ПД308Б
- EL8 Фонарь освещения номерного знака ФП134Б ТУ37.003.675-82
- F1 Вставка плавкая ПВ-60АС ТУ16.522.001-82
- F2, F6-F8 Вставка плавкая ПВ-30 ТУ16.522.001-82
- F4, F5, F12 Вставка плавкая ПВ-2 ТУ16.522.001-82
- F3, F9-F11 Вставка плавкая ПВ-10 ТУ16.522.001-82
- G Генератор 1702.3771 ТУ37.003.790-77
- GB1, GB2 Батарея аккумуляторная 6СТ-190А ТУ 16-729.384-83
- HA1, HA3 Сигнал звуковой С313 ТУ 37.003.688-75
- HA2 Сигнал звуковой С314 ТУ 37.003.688-75
- HL1, HL2 Фонарь задний 171.3716010-01 ГОСТ6964-72
- HL3 Маяк проблесковый "Спектр24М" ТУ4573-028-36904622-02
- HL4 Фонарь контрольной лампы 123.380.1010 ТУ37.003.293-72
- K1-К7 Реле электромагнитное 901.3747 ТУ 37.003.1418-94
- KM1, KM2 Контактор КТ129 ГОСТ 3940-84
- KВ1 Реле-прерывистой сигнализации РПС24.2 РИВП.453747.002 ТУ
- KV1 Реле-регулятор напряжения Р2712.3702 ГОСТ 3940-84
- L1 Транзисторный коммутатор с катушкой зажигания в сборе ТК 107А ТУ 37.003.484-78
- M1 Стартер 2501.3708-01 ГОСТ 3940-84
- М2, М3 Моторедуктор стеклоочистителя 6002.3730А
- M4 Электродвигатель вентилятора 526-8104210 ГОСТ 7402-84
- M5 Электродвигатель отопителя кабины ОС-7
- M6 Электродвигатель жидкостного подогревателя
- M7 Электродвигатель накрышного вентилятора
- P1, P7 Приемник указателя давления 33.3810 ТУ 37.003.703-79
- P3 Приемник указателя давления 11.3810 ТУ 37.003.387-78
- P2, P4 Приемник указателя темературы 36.3807 ТУ 37.003.615-79
- P5 Указатель уровня топлива УБ170М ТУ 37.003.614-79
- P6 Тахометр 253.3813 ТУ 37.003.1251-85
- P8 Счетчик моточасов/вольтметр УК34.2 РИВП.453895.006 ТУ
- PnHn Патрон лампы ЛВ211-3714.326 ТУ 37.003.689-75
- QS1 Выключатель массы 1410.3737 ТУ 37.003.574-74
- S4 Блок клавишных выключателей 53.3710-02.17 ТУ 37.003.1201-83
- SA1 Клавишный переключатель П147-06.12 ТУ 37.003.701-75
- SВ1 Выключатель 3842.3710-08.39 ТУ 37.003.1222-84
- SB2 Выключатель 3842.3710-11.00 ТУ 37.003.1222-84
- SB3 Выключатель 3842.3710-02.13 ТУ 37.003.1222-84
- SB4 Выключатель 3842.3710-02.04 ТУ 37.003.1222-84
- SP1, SP2 Датчик-сигнализатор давления ММ125Д ТУ 311-00225621.151-93
- SQ1 Выключатель ВК503 ТУ 37.469.177-79
- SQ2 Выключатель ВК403А ТУ 37.003.188-76
- XS1 Розетка ПС-400 ТУ 16-93ИЖЦМ.43.4434.002 ТУ
- Y1 Электромагнитный клапан
- Y2 Электромагнитный клапан блока питания HC-SE2
- - Световозвращатели ФП311-02 ТУ 37.003.079-80
Все описания и инструкции в