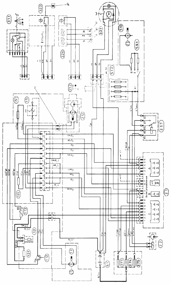
Автономный жидкостный отопитель Eberspacher B7W - D7W

- 1.1 Электродвигатель горелки
- 1.1.1 Резистор для работы с частичной нагрузкой
- 1.2.1 Резистор сеечи накаливания
- 1.5 Датчик перегрева
- 1.5.1 Плавкий предохранитель
- 1.12 Индикатор пламени
- 1.13 Термодатчик
- 2 1 Блок управления
- 2.2 Дозировочный насос
- 2.5.7 Реле для включения вентилятора автомобиля
- 2.7.1 Плоский предохранитель на 15 А для отолителя (круглый предохранитель на 8 А)
- 2.7.4 Плоский предохранитель на 20 А для свечи накаливания (круглый предохранитель на 16 А)
- 2.7.5 Плоский предохранитель на 25 А для вентилятора автомобиля (круглый предохранитель на 25 А)
- 2.12 Водяной насос
- 3.1.1 Универсальный выключатель
- 3.1.2 Выключатель режима «Отопление»
- 3.2 1 Таймер, аналоговый
- 3.2.3 Таймер, цифровой, квадратный
- 3.2.4 Таймер, цифровой, прямоугольный
- 5.1 Аккумуляторная батарея
- 5.1.2 Коробка предохранителей автомобиля
- 5.9.1 Выключатель вентилятора автомобиля
- 5.10 Вентилятор автомобиля
Измерение напряжения:
между разъемами блока управления А (зажим 4) и С (зажим 6).
Цвета кабелей:
rt — красный, Ьг — коричневый, sw — черный, gn — зеленый, ge — желтый, vi - фиолетовый,
gr — серый

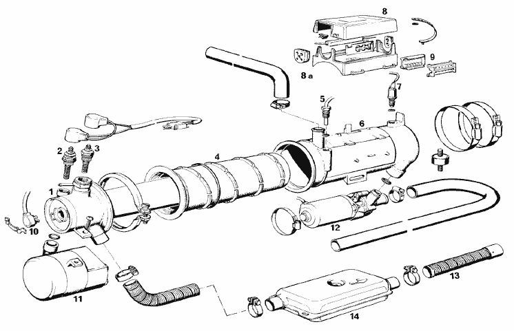
1 Горелка
2 Дополнительный резистор
3 Свеча накаливания
4 Теплообменник
5 Термодатчик
6 Кожух
7 Датчик перегрева
8 Защитный кожух
8а Консоль
9 12 -контактный разъем
10 Индикатор
11 Нагнетатель воздуха сгорания
12 Водяной насос
13 Выхлопная труба
14 Глушитель
Измерение расхода топлива
Внимание! Измерять расход топлива только при хорошо заряженной аккумуляторной батареи. Во время измерения на блок управления необходимо подать не менее 11/22 8 и не более 13/26 В.
1. Подготовка
Отсоединить свечной наконечник под защитным кожухом и подключить контрольную лампу.
Отсоединить топливопровод от отопителя и подать его в мензурку (объем 25 см8).
Подключить вольтметр к зажиму 6 (+) 8-контактного разъема и к зажиму 4 (—) 6-контактного разъема блока управления.
Включить отопитель.
При равномерной подаче топлива (2S-55 секунд после включения) топливопровод будет заполнен и воздух из него будет удален.
Выключить отопитель и вылить топливо из мензурки.
2. Измерение
Включить отопитель.
Подача топлива начинается по истечении 25-55 секунд поспе включения отопителя.
Во время измерения держать мензурку на высоте свечи.
Определить значение напряжения по вольтметру.
По истечении 90 секунд автоматически прекращается подача топлива.
Выключить отопитель.
Определить количество топлива в мензурке.

3. Оценка результата
Полученные значения внести в соответствующую диаграмму ниже.
Расход топлива считается правильным, если точка пересечения обоих значений находится в диапазоне
предельных кривых.
В ином случае необходимо заменить топливный дозировочный насос.

Сгорание топлива с образованием сажи
Причина неисправности
Застопорен трубопровод, подводящий воздух для сгорания или газоотводящий трубопровод.
Излишняя подача топлива дозировочным насосом.
Пониженная частота вращения нагнетателя воздуха сгорания.
Отложения сажи в теплообменнике.
Устранение неисправности
Прочистить трубопроводы.
Замерить расход топлива.
Заменить нагнетатель.
Демонтировать и прочистить теплообменник.