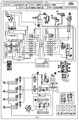
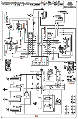
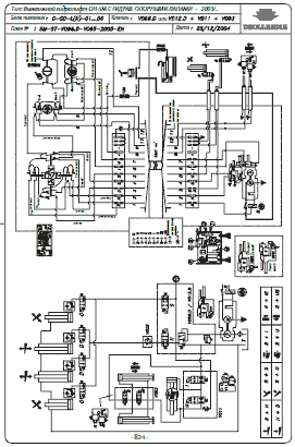
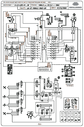
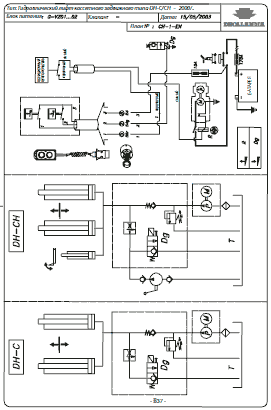
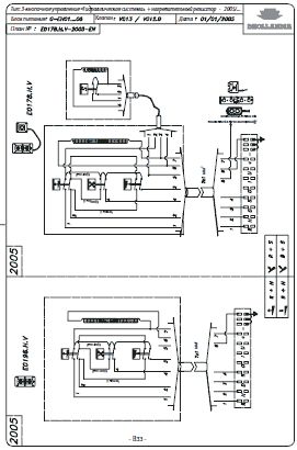
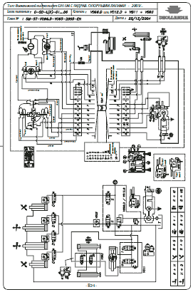
Автомобильные подъемники DHOLLANDIA
(Скользящий подъемник, Стандартный консольный подъемник, Скрытый подъемник)

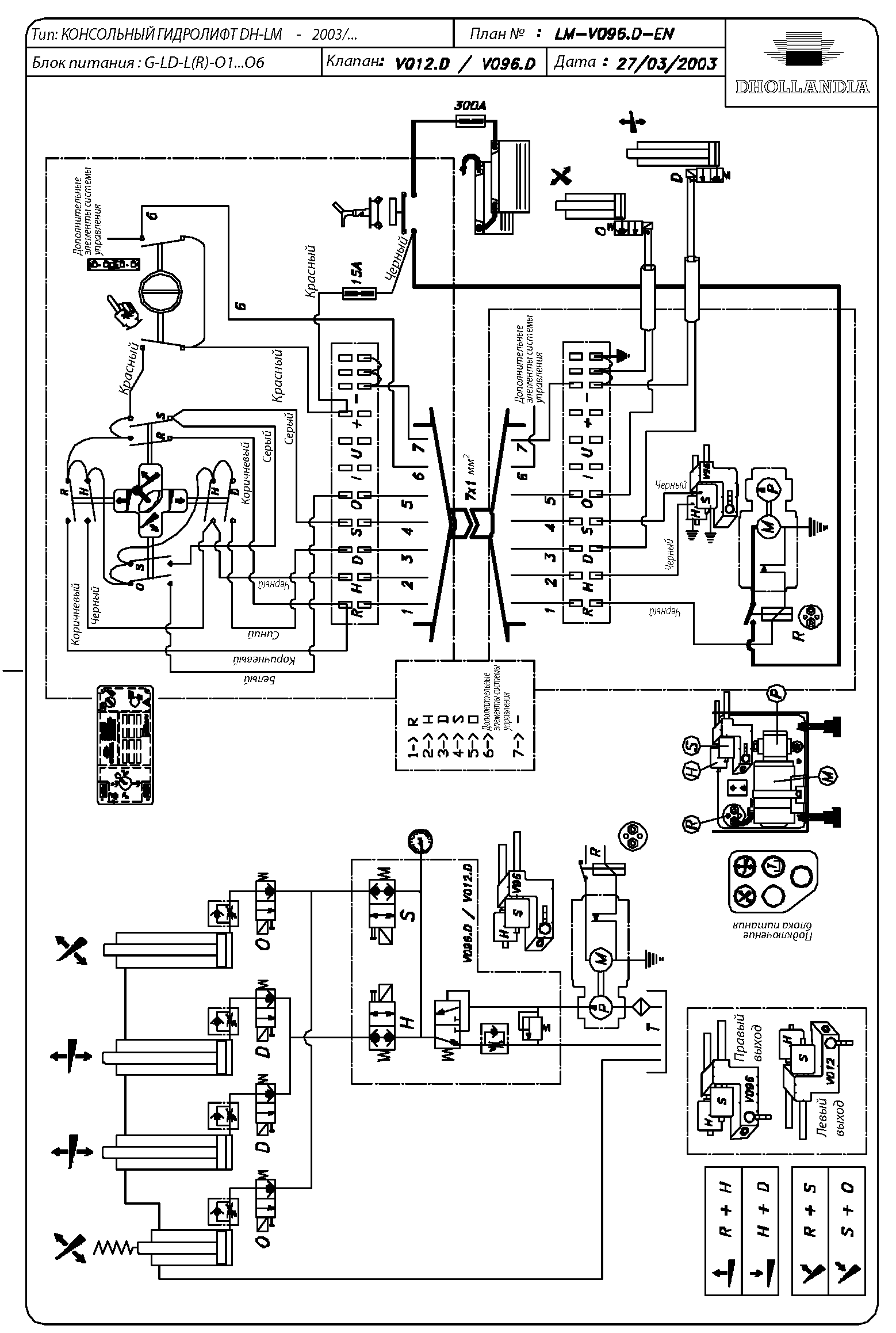
Легенда к схемам электрического и гидравлического оборудования
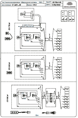
Что такое термический контакт?
Заземление электромагнита стартёра проходит через термальный контакт, встроенный в мотор.
Этот термальный контакт прерывает заземление электромагнита стартёра, как только двигатель
нагревается.



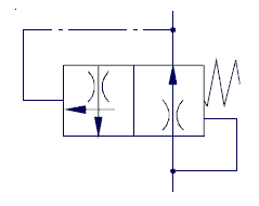
Клапан безопасности одностороннего действия V36 - V37

Клапан безопасности двустороннего действия V41 - V42

Тормозной клапан по давлению

Логический 3-линейный клапан

Обратный клапан

Поворотный цилиндр с внутренней пружиной сжатия для открывания платформы

Поворотный цилиндр со внешней натяжной пружиной для открывания платформы

Поворотный цилиндр с гидравлической системой управления

Одинарный контакт Нормально замкнутый

Одинарный контакт Нормально открытый

Крестовый переключатель (джойстик)

Электромагнит стартёра

Термальный контакт

Масляный вакуум-фильтр

Гидравлический насос + направление
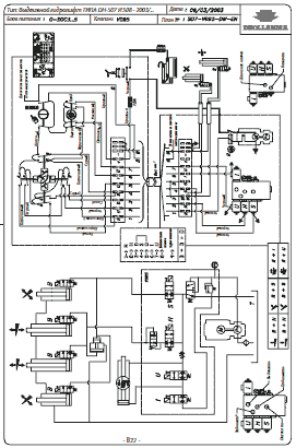
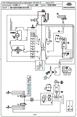
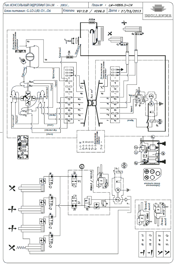
Схемы









