ТАХОГРАФ КАСБИ DT-20М (инструкция по ремонту)
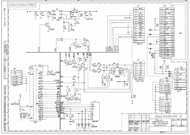
Описание схемы электрической принципиальной БУ

Питание тахографа осуществляется от бортовой сети автомобиля с номинальным напряжением 12В либо 24В.Полный диапазон питающего напряжения от 10В до 33В. В схеме питания тахографа реализовано 3 различных уровня напряжения: 8В, 5В, 3.3В.
Напряжение 8В обеспечивается стабилизатором DA3 и используется для питания схемы управления ТПУ, механизма выбрасывания карт из картридеров, навигационного модуля, датчика скорости и дополнительного внешнего оборудования.
Напряжение 5В обеспечивается стабилизатором DA1 и используется для питания схемы управления ТПУ, индикатора, смарт карт, преобразователя RS-232.
Напряжение 3.3В обеспечивается стабилизатором DA2 и используется для питания процессора, микросхем памяти, таймера.
В тахографе предусмотрена схема защиты питания. Защитный диод VD10 предохраняет схему от скачков напряжения. Диод VD7 предназначен для защиты от переполюсовки. Предохранитель F2 защищает от короткого замыкания в схеме тахографа.
Индуктивность L2 используется для фильтрации высокочастотных помех по цепям питания.
Схема тахографа выполнена на базе процессора STM32F215 (DD5). Процессор является главным управляющим звеном схемы.Тактовая частота для работы процессора задается кварцем В1(25МГц). Запуск процессора осуществляется сигналом цепи RST, состоящей из элементов С25, R62.
Отсчет системного времени задается таймером DD8. Для обеспечения питания таймера при отсутствии внешнего напряжения используется батарейка GB1(CR2032).
Для хранения параметров, настроек и данных, регистрируемых тахографом, используется энергонезависимая память FLASH (DD7) и FRAM(DD9).
Управление шаговым двигателем ТПУ осуществляется процессором через драйвер, реализованный на транзисторах VT14, VT16, VT19-VT22 и микросхемах DA9-DA12. Питание данной схемы коммутируется микросхемой DA5. Так же через DA5 осуществляется управление включением индикатора.
У индикатора есть встроенный микропроцессор, который запитывается напряжением 3.3В, подсветка индикатора работает от 5В.
Для преобразования импульсов сигнала датчика скорости используется схема формирования на транзисторе VT4 и коммутируется микросхемой DD6.
Преобразователь CAN-интерфейса (DA4) и преобразователь интерфейса RS232 (DA13) используются для согласования сигналов процессора и внешних устройств по уровню.
Для защиты интерфейса USB от статического электричества используется микросхема DA15.
Для управления питания картридеров используются полевые ключи DA7. Для управления механизмом выбрасывания карт используется микросхема DA8.
Контроль включения/выключения зажигания, а так же отключения питания осуществляется при помощи оптрона DA6.
Микросхемы DD1, DD2, DD4 используются для логического преобразования цифровых сигналов.
Для звукового оповещения водителя используется зуммер HA. Управление им осуществляется через транзистор VT17.
Красным цветом на схеме обозначены контрольные точки:
А - входное напряжение питания. Если оно отсутствует, необходимо проверить защитный диод VD10.
B - входное напряжение питания. Если оно отсутствует, необходимо проверить предохранитель F2.
С - входное напряжение с клеммы замка зажигания.
D - при отсутствии или превышении напряжения 1,7±0,5В необходимо заменить оптрон DA6
E - при отсутствии или превышении напряжения 1,2±0,5В необходимо заменить оптрон DA6
F - напряжение +8В, при отсутствии напряжения проверить стабилизатор DA3, защитный диод VD-12
G - напряжение +5В, при отсутствии напряжения проверить стабилизатор DA1
H - напряжение +3,3В, при отсутствии напряжения проверить стабилизатор DA2, процессор DD5 на наличие замыкания по цепям питания.
I - сигнал сброса процессора.
J - питание ТПУ +8B, при отсутствии напряжения заменить микросхему DA5.
K - питание индикатора +5В, при отсутствии напряжения заменить DA5.
L, M - напряжение питания смарт-карт +5В, при отсутствии напряжения заменить микросхему DA7
N, O - импульс, управляющий выбрасыванием карт из картридеров (длительность 20мс, амплитуда 8В). При отсутствии импульса (постоянное напряжение +8В, отсутствие напряжения) заменить микросхему DA8.
P - регулировка контрастности индикатора, напряжение -9В
Описание схемы электрической принципиальной навигационного модуля

Навигационный модуль предназначен для установки на него блока СКЗИ. Блок СКЗИ подключается к разъему XS2. Так же блок СКЗИ подключается к БУ тахографа через разъем XS3. Навигационный модуль подключается к БУ тахографа через разъем XS1. Разъем XW1 служит для подключения GSM антенны. Разъем XW2 служит для подключения антенны ГЛОНАСС/GPS.
В исполнении тахографа с функцией мониторинга на навигационный модуль устанавливают GSM-модем А1, усилитель гарнитуры голосовой связи DA2, держатель SIM-карты А2, разъем для подключения гарнитуры и тревожной кнопки XP1.
Питание навигационного модуля осуществляется от цепи БУ тахографа +8В. На навигационном модуле установлен стабилизатор DA1, который формирует напряжение +4,1В для питания элементов навигационного модуля и блока СКЗИ.
Полное описание смотрите в