Функциональное описание системы MAN TGA HydroDrive
Системная структура HydroDrive® (электрика)

- (A302) Центральный компьютер 2
- (A407) Приборная панель с многофункциональной индикацией блокировок дифференциала (A447)
- (A626) Блок управления HVA
- (B551) Датчик температуры масла HVA
- (B620) Датчик давления масла HVA
- (M196) Вентилятор охлаждения масла HVA
- (S185) Выключатель индикации блокировки дифференциала поперечного заднего моста
- (S571) Переключатель блокировки дифференциала
- (Y145) Магнитный клапан блокировки дифференциала поперек заднего моста
- (Y384) Электромагнитный клапан сцепления HVA
- (Y385) Главный клапан 1 HVA
- (Y386) Главный клапан 2 HVA
- (Y387) Клапан питательного насоса HVA
- (I-CAN) Шина данных CAN приборной панели
- (T-CAN) Шина данных CAN трансмиссии
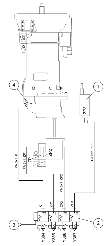
План распределения функций пневматики

- (1) Комбинированный блок
- (2) Блок электромагнитных клапанов с Y384, Y385, Y386 и Y387
- (3) Резерв потребителей (контур 4)
- (4) Разъем переключаемого под нагрузкой разделительного сцепления для привода насоса
ZP1, ZP2 и ZP3 — это разъемы пневматики
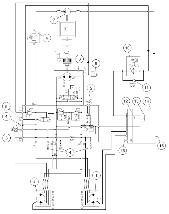
План распределения функций гидравлики

- (1) Мотор-колесо слева
- (2) Мотор-колесо справа
- (3) Датчик давления масла (B620)
- (4) Точки M1-M4 измерения гидравлики
- (5) Разъемы пневматики ZP1, ZP2 и ZP3
- (6) Напорный фильтр
- (7) Питательный насос
- (8) Гидронасос HD 100 куб. см. с управляющим блоком
- (9) Датчик температуры масла (B551)
- (10) Вентилятор охлаждения масла (M196)
- (11) Обратный клапан 1 бар 18 л
- (12) Масло гидросистемы HLP46 DIN 51524
- (13) Табличка с обозначением масла гидросистемы HLP46
- (14) Масляный бачок 20 л
- (15) Пробка маслосливного отверстия
- (16) Бак устройства заполнения/прокачивания
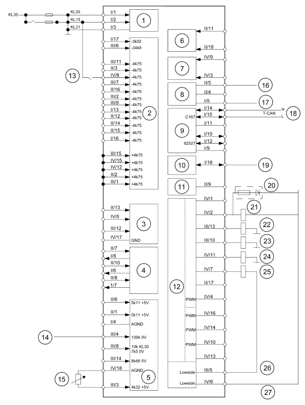
Блок-схема HydroDrive®

- (1) Электропитание со схемой перезапуска
- (2) Цифровые входы
- (3) Частотные входы
- (4) Синхронные последовательные входы
- (5) Аналоговые входы
- (6) Контроль педали акселератора
- (7) Регистрация времени
- (8) Электропитание датчиков
- (9) Интерфейсы сети CAN
- (10) Диагностика
- (11) Конечная ступень клеммы 15 и 30
- (12) Конечная ступень клеммы 30 посредством внутреннего реле
- (13) Выключатель блокировок дифференциала (HydroDrive)
- (14) Аналоговый вход датчика давления масла
- (15) Датчик температуры масла
- (16) Электропитание датчика давления масла 5 В
- (17) Масса датчика давления масла
- (18) Шина данных CAN трансмиссии
- (19) К-провод диагностической розетки
- (20) Контрольная лампа HydroDrive
- (21) Главный клапан 2 (Y386) high (высокое давление ZP2)
- (22) Клапан питательного насоса (Y387) (давление питания ZP3)
- (23) Реле вентилятора (K934)
- (24) Главный клапан 1 (Y385) (предварительное давление ZP1)
- (25) Электромагнитный клапан сцепления главного насоса (Y384) high
- (26) Электромагнитный клапан сцепления главного насоса (Y384) low
- (27) Главный клапан 2 (Y386) low (высокое давление ZP2)
Блок управления гидростатическим приводом передних колес (A626)
Блок управления обрабатывает значения от двух аналоговых датчиков, выключателя и сообщения единой шины данных CAN, а также управляет четырьмя цифровыми выходами, которые включают и выключают гидропривод посредством электромагнитных клапанов

Штекер Х1

- (1) Со стороны блока управления
- (2) Со стороны жгута проводов

Штекер Х2

- (1) Со стороны блока управления
- (2) Со стороны жгута проводов

Вилка соединителя X3

- (1) Со стороны блока управления
- (2) Со стороны жгута проводов

Вилка соединителя X4

- (1) Со стороны блока управления
- (2) Со стороны жгута проводов

Технические характеристики

Считываются значения аналоговых входов датчиков температуры масла и давления масла. Грубые значения анализируются с помощью функции аналоговой регистрации.
Считывается и сохраняется значение цифрового входа для выключателя HVA, а также генерируется скорость, которая используется контроллером HVA. Для этого сравниваются значения скорости переднего и заднего моста и используется наибольшее значение (если разница значений составляет более 5 км/ч).
Датчик температуры масла (B551)
Значение температуры масла определяется характеристикой датчика.

Штекерная разводка контактов

- (A) Обозначение кодирования 1

Технические характеристики, таблица значений

Датчик давления масла (B620)
Датчик давления масла используется в качестве реле давления: если аналоговое значение превышает пороговое значение, то регистрируется рост давления масла в системе.

Штекерная разводка контактов

- (A) Обозначение кодирования 2

Технические характеристики

Технические характеристики, таблица значений

Выключатель блокировок дифференциала (S571)
MAN HydroDrive® включается этим поворотным выключателем.

Штекерная разводка контактов


Технические характеристики
