Сервисная информация по VOLVO FH4 2013 г.

CHID A740874-
CHID B645496-
Component wiring diagram index
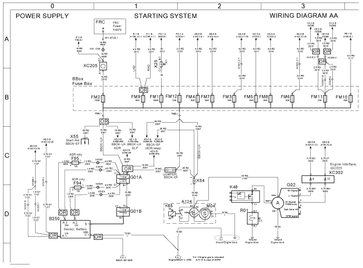
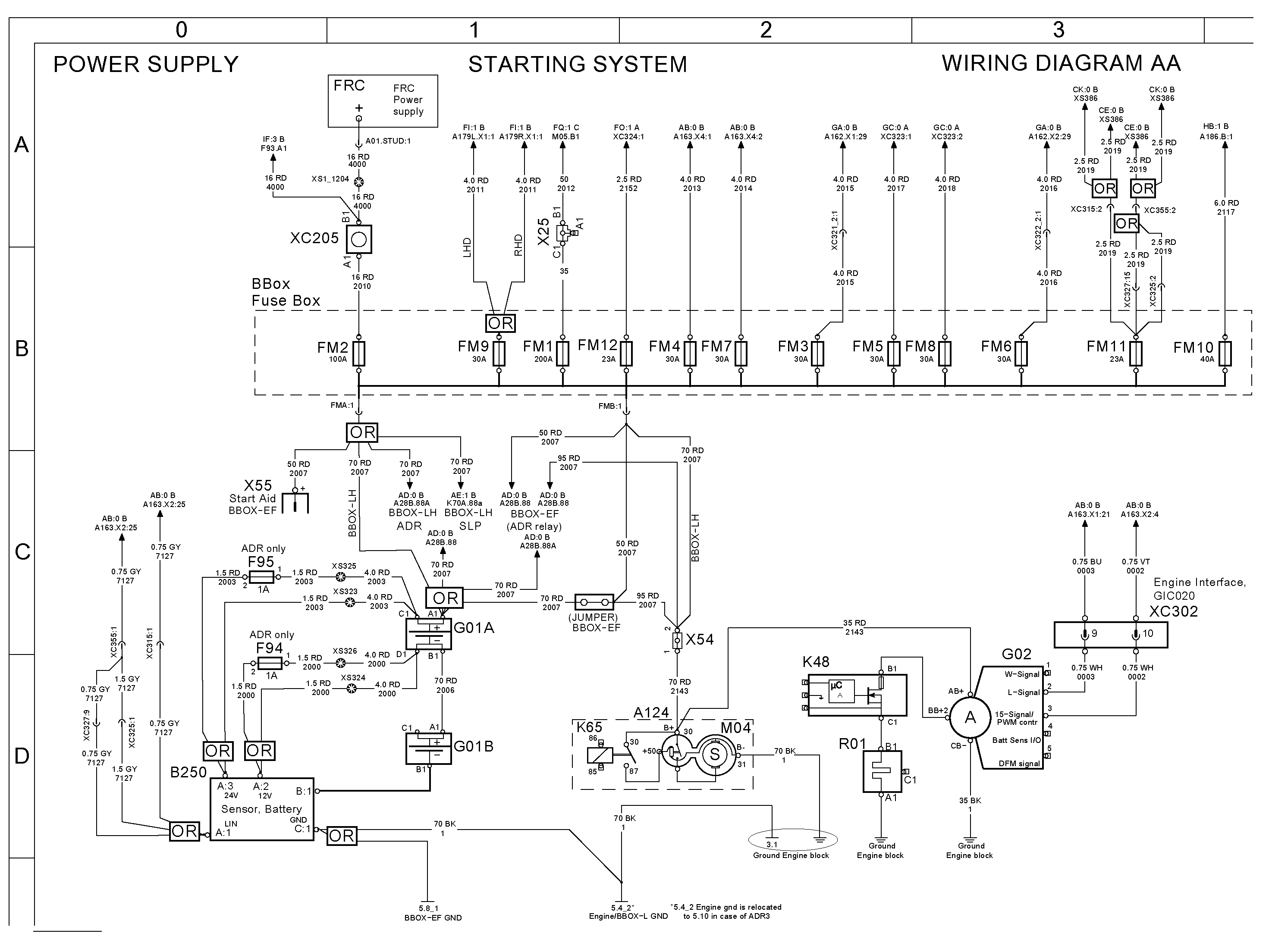
- Power supply, starting
- Power distribution,
- Main switch, UADR
- Main switch, ADR1/ADR2
- Main switch,
- Key switch
- VMCU, Vehicle Master Control Unit
- CIOM, Cab IO
- TIS Telematics service
- TIS Toll collect, FMS
- Engine interface
- Engine interface, networks
- Engine D13, EMEngine
- D13, EM-EC06/EM-EU5, page 1
- Engine D13, EM-EC06/EM-EU5, page 2
- Engine D13, EML4 EM-EU6, page 1
- Engine D13, EML4 EM-EU6, page 2
- Engine D13, EM-EU6, page
- Engine D13, EM-EU6, page
- Engine D16, page
- Engine D16, page
- After treatment system, EM-EU5
- After treatment system, EM-EU5
- After treatment system, Adblue tank control, EM-EU5
- After treatment system, EM-EU6
- After treatment system, EM-EU6
- After treatment system, Adblue tank control, EM-EU6
- Transmission, manual (
- Transmission, manual (gearbox and
- Transmission , I-SHIFT (interface)
- Transmission, I-SHIFT (gearbox and retarder)
- Differential lock and fuel level
- Retarder (interface)
- Retarder (interface) EM-EU6
- ABS
- EBS, control
- EBS, front axle modulator
- EBS, rear axle modulator
- EBS, 6x2 and tridem
- EBS, trailer modulator
- Air-suspension, front
- Suspension, level sensor,
- Air-suspension, rear, 6x2, 6x4 and tridem, valves
- Air-suspension, rear,
- Air management, APM, Air Production Modulator with EPB
- Front axle steering, hydraulic
- Front axle steering, electronic, FAS, LHD
- Rear axle steering, electronic, RAS
- Rear axle steering, self steering, RAS
- EAS, extra axle
- Bogie lift, A-ride with load sensor
- Exterior light, front, left, road
- Exterior light, front, right, bending light
- Exterior light, rear
- Exterior light, side and load light
- Exterior light, roof, identification
- Trailer connection,
- Trailer connection, TRACTOR
- Trailer connections, RIGID TREL-14
- Wiper,
- Climate
- Integrated parking cooler,
- Parking heater, water
- Parking heater, air
- temp, short stop heater, AC
- Fuel hose
- Interior
- Interior
- Interior light, instep
- Comfort
- 12V power supply 20A/20A/
- Audio
- DVD, bunk
- Video switch, camera, SID
- Door, left
- Door, right
- Seats
- Sun roof, sun
- Cab
- Lubrication system
- Body builder,
- Body builder,
- Body builder, CCIOM, PTO
- Body builder electrical center
- Body builder electrical center
- Body builder, Tipper prep
- Body builder electrical center, extra
- Body builder extra
- Body builder plough
- DACU, Driver Assistance Control
- Lane
- SRS, Supplementary Restrain System,
- Alcolock, start prevention
- Backbone 1
- Backbone 2
- Cab subnet
- Chassis
- Infotainment
- Security
- Switch module topology, CIOM
- Switch module topology,
- OBD
- Ground, chassis,
- Ground, chassis, front/rear
- Ground, chassis, lower
- Ground, cab, FRC, BBEC
- Ground, cab, instrument
- Ground, cab, instrument
- Ground, cab, front
- Ground, cab, front shelf,
- Ground, cab, lower bunk/floor
- Ground, cab, firewall, cockpit carrier plate
- Power supply
- Ground connections
- Fuse and relay centre
- ECU
- Antenna
- Switches
- Cab inlet
- Wiring harness, instruments
- Wiring harness, front shelf
- Wiring harness, roof rear shelf
- Wiring harness, rear wall
- Wiring harness, door
- Wiring harness, firewall
- Wiring harness, lower front
- Wiring harness, main front
- Wiring harness, battery box
- Wiring harness, SCR
- Wiring harness, main rear
- Wiring harness, side marking lights
- Wiring harness, trailer connection
- Wiring harness, rear lights, diff
- Wiring harness, ECS
- Wiring harness, ABS/EBS
- Wiring harness, RAS-EC
- Wiring harness, body builder
- Wiring harness, side/reverse working light
- Wiring harness, plough light
- Wiring harness, engine
- Wiring harness, gearbox
- Wiring harness, retarder

Полное описание в высоком качестве доступно в
