Сервисная информация по VOLVO FH4 2012 г.

CHID A740874–
CHID B645496–
CHID D200003–
CHID W112925–
Component wiring diagram index
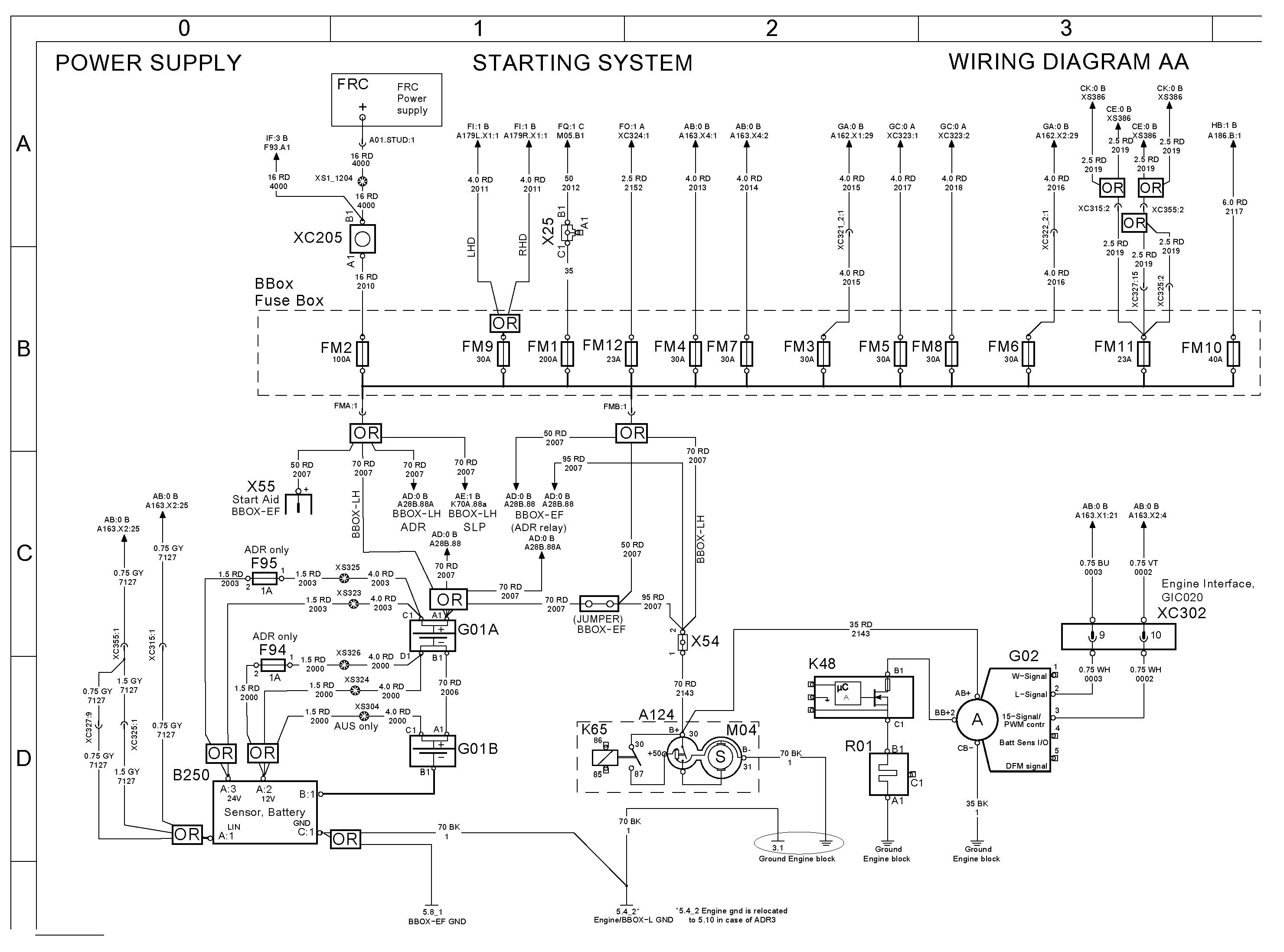
- Power supply, starting
- Power distribution,
- Main switch,
- Main switch, ADR1/ADR2
- Main switch, ADR3
- Key
- VMCU, Vehicle Master Control Unit
- CIOM, Cab IO Module
- TIS Telematics
- TIS Toll collect, FMS
- Engine interface
- Engine interface, networks
- Engine D13, EM-EC01
- Engine D13, EM-EC06/EM-EU5
- Engine D13, EM-EC06/EM-EU5
- Engine D13, EML4 EM-EU6
- Engine D13, EML4 EM-EU6
- Engine D13, EM-EU6
- Engine D13, EM-EU6
- Engine D16
- Engine D16
- After treatment system, EM
- After treatment system, EM
- After treatment system, Adblue tank control, EM
- After treatment system, Adblue tank control AUSTRALIA
- After treatment system, EML4 EM-EU6
- After treatment system, EML4 EM-EU6
- After treatment system, Adblue tank control, EML4 EM-EU6
- Transmission, manual (interface)
- Transmission, manual (gearbox and retarder)
- Transmission , I-SHIFT (interface)
- Transmission, I-SHIFT (gearbox and retarder)
- Differential lock and fuel level
- Retarder (interface) EML4 EM-EU6
- EBS, control
- EBS, front axle
- EBS, rear axle modulator
- EBS, 6x2 and
- EBS,
- Air-suspension,
- Air-suspension, rear, level sensor,
- Air-suspension, rear, 6x2, 6x4 and tridem,
- Air-suspension, rear,
- Air management, APM, Air Production Modulator with
- Front axle steering, hydraulic
- Front axle steering, electronic, FAS
- Rear axle steering, electronic, RAS
- Rear axle steering, self steering,
- EAS, extra axle steering
- Bogie lift, A-ride with load sensor
- Exterior light, front, left,
- Exterior light, front, right, bending light
- Exterior light, rear
- Exterior light, side and load
- Exterior light, roof, identification
- Trailer connection,
- Trailer connection,
- Trailer connections, RIGID TRELTrailer
- light converter, AUSTRALIA
- Wiper,
- Climate
- Integrated parking cooler, IPC
- Parking heater,
- Parking heater,
- temp, short stop heater, AC
- Fuel hose
- Interior light
- Interior light
- Interior light, instep
- Comfort
- 12V power supply 20A/20A/
- DVD, bunk display
- Video switch, camera, SID display
- Horn
- Door,
- Door, right
- Sun roof, sun
- Cab
- Lubrication
- Body builder,
- Body builder,
- Body builder, CCIOM, PTO
- Body builder electrical center
- Body builder electrical center AUXSW4
- Body builder, Tipper prep kit
- Body builder electrical center, extra
- Body builder extra lighting
- Body builder plough lamps
- DACU, Driver Assistance Control Unit
- Lane position
- SRS, Supplementary Restrain System, airbag
- Alcolock, start prevention
- Backbone
- Backbone
- Cab subnet
- Chassis subnet
- Infotainment subnet
- Security
- Switch module topology, CIOM
- Switch module topology, HMIIOM
- OBD
- Ground, chassis,
- Ground, chassis, front/rear load
- Ground, chassis, lower
- Ground, cab, FRC,
- Ground, cab, instrument panel
- Ground, cab, instrument panel
- Ground, cab, front shelf
- Ground, cab, front shelf, headliner
- Ground, cab, lower bunk/floor
- Ground, cab, firewall, cockpit carrier plate
- Power supply
- Ground connections
- Fuse and relay centre
- ECU
- Antenna
- Switches
- Cab inlet
- Wiring harness, instruments
- Wiring harness, front shelf
- Wiring harness, roof rear shelf
- Wiring harness, rear wall
- Wiring harness, door
- Wiring harness, firewall
- Wiring harness, lower front
- Wiring harness, main front
- Wiring harness, battery box
- Wiring harness, SCR
- Wiring harness, main rear
- Wiring harness, side marking lights
- Wiring harness, trailer connection
- Wiring harness, rear lights, diff
- Wiring harness, ECS
- Wiring harness, ABS/EBS
- Wiring harness, RAS-EC
- Wiring harness, body builder
- Wiring harness, side/reverse working light
- Wiring harness, plough light
- Wiring harness, engine
- Wiring harness, gearbox
- Wiring harness, retarder

Полное описание в высоком качестве доступно в
