VOLVO EC240B LC Гусеничний екскаватор

Электрические схемы

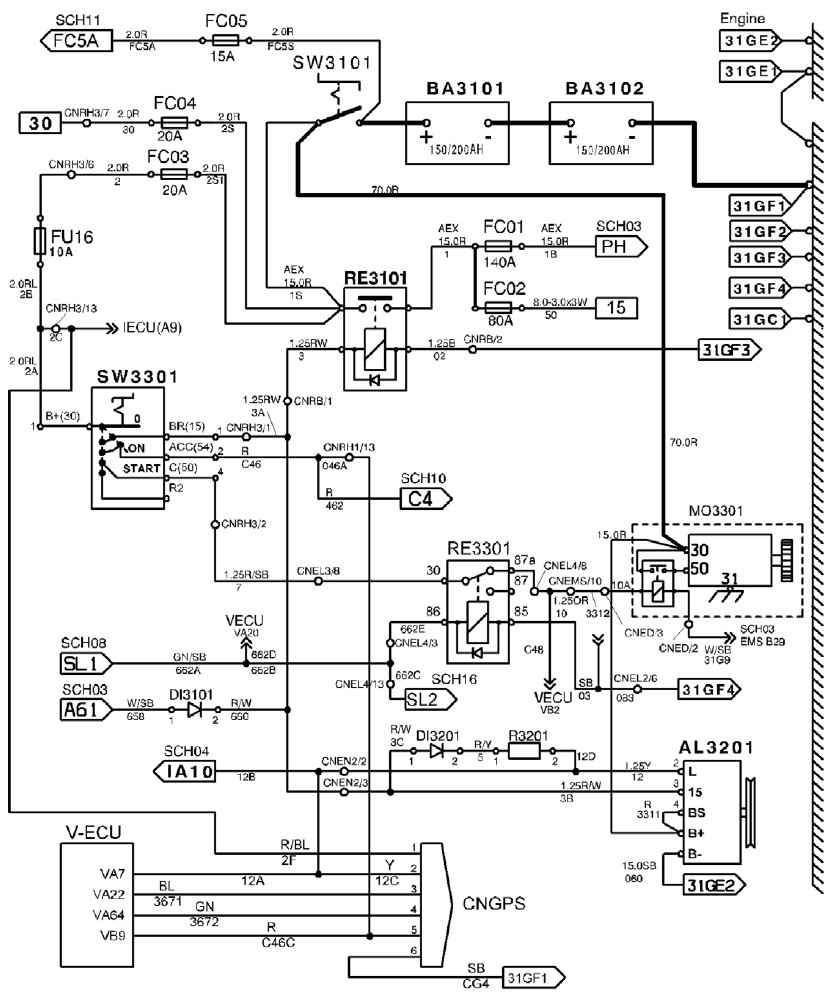
BA3101 Battery 1
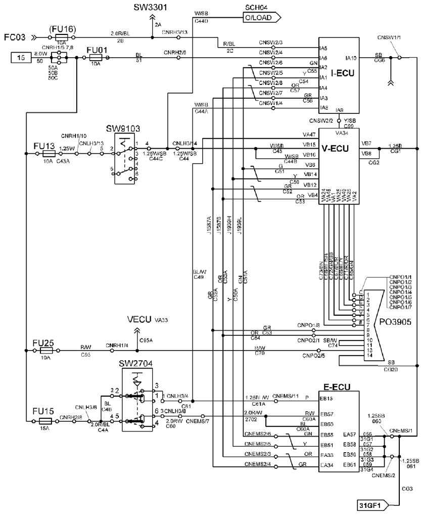
FU16 Start switch fuse
BA3102 Battery 2 SW3301 Starter switch
SW3101 Battery disconnection switch
RE3301 Start relay
FC01 Pre-heater fuse RE3101 Battery relay
FC02 Main fuse MO3301 Starter motor
FC03 B+ fuse AL3201 Alternator
FC04 Fuel pump fuse DI3201 Diode
FC05 Diesel heater and audio fuse
R3201 Resistor
SW3101 Battery disconnection switch
CNGPS GPS control unit


SW9103 Automatic/man ual pump control switch
I-ECU Instrument control unit
SW2704 Limp home switch
V-ECU Vehicle control unit
PO3905 Socket for contronic
E-ECU Engine control unit

Все схемы, описания и инструкции по ремонту смотри в энциклопедии