См. также:
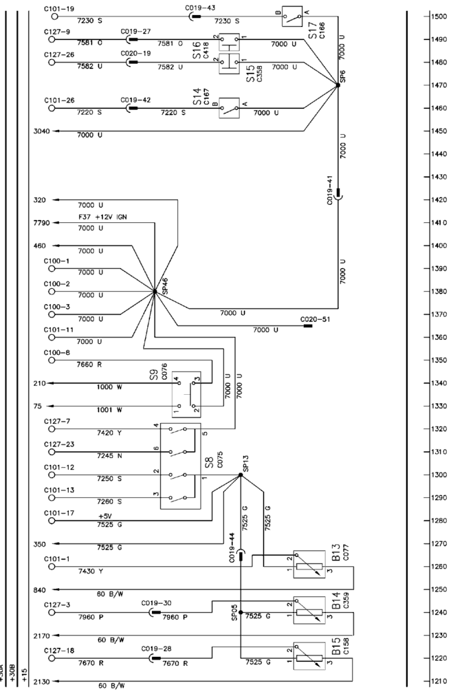
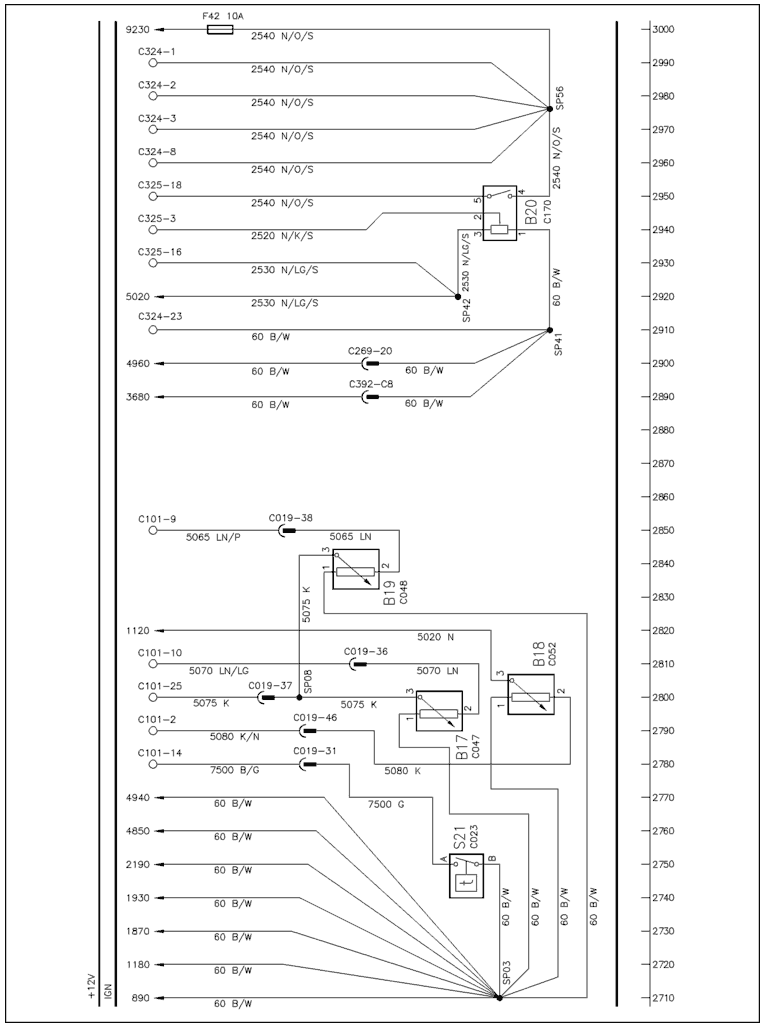
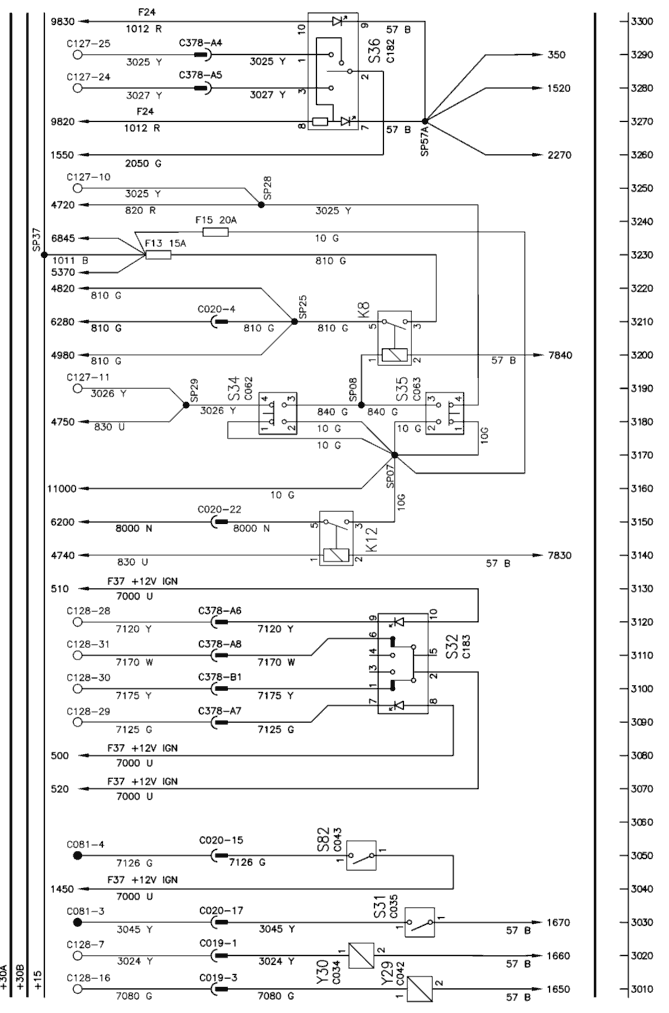
Электросхема Steyr 4110, 4120, 4130, 6115, 6125, 6140 PROFI
Просматривать и распечатывать все схемы в высоком качесте и описания
могут только пользователи
Starting and Charging - Main Switch

Transmission

EDC HYDRAULICS

Four Wheel Drive

Front Suspension
