Заводские установки Eberspächer на DAF
D1LC F 65, F 75, F 85, F 95
25 1892 05 00 00, 25 1831 01 00 00

D3LCcompact DAF F95 XF
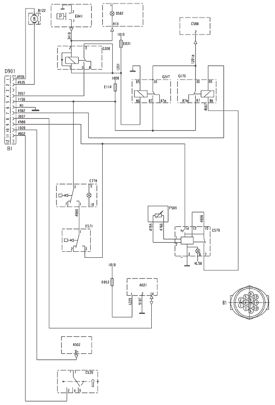
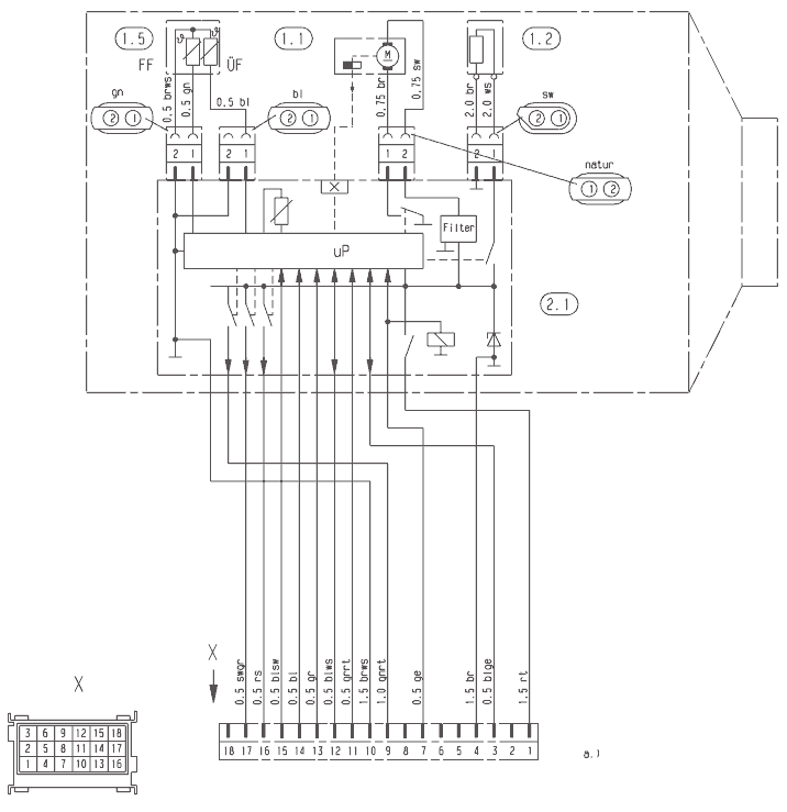
25 1974 05 00 00, 25 2088 05 00 00
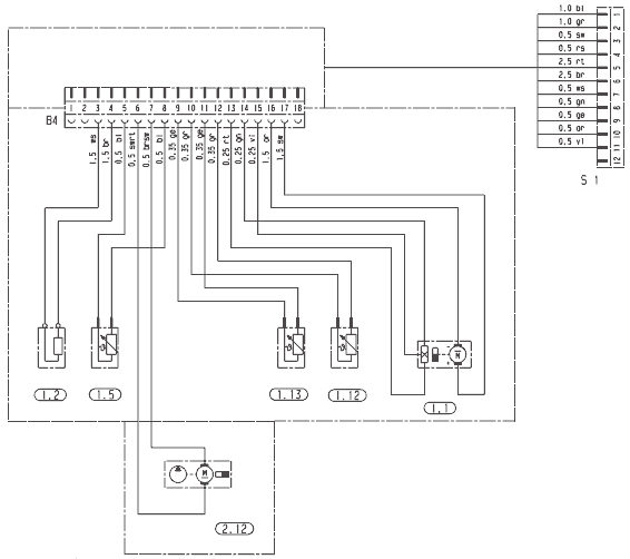
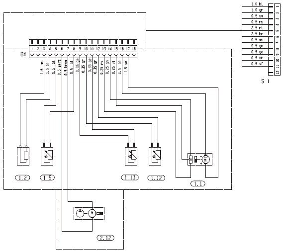
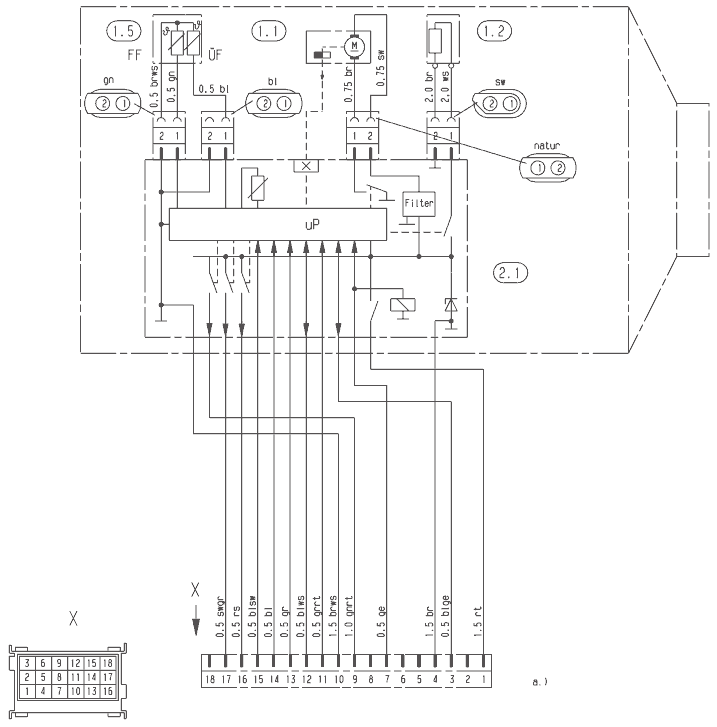
25 1974 05 00 00

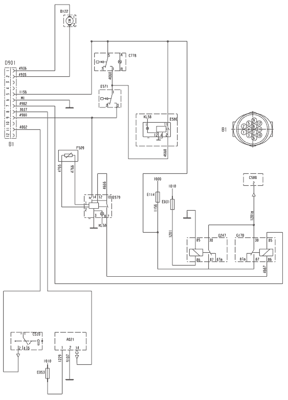
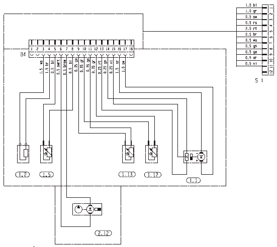
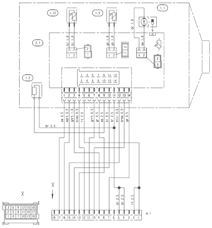
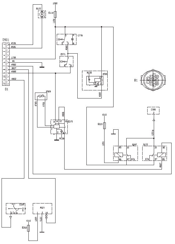
25 2088 05 00 00

HYDRONIC M DAF 65 / 75 / 85 CF
25 1993 02 00 00, 25 2248 02 00 00
25 1993 02 00 00


25 1993 02 00 00 ADR/ADR99


25 2248 02 00 00 ADR/ADR99

HYDRONIC M DAF 95 XF
25 1993 02 00 00, 25 2248 02 00 00
25 1993 02 00 00


1993 02 00 00 ADR/ADR99


25 2248 02 00 00 ADR/ADR99

D1LCcompact DAF F65, F75, F85
25 2003 05 00 00, 25 2087 05 00 00
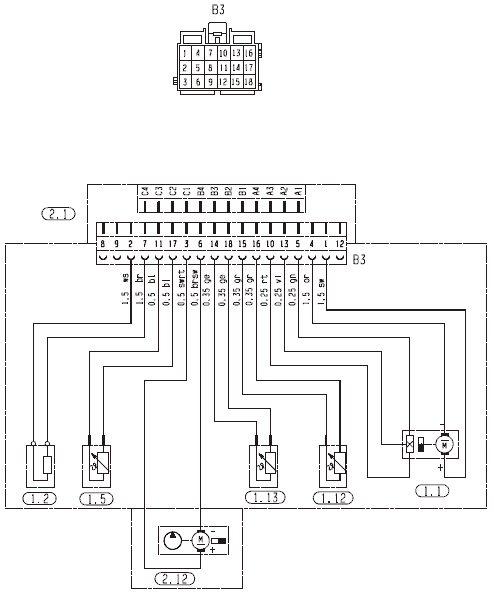
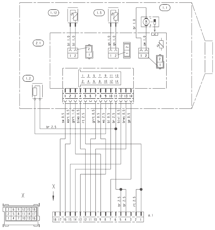
25 2003 05 00 00

25 2087 05 00 00

AIRTRONIC DAF 65 / 75 / 85 CF
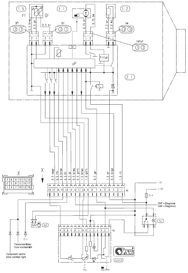
25 2178 02 00 00
25 2178 05 00 00

AIRTRONIC M DAF 95 XF
25 2272 02 00 00
25 2272 02 00 00

Airtronic D4S DAF F95 XF, F105 XF
25 2272 05 00 00
25 2272 05 00 00

