Диагносические коды неисправносей MID 136 VOLVO
MID 136 PSID 130/131/132/133/134/135/136/137/138/139
Механические колесные тормоза
Динамическое распределение нумерации колес в системе EBS Gen 3 всегда осуществляется одинаково. Это означает, что, независимо от модификации, левое колесо первой оси (считая от передка) обозначается цифрой 1, правое колесо первой оси – цифрой 2, левое колесо второй оси – цифрой 3 и т. д.
PSID Колесо
130 Колесо 1
131 Колесо 2
132 Колесо 3
133 Колесо 4
134 Колесо 5
135 Колесо 6
136 Колесо 7
137 Колесо 8
138 Колесо 9
139 Колесо 10

Пример обозначения колес.
Код неисправности FMI 7
Условия регистрации кода неисправности:
- Низкая эффективность затормаживания указанного колеса.
Возможная причина:
- В течение длительного времени автомобиль был нагружен с одной стороны.
- Повреждена подвеска автомобиля.
- Повреждены тормозные механизмы.
- Функционирование EBS не затронуто.
Очевидные внешние признаки:
- При торможении возможен увод автомобиля.
- Горит сигнальная лампа ABS.
- Горит желтая лампа.
Соответствующая проверка:
- Проверьте эффективность затормаживания соответствующего колеса.
- Проверьте подвеску автомобиля.
- Проверьте распределение груза в автомобиле.
MID 136 PSID 1 Тормозной эффект, ослабление

Общая информация
Система EBS оценивает температуру тормозов путем расчета энергии, прикладываемой к тормозным дискам. Данный расчет выполняется исходя из предположения, что все компоненты исправны. Сообщение о неисправности представляет собой сообщение о состояние, которое не сохраняется в виде кода неисправности, а отображается только когда неисправность активна.
Код неисправности FMI 0
Условия регистрации кода неисправности:
- Температура, измеренная блоком управления, слишком высока.
Возможная причина:
- Тормозные механизмы были задействованы слишком долго.
Реакция блока управления:
Очевидные внешние признаки:
- Горит желтая лампа.
- Изменение ощущения педали тормоза.
Соответствующая проверка:
- Проверьте эффективность работы тормозной системы автомобиля.
MID 136 PSID 119 Источник питания датчика ESP
Общая информация

Данный код неисправности свидетельствует о сбое электропитания датчиков ESP.
Компонент: Блок управления EBS (A21)
Жгут проводов: 1007
Код неисправности FMI 2
Условия регистрации кода неисправности:
- Электропитание подавалось перед регистрацией кода.
- Напряжение выше 14,5 В.
- Напряжение ниже 8,3 В.
- Слишком сильный потребляемый ток.
Возможная причина:
- Повреждены провода или контакты.
- Неисправен датчик ESP.
- Неисправен блок управления.
Реакция блока управления:
- ESP отключена.
Очевидные внешние признаки:
- Горит желтая лампа.
FMI 3
Условия регистрации кода неисправности:
- Напряжение выше 14,5 В.
Возможная причина:
- Повреждены провода или контакты.
- Неисправен датчик ESP.
- Неисправен блок управления.
Реакция блока управления:
- ESP отключена.
Очевидные внешние признаки:
- Горит желтая лампа.
FMI 4
Условия регистрации кода неисправности:
- Напряжение ниже 8,3 В.
Возможная причина:
- Повреждены провода или контакты.
- Неисправен датчик ESP.
- Неисправен блок управления.
Реакция блока управления:
- ESP отключена.
Очевидные внешние признаки:
- Горит желтая лампа.
FMI 12
Условия регистрации кода неисправности:
- Внутреннее тестирование.
Возможная причина:
- Неисправен блок управления.
Реакция блока управления:
- Функционирование EBS не затронуто.
- Отсутствует реакция блока управления.
Очевидные внешние признаки:
- Горит белая информационная лампа.
Соответствующая проверка:
- Перепрограммируйте блок управления.
- Замените блок управления EBS.
MID 136 PSID 121 Внутренняя логическая ошибка, ABS
Общая информация
Данный код неисправности свидетельствует об отказе в системе ABS, связанном с неполадками в
работе датчика скорости колеса. В первую очередь проверьте коды неисправностей датчиков скорости колес.
Код неисправности FMI 10
Условия регистрации кода неисправности:
- Система ABS задействована слишком долго.
- Анормально низкое тормозное давление приводит к задействованию ABS.
Возможная причина:
- Необнаруженная неисправность по меньшей мере одного датчика скорости колеса.
- Неправильно установленная длина окружности колеса.
- Искажение сигнала датчика скорости колеса.
- Прокол.
- Постоянное затормаживание одного из колес.
- Скользкая поверхность дороги.
Реакция блока управления:
- ABS отключена.
Очевидные внешние признаки:
- Горит сигнальная лампа ABS.
- Горит желтая лампа.
Соответствующая проверка:
- Выполните все проверки, предусмотренные для датчиков скорости колес.
- Проверьте пневматические и механические части колесных тормозных механизмов.
- Убедитесь, что заданные длины окружностей колес и количества зубцов на зубчатых колесах датчиков соответствуют техническим данным.
- Чтобы сбросить код неисправности, необходимо выполнить Тест перезапуска 2a: Колесная скорость.
MID 136 PSID 123 Канал данных, тормоз
Общая информация
Данный код неисправности свидетельствует о неполадках в работе канала связи тормозов между
блоком управления и различными модуляторами.
Компонент: Модулятор
Жгут проводов: 1086
Поиск неисправностей в проводке
Код неисправности FMI 2
Условия регистрации кода неисправности:
- Канал связи тормозов закрыт для всех модуляторов.
Возможная причина:
- Электромагнитные помехи.
- Повреждены провода или контакты.
- Неисправен модулятор.
Реакция блока управления:
- Отключены все функции EBS.
Очевидные внешние признаки:
- Горит сигнальная лампа ABS.
- Горит красная лампа.
Соответствующая проверка:
- Проверьте все провода и контакты между блоком управления и модуляторами.
FMI 9
Условия регистрации кода неисправности:
- Канал связи тормозов закрыт для всех модуляторов.
Возможная причина:
- Повреждены провода или контакты.
- Неисправен модулятор.
Реакция блока управления:
- Отключены все функции EBS.
Очевидные внешние признаки:
- Горит сигнальная лампа ABS.
- Горит красная лампа.
Соответствующая проверка:
- Проверьте все провода и контакты между блоком управления и модуляторами. Если неисправности не обнаружены, замените блок управления.
FMI 13
Условия регистрации кода неисправности:
- Выполняется внутреннее тестирование.
Возможная причина:
- Установлен новый модулятор.
- Установлен неисправный модулятор.
Реакция блока управления:
- Отключены все функции EBS.
Очевидные внешние признаки:
- Горит сигнальная лампа ABS.
- Горит красная лампа.
Соответствующая проверка:
- Код неисправности должен исчезнуть после завершения реконфигурирования.
- Если отказы продолжаются, проверьте наличие других кодов неисправностей EBS.
- Отсоединяйте модуляторы по одному. Модулятор, для которого исчезает код неисправности, является неисправным. Замените модулятор.
MID 136 PSID 124 Канал данных, датчик ESP

Общая информация
Данный код неисправности свидетельствует об отказе, связанном с каналом связи тормозов для датчиков ESP. Канал связи является общим для датчика угла поворота рулевого колеса и датчика движения.
Компонент: Датчик угла поворота рулевого колеса (B49)
Датчик скорости рыскания (B50)
Жгут проводов: 1000, 1507
Код неисправности FMI 2
Условия регистрации кода неисправности:
- Закрыт канал связи.
Возможная причина:
- Электромагнитные помехи.
- Повреждены провода или контакты.
Реакция блока управления:
- ESP отключена.
Очевидные внешние признаки:
- Горит желтая лампа.
Соответствующая проверка:
- Проверьте все провода и контакты между блоком управления и датчиком ESP (X3:4 и X3:7).
MID 136 PSID 200 Нарушение связи, канал передачи данных, блок управления двигателем
Общая информация
Блоки управления обмениваются важной информацией по каналу управления SAE J1939. Если блок управления не получает информации с другого блока управления, этот код неисправности может указать, с какого блока управления ожидается передача информации по каналу управления SAE J1939.
Код неисправности FMI 9
Анормальная скорость обновления данных.
Условия регистрации кода неисправности:
- Потеряно одно или более сообщений с блока управления двигателем.
Возможная причина:
- Электромагнитные помехи.
- Отказ канала управления SAE J1939 между блоком управления EBS и ECU (блоком управления) двигателя.
- Блок управления двигателем отключен от канала.
Реакция блока управления:
- Отключена функция совместной работы тормозных систем.
- ESP отключена.
- Отключена функция контроля TCS двигателя.
- Отключен противозаносный контроль крутящего момента.
Очевидные внешние признаки:
- Горит желтая лампа.
Соответствующая проверка:
- Выполните поиск неисправности в канале управления SAE J1939.
- Выполните поиск неисправности блока управления двигателем.
MID 136 PSID 201 Нарушение связи, канал передачи данных, блок управления автомобилем
Общая информация
Блоки управления обмениваются важной информацией по каналу управления SAE J1939. Если блок управления не получает информации с другого блока управления, этот код неисправности может указать, с какого блока управления ожидается передача информации по каналу управления SAE J1939.
Код неисправности FMI 2
Неустойчивые или неверные данные
Условия регистрации кода неисправности:
- Значение 0xFE или 0xFF сигнала датчика нагрузки с VECU (ошибка или отсутствует).
Возможная причина:
- Датчик нагрузки не откалиброван.
- Датчик нагрузки поврежден.
Реакция блока управления:
- Блок управления EBS использует значение по умолчанию, соответствующее 66% максимальной массы.
Очевидные внешние признаки:
- Эффективность тормозов может восприниматься иначе, чем нормальная при такой же массе груза.
Соответствующая проверка:
- Проверить функционирование датчика нагрузки VECU.
FMI 8
Анормальная скорость обновления данных.
Условия регистрации кода неисправности:
- Значение сигнала с блока управления автомобилем/тахографа более чем на 30% отличается от скорости ведущего колеса.
- Помехи сигнала с блока управления автомобилем.
Возможная причина:
- Тахограф не откалиброван.
- Неправильный размер колеса.
- Поврежден датчик скорости колеса.
Реакция блока управления:
- Отсутствует.
Очевидные внешние признаки:
- Горит желтая лампа.
Соответствующая проверка:
- Проверьте, соответствует ли техническим данным длина окружности колеса.
- Проверьте сигнал скорости автомобиля.
- Если вышеуказанное в порядке, выполните все проверки, предусмотренные для датчиков скорости колес.
FMI 9
Анормальная скорость обновления данных.
Условия регистрации кода неисправности:
- Потеряно одно или более сообщений с блока управления автомобилем.
Возможная причина:
- Электромагнитные помехи.
- Отказ канала управления SAE J1939 между блоком управления EBS и блоком управления автомобилем.
- Блок управления автомобилем отключен от канала.
Реакция блока управления:
- Блок управления EBS использует значение по умолчанию.
Очевидные внешние признаки:
- Горит желтая лампа.
Соответствующая проверка:
- Выполните поиск неисправности в канале управления SAE J1939.
- Выполните поиск неисправности блока управления автомобилем.
MID 136 PSID 202 Нарушение связи, канал передачи данных, приборная панель
Общая информация
Блоки управления обмениваются важной информацией по каналу управления SAE J1939. Если блок управления не получает информации с другого блока управления, этот код неисправности может указать, с какого блока управления ожидается передача информации по каналу управления SAE J1939.
Код неисправности FMI 9
Анормальная скорость обновления данных.
Условия регистрации кода неисправности:
- Если блок управления EBS в течение 300 мс не получает по каналу управления SAE J1939 сообщений с комбинации приборов, то блок управления EBS интерпретирует это как неисправность, и регистрируется код неисправности.
Возможная причина:
- Обрыв канала управления SAE J1939 между блоком управления EBS и комбинацией приборов.
Реакция блока управления:
Блок управления EBS использует значение по умолчанию.
Очевидные внешние признаки:
Горит желтая лампа.
Соответствующая проверка:
- Выполните поиск неисправности в канале управления SAE J1939.
- Выполните поиск неисправности комбинации приборов.
MID 136 PSID 205 Нарушение связи, канал передачи данных, блок управления коробкой передач
Общая информация
Блоки управления обмениваются важной информацией по каналу управления SAE J1939. Если блок управления не получает информации с другого блока управления, этот код неисправности может указать, с какого блока управления ожидается передача информации по каналу управления SAE J1939.
Код неисправности FMI 2
Неустойчивые или неверные данные
Условия регистрации кода неисправности:
- Ошибка контрольной суммы или счетчика в XBR-сообщении с TECU.
Возможная причина:
- Электромагнитные помехи.
- Блок управления коробкой передач передает ошибочные данные.
Реакция блока управления:
- Блок управления EBS использует значение по умолчанию.
Очевидные внешние признаки:
- Горит желтая лампа.
Соответствующая проверка:
- Выполните поиск неисправности в канале управления SAE J1939.
- Выполните поиск неисправности блока управления коробкой передач.
FMI 9
Анормальная скорость обновления данных.
Условия регистрации кода неисправности:
- Потеряно одно или более сообщений с блока управления коробкой передач.
Возможная причина:
- Электромагнитные помехи.
- Отказ канала управления SAE J1939 между блоком управления EBS и блоком управления коробкой передач.
- Блок управления коробкой передач отключен от канала.
Реакция блока управления:
- Блок управления EBS использует значение по умолчанию.
Очевидные внешние признаки:
- Горит желтая лампа.
Соответствующая проверка:
- Выполните поиск неисправности канала связи SAE J1939.
- Выполните поиск неисправности блока управления коробкой передач.
MID 136 PSID 206 Нарушение связи, канал передачи данных, блок управления замедлителем
Общая информация
Блоки управления обмениваются важной информацией по каналу управления SAE J1939. Если блок управления не получает информации с другого блока управления, этот код неисправности может указать, с какого блока управления ожидается передача информации по каналу управления SAE J1939.
Код неисправности FMI 9
Условия регистрации кода неисправности:
- Потеряно одно или более сообщений с блока управления замедлителем.
Возможная причина:
- Электромагнитные помехи.
- Отказ канала управления SAE J1939 между блоком управления EBS и блоком управления замедлителем.
- Блок управления замедлителем отключен от канала.
Реакция блока управления:
- Функциональность ESP ограничена.
- Отключена функция совместной работы тормозных систем.
Очевидные внешние признаки:
- Горит желтая лампа.
Соответствующая проверка:
- Выполните поиск неисправности в канале управления SAE J1939.
- Выполните поиск неисправности блока управления замедлителем.
MID 136 PSID 208 Нарушение связи, канал передачи данных, пневматическая подвеска
Общая информация
Блоки управления обмениваются важной информацией по каналу управления SAE J1939. Если блок
управления не получает информации с другого блока управления, этот код неисправности может указать, с какого блока управления ожидается передача информации по каналу управления SAE J1939.
Код неисправности FMI 2
Неустойчивые или неверные данные
Условия регистрации кода неисправности:
- Масса автомобиля согласно информации, получаемой с блока управления пневматической подвеской (блок управления ECS), не верна.
Возможная причина:
- Электромагнитные помехи.
- Блок управления пневматической подвеской передает ошибочные данные.
Реакция блока управления:
- Функциональность ESP ограничена.
Очевидные внешние признаки:
- Горит желтая лампа.
Соответствующая проверка:
- Проверьте работу блока управления пневматической подвеской.
FMI 9
Условия регистрации кода неисправности:
- Потеряно одно или более сообщений с блока управления пневматической подвеской.
Возможная причина:
- Электромагнитные помехи.
- Блок управления пневматической подвеской отключен от канала.
- Отказ канала управления SAE J1939 между блоком управления EBS и блоком управления пневматической подвеской.
Реакция блока управления:
- Функциональность ESP ограничена.
Очевидные внешние признаки:
- Горит желтая лампа.
Соответствующая проверка:
- Выполните поиск неисправности в канале управления SAE J1939.
- Выполните поиск неисправности блока управления пневматической подвеской.
MID 136 PSID 21 Тормозная система прицепа
Общая информация
Если в тормозной системе прицепа, оснащенного EBS, обнаружена неисправность, сообщение о
неисправности посылается на блок управления тягача, который передает сообщение о неисправности по информационному каналу.
Поиск неисправностей в проводке
Код неисправности FMI 9
Условия регистрации кода неисправности:
- Потеряно одно или более сообщений с блока управления EBS прицепа.
Возможная причина:
- Электромагнитные помехи.
- Блок управления EBS прицепа не подключен к каналу связи ISO 11992.
- Короткое замыкание или обрыв канала связи ISO 11992.
- Из-за внутренней неисправности блок управления EBS прицепа посылает не все сообщения.
Реакция блока управления:
- Функционирование EBS не затронуто.
Очевидные внешние признаки:
- Горит желтая лампа.
Соответствующая проверка:
- Проверьте на наличие повреждений проводку и разъемы канала связи ISO 11992.
- Выполните поиск неисправности EBS прицепа.
- В ходе пробной поездки проверьте, гаснут ли сигнальные лампы. Считайте коды неисправностей и убедитесь, что не были зарегистрированы новые коды.
FMI 12
Этот код неисправности не сохраняется в памяти блока управления и может считываться только при активном состоянии неисправности.
Условия регистрации кода неисправности:
- Блок управления EBS прицепа запрашивает включение красной лампы.
Возможная причина:
- Неисправность в системе EBS прицепа.
Реакция блока управления:
- Функционирование EBS не затронуто.
Очевидные внешние признаки:
- Горит красная лампа.
Соответствующая проверка:
- Проверьте функционирование системы EBS прицепа.
MID 136 PSID 210 SAE J1939 Прерывание канала связи, блок управления внешним освещением
Общая информация
Блоки управления обмениваются важной информацией по каналу управления SAE J1939. Если блок управления не получает информации с другого блока управления, этот код неисправности может указать, с какого блока управления ожидается передача информации по каналу управления SAE J1939.
Код неисправности FMI 9
Анормальная скорость обновления данных.
Условия регистрации кода неисправности:
- Потеряно одно или более сообщений с блока управления LCM (внешними световыми приборами).
Возможная причина:
- Электромагнитные помехи.
- Отказ канала управления SAE J1939 между блоком управления EBS и блоком управления LCM.
- Блок управления LCM отключен от канала.
Реакция блока управления:
- Функциональность ESP ограничена.
Очевидные внешние признаки:
- Горит желтая лампа.
Соответствующая проверка:
- Выполните поиск неисправности в канале управления SAE J1939.
- Выполните поиск неисправности блока управления LCM.
MID 136 PSID 211 SAE J1939 Прерывание связи по каналу передачиданных, адаптивный круиз-контроль
Общая информация
Блоки управления обмениваются важной информацией по каналу управления SAE J1939. Если блок управления не получает информации с другого блока управления, этот код неисправности может указать, с какого блока управления ожидается передача информации по каналу управления SAE J1939.
Код неисправности FMI 2
Неустойчивые или неверные данные
Условия регистрации кода неисправности:
- Ошибка контрольной суммы или счетчика в XBR-сообщении с ACC.
Возможная причина:
- Электромагнитные помехи.
- Блок управления адаптивным круиз-контролем передает ошибочные данные.
Реакция блока управления:
- Блок управления АСС не может запросить замедление через блок управления тормозами.
Очевидные внешние признаки:
- Горит желтая лампа.
Соответствующая проверка:
- Выполните поиск неисправности в канале управления SAE J1939.
- Выполните поиск неисправности блока управления адаптивным круиз-контролем.
FMI 9
Анормальная скорость обновления данных.
Условия регистрации кода неисправности:
- Потеряно одно или более сообщений с блока управления АСС или исчерпан лимит времени.
Возможная причина:
- Электромагнитные помехи.
- Отказ канала управления SAE J1939 между блоком управления EBS и блоком управления ACC.
- Блок управления АСС отключен от канала.
Реакция блока управления:
- Блок управления АСС не может запросить замедление через блок управления тормозами.
Очевидные внешние признаки:
- Горит желтая лампа.
Соответствующая проверка:
- Выполните поиск неисправности в канале управления SAE J1939.
- Выполните поиск неисправности блока управления адаптивным круиз-контролем.
MID 136 PSID 22 Напряжение питания

Общая информация
Данный код неисправности свидетельствует о сбое электропитания с блока управления на модуляторы и на блок управления EBS.
Этот код неисправности не сохраняется в памяти блока управления и может считываться только при активном состоянии неисправности.
Код неисправности может регистрироваться на различных уровнях для разных подсистем с различной серьезностью последствий.
Поэтому существует несколько уровней отключения функций. Если горит красная лампа, это безусловно свидетельствует об отказе всех функций EBS.
Компонент: Блок управления EBS (A21)
Жгут проводов: 1007
Поиск неисправностей в проводке
Код неисправности FMI 0
Условия регистрации кода неисправности:
- Напряжение питания между X1:17 и X1:12 выше 30 В.
Возможная причина:
- Неисправна система бортового электропитания автомобиля.
- Неисправен блок управления.
Реакция блока управления:
- Ограничена функциональность EBS.
Очевидные внешние признаки:
- Горит желтая лампа.
- Горит сигнальная лампа ABS.
Соответствующая проверка:
- Проверьте систему бортового электропитания автомобиля.
- Выполните MID 136 PSID 22 Электропитание, проверка.
- Выполните тест VCADS 59364-3 Состояние входных и выходных сигналов EBS, проверка в части измерения напряжения.
- Если неисправность проявляется снова, замените блок управления EBS.
FMI 1
Условия регистрации кода неисправности:
- Напряжение питания Uакк. между X1:17 и X1:12 ниже 17,5 В.
Возможная причина:
- Низкая емкость аккумуляторных батарей.
- Неисправен блок управления.
- Неправильно задействовался стартер.
Реакция блока управления:
- Отключены все функции EBS.
Очевидные внешние признаки:
- Горит желтая лампа.
- Горит сигнальная лампа ABS.
Соответствующая проверка:
- Убедитесь, что аккумуляторные батареи исправны и правильно заряжены.
- Проверьте систему электропитания.
- Выполните MID 136 PSID 22 Электропитание, проверка.
- Если вышеуказанные меры не помогают избавиться от неполадок, замените блок управления EBS.
FMI 2
Условия регистрации кода неисправности:
- Напряжение питания Uакк. между X1:17 и X1:12 ниже 8,5 В.
- Напряжение питания Uакк. выше 36 В.
Возможная причина:
- Неисправна система электропитания.
- Неисправен блок управления.
Реакция блока управления:
- ESP отключена.
- ABS отключена или работает с пониженной функциональностью.
- Адаптация тормозов тягача и прицепа отключена.
Очевидные внешние признаки:
- Горит желтая лампа.
- Горит сигнальная лампа ABS.
Соответствующая проверка:
- Убедитесь, что аккумуляторные батареи исправны и правильно заряжены.
- Проверьте систему электропитания.
- Выполните MID 136 PSID 22 Электропитание, проверка.
- Замените блок управления EBS.
FMI 3
Условия регистрации кода неисправности:
- Напряжение питания между X1:17 и X1:12 превышает 32 В.
Возможная причина:
- Неисправна система бортового электропитания автомобиля.
- Неисправен блок управления.
Реакция блока управления:
- Отключены все функции EBS.
Очевидные внешние признаки:
- Горит красная лампа.
- Горит сигнальная лампа ABS.
Соответствующая проверка:
- Проверьте систему бортового электропитания автомобиля.
- Выполните MID 136 PSID 22 Электропитание, проверка.
- Выполните тест VCADS 59364-3 Состояние входных и выходных сигналов EBS, проверка в части измерения напряжения.
FMI 4
Внимание: Этот FMI разделяется на вторичные коды неисправности.
Условия регистрации кода неисправности:
- Напряжение питания Uакк. ниже 18 В.
Возможная причина:
- Двигатель заводится.
- Низкая емкость аккумуляторных батарей.
Реакция блока управления:
- Отключены все функции EBS.
Очевидные внешние признаки:
- Нет лампы.
Соответствующая проверка:
- Проверьте систему электропитания.
80/21
Условия регистрации кода неисправности:
- Напряжение питания между X1:17 и X1:12 ниже 0 В.
Возможная причина:
- Неисправен блок управления.
Реакция блока управления:
- Отключены все функции EBS.
Очевидные внешние признаки:
- Горит красная лампа.
- Горит сигнальная лампа ABS.
Соответствующая проверка:
- Удалите код неисправности.
- В самом крайнем случае замените блок управления EBS.
81/21 89/21
Условия регистрации кода неисправности:
- Напряжение питания между X1:17 и X1:12 ниже 11 В.
Возможная причина:
- Низкая емкость аккумуляторных батарей.
- Неисправна система электропитания.
- Неисправен блок управления.
Реакция блока управления:
- Отключены все функции EBS.
Очевидные внешние признаки:
- Горит красная лампа.
- Горит сигнальная лампа ABS.
MID 136 PSID 23 Канал связи прицепа ISO 11992

Общая информация
EBS тягача может поддерживать связь с прицепом, оснащенным системой EBS, по каналу связи прицепа ISO 11992. Соединение тягача с прицепом осуществляется через разъем ABS, который снабжен двумя дополнительными кабелями канала связи прицепа.
По каналу связи прицепа передается информация, например, о прицепе и необходимой величине
тормозной силы.
Этот код неисправности не сохраняется в памяти блока управления и может считываться только при активном состоянии неисправности.
Компонент: Блок управления EBS (A21)
Жгуты проводов: 1086
Код неисправности FMI 2
Условия регистрации кода неисправности:
- По каналу связи прицепа ISO 11992 не приходят сообщения.
Возможная причина:
- Электромагнитные помехи.
- Короткое замыкание или обрыв кабелей канала связи ISO 11992.
- Неисправен блок управления прицепом.
Реакция блока управления:
- Электрическая адаптация тормозов тягача и прицепа отключена.
Очевидные внешние признаки:
- Горит желтая лампа.
Соответствующая проверка:
- Проверьте провода на наличие короткого замыкания и обрыва.
- Убедитесь в отсутствии повреждений проводов вследствие перетирания.
- Проверьте функционирование блока управления EBS прицепа.
- Выполните MID 136 PSID 23 ISO 11992 Канал связи с прицепом, проверка.
FMI 5
Условия регистрации кода неисправности:
- Блок управления получает сообщения только по одному из каналов связи прицепа ISO 11992.
Возможная причина:
- Электромагнитные помехи.
- Короткое замыкание или обрыв кабелей канала связи ISO 11992.
- Неисправен блок управления EBS прицепа.
Реакция блока управления:
- Связь работает нормально, но только по одному из двух каналов связи.
Очевидные внешние признаки:
- Горит желтая лампа.
MID 136 PSID 25 Диагностика / программирование
Общая информация
При выполнении проверок в сторону блока управления EBS возможно отключение некоторых
функций. В качестве предупреждения блок управления включает красную информационную лампу.
Если блок управления программируется, он не может выполнить все проверки, необходимые для
подтверждения работоспособности всех функций. Это выполняется только после поворота ключа
зажигания в положение для езды. В качестве предупреждения перед выполнением данных проверок блок управления включает желтую информационную лампу.
Этот код неисправности не сохраняется в памяти блока управления и может считываться только при активном состоянии неисправности.
Код неисправности FMI 13
Условия регистрации кода неисправности:
- Блок управления находится в режиме программирования или диагностики.
Возможная причина:
- Идет тестирование или программирование.
Реакция блока управления:
- Отключены все функции EBS.
- Система находится в резервном режиме.
Очевидные внешние признаки:
- Горит сигнальная лампа ABS.
- Горит красная лампа.
MID 136 PSID 26 Отключена функция TCS

Общая информация
Функция TCS (Противопробуксовочная) может быть отключена с дисплея или VCADS. Это следует
делать при буксировке и тестировании на холмистых дорогах.
Этот код неисправности не сохраняется в памяти блока управления и может считываться только при активном состоянии неисправности.
Код неисправности FMI 14
Условия регистрации кода неисправности:
- TCS отключена.
Возможная причина:
- ESP и TCS отключены.
Реакция блока управления:
- ESP отключена.
- TCS отключена.
Очевидные внешние признаки:
- Горит желтая лампа.
Соответствующая проверка:
- Поверните ключ зажигания в положение останова и обратно в положение для езды.
- При помощи VCADS активизируйте TCS.
MID 136 PSID 28 Изношенные тормозные накладки
Общая информация
Этот код неисправности не сохраняется в памяти блока управления и может считываться только при активном состоянии неисправности.
Код неисправности FMI 1
Условия регистрации кода неисправности:
- Если датчики износа регистрируют износ накладок на тормозных колодках до остаточной толщины 20%, об этом сигнализирует код неисправности.
Возможная причина:
- Изношены тормозные колодки.
- Неисправен датчик износа.
- Неверная калибровка датчика износа.
Реакция блока управления:
Очевидные внешние признаки:
- Горит желтая лампа.
Соответствующая проверка:
- Проверьте тормозные колодки.
- Откалибруйте датчики износа с помощью VCADS.
Внимание: Требуются новые тормозные колодки
MID 136 PSID 30 Низкое давление в тормозной системе
Общая информация
Во избежание регистрации в системе EBS того же кода неисправности для пониженного давления в
модуляторах при низком давлении в пневмоприводе, к ресиверу контура стояночного тормоза
подсоединено чувствительное к давлению реле (реле низкого давления в ресивере стояночного
тормоза). Это реле подает сигнал при низком давлении в пневмоприводе тормозов.
Если давление в переднем или заднем тормозном контуре падает ниже 5,4 бар, блок управления EBS также получает информацию с комбинации приборов.
Этот код неисправности не сохраняется в памяти блока управления и может считываться только при активном состоянии неисправности.
Код неисправности FMI 1
Условия регистрации кода неисправности:
- Если давление в ресивере контура стояночного тормоза падает ниже 5,4 бар, об этом сигнализирует код неисправности.
- Если давление в ресивере переднего или заднего контура падает ниже 5,4 бар, об этом сигнализирует код неисправности.
Возможная причина:
- Низкое давление в пневмоприводе.
- Неисправен выключатель.
- Неисправна комбинация приборов.
Реакция блока управления:
- Функционирование EBS не затронуто.
Очевидные внешние признаки:
- Горит красная лампа.
- Подается предупредительный звуковой сигнал зуммера.
Соответствующая проверка:
- Проверьте давление в пневматической системе.
- При помощи VCADS проверьте сигнал низкого давления (X1:18).
MID 136 PSID 31 SAE J1939 Информация двигателя
Общая информация
Система EBS использует информацию с ЭБУ двигателя при выполнении расчетов для работы EBS и ESP.
Этот код неисправности не сохраняется в памяти блока управления и может считываться только при активном состоянии неисправности.
Код неисправности FMI 2
Условия регистрации кода неисправности:
- Если информация с других блоков управления содержит неверные данные, то блок управления интерпретирует это как неисправность, и регистрируется код неисправности.
Возможная причина:
- Неисправность в другом блоке управления.
- Неверный набор данных.
Реакция блока управления:
- Ограничена функциональность ESP и совместной работы тормозных систем.
Очевидные внешние признаки:
- Горит желтая лампа.
Соответствующая проверка:
- Запрограммируйте блок управления EBS.
- Проверьте коды неисправностей других блоков управления.
MID 136 PSID 34 Система управления ESP включена
Общая информация
Водитель получает информацию об активизировании системы ESP через дисплей комбинации прибора.
Этот код неисправности не сохраняется в памяти блока управления и может считываться только при активном состоянии неисправности.
Код неисправности FMI 12
Этот код неисправности регистрируется, когда система ESP активизирована.
Условия регистрации кода неисправности:
- Регулирование ESP прицепа активизировано.
Возможная причина:
- Прицеп находится в состоянии заноса или на грани начала заноса.
Реакция блока управления:
- Регистрируется код неисправности.
Очевидные внешние признаки:
- На дисплее отображается символ.
FMI 14
Этот код неисправности регистрируется, когда система ESP активизирована.
Условия регистрации кода неисправности:
- Регулирование ESP автомобиля активизировано.
Возможная причина:
- Автомобиль находится в состоянии заноса или на грани начала заноса.
Реакция блока управления:
- Регистрируется код неисправности.
Очевидные внешние признаки:
- На дисплее отображается символ.
MID 136 PSID 36 Датчик, угол поворота рулевого колеса,калибровка
Общая информация

После калибровки блок управления EBS выполняет автоматическую проверку датчика угла поворота рулевого колеса во время движения автомобиля. В течение этого периода времени система EBS не работает.
Пока блок управления не добьется точкой настройки сигнала датчика угла поворота рулевого колеса, будет активизирован код неисправности.
Этот код неисправности не сохраняется в памяти блока управления и может считываться только при активном состоянии неисправности.
Для системы требуется, чтобы автомобиль двигался передним ходом прямо на протяжении 3 км.
Компонент: Блок управления EBS (A21)
Жгут проводов: 1007
Код неисправности FMI 2
Условия регистрации кода неисправности:
- Если датчик угла поворота рулевого колеса откалиброван, но блок управления EBS не может подтвердить правильность калибровки, регистрируется оповещающий об этом код неисправности.
Возможная причина:
- Датчик угла поворота рулевого колеса был откалиброван.
- Датчик угла поворота рулевого колеса был заменен.
Реакция блока управления:
- ESP отключена.
- В комбинации приборов отображается информация о калибровке.
Очевидные внешние признаки:
- Горит белая информационная лампа.
Соответствующая проверка:
- Ведите автомобиль около 10 км, пока не завершится калибровка.
MID 136 PSID 37 Датчик, бокового ускорения
Общая информация
Этот код неисправности не сохраняется в памяти блока управления и может считываться только при активном состоянии неисправности.
Компонент: Блок управления EBS (A21)
Жгут проводов: 1007
Код неисправности FMI 2
Условия регистрации кода неисправности:
- Код неисправности сигнализирует о калибровке датчика угла поворота рулевого колеса.
Возможная причина:
- Калибровка датчика угла поворота рулевого колеса не завершена.
Реакция блока управления:
- Горит желтая лампа.
- ESP отключена.
Очевидные внешние признаки:
- Горит сигнальная лампа
- Отключена стабилизация.
Соответствующая проверка:
- Откалибруйте датчик угла поворота рулевого колеса.
MID 136 PSID 4 Подстройка тормозов

Общая информация
Распределение тормозной мощности между тягачом и прицепом не поддерживается в допустимых
пределах.
Код неисправности FMI 7
Условия регистрации кода неисправности:
- Неравномерное/неправильное распределение тормозных сил между тягачом и прицепом.
Возможная причина:
- Тормозная мощность неправильно распределяется между тягачом и прицепом.
- Нагрузка неравномерно распределена между тягачом и прицепом.
- Неисправна пневматическая линия между тягачом и прицепом.
Реакция блока управления:
- Функционирование EBS не затронуто.
Очевидные внешние признаки:
- Горит желтая лампа.
Соответствующая проверка:
- Проверьте, равномерно ли нагружены тягач и прицеп.
- Проверьте пневматические линии между тягачом и прицепом.
- Проверьте эффективность работы тормозной системы автомобиля.
MID 136 PSID 41 Система ESP отключена

Общая информация
Этот код неисправности не сохраняется в памяти блока управления и может считываться только при активном состоянии неисправности.
Код неисправности FMI 14
Условия регистрации кода неисправности:
- Если система ESP отключена, об этом сигнализирует код неисправности.
- Боковое ускорение автомобиля слишком сильно выходит за допустимые пределы.
- Если автомобиль движется по дороге с настолько некачественным покрытием, что система ESP не может точно определить направление движения автомобиля, об этом сигнализирует код неисправности.
- Одновременно с этим кодом неисправности обычно отображаются коды других неисправностей, связанных с ESP.
Возможная причина:
- ESP отключена с помощью VCADS.
- Автомобиль едет по дороге с некачественным покрытием.
- Функция определения прицепа отключена с помощью VCADS.
- Ошибочные показания с датчика давления в тормозе-замедлителе.
- Сообщение о данном неустойчивом отказе сопровождается другими неполадками, связанными с ESP.
Реакция блока управления:
- ESP отключена.
Очевидные внешние признаки:
- Горит желтая сигнальная лампа.
Соответствующая проверка:
- Включите систему ESP с помощью VCADS.
- После активации выключите и снова включите зажигание, чтобы активация вступила в силу.
- Проверьте другие коды неисправностей EBS.
MID 136 PSID 65 Модулятор, ошибка в программном обеспечении
Компонент: Модулятор
Жгут проводов: 1086
Код неисправности FMI 13
Условия регистрации кода неисправности:
- Выполняется внутреннее тестирование.
Возможная причина:
- Установлен новый модулятор.
- Установлен неисправный модулятор.
Реакция блока управления:
- Отключены все функции EBS.
Очевидные внешние признаки:
- Горит сигнальная лампа ABS.
- Горит красная лампа.
Соответствующая проверка:
- Код неисправности должен исчезнуть после завершения реконфигурирования.
- Если отказы продолжаются, проверьте наличие других кодов неисправностей EBS.
- Отсоединяйте модуляторы по одному. Модулятор, для которого исчезает код неисправности, является неисправным.
FMI 14
Условия регистрации кода неисправности:
- Компонент не сконфигурирован.
Возможная причина:
- Компонент был установлен, но не сконфигурирован (Установленный компонент не соответствует данным, хранящимся в блоке управления. Модулятор может быть одно - или двухканальным).
- Неисправен блок управления.
- Повреждены или неправильно подсоединены провода.
Реакция блока управления:
- Отключены все функции EBS.
Очевидные внешние признаки:
- Горит сигнальная лампа ABS.
- Горит красная лампа.
Соответствующая проверка:
- Убедитесь, что конфигурация полностью соответствует установке.
- Если конфигурация соответствует, проверьте кабели и разъемы (в т.ч. на повреждение из-за истирания) на контактах X2:1, X2:4, X2:7 и X3:12.
MID 136 PSID 80 Вспомогательный клапан
Общая информация
Данный компонент не используется Volvo. Данный код неисправности может продолжать регистрироваться в случае отказов, связанных с его входами на блоке управления. В первую очередь проверьте, соответствует ли техническим данным конфигурация автомобиля и убедитесь в отсутствии повреждений проводов и контактов.
Код неисправности FMI 2
Условия регистрации кода неисправности:
- Короткое замыкание X2:17 на цепь другого сигнала (цепь должна быть разомкнута).
Возможная причина:
- Компонент установлен, но не сконфигурирован.
- Повреждены провода или контакты.
- Неисправен блок управления.
Реакция блока управления:
- Функциональность ABS ограничена.
- ESP отключена.
Очевидные внешние признаки:
- Горит сигнальная лампа ABS.
- Горит красная лампа.
Соответствующая проверка:
- Проверьте, соответствует ли техническим данным конфигурация автомобиля.
- Проверьте X2:17 на наличие короткого замыкания на цепь сигнала, отличного от напряжения
- аккумуляторных батарей.
FMI 3
Условия регистрации кода неисправности:
- Короткое замыкание на плюс электропитания.
Возможная причина:
- Повреждены провода или контакты.
- Неисправен блок управления.
Реакция блока управления:
- Функциональность ABS ограничена.
- ESP отключена.
Очевидные внешние признаки:
- Горит сигнальная лампа ABS.
- Горит красная лампа.
Соответствующая проверка:
- Удалите коды неисправностей.
- Проверьте X2:18 на наличие короткого замыкания на цепь другого сигнала.
- В самом крайнем случае замените блок управления EBS.
FMI 4
Условия регистрации кода неисправности:
- Короткое замыкание на «массу».
Возможная причина:
- Повреждены провода или контакты.
- Неисправен блок управления.
Реакция блока управления:
- Функциональность ABS ограничена.
Очевидные внешние признаки:
- Горит сигнальная лампа ABS.
- Горит желтая лампа.
Соответствующая проверка:
- Отсоедините блок управления.
- Проверьте X2:17 и X2:18 в сторону жгута проводов/разъема на наличие короткого замыкания на цепь другого сигнала или на «массу».
- В самом крайнем случае замените блок управления EBS.
FMI 5
Условия регистрации кода неисправности:
- Обрыв провода.
Возможная причина:
- Повреждены провода или контакты.
- Неисправен блок управления.
Реакция блока управления:
- Функциональность ABS ограничена.
Очевидные внешние признаки:
- Горит сигнальная лампа ABS.
- Горит красная лампа.
Соответствующая проверка:
- Удалите коды неисправностей.
- Отсоедините блок управления.
- Проверьте X2:17 и X2:18 в сторону жгута проводов/разъема на наличие короткого замыкания на цепь другого сигнала.
- В самом крайнем случае замените блок управления EBS.
FMI 6
Условия регистрации кода неисправности:
- Короткое замыкание на цепь другого сигнала.
Возможная причина:
- Повреждены провода или контакты.
- Неисправен блок управления.
Реакция блока управления:
- Функциональность ABS ограничена.
Очевидные внешние признаки:
- Горит сигнальная лампа ABS.
- Горит желтая лампа.
Соответствующая проверка:
- Удалите коды неисправностей.
- Отсоедините блок управления.
- Проверьте X2:17 и X2:18 в сторону жгута проводов/разъема на наличие короткого замыкания на цепь другого сигнала.
- В самом крайнем случае замените блок управления EBS.
FMI 9
Условия регистрации кода неисправности:
- Короткое замыкание X2:17 на цепь другого контролируемого сигнала.
Возможная причина:
- Повреждены провода или контакты.
- Неисправен блок управления.
Реакция блока управления:
- Функциональность ABS ограничена.
Очевидные внешние признаки:
- Горит сигнальная лампа ABS.
- Горит желтая лампа.
Соответствующая проверка:
- Проверьте другие коды неисправностей системы EBS.
- Проверьте наличие короткого замыкания на X2:17.
MID 136 PSID 81 Устройство блокировки дифференциала

Общая информация
Устройство блокировки дифференциала управляется посредством клапана блокировки дифференциала, расположенного за левым передним колесом непосредственно под модулятором прицепа. Блок управления посылает электрические импульсы на клапан блокировки дифференциала, который преобразует эти импульсы в пневматический сигнал, управляющий устройством блокировки дифференциала.
Код неисправности FMI 2
Условия регистрации кода неисправности:
- Короткое замыкание X1:14 на цепь другого сигнала или обрыв в цепи.
Возможная причина:
- Повреждены провода или контакты.
- Неисправен блок управления.
- Клапан блокировки дифференциала установлен, но не сконфигурирован.
Реакция блока управления:
- Функционирование EBS не затронуто.
Очевидные внешние признаки:
- Горит сигнальная лампа ABS.
- Горит красная лампа.
Соответствующая проверка:
- Проверьте, соответствует ли техническим данным конфигурация автомобиля.
- Проверьте X1:14 на наличие короткого замыкания на цепь сигнала, отличного от напряжения аккумуляторных батарей. X1:14 не должен быть подключен.
- В самом крайнем случае замените блок управления EBS.
FMI 3
Условия регистрации кода неисправности:
- Короткое замыкание X1:14 на цепь с напряжением аккумуляторных батарей.
Возможная причина:
- Неисправен клапан блокировки дифференциала.
- Повреждены провода или контакты.
- Неисправен блок управления.
Реакция блока управления:
- Клапан блокировки дифференциала не работает.
Очевидные внешние признаки:
- Горит желтая лампа.
Соответствующая проверка:
- Удалите коды неисправностей.
- Проверьте провода и контакты, X1:14 на наличие короткое замыкания на цепь с более высоким напряжением.
FMI 4
Условия регистрации кода неисправности:
- Короткое замыкание X1:14 на «массу».
Возможная причина:
- Повреждены провода или контакты.
- Неисправен блок управления.
- Неисправен клапан блокировки дифференциала.
Реакция блока управления:
- Клапан блокировки дифференциала не работает.
Очевидные внешние признаки:
- Горит желтая лампа.
Соответствующая проверка:
- Удалите коды неисправностей.
- Проверьте провода и контакты, (X1:14) между блоком управления и клапаном блокировки дифференциала.
- Проверьте компоненты клапана блокировки дифференциала.
MID 136 PSID 83 Контрольная лампа, тормоз прицепа
Общая информация
Компонент: Выключатель тормоза прицепа (S33)
Жгут проводов: 1000

FMI 3
Условия регистрации кода неисправности:
- Короткое замыкание X4:11 на цепь с более высоким напряжением.
Возможная причина:
- Повреждены провода или контакты.
Реакция блока управления:
Очевидные внешние признаки:
- Горит желтая лампа.
Соответствующая проверка:
- Проверьте X4:11 на наличие короткого замыкания на цепь с более высоким напряжением.
FMI 4
Условия регистрации кода неисправности:
- Короткое замыкание X4:11 на «массу».
- Обрыв на X4:11.
Возможная причина:
- Повреждены провода или контакты.
- Неисправен выключатель.
Очевидные внешние признаки:
- Горит желтая лампа.
Соответствующая проверка:
- Проверьте X4:11 на наличие короткого замыкания на цепь с более низким напряжением или обрыв.
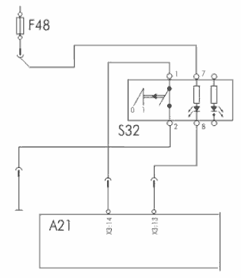
MID 136 PSID 85 Контрольная лампа, HSA
Общая информация
HSA = Функция помощи при трогании с места на подъем.

Компонент: Выключатель удержания тормоза (S32)
Жгут проводов: 1000
Код неисправности FMI 3
Условия регистрации кода неисправности:
- Короткое замыкание X3:13 на цепь с более высоким напряжением.
Возможная причина:
- Повреждены провода или контакты.
Реакция блока управления:
Очевидные внешние признаки:
- Горит желтая лампа.
Соответствующая проверка:
- Проверьте X3:13 на наличие короткого замыкания на цепь с более высоким напряжением.
FMI 4
Условия регистрации кода неисправности:
- Короткое замыкание X3:13 на «массу».
- Обрыв на X3:13.
Возможная причина:
- Повреждены провода или контакты.
- Неисправен выключатель.
Очевидные внешние признаки:
- Горит желтая лампа.
Соответствующая проверка:
- Проверьте X3:13 на наличие короткого замыкания на цепь с более низким напряжением или обрыв.
MID 136 PSID 88/89/90 Модулятор для прицепа

PSID Описание
88 Впускной клапан X4:5
89 Выпускной клапан X4:6
90 Резервный клапан X4:7
Компонент: Модулятор прицепа (U05A)
Жгут проводов: 1401
Поиск неисправностей в проводке
Код неисправности FMI 3
Условия регистрации кода неисправности:
- Короткое замыкание на цепь с более высоким напряжением.
Возможная причина:
- Повреждены провода или контакты
- Неисправен модулятор прицепа.
- Неисправен блок управления.
Реакция блока управления:
- Если прицеп не оснащен системой EBS, подстройка тормозов между тягачом и прицепом отключена. Модулятор прицепа работает как обычный клапан прицепа.
Очевидные внешние признаки:
- Горит желтая лампа.
Соответствующая проверка:
- Удалите коды неисправностей.
- Проверьте провода и контакты между блоком управления и модулятором прицепа на наличие короткого замыкания на цепь с более высоким напряжением.
FMI 5
Условия регистрации кода неисправности:
- Короткое замыкание провода на «массу», на цепь с более низким напряжением или обрыв.
Возможная причина:
- Повреждены провода или контакты
- Неисправен блок управления.
- Неисправен модулятор прицепа.
Реакция блока управления:
- Если прицеп не оснащен системой EBS, подстройка тормозов между тягачом и прицепом отключена. Модулятор прицепа работает как обычный клапан прицепа.
Очевидные внешние признаки:
- Горит желтая лампа.
Соответствующая проверка:
- Удалите коды неисправностей.
- Проверьте провода и контакты между блоком управления и модулятором прицепа на наличие обрыва и короткого замыкания на цепь с более низким напряжением или «массу».
- Проверьте на наличие короткого замыкания на «массу».
FMI 6
Условия регистрации кода неисправности:
- Клапан не выполняет команды блока управления.
Возможная причина:
- Повреждены провода или контакты.
- Неисправен модулятор прицепа.
- Неисправен блок управления.
Реакция блока управления:
- Если прицеп не оснащен системой EBS, подстройка тормозов между тягачом и прицепом отключена. Модулятор прицепа работает как обычный клапан прицепа.
Очевидные внешние признаки:
- Горит желтая лампа.
Соответствующая проверка:
- Удалите коды неисправностей.
- Проверьте наличие короткого замыкания между X4:5, X4:6 и X4:7.
FMI 10
Значения находятся за пределами диапазона калибровочных значений.
Условия регистрации кода неисправности:
- Клапан не работает.
Возможная причина:
- Повреждены провода или контакты.
- Неисправен блок управления.
Реакция блока управления:
- Если прицеп не оснащен системой EBS, подстройка тормозов между тягачом и прицепом отключена. Модулятор прицепа работает как обычный клапан прицепа.
Очевидные внешние признаки:
- Горит желтая лампа.
Соответствующая проверка:
- Удалите коды неисправностей.
- Проверьте провода и контакты между блоком управления и модулятором прицепа (X4:5, X4:6 и X4:7) на наличие короткого замыкания на другие провода.
MID 136 SID 70/71/72/73/74/75 Датчик, износ накладок

Сдвоенные ведущие мосты
A: Левое заднее ведущее колесо
B: Правое заднее ведущее колесо
C: Левое переднее ведущее колесо
D: Правое переднее ведущее колесо

Одинарный ведущий мост
A: Левый
B: Правый

Одинарный передний мост/дополнительный задний мост
A: Левый
B: Правый
Двойные передние мосты

Двойные передние мосты
Левая сторона - U01A
A: Левый
B: Левый
Правая сторона - U02A
A: Правый
B: Правый
Общая информация
Каждый тормозной механизм снабжен датчиками износа, определяющими остаточную толщину
тормозных накладок. Величина износа обновляется при задействовании тормозных механизмов.
При замене тормозных колодок необходимо откалибровать датчик износа с помощью VCADS.
Внимание: В калибровке нуждается только тот мост, на котором были заменены тормозные колодки.
Внимание: Тормозные колодки должны заменяться с обеих сторон одновременно.
Для дезактивирования кода неисправности выполните следующее:
1. Выключите зажигание.
2. Подождите не менее пяти секунд.
3. Включите зажигание, не нажимая педаль тормоза
SID Описание
70 Датчик износа накладок, 1-й мост, левая сторона
71 Датчик износа накладок, 1-й мост, правая сторона
72 Датчик износа накладок, 2-й мост, левая сторона
73 Датчик износа накладок, 2-й мост, правая сторона
74 Датчик износа накладок, 3-й мост, левая сторона
75 Датчик износа накладок, 3-й мост, правая сторона
PSID Описание
PSID 74 Датчик износа накладок, 4-й мост, левая сторона
PSID 75 Датчик износа накладок, 4-й мост, правая сторона
PSID 76 Датчик износа накладок, 5-й мост, левая сторона
PSID 77 Датчик износа накладок, 5-й мост, правая сторона
Компонент:
Модулятор Описание Датчик износа тормозных накладок
U01A Левый передний B40B B46B
U02A Правый передний B41B, B47B
U08A Передний B40A, B41A
U03B Сдвоенные ведущие мосты B44B, B45B, B42B, B43B
U03A Одинарный ведущий мост B42A, B43A
U04A Дополнительный мост впереди ведущего B74B, B75B
U07A Дополнительный мост позади ведущего B76B, B77B
Жгут проводов: 1086.
Поиск неисправностей в проводке
Код неисправности FMI 0
Условия регистрации кода неисправности:
- Уровень сигнала выше 4,7 В.
Возможная причина:
- Неисправен датчик износа.
- Неисправен модулятор.
- Повреждены провода или контакты.
Реакция блока управления:
- Отключена функция предупреждения об изношенности тормозных накладок.
Очевидные внешние признаки:
- Горит желтая сигнальная лампа.
Соответствующая проверка:
- Проверьте на наличие обрыва или короткого замыкания провода и контакты между модулятором и датчиком износа.
- В самом крайнем случае замените модулятор
FMI 1
Условия регистрации кода неисправности:
- Уровень сигнала ниже 0,48 В.
Возможная причина:
- Неисправен датчик износа.
- Неисправен модулятор.
- Повреждены провода или контакты.
Реакция блока управления:
- Отключена функция предупреждения об изношенности тормозных накладок.
Очевидные внешние признаки:
- Горит желтая сигнальная лампа.
Соответствующая проверка:
- Проверьте на наличие обрыва или короткого замыкания провода и контакты между модулятором и датчиком износа.
- Выполните MID 136 SID 70/71/72/73/74/75 Датчик, износ накладок, проверка.
- В самом крайнем случае замените модулятор.
FMI 3
Условия регистрации кода неисправности:
- Короткое замыкание цепи электропитания датчика износа на цепь с напряжением выше 6 В.
Возможная причина:
- Неисправен модулятор.
- Повреждены провода или контакты (короткое замыкание на цепь с более высоким напряжением).
Реакция блока управления:
- Отключена функция предупреждения об изношенности тормозных накладок.
Очевидные внешние признаки:
- Горит желтая сигнальная лампа.
Соответствующая проверка:
- Проверьте наличие короткого замыкания между цепью электропитания модулятора (CSG 2) и цепью электропитания датчика износа (LWS A/B 3, LWS A/B 5, LWS C/D 3, LWS C/D 5).
- В самом крайнем случае замените модулятор.
FMI 10
Условия регистрации кода неисправности:
- Сигналы правой и левой стороны отличаются более чем на 20%.
Возможная причина:
- Суппорт тормоза поврежден механически/неисправен.
- Износ тормозных накладок слишком велик.
Реакция блока управления:
- Функциональность EBS понижена.
Очевидные внешние признаки:
- Горит желтая сигнальная лампа.
Соответствующая проверка:
- Проверьте суппорт тормоза и тормозные колодки.
FMI 12
Условия регистрации кода неисправности:
- Короткое замыкание цепи электропитания датчика износа на цепь с напряжением ниже 4,5 В.
- Короткое замыкание на «массу» в цепи электропитания датчика износа.
Возможная причина:
- Неисправен модулятор.
- Повреждены провода или контакты.
Реакция блока управления:
- Отключена функция предупреждения об изношенности тормозных накладок.
Очевидные внешние признаки:
- Горит желтая сигнальная лампа.
Соответствующая проверка:
- Проверьте провода и контакты между модулятором и датчиком износа.
- Выполните MID 136 SID 70/71/72/73/74/75 Датчик, износ накладок, проверка.
- В самом крайнем случае замените модулятор.
Таблица кодов FMI
Стандарт SAE
FMI Отображаемый текст Текст SAE
0 Слишком высокое значение
Данные достоверны, но превышают нормальный рабочий диапазон.
1 Слишком низкое значение Данные достоверны, но ниже нормального рабочего диапазона.
2 Неверные данные Неустойчивые или неверные данные.
3 Неиспр. электрооборуд.
Слишком высокое напряжение или короткое замыкание на более высокое напряжение.
4 Неиспр. электрооборуд.
Слишком низкое напряжение или короткое замыкание на более низкое напряжение.
5 Неиспр. электрооборуд.
Слишком малая сила тока или обрыв в цепи.
6 Неиспр. электрооборуд.
Слишком сильный ток или короткое замыкание на массу.
7 Механич. неиспр. Неадекватная реакция механической системы.
8 Мех.или элект. неиспр.
Частота вне нормального диапазона.
9 Ошибка соединения
Скорость обновления данных не соответствует норме.
10 Мех.или элект. неиспр.
Слишком большие изменения.
11 Неизвестная неисправность
Неидентифицируемая неисправность.
12 Неисправность компонента
Неисправность блока или компонента.
13 Неправильная калибровка
Калибровочные значения вне диапазона
14 Неизвестная неисправность
Специальные инструкции.
15 Неизвестная неисправность
Зарезервировано для будущего использования.