Электрические схемы управления двигателем RENAULT T
(euro 5, 6)
11-litre engine control (Euro VI)

Code Title of the function Location
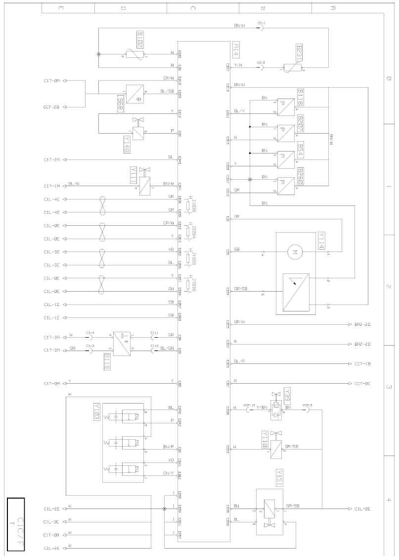
- A14 Engine electronic control unit (EECU) B3d
- B54 Pressure sensor inside engine block B3d
- B102 Oil temperature sensor on oil filter holder B3d
- B118 Engine oil pressure sensor B3d
- B119 Engine oil level and temperature sensor assembly B3d
- B207 Piston cooling oil pressure sensor B3d
- B231 Engine coolant circuit temperature sensor B3d
- B260 Exhaust back-pressure sensor B3d
- S68 Engine coolant level sensor B3d
- Y39 VTC engine brake solenoid valve B3d
- Y103 Exhaust injector solenoid valve B3d
- Y110 Oil cooling solenoid valve B3d
- Y111 Piston cooling solenoid valve B3d
- Y114 Air flow regulation solenoid valve B3d
- Y148 Exhaust gas recirculation solenoid valve B3d
- Y151 Exhaust brake solenoid valve unit B3d
13-litre engine check (Euro VI) - Phase 1
(OBDEP-A)

Code Title of the function Location
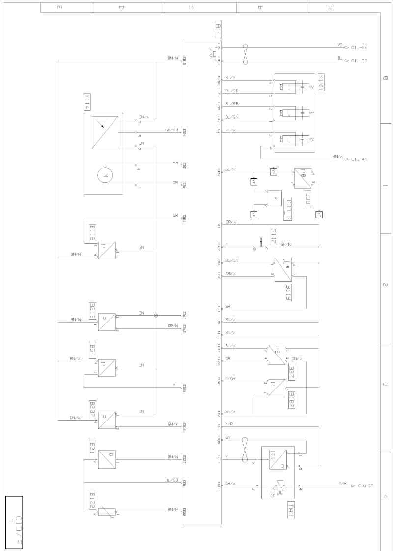
- A14 Engine electronic control unit (EECU) B3d
- A43 Engine fan speed regulator unit B3d
- B21 Engine coolant circuit temperature sensor B3d
- B32 Engine cooling fan speed sensor B3d
- B37 Turbocharging circuit air pressure and temperature sensors assembly B3d
- B39 Air filter pressure and temperature sensor B3d
- B39_B Air filter pressure sensor B3d
- B54 Pressure sensor inside engine block B3d
- B102 Oil temperature sensor on oil filter holder B3d
- B118 Engine oil pressure sensor B3d
- B119 Engine oil level and temperature sensor assembly B3d
- B187 Diesel fuel pressure sensor for exhaust injector B3d
- B207 Piston cooling oil pressure sensor B3d
- B213 Exhaust back-pressure sensor B3d
- S112 Engine shut down control B3d
- Y35 Engine cooling fan speed regulation solenoid valve B3d
- Y103 Exhaust injector solenoid valve B3d
- Y114 Air flow regulation solenoid valve B3d
13-litre engine check (Euro VI) - Phase 2
(OBDEP-C)

Code Title of the function Location
- A14 Engine electronic control unit (EECU) B3d
- A43 Engine fan speed regulator unit B3d
- B21 Engine coolant circuit temperature sensor B3d
- B32 Engine cooling fan speed sensor B3d
- B37 Turbocharging circuit air pressure and temperature sensors assembly B3d
- B39_B Air filter pressure sensor B3d
- B118 Engine oil pressure sensor B3d
- B119 Engine oil level and temperature sensor assembly B3d
- B187 Diesel fuel pressure sensor for exhaust injector B3d
- B207 Piston cooling oil pressure sensor B3d
- B213 Exhaust back-pressure sensor B3d
- S112 Engine shut down control B3d
- Y35 Engine cooling fan speed regulation solenoid valve B3d
- Y103 Exhaust injector solenoid valve B3d
- Y114 Air flow regulation solenoid valve B3d
13-litre engine control (Euro V)

Code Title of the function Location
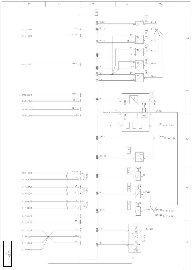
- A14 Engine electronic control unit (EECU) B3d
- A43 Engine fan speed regulator unit B3d
- B21 Engine coolant circuit temperature sensor B3d
- B32 Engine cooling fan speed sensor B3d
- B37 Turbocharging circuit air pressure and temperature sensors assembly B3d
- B39 Air filter pressure and temperature sensor B3d
- B39_B Air filter pressure sensor B3d
- B51 Engine boost pressure sensor B3d
- B54 Pressure sensor inside engine block B3d
- B118 Engine oil pressure sensor B3d
- B119 Engine oil level and temperature sensor assembly B3d
- B207 Piston cooling oil pressure sensor B3d
- B213 Exhaust back-pressure sensor B3d
- S112 Engine shut down control B3d
- Y35 Engine cooling fan speed regulation solenoid valve B3d
11-litre engine control (Euro V)

Code Title of the function Location
- A14 Engine electronic control unit (EECU) B3d
- A45 Fuel heating unit B3d
- B21 Engine coolant circuit temperature sensor B3d
- B51 Engine boost pressure sensor B3d
- B52 Water in fuel sensor B3d
- B54 Pressure sensor inside engine block B3d
- B118 Engine oil pressure sensor B3d
- B207 Piston cooling oil pressure sensor B3d
- R10 Fuel heater resistor no. 2 B3d
- S68 Engine coolant level sensor B3d
- Y37 Exhaust brake solenoid valve unit B3d
- Y38 Dryer bleed solenoid valve B3d
- Y39 VTC engine brake solenoid valve B3d
- Y110 Oil cooling solenoid valve B3d
- Y111 Piston cooling solenoid valve B3d