Автономный водяной отопитель Hydronic L16, L24, L30, L36

Управляющие и предохранительные устройства
На отопительном приборе установлены следующие устройства управления и предохранительные устройства.
• Если отопительный прибор не запускается, то после предельного числа неудачных попыток запуска происходит блокировка блока управления*.
• При слишком низкой пропускной способности по воде из-за преждевременного срабатывания регулятора ограничивается температура воды на выходе.
• Рост температуры теплоносителя контролируется по времени. При слишком быстром подъеме (слишком низкая пропускная способность по воде) отопительный прибор автоматически задает "ВЫКЛ" и начинает инерционный выбег, после этого цикл начинается заново.
• Постоянное сопоставление значений измерений датчика температуры и датчика перегрева обеспечивает дополнительную безопасность отопительного прибора, так как при слишком большой разнице между измеряемыми значениями / слишком низкой пропускной способности по воде происходит преждевременное аварийное выключение.
После определенного количества принудительных отключений происходит блокировка блока управления*.
• При достижении нижней или верхней границ напряжения происходит аварийное отключение.
• Если во время инерционного выбега отопительного прибора датчик пламени определяет наличие пламени, происходит аварийное выключение.
После определенного количества принудительных отключений происходит блокировка блока управления*.
* Снятие блокировки либо считывание сообщений может выполнить представитель JE- с помощью следующего оборудования:
• реле модуля / реле времени EasyStart T
• блок радиоуправления TP5 / EasyStart R+.
Через другие элементы управления путем подключения
• диагностического прибора
• диагностической программы EDiTH.
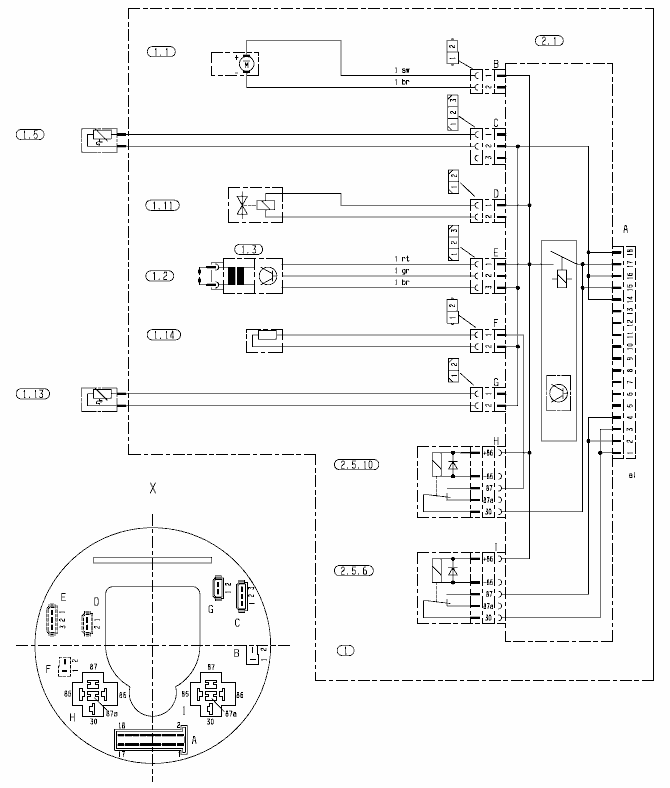
Монтажная схема отопительного прибора – 1

- 1 Отопительный прибор
- 1.1 Двигатель сгорания
- 1.2 Калильные электроды
- 1.3 Источник искры зажигания
- 1.5 Датчик перегрева
- 1.11 Топливный магнитный клапан
- 1.13 Датчик регулирующей температуры, внутренний
- 1.14 Нагревательный элемент топливной форсунки
- 2.1 Блок управления
- 2.5.6 Реле водяного насоса
- 2.5.10 Реле нагревательного элемента
- a) Подсоединение элемента управления
- X Графическое представление блока управления со стороны крыльчатки нагнетателя
Штекеры и корпуса розеточных частей соединителей показаны со стороны входа проводки.
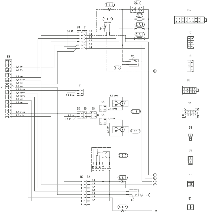
Монтажная схема отопительного прибора – 2

- 2.5.7 Реле управления вентилятором автомобиля
- 2.7 Главный предохранитель 15 A
- 2.7.1 Предохранитель срабатывания 5 A
- 2.7.3 Предохранитель водяного насоса 15 A
- 2.12.1 Водяной насос Flowtronic 6000 SC
- 2.12.2 Водяной насос Flowtronic 5000 / 5000 S
- 3.1.4 Выключатель, сброс температуры
- 3.1.5 Выключатель, водяной насос
- 3.4.1 Регулятор включения
- 3.4.3 Индикатор неисправности
- 3.4.6 Подсветка индикатора горения
- 5.1 Аккумулятор
- 5.2 Разъединитель аккумулятора
- a) Разъем подключения отопительного прибора
- d) По выбору 2.12.1 либо 2.12.2
- f) При использовании 3.2.6, по выбору класс 15 или класс 30 – либо включающий импульс (кабель 1²
- желтый)
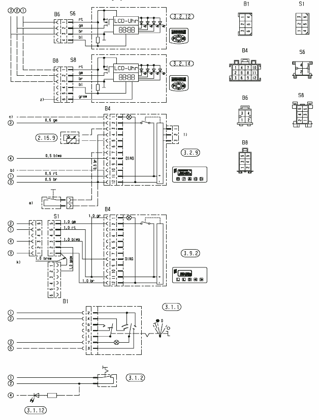
Монтажная схема элементов управления

- 2.15.9 Датчик наружной температуры
- 3.1.1 Универсальный включатель
- 3.1.2 Включатель, обогрев, длительный режим работы
- 3.1.12 Запрос кода неисправности
- 3.2.9 Модульное реле
- 3.2.12 Часовое реле, мини (12 / 24 В)
- 3.2.14 Часовое реле, миниподсветка (12 / 24 В)
- 3.9.2 Диагностический прибор
- b) Подключить к +15
- c) Освещение, клемма 58
- e) Внешняя кнопка "ВКЛ / ВЫКЛ" (опция)
- i) Подсоединение радиомодуля
- k) Не входит в комплект поставки модели 3.9.2
- z) Клемма 58 (освещение)
Изолировать неиспользуемые концы проводки.
Штекеры и корпуса розеточных частей соединителей показаны со стороны входа проводки.
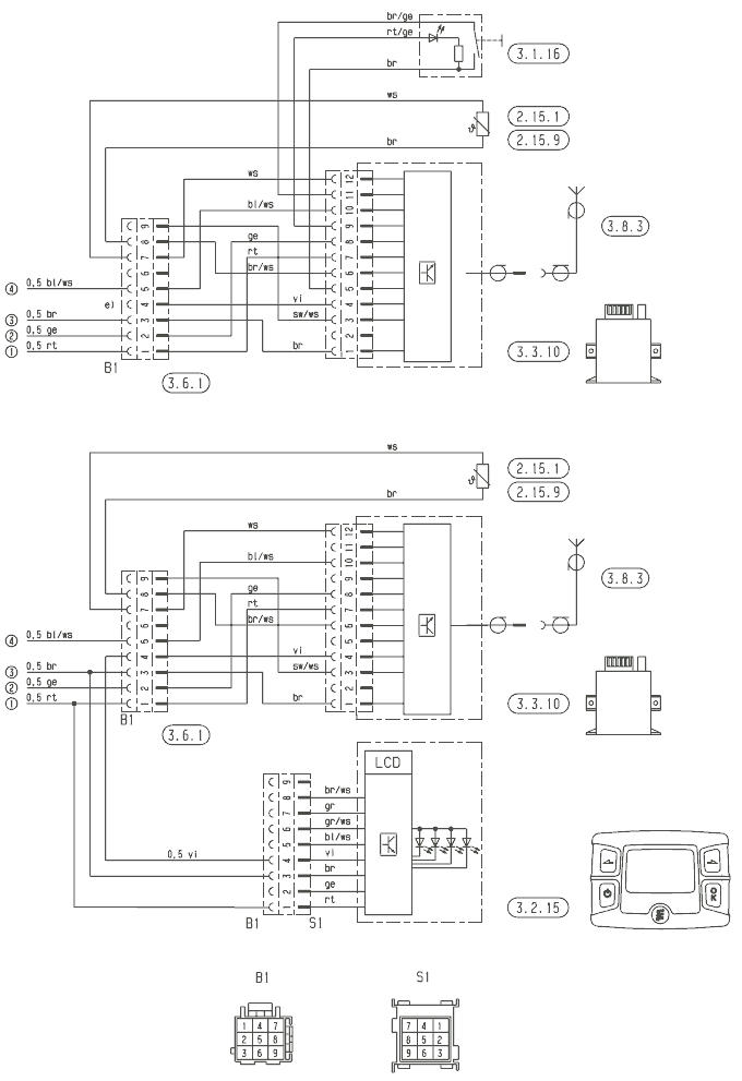
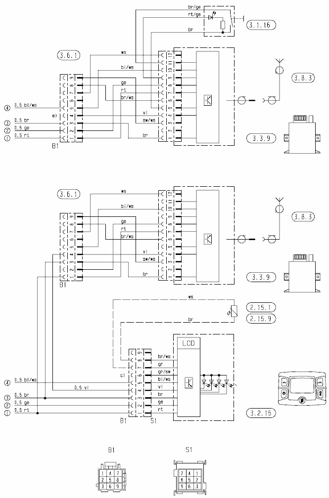
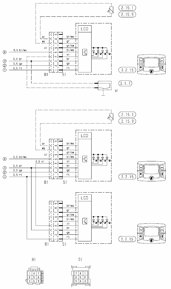
Спецификация монтажных схем элементов управления EasyStart R+ / EasyStart R и EasyStart T
- 2.15.1 Датчик температуры внутри салона (для EasyStart R+ входит в комплект поставки, для EasyStart T и EasyStart R – опция)
- 2.15.9 Датчик наружной температуры (опция)
- 3.1.7 Кнопка "ВЫКЛ"
- 3.1.9 Выключатель "Обогрев / Вентиляция" (для EasyStart Т входит в комплект поставки, для EasyStart R опция)
- 3.1.16 Кнопочный выключатель радиоуправления
- 3.2.15 Часовое реле EasyStart T
- 3.3.9 Блок радиоуправления EasyStart R (стационарный)
- 3.3.10 Блок радиоуправления EasyStart R+ (стационарный)
- 3.6.1 Кабельный стренг
- 3.8.3 Антенна
- c) Клемма 58 (освещение)
- d) Автономная вентиляция при помощи автомобильного вентилятора (опция)
- e) Подключение часового реле EasyStart T
- g) Внешняя кнопка "ВКЛ / ВЫКЛ" (опция)
Цветовые обозначения проводов на монтажных схемах
- sw = черный
- ws = белый
- rt = красный
- ge = желтый
- gn = зеленый
- vi = фиолетовый
- br = коричневый
- gr = серый
- bl = синий
- li = лиловый
Монтажная схема элементов управления – EasyStart R+

Монтажная схема элементов управления – EasyStart R

Монтажная схема элементов управления – EasyStart Т

При возможных неисправностях проверьте следующие пункты
• Отопительный прибор после включения не запускается:
– Выключить и включить отопительный прибор.
• Если отопительный прибор все равно не включается, проверить:
– Есть ли топливо в топливном баке?
– Исправны ли предохранители?
– Исправна ли проводка, соединения, места разъемов?
– Нет ли помех в каналах подачи воздуха в камеру сгорания или отвода выхлопных газов?
– Исправна ли система подачи топлива?