См. также:
Топливная система двигателя MX-13 EN2/10 DAF EURO 6
Топливная система включает систему подачи топлива, модуль фильтрации топлива, систему высокого давления и систему слива топлива.
Топливоподкачивающий насос обеспечивает транспортировку топлива из бака в модуль фильтрации топлива. Модуль фильтрации топлива выполняет несколько задач, таких как очистка и подогрева топлива, а также удаление воды из топлива.
Система высокого давления выполняет функции сжатия и впрыска топлива в камеру сгорания под высоким давлением.
Система слива возвращает излишки топлива в бак или модуль фильтрации топлива.

ОБЗОР ТОПЛИВНОЙ СИСТЕМЫ

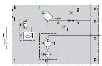
- 1 Модуль фильтрации топлива (L097)
- 1а Отстойник
- 1b Насос подкачки
- 1с Фильтрующий элемент и влагоотделитель
- 1d Подогреватель топлива
- 1е Клапан слива воды
- 1f Емкость с активированным углем
- 1g Отверстие для продувки и холостых оборотов
- 1h Сливной трубопровод (замена фильтра)
- 1i Перелив воды (резерв)
- 1j Точка замера давления топлива
- 1k Подача топлива EAS - модуль впуска топлива
- 11 Соединение подачи топлива в канал
- 1m Возврат топлива из канала
- 1n Впуск топлива из топливоподкачивающего насоса
- 1o Подача топлива в топливоподкачивающий насос
- 1p Возврат топлива в бак
- 1q Впускное отверстие топлива
- 1r Датчик наличия воды в топливе
- 2 Топливоподкачивающий насос
- 2a Топливоподкачивающий насос
- 2b Циркуляционный клапан
- 2c Клапан сброса давления
- 3 Блок цилиндров
- 3a Клапан обратного слива топлива от форсунки
- 3b форсунки Насосные агрегаты топливораспределительной рампы (L092, L093)
- 3c Клапан регулировки давления топлива
- 3d Датчик давления топлива(F801)
- 3e Датчик температуры топлива (F803)
- 4 Общая топливораспределительная рампа
- 4a Клапан сброса давления в топливораспределительной рампе (L094)
- 4b Датчик давления в топливораспределительной рампе (F854)
- 5 Головка цилиндра
- 5a Электромагнитный клапан, форсунка (B421 - B426)
- 6 Топливный бак
- 6a Фильтр грубой очистки в топливном баке
- 6b Отсечной клапан, подача
- 6c Отсечной клапан, возврат
- 6d Нагнетательный клапан
- 6e Датчик уровня топлива (F608)
- 7 Подача воздуха
- 8 Модуль впуска топлива(L135)
- 8a Топливный фильтр
- 8b Отсечной топливный клапан
- 8d Датчик давления топлива
- 8e Обратный клапан
- 8f Отверстие
- 8g Воздушный фильтр
- 8h Отсечной воздушный клапан
- 9 Дозирующий клапан топлива (L124)
- A Трубопровод подачи топлива под давлением на насосе подкачки
- B Давление на выходе насоса подкачки
- C Трубопровод подачи топлива под давлением после топливоподкачивающего насоса
- D Давление в топливном канале от модуля фильтрации топлива
- E Линия слива из топливных форсунок
Подача топлива
Топливо из бака (6) поступает в модуль фильтрации топлива через отсечной клапан (6b) в подающем топливопроводе. Сетчатый фильтр в баке (6a) и фильтр в ручном насосе подкачки предотвращают попадание крупных загрязнений со дна топливного бака в топливную систему. Возвратное топливо
поступает от модуля фильтрации обратно в бак через отсечной клапан (бс). Отсечные клапаны (6b и 6с) открываются, когда подсоединены топливопроводы. При отсоединении топливопроводов, проходящих между двигателем и шасси, клапаны закрываются.
В баке предусмотрен датчик уровня (6e) и клапан давления (6d) в крышке заливной горловины.

СИСТЕМА НИЗКОГО ДАВЛЕНИЯ
Система подачи топлива низкого давления состоит из топливоподкачивающего насоса и модуля фильтрации топлива.
Топливоподкачивающий насос
Топливоподкачивающий насос обеспечивает транспортировку топлива из бака в модуль фильтрации топлива.
Модуль фильтрации топлива
Топливо поступает в модуль фильтрации топлива через ручной насос подкачки (1b).
Оно проходит через соединение (1o) в топливоподкачивающий насос и снова поступает в модуль фильтрации топлива через (1n).
Топливо проходит через встроенный подогреватель топлива (1d) по фильтрующему элементу топливного фильтра (1c) и автоматическому влагоотделителю, который является частью
фильтрующего элемента.
Отделенная вода собирается, ее уровень контролируется датчиком содержания воды в топливе (1r), который активирует автоматический сливной клапан (1e). Вода сливается наружу через угольный фильтр (1f).
Отверстие во влагоотделителе (1i) обеспечивает деаэрацию стакана, отверстие в фильтре (1g) — деаэрацию фильтра. Оба трубопровода соединены с возвратным каналом топлива (1m).
Выходное отверстие для чистого топлива (11) напрямую соединено с топливным каналом блока цилиндров.
На модуле фильтрации топлива предусмотрено контрольное соединение для измерения давления топлива (1j).
Электромагнитный клапан в модуле впуска топлива контролирует подачу топлива в дозирующий клапан EAS-3. Модуль дозирования впрыскивает топливо в систему выпуска отработавших газов в ходе активной регенерации. Чистое топливо поступает в модуль фильтрации топлива по прямому
соединению (1k), при этом управление электромагнитами осуществляется ECU системы обработки отработавших газов (EAS-3).

СИСТЕМА ВЫСОКОГО ДАВЛЕНИЯ

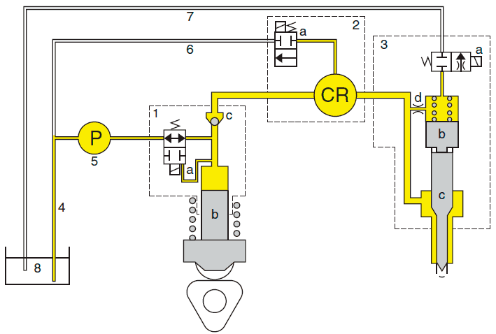
- 1 Общая топливораспределительная рампа
- 2 Электромагнитные клапаны, форсунок, цилиндры (B421 - B426)
- 3 Клапан сброса давления в топливораспределительной рампе (L094)
- 4 Датчик давления в топливораспределительной рампе (F854)
- 5 Насосный агрегат топливораспределительной рампы 1, 2 (L092, L093)
- 6 Демпфер с защитой от вибрации
Система высокого давления включает в себя топливный аккумулятор высокого давления (топливораспределительная рампа, 1), который подсоединяется к 6 форсункам с электромагнитными клапанами (2), устанавливаемым в головку блока цилиндров.
Два насосных агрегата топливораспределительной рампы с электронным управлением (5) встроены в
блок цилиндров двигателя для подачи топлива под высоким давлением в топливораспределительную рампу. Давление в рампе управляется насосными агрегатами топливораспределительной рампы (5) и
измеряется датчиком давления в топливной рампе (4). Демпфер защиты от вибрации (6) снижает вибрации в трубопроводе высокого давления.
Высокое давление в системе создается с помощью двух насосных агрегатов, которые устанавливаются в специальный канал в литом элементе блока цилиндров. Два толкателя устанавливаются в каналы насоса
на блоке двигателя, а ролики толкателей касаются поверхности кулачков. Смазка насосных агрегатов
топливораспределительной рампы (5) осуществляется смазочной системой под давлением.

- 3 Блок цилиндров
- 3а Клапан обратного слива топлива от форсунки
- 3b Насосные агрегаты топливораспределительной рампы (L092, L093)
- 3с Клапан регулировки давления топлива
- 3d Датчик давления топлива(F801)
- 3е Датчик температуры топлива (803)
- 4 Общая топливораспределительная рампа
- 4а Клапан сброса давления в топливораспределительной рампе (L094)
- 4b Датчик давления в топливораспределительной рампе (F854)
- 5 Головка цилиндра
- 5а Электромагнитный клапан, форсунка (B421 - B426)
Система

- 1 Насосный агрегат топливораспределительной рампы
- 1а Дозирующий клапан на выходе
- 1b Плунжер
- 1c Обратный клапан
- 2а Клапан сброса давления в топливораспределительной рампе (L094)
- 3 Форсунка с электромагнитом
- 4 Линия подачи топлива
- 5 Топливоподкачивающий насос
- 6 Возврат топлива из клапана сброса давления в топливораспределительной рампе
- 7 Возврат топлива из форсунки
- 8 Топливный бак
Топливо перемещается из бака (8) по линии подачи (4) с помощью топливоподкачивающего насоса (5) в насосный агрегат высокого давления (1). Если дозирующий клапан на выходе в насосном агрегате не активирован, топливо закачивается обратно в линию подачи топлива. Если дозирующий клапан на выходе (1а) в насосном агрегате задействован, возвратная линия закрывается, и топливо закачивается под высоким давлением в топливораспределительную рампу (2) через обратный клапан (1с). Когда ECU активирует электромагнитный клапан в форсунке (3), происходит впрыск топлива.
Для изменения давления в рампе ECU управляет электромагнитами форсунок (3a), выходными дозирующими клапанами (1a) насосных агрегатов и клапаном сброса давления в топливораспределительной рампе (2a). Регулирование топлива в рампе осуществляется путем активации выходного дозирующего клапана, расположенного внутри насоса высокого давления. Сброс
давления в рампе при возникновении потребности в значительном перепаде давления, осуществляется с помощью клапана сброса давления в топливораспределительной рампе (2a).
Импульсный запрос выходного дозирующего клапана(1a) и токовый запрос клапана сброса давления в топливораспределительной рампе (2a) рассчитываются в зависимости от общей потребности давления в рампе, обратного сигнала давления в рампе, ошибки давления в рампе, частоты вращения двигателя и потребности в количестве топлива. Датчик давления, установленный в рампе, контролирует давление топлива в рампе.
ВОЗВРАТНЫЕ ТОПЛИВОПРОВОДЫ
Возвратные линии
Имеется четыре различные системы возврата:
- Слив из форсунок
- Слив из клапана сброса давления в топливораспределительной рампе
- Слив из топливного канала
- Возвратная линия от модуля фильтрации топлива
Все эти четыре системы обеспечивают возможность слива топлива, которое не используется в процессе сгорания, в систему низкого или высокого давления. По ряду причин топливо должно быть отведено из этих систем и направлено обратно в модуль фильтрации топлива или топливный бак.

Слив из форсунок: топливо поступает из канала в головке блока цилиндров и внешней стальной линии в возвратный канал топлива в блоке цилиндров двигателя. Соединение оснащено клапаном обратного слива форсунки (3a). Клапан обратного слива форсунки служит для предотвращения попадания топлива в блок цилиндров при выдвижении форсунки в случае, если в топливном баке еще осталось давление. Еще одно назначение обратного клапана состоит в том, чтобы поддерживать давление топлива в возвратном канале головки блока цилиндров для предотвращения образования пустот в
форсунках.

Слив из клапана сброса давления в топливораспределительной рампе: после выключения двигателя клапан сброса давления в топливораспределительной рампе (4a) открывается, и давление в
топливораспределительной рампе падает приблизительно до значения 320 бар. При давлении приблизительно ниже 320 бар клапан сброса давления в топливораспределительной рампе(4a)
закрывается. Просачивающееся топливо направляется обратно на сторону входа модуля фильтрации топлива (1).

Слив из топливного канала: если давление в топливораспределительной рампе поднимается до достаточно высокого значения, клапаны насосных агрегатов топливораспределительной рампы не
активируются, и топливо закачивается обратно в канал подачи топлива. Клапан регулировки давления топлива (3c) регулирует давление в канале подачи топлива. Топливо, сливаемое из клапана
регулировки давления, направляется в возвратную линию бака.

Просачивающееся топливо из насосных агрегатов поступает через отверстие в возвратный канал в блоке цилиндров.
Возвратный канал соединен непосредственно с возвратным топливопроводом (1m), ведущим в модуль фильтрации топлива. Если крышка топливного фильтра отвернута, топливо сливается из корпуса фильтра обратно в бак через два сливных отверстия (1h) в основании фильтра. Эти сливные отверстия также предотвращают запуск двигателя при отсутствии фильтрующего элемента.