Подписчикам
"Большой энциклопедии
для автоэлектриков
и диагностов"
доступно 52 гиг. информации
по спецтехнике
KOMATSU
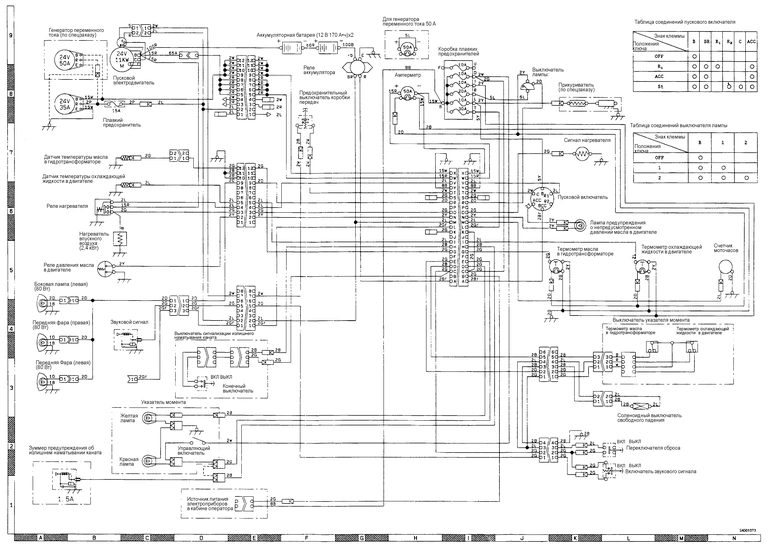
Электрические схемы трубоукладчика Komatsu D85C-21
Шасси
Кабина
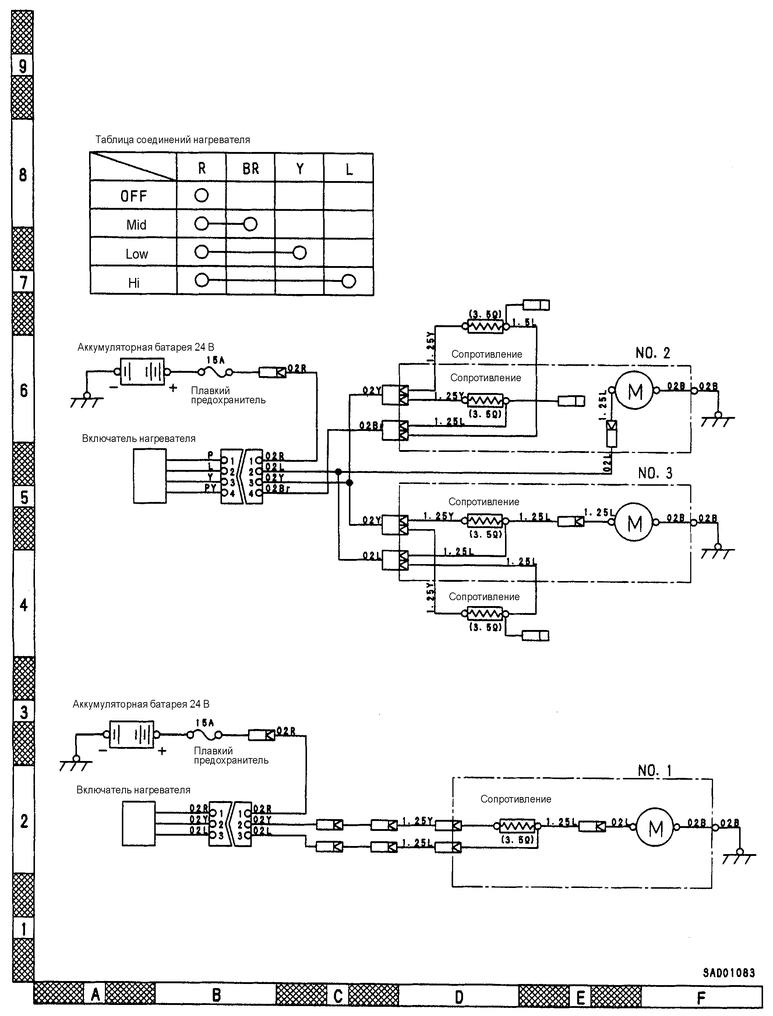
Электрическая цепь нагревателя
Продолжение информации и в полном объеме - только в


