TEREX - TLB 815 RM
(обучение персонала)


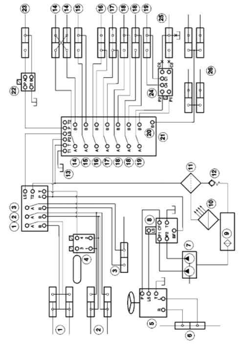
TLB-815RM Гидросистема

1 Универсальный ковш погрузчика
2 Стрела погрузчика
3 Ковш погрузчика
4 Клапан регулировки амортизаторов
5 Мотор рулевого управления Orbitrol
6 Гидроцилиндр рулевого управления
7 Сдвоенный шестеренный гидронасос
8 Клапан приоритета рулевого управления/разгрузки (SP/UV-клапан)
9 Масляный бак
10 Масляный радиатор
11 Фильтры возвратного масла
12 Обратный контрольный клапан
13 Клапан контроля нагрузки
14 Механизм поворота обратной лопаты
15 Стрела обратной лопаты
16 Узел черпания обратной лопаты
17 Ковш обратной лопаты
18 Стабилизаторы обратной лопаты
19 Выдвижной черпак обратной лопаты
20 Фиксаторы основания стрелы (только в выносном варианте)
21 Секция распределителя обратной лопаты
22 Распределитель быстросменного ковша обратной лопаты
23 Гидроцилиндр быстросменного ковша обратной лопаты
24 Переключающий клапан
25 Вспомогательная гидравлика
26 Фиксирующий цилиндр фиксатора основания стрелы (только в выносном варианте)

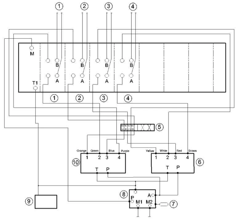
1 Механизм поворота обратной лопаты
2 Стрела обратной лопаты
3 Узел черпания обратной лопаты
4 Ковш обратной лопаты
5 Переключающий клапан
6 Правый управляющий джойстик
7 Аккумулятор
8 Клапан сервопривода
9 Масляный бак
10 Левый управляющий джойстик
Впускной компенсационный клапан
Примечание:
• Гидравлический манометр, который должен быть прилажен к гидравлическому распределителю обратной лопаты.
1. Сбросьте давление гидравлической системы.
2. Отключите провод от отрицательной клеммы аккумулятора.
3. Снимите заглушку контрольного отверстия проверки давления, установите стандартный адаптер кольцевого уплотнения на резьбу 9/16 UNF и присоедините к гидрораспределителю обратной лопаты манометр, работающий в диапазоне давлений 0 -40 бар.
Подключите отрицательный провод аккумулятора.
Предупреждение:
• Во время испытания не приводите в действие никакого оборудования, работающего от гидравлической системы.
5. Запустите двигатель.Обследуйте места подсоединения тестового оборудования на наличие утечек.
6. Дайте системе разогреться до температуры примерно 50-60 °C.
7. Установите скорость вращения двигателя 1800 об/мин.

8. Выберите медленный режим. Убедитесь, что индикатор (1) рядом с кнопкой управления потоком гидравлических насосов горит. При выборе медленного режима, выпуск гидронасоса или разгрузочный клапан не оказывают влияния на работу гидравлической системы. Если индикатор не горит, повторно нажмите кнопку (2).

9. Давление на впускном уравнительном клапане должно составлять 20–21 бар.
10. Остановите двигатель и сбросьте давление из гидравлической системы.
11 . Если показания давления не соответствуют техническим требованиям, добавьте во впускной компенсатор или удалите из него регулировочные прокладки.
Проверка давления главного предохранительного клапана
1. Сбросьте давление гидравлической системы. Для получения дополнительной информации
2. Отключите провод от отрицательной клеммы аккумулятора.
3. Снимите заглушку контрольного отверстия проверки давления и установите стандартный адаптер кольцевого уплотнения на резьбу 9/16 UNF.
4. Подсоедините манометр со шкалой 0–400 бар.
5. Подключите отрицательный провод аккумулятора.
6. Запустите двигатель. Обследуйте места подсоединения тестового оборудования на наличие утечек.
7. Дайте системе разогреться до температуры примерно 50–60 °C.
8. Установите скорость вращения двигателя 1800 об/мин.
9. Выберите медленный режим. Убедитесь, что индикатор (1) рядом с кнопкой управления потоком гидравлических насосов горит. При выборе медленного режима, выпуск гидронасоса или разгрузочный клапан не оказывают влияния на работу гидравлической системы. Если индикатор не горит, повторно нажмите кнопку (2).
10. Полностью поднимите стрелу обратной лопаты и зафиксируйте показания манометра.
11 . Замеренная величина давления должна составлять 225 бар (3260 PSI).

12. Если зафиксированное значение давления не отвечает техническим требованиям, отрегулируйте предохранительный клапан.
• Для увеличения давления поворачивайте регулировочный винт (2) по часовой стрелке.
• Для уменьшения давления поворачивайте регулировочный винт (2) против часовой стрелки.
13. Сбросьте давление гидравлической системы.
Отсоедините диагностические оборудование и подсоедините/установите удаленные элементы.
Запустите двигатель и проверьте возможную утечку масла.

Проверка давления срабатывания клапана контроля нагрузки
1. Сбросьте давление гидравлической системы.
2. Отключите провод от отрицательной клеммы аккумулятора.
3. Снимите гидравлический рукав датчика нагрузки с распределителя погрузчика.
4. Закройте и герметизируйте фитинг распределителя погрузчика с помощью крышки с резьбой 9/16 JIC.
5. Установите гидравлический манометр со шкалой 0–400 бар на открытом конце гидравлического рукава.
6. Подключите отрицательный провод аккумулятора.
7. Запустите двигатель. Обследуйте места подсоединения тестового оборудования на наличие утечек.
8. Дайте системе разогреться до температуры примерно 50–60 °C.
9. Установите скорость вращения двигателя 1800 об/мин.
10. Выполните поочередно различные операции распределителем обратной лопаты -показания гидравлического манометра должны составлять 205–212 бар (разгрузка обратной лопаты).
11 . Если измеренное давление не соответствует техническим требованиям, значит, существует неисправность на участке распределителя обратной лопаты линии датчика контроля нагрузки.
12. Остановите двигатель и сбросьте давление из гидравлической системы.
13. Снимите крышку и уплотнение с распределителя погрузчика и установите на место гидравлический фитинг “Tee”. Снимите гидравлический манометр, установленный на рукаве датчика контроля нагрузки обратной лопаты. Подсоедините гидравлический рукав датчика контроля нагрузки к одному концу гидравлического фитинга “Tee”, а гидравлический манометр -к другому.

Весь мануал смотри в энциклопедии