Электросхема двигателя MR Mercedes Actros EURO 2-3
- Цветовая маркировка проводов -
- bl Синий
- br Коричневый
- ge Жёлтый
- gn Зелёный
- gr Серый
- rs Розовый
- rt Красный
- sw Чёрный
- vi Фиолетовый
- ws Белый
- tk Бирюзовый (бензин)
- or Оранжевый
- tr Световое табло
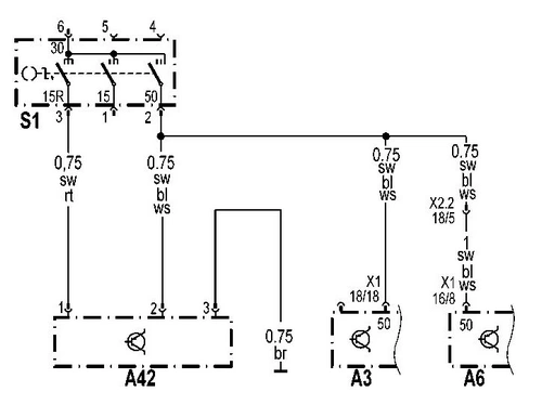
А42: Замок зажигания со считывающим блоком иммобилайзера

- АЗ: Блок управления FR система управления движением
- Аб: Блок управления MR система управления двигателем
- А42: WSP иммобилайзер
- S1: Замок зажигания
- Х2.2: Штекерные соединения платы штекеров кабина водителя -шасси
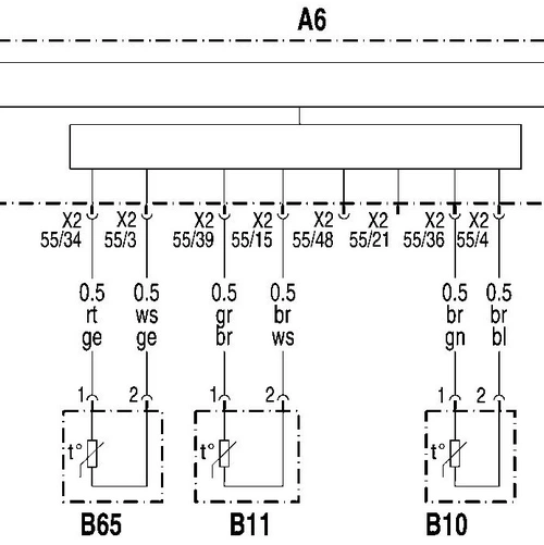
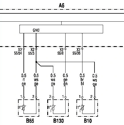
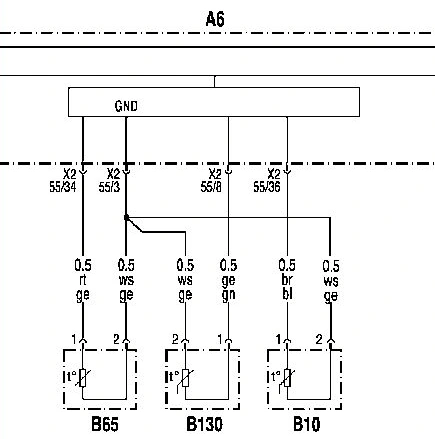
В10: Датчик температуры топлива

- Аб: Блок управления MR система управления двигателем
- Х2: Штекерное соединение (55-полюсное)
- В10: Датчик температуры топлива
Заданные значения и параметры :
- Заданное сопротивление прим. при 25 °С: 1975 - 2155 Ом
- Заданное сопротивление прим. при 60 °С: 575 - 613 Ом
- Заданное сопротивление прим. при 90 °С: 239 - 249 Ом
- Заданное сопротивление прим. при 120 °С: 111 -117 Ом
В11: Датчик температуры масла

- Аб: Блок управления MR система управления двигателем
- Х2: Штекерное соединение (55-полюсное)
- В11: Датчик температуры масла
Заданные значения и параметры :
- Заданное сопротивление прим. при 25 °С: 1975 - 2155 Ом
- Заданное сопротивление прим. при 60 °С: 575 - 613 Ом
- Заданное сопротивление прим. при 90 °С: 239 - 249 Ом
- Заданное сопротивление прим. при 120 °С: 111 -117 Ом
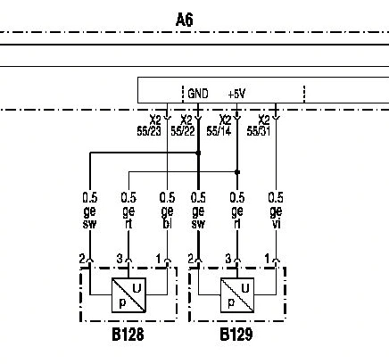
В12: Датчик давления масла

- Аб: Блок управления MR система управления двигателем
- Х2: Штекерное соединение (55-полюсное)
- В12: Датчик давления масла
Заданные значения и параметры :
- Напряжение питания : 5 V
- Напряжение датчиков : 0,5 V - 4,5 V
- Заданное значение при 0,5 бар: 0,5 В
- Заданное значение при б бар: 4,5 В
В14: Датчик уровня масла

- Аб: Блок управления MR система управления двигателем
- Х2: Штекерное соединение (55-полюсное)
- В14: Датчик уровня масла
Заданные значения и параметры :
- Заданное значение: 22 Ом
В15,В1б: Датчик положения коленвала, Датчик положения распредвала

- Аб: Блок управления MR система управления двигателем
- Х2: Штекерное соединение (55-полюсное)
- В15: Датчик положения коленвала
- В1б: Датчик положения распредвала
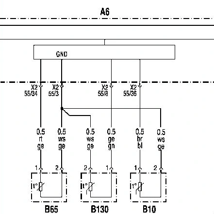
В65: Датчик температуры охлаждающей жидкости

- Аб: Блок управления MR система управления двигателем
- Х2: Штекерное соединение (55-полюсное)
- В65: Датчик температуры охлаждающей жидкости
Заданные значения и параметры :
- Заданное сопротивление прим. при 25 °С: 1975 - 2155 Ом
- Заданное сопротивление прим. при 60 °С: 575 - 613 Ом
- Заданное сопротивление прим. при 90 °С: 239 - 249 Ом
- Заданное сопротивление прим. при 120 °С: 111 -117 Ом
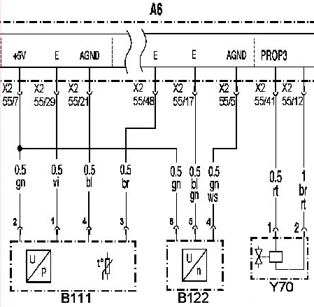
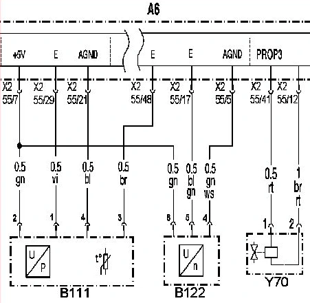
B111: Комбинированный датчик 'Давление и температура нагнетаемого воздуха'

- Аб: Блок управления MR система управления двигателем
- Х2: Штекерное соединение (55-полюсное)
-B111: Комбинированный датчик 'Давление и температура нагнетаемого воздуха'
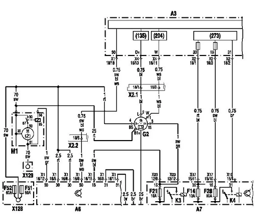
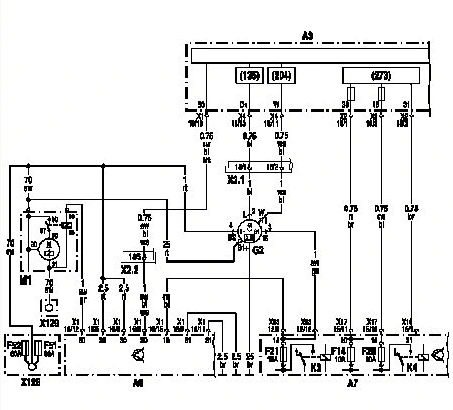
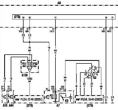
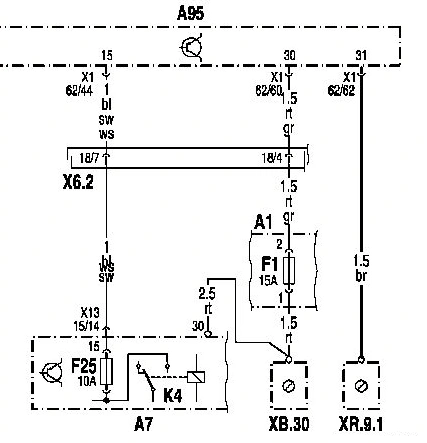
G2: Электропитание блока управления MR система управления двигателем

- Аб: Блок управления MR система управления двигателем
- А7: Базовый модуль
- F21-A7: Предохранитель Клемма 15 - Система управления двигателем / Генератор
- G2: Генератор
- КЗ: Реле 'Клемма 15'
- XI: Штекерное соединение 1б-полюсное
- Х128: Распределитель электроэнергии 'клемма 30'
- 273: Электропитание
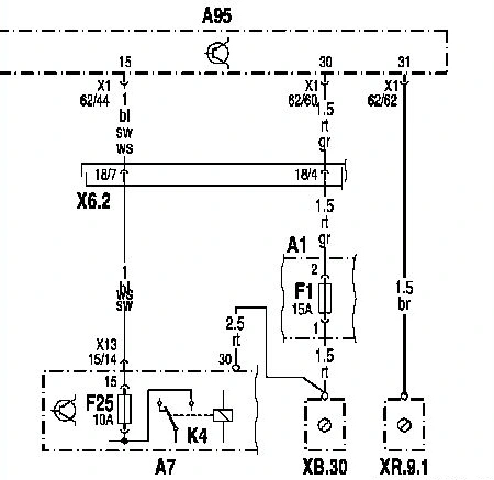
M1: Стартер
- АЗ: Блок управления FR система управления движением
- Аб: Блок управления MR система управления двигателем
- А7: Блок управления Базовый модуль GM
- F14-A7: Предохранитель Клемма 30 - FR система управления движением
- F21-A7: Предохранитель Клемма 15 - Система управления двигателем / Генератор
- F28-A7: Предохранитель Клемма 15 - FR система управления движением
- G2: Генератор
- КЗ: Реле 'Клемма 15' Система управления двигателем
- К4: Реле 'Клемма 15' FR система управления движением
- M1: Стартер с реле стартера
- Х128: Распределитель электроэнергии 'клемма 30'
- Х129: Распределитель электроэнергии 'клемма 31'
S10, S11: Выключатель 'Запуск и остановка двигателя'

- Аб: Блок управления MR система управления двигателем
- Х2: Штекерное соединение (55-полюсное)
- S10: Кнопка пуска двигателя
- S11: Кнопка остановки двигателя
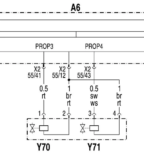
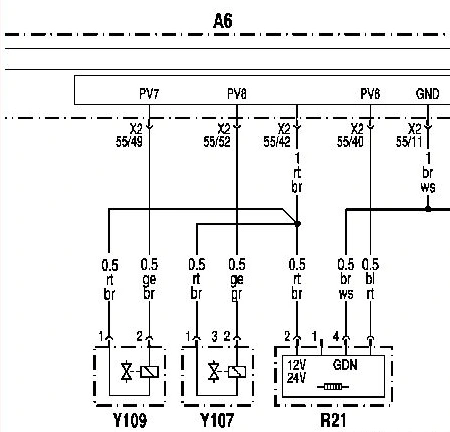
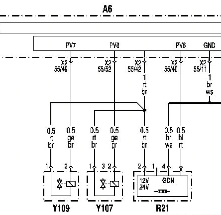
Y70, Y71: Вентилятор Linnig

- Аб: Блок управления MR система управления двигателем
- Х2: Штекерное соединение (55-полюсное)
- Y70: Электромагнит ступени вентилятора 1
- Y71: Электромагнит ступени вентилятора 2
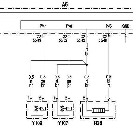
ТНВД цилиндров 1 ряда

- Аб: Блок управления MR система управления двигателем
- Х2: Штекерное соединение (55-полюсное)
- Y6: ТНВД 1 цилиндра
- Y7: ТНВД 2 цилиндра
- Y8: ТНВД 3 цилиндра
ТНВД цилиндров 2 ряда

- Аб: Блок управления MR система управления двигателем
- Х2: Штекерное соединение (55-полюсное)
- Y9: ТНВД 4 цилиндра
- Y10: ТНВД 5 цилиндра
- Y11: ТНВД 6 цилиндра
Шина данных CAN двигателя

- АЗ: Блок управления FR система управления движением
- Аб: Блок управления MR система управления двигателем
- XI: Штекерное соединение (1б-полюсное)
- Х2.2: Штекерное соединение (18-полюсное)
- Х4: Штекерное соединение (18-полюсное)
Указание:
- Место установки штекерного соединения Х2.2 на плате штекеров 'Кабина водителя - шасси'
Электропитание блока управления FR система управления движением

- АЗ: Блок управления FR система управления движением
- А7: Блок управления Базовый модуль GM
- F28-A7: Предохранитель Клемма 15 - FR система управления движением
- К4: Реле 'Клемма 15'





























































