Электрические схемы EDC MS 6.4 MAN
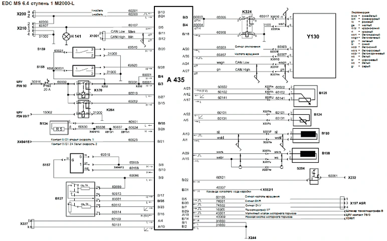
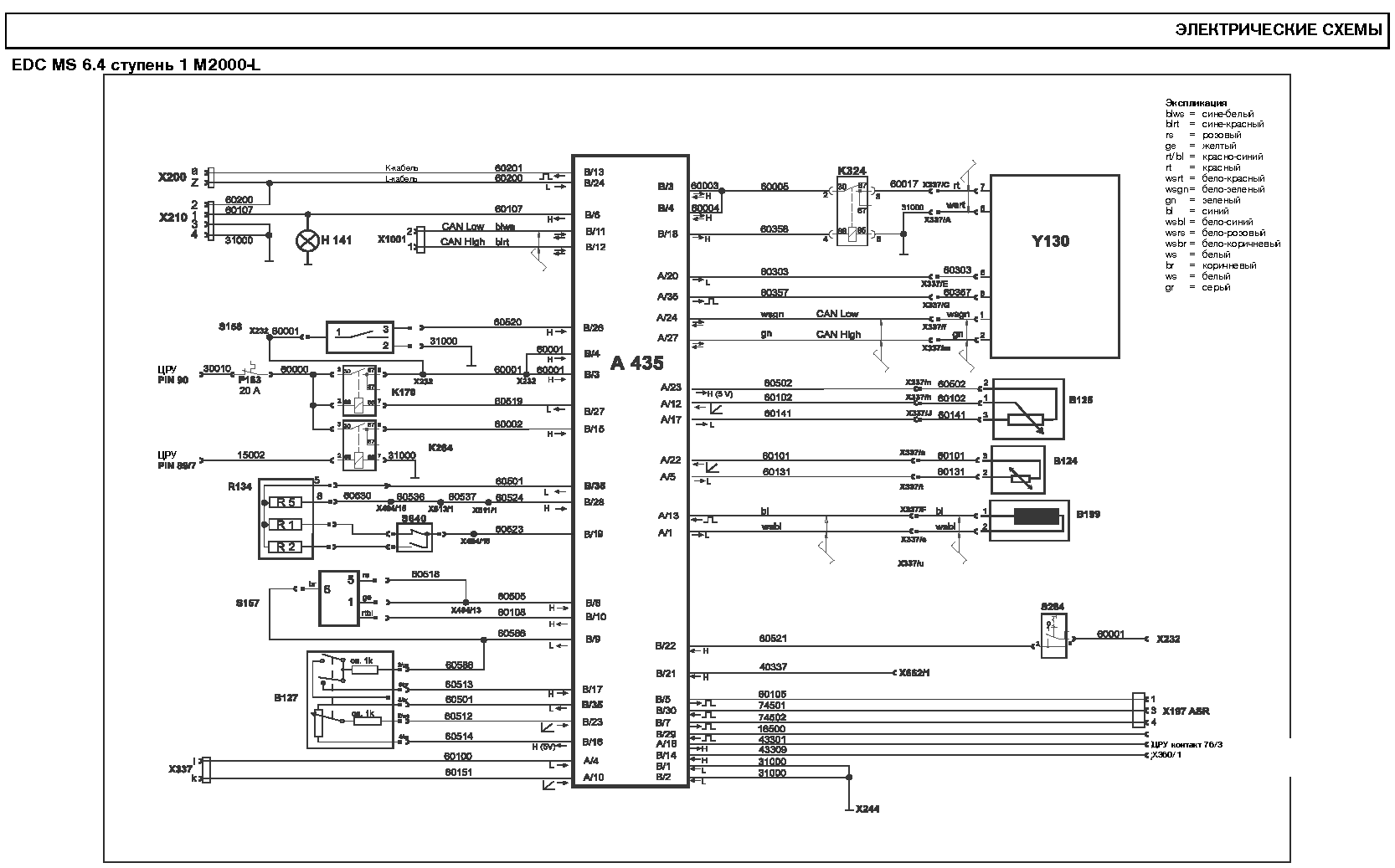
EDC MS 6.4 ступень 1
- A435 Блок управления EDC (блок управления двигателя)
- B124 Датчик температуры воды
- B125 Датчик давления наддува
- B127 Педальный датчик
- B198 Датчик движения иглы
- B199 Датчик частоты вращения
- F163 Автомат защиты 20 A
- H141 Контрольная лампа EDC
- K170 Реле электропитания кл. 30 (главное реле)
- K234 Реле резервного отключения EDC
- K264 Реле электропитания кл. 15
- R134 Группа резисторов
- S157 Переключатель на рулевой колонке (элемент управления), система регулирования скорости
- S158 Выключатель на приближение на педали тормоза
- S159 Выключатель на приближение на педали сцепления
- S284 Переключатель FGR/FGB
- X197 Штекерное соединение ASR
- X200 Штекерное соединение 37-пол. (разъем диагностики)
- X210 Штекерное соединение 4-пол. MOT (разъем запроса мигающего кода)
- X232 Штекерный распределитель для кабеля 60001
- X244 Распределитель массы приборной панели
- X337 Штекерное соединение кабина - двигатель
- X360 Штекерное соединение моторного тормоза
- X494 Штекерное соединение разъема ZDR
- X662 Штекерное соединение системы управления коробкой передач
- X811 Штекерное соединение отключения режима Темпомат
- X813 Штекерное соединение ограничения момента
- X1001 Штекерное соединение шины данных CAN
- Y130 Исполнительный механизм ТНВД (блок управления насоса)
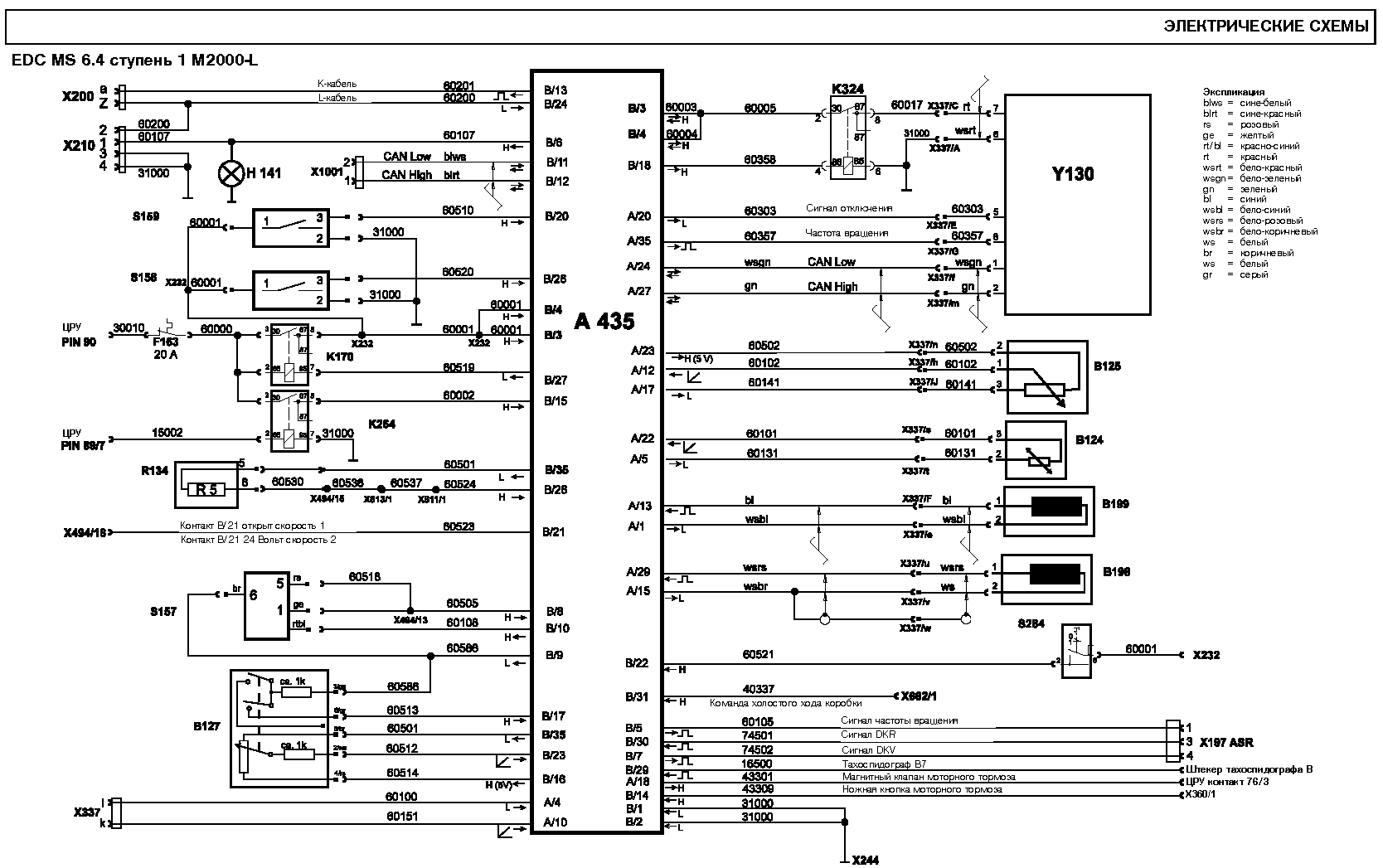
EDC MS 6.4 ступень 2
- A435 Блок управления EDC (блок управления двигателя)
- B124 Датчик температуры воды
- B125 Датчик давления наддува
- B127 Педальный датчик
- B199 Датчик частоты вращения
- F163 Автомат защиты 20 A
- H141 Контрольная лампа EDC
- K170 Реле электропитания кл. 30 (главное реле)
- K234 Реле резервного отключения EDC
- K264 Реле электропитания кл. 15
- R134 Группа резисторов
- S157 Переключатель на рулевой колонке (элемент управления), система регулирования скорости
- S158 Выключатель на приближение на педали тормоза
- S284 Переключатель FGR/FGB
- S640 Переключатель HGB 1/HGB 2
- X197 Штекерное соединение ASR
- X200 Штекерное соединение 37-пол. (разъем диагностики)
- X210 Штекерное соединение 4-пол. MOT (разъем запроса мигающего кода)
- X232 Штекерный распределитель для кабеля 60001
- X244 Распределитель массы приборной панели
- X337 Штекерное соединение кабина - двигатель
- X494 Штекерное соединение разъема ZDR
- X662 Штекерное соединение системы управления коробкой передач
- X811 Штекерное соединение отключения режима Темпомат
- X813 Штекерное соединение ограничения момента
- X1001 Штекерное соединение шины данных CAN
- Y130 Исполнительный механизм ТНВД (блок управления насоса)

