Центральный бортовой компьютер II (ZBR 2) автобусов MAN
(тренинг персонала)
В TEPS с технологией TG благодаря применению 2 первичных БУ, в которых через EOL закладываются все зависящие от типа и варианта параметры, количество вариантов БУ уменьшается.
Центральный бортовой компьютер - это соединительный элемент между трансмиссией и приборной панелью.
К центральному бортовому компьютеру подключена CAN-Трансмиссия и CAN-Приборная панель. Он проверяет входящую CAN-информацию и передает ее далее.
Дополнительно центральный бортовой компьютер берёт на себя управление и контроль компонентов, не относящихся к трансмиссии (напр. компоненты освещения, управление стеклоочистителем и т. д.).
Положения выключателей передаются от приборов по CAN-шине приборов в центральный бортовой компьютер.
Регистратор сбоев для диагностики всего транспортного средства находится в центральном бортовом компьютере.
Обзор системы центрального компьютера II




Расположение штекеров центрального компьютера II
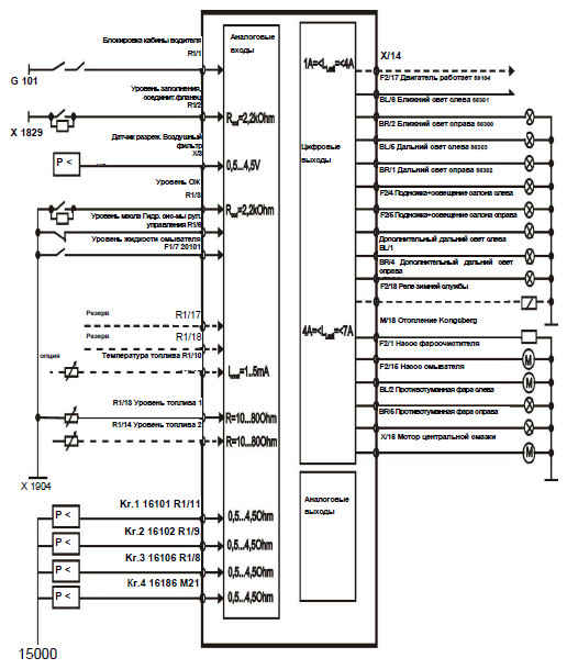
Центральный бортовой компьютер обладает 9 эл. разъемами.

- ZE штекер центральн. блока элетрики 12+8-контактн.
- BR штекер освещения справа 6-контактн.
- BL штекер освещения слева 6-контактн.
- X штекер резерва 18-контактн.
- R2 штекер рамы 18-контактн.
- F2 штекер кабины 18-контактн.
- F1 штекер кабины 18-контактн.
- R1 штекер рамы 18-контактн.
- М штекер двигателя 18-контактн.
Штекер R1 (рамы) - кодировка: 2

Штекер R2 (рамы) - кодировка: 3

Штекер F1 - кодировка: 6

Штекер F2 - кодировка: 5

Штекер M (двигатель) - кодировка: 4

Штекер Х (резерв) - кодировка: 1

Штекер BL (освещение слева) - кодировка: 6

Штекер BR (освещение справа) - кодировка: 7

Штекер ZE (центральный блок электрики)


Место установки центрального компьютера II
Рейсовый автобус

Туристический автобус
