SANY SRSC45V / SRSC45V1A / SRSC45V5
(гидравлические и электрические схемы)
Table of Contents
1 Symbol Explanation
1.1 Symbol Explanation
2 Hydraulic Schematics
2.1 Hydraulic Schematic Diagrams
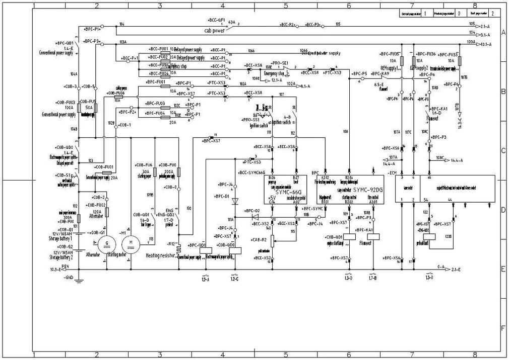
3 Electrical Schematic Diagrams
3.1 ElectricalSchematicDiagrams
4 Schematic Diagrams of Spreader System
4.1 Hydraulic schematic diagram of spreader system
4.1.1 SDJ450H-R1 Spreader
4.1.2 ELME817 Spreader
4.1.3 BROMMA RSX40 Spreader
4.2 Electrical schematic diagram of spreader system
4.2.1 SDJ450H-R1 Spreader
4.2.2 ELME817 Spreader
4.2.3 BROMMA RSX40 Spreader
Hydraulic Schematics

Electrical Schematic Diagrams

Все схемы в высоком качестве смотри в