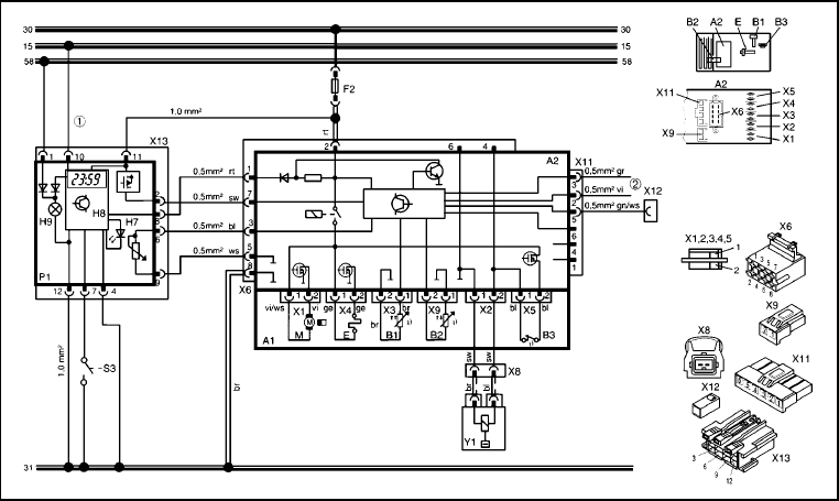
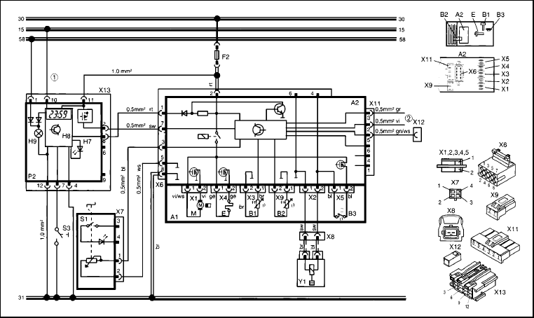
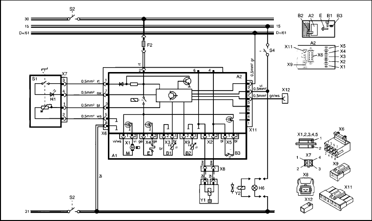
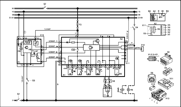
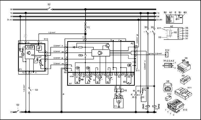
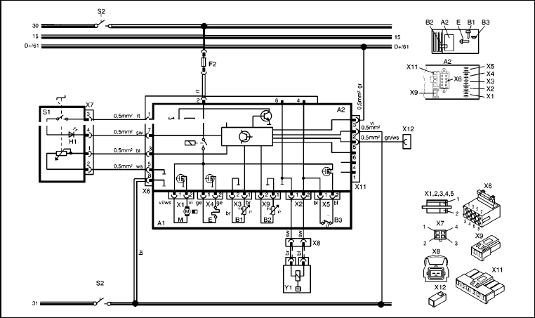
Электросхема автономного отопителя AT 2000








Описание электрической схемы
Позиция Обозначение
А1 Отопитель
А2 Блок управления
В1 Детектор пламени
В2 Температурный датчик
ВЗ Ограничитель нагрева
Е Стержень накаливания
F2 Предохранитель 24 В 10А/ 12 В 15А
Н1 Светодиод зеленый (в поз. S1)
Нб Лампочка (мин. 1,2 Вт)
Н7 Светодиод, красный {в поз. Р)
Н8 символ ..отопление' на дисплее (в поз. ..D")
Н9 лампочки (в поз. Р)
М Мотор
Р1 Многофункциональный таймер (1531)
Р2 Таймер стандартный (1531)
S1 Орган управления
S2 Разъединитель 1-или 2-полюсный
S3 Кнопочный переключатель
S4 Переключатель
S5 Переключатель
Х1 - Х5 Штекерный разъем. 2-полюсный
Хб Штекерный разъем. 8-полюсный
Х7 Штекерный разъем. 4-полюсный
Х8 Штекерный разъем. 2-полюсный
Х9 Штекерный разъем. 2-полюсный
XII Штекерный разъем, б-полюсный
Х12 Штекерный разъем. 1-полюсный
Х13 Штекерный разъем. 12-полюсный
Y1 Дозирующий насос
Y2 Магнитный клапан
Y3 Магнитный клапан
Цвета кабельной проводки
bl синий
Ьг коричневый
ge желтый
gn зелёный
gr серый
or оранжевый
rt красный
sw чёрный
vi фиолетовый
ws белый
Выдача кода ошибок
При оснащении отопителя многофункциональным или стандартным таймером при появлении неисправности 8 отопителе на дисплее таймера появляется кодовая надпись, обозначающая причину неисправности:
- F 01 отсутствие запуска (после двух попыток)
- F 02 обрыв пламени (повторяется >5 раз)
- F 03 повышенное или пониженное напряжение
- F 04 преждевременный сигнал датчика пламени об образовании пламени
- F 05 прерывание или короткое замыкание датчика пламени
- F 0б прерывание или короткое замыкание датчика температуры
- F 07 прерывание или короткое замыкание дозирующего насоса
- F 08 прерывание или короткое замыкание мотора нагнетателя воздуха или его неправильное число оборотов
- F 09 прерывание или короткое замыкание стержня накаливания
- F 10 перегрев