Подогреватели предпусковые дизельные
14ТС Mini 24
14ТС Mini 24 GP
14ТС Mini 12 GP
14ТС Mini 24 GP TM
14ТС Mini 12 GP TM
Полный набор свойств подогревателя включает следующие функции.
1 Обеспечение надежного разогрева двигателя при низких температурах воздуха.
2 Дополнительный догрев двигателя и салона при работающем двигателе в условиях сильных морозов.
3 Подогрев салона и лобового стекла (для удаления обледенения) при неработающем двигателе.
4 Возможность установки времени (выбор времени работы подогревателя от 40 минут до 8 часов) и автоматического завершения работы.
5 Возможность управления подогревателем с мобильного телефона (при покупке модема).
Подогреватели 14ТС-Mini-24 и 14ТС-Mini-24-GP отличаются свечей накаливания и блоком управления.
Подогреватели 14ТС-Mini-24/12-GP и 14ТС-Mini-24/12-GP-TM отличаются топливным насосом.
РЭ может не отражать незначительные конструктивные изменения связанные с модификацией изделия или внесенные предприятием-изготовителем после подписания к печати.

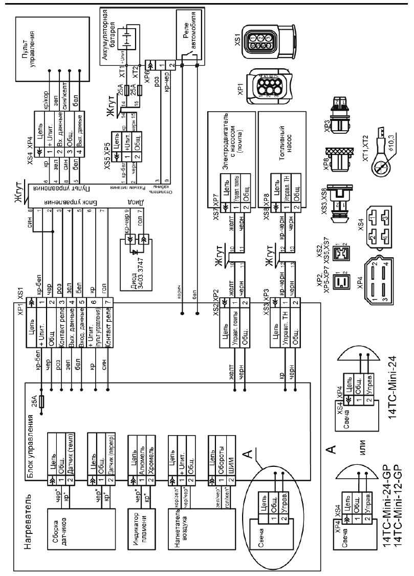
Схема электрических соединений

Основные узлы подогревателя
Описание устройства и работы подогревателя
Подогреватель работает независимо от автомобильного двигателя. Питание подогревателя электроэнергией осуществляется от автотранспортного средства.
Питание подогревателя топливом может осуществляться из топливного бака автомобиля или из топливного бака входящего в комплектацию подогревателя.
Подогреватель является автономным нагревательным устройством, которое содержит:
- нагреватель;
- топливный насос для подачи топлива в камеру сгорания;
- электродвигатель с насосом (помпа) для принудительной прокачки рабочей жидкости системы охлаждения (тосола) через теплообменную систему нагревателя;
- блок управления, осуществляющий управление вышеперечисленными устройствами;
- устройство пуска, индикации и управления (пульт управления);
- жгуты проводов для соединения элементов подогревателя с аккумуляторной батареей автомобиля;
- модем (по дополнительному заказу) для удаленного управления подогревателем.
Подогреватель своим жидкостным контуром встраивается в систему охлаждения двигателя таким образом, чтобы его помпа обеспечивала циркуляцию охлаждающей жидкости в двигателе и нагревателе.
Принцип действия подогревателя основан на разогреве жидкости, которая принудительно прокачивается через теплообменную систему нагревателя.
Для разогрева жидкости в качестве источника тепла используются продукты сгорания топливно-воздушной смеси в камере сгорания. Тепло через стенки теплообменника передается охлаждающей жидкости, которая прокачивается через систему охлаждения двигателя автомобиля.
При включении подогревателя осуществляется тестирование и контроль работоспособности элементов подогревателя: индикатора пламени, датчиков температуры и перегрева, помпы, электромотора нагнетателя воздуха, свечи, топливного насоса и их электроцепей. При исправном состоянии начинается процесс розжига. Одновременно включается помпа.
Подогреватель может работать по одной из двух программ: «экономичной» или «предпусковой». Экономичная программа отличается меньшей потребляемой мощностью.
При запуске происходит предварительная продувка камеры сгорания и разогрев до необходимой температуры свечи накаливания. Затем подается топливо и воздух. В камере сгорания начинается процесс горения. Контроль горения осуществляет индикатор пламени. Всеми процессами при работе подогревателя управляет блок управления.
Блок управления осуществляет контроль температуры охлаждающей жидкости и в зависимости от ее величины устанавливает режимы работы подогревателя: «полный», «средний» или «малый». На режиме «полный» по программе «предпусковая» охлаждающая жидкость нагревается до 70°C, по программе «экономичная» до 55°C, а при нагреве свыше 70°C или 55°C, соответственно, переходит на режим «средний». На режиме «средний» по программам «предпусковая» или «экономичная» охлаждающая жидкость нагревается до температуры 75°C, а при нагреве свыше 75°C подогреватель переходит на режим «малый». На режиме «малый» охлаждающая жидкость нагревается до 80°C (по обеим программам), а при температуре свыше 80°C подогреватель переходит на режим «остывания». При этом прекращается процесс горения, продолжается работа помпы и обогрев салона автомобиля. При охлаждении жидкости ниже 55С по программе «предпусковая» подогреватель автоматически включается вновь на режим «полный», а по программе «экономичная» на режим «средний».
Продолжительность полного цикла работы можно установить в диапазоне от 40 минут до 8 часов. Кроме того, имеется возможность выключить подогреватель в любой момент цикла.
При выключении подогревателя вручную или автоматически по истечении установленного времени работы, прекращается подача топлива и производится продувка камеры сгорания воздухом.
Особенности автоматического управления работой подогревателя в аварийных и нештатных ситуациях:
1) если по каким-либо причинам не произошёл запуск подогревателя, то процесс запуска автоматически повторится. После 2-х неудачных попыток происходит выключение подогревателя;
2) если во время работы подогревателя горение прекратится, то подогреватель пойдет на повторный розжиг. Если розжиг не состоится, он выдаст ошибку 13, если же розжиг состоялся, то работа продолжится. Если во время работы зафиксируется больше 3 срывов пламени, то подогреватель выдаст ошибку 78;
3) при перегреве подогревателя (например, вследствие нарушения циркуляции охлаждающей жидкости, воздушных пробок и др.) происходит автоматическое его выключение;
4) при падении напряжения ниже 20В (10,5В) или его повышении свыше 30В (16В) происходит выключение подогревателя. В скобках указаны значения для подогревателя работающего при номинальном напряжении 12В.
5) при аварийном выключении подогревателя на индикаторе пульта управления высветится код неисправности. При этом код неисправности и светодиод, отображающий работу подогревателя, будут мигать. Расшифровка кода неисправности приведена в разделе 8 данного руководства по эксплуатации.
Примечание. Обогрев кабины автомобиля возможен только при открытом положении крана отопителя салона и замкнутом прерывателе массы автомобиля.