DAF ECAS 5 Электросхема и компоненты
Block diagram, ECAS-5
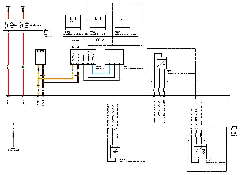
ECU A Basic Version, FT leaf-spring suspension front, FT-LD leaf-spring front suspension, FTT

A optional
B if front leaf-spring suspension FT-LD
C if ALM
D if front leaf-spring suspension FT
D400 central box
D453 ECAS-5 ECU
E351 fuse electrical systems
E457 fuse ECAS
F905 ECAS pressure sensor driven axle right
F906 ECAS height sensor driven axle right
L195 air supply valve driven axle
P002 VECU ECU
P020 ECAS remote control ECU
S078 ECAS normal driving height switch
S095 increase manoeuvring switch
S098 2nd driving height switch
ECU B extended, all vehicle types except FAK - FAQ - FTT

A if front air suspension FT-LD
B if Australian version
C if FAN FAG
D if front air suspension FT
E if ALM + lift air suspension
F if ALM + front air suspension
G if ALM
H if ALM
B366 buzzer trailing axle
D400 central box
D453 ECAS-5 ECU
E351 fuse electrical systems
E457 fuse ECAS
F899 ECAS pressure sensor lift axle 1
F901 ECAS pressure sensor lift bellow 1
F904 ECAS pressure sensor driven axle left
F905 ECAS pressure sensor driven axle right
F906 ECAS height sensor driven axle right
F907 ECAS height sensor front axle
F908 ECAS height sensor driven axle left
F909 ECAS pressure sensor front axle
L191 ECAS front axle valve
L192 air supply valve lift axle 1 and lift bellow 1
L195 air supply valve driven axle
L196 air supply valve driven axle
L205 air supply leading rear axle or trailing axle valve
P002 VECU ECU
P020 ECAS remote control ECU
S078 ECAS normal driving height switch
S079 lifting axle switch
S080 traction aid switch
S095 increase manoeuvring switch
S098 2nd driving height switch
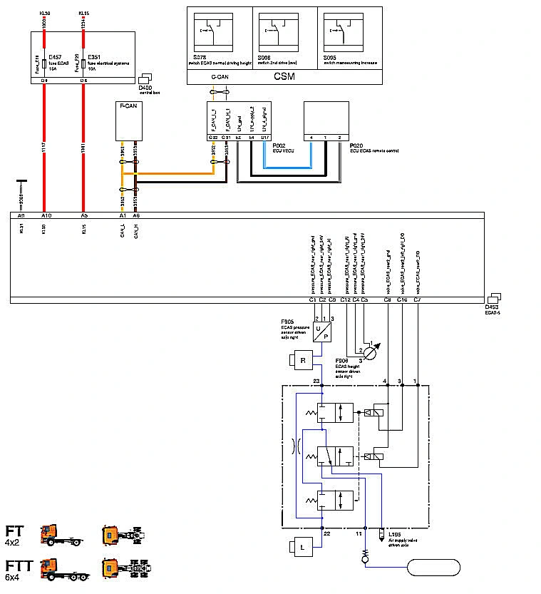
All configurations, ECAS-5
FT / FT low deck / FTT
Applicable to:
Leaf sprung front axle
2nd drive level switch (optional)
Manouvring level switch (if low deck)

D400 central box
D453 ECAS-5 ECU
E351 fuse electrical systems
E457 fuse ECAS
F905 ECAS pressure sensor driven axle right (only for ALM & lowdeck)
F906 ECAS height sensor driven axle right
L195 air supply valve driven axle
P002 VECU ECU
P020 ECAS remote control ECU
S078 ECAS normal driving height switch
S095 increase manoeuvring switch
S098 2nd driving height switch
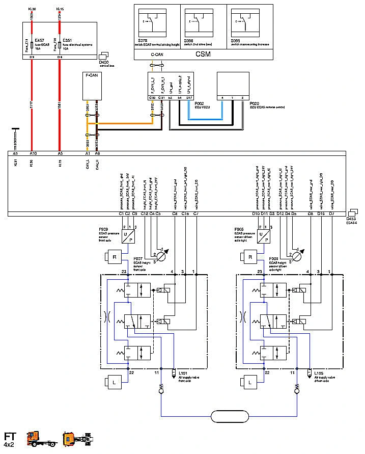
FT / FT low deck
Applicable to:
Air sprung front axle
2nd drive level switch (optional)
Manouvring level switch (if low deck)

D400 central box
D453 ECAS-5 ECU
E351 fuse electrical systems
E457 fuse ECAS
F905 ECAS pressure sensor driven axle right (only for ALM & lowdeck)
F906 ECAS height sensor driven axle right
F907 ECAS height sensor front axle
F909 ECAS pressure sensor front axle (only for ALM & lowdeck)
L191 ECAS front axle valve
L195 air supply valve driven axle
P002 VECU ECU
P020 ECAS remote control ECU
S078 ECAS normal driving height switch
S095 increase manoeuvring switch
S098 2nd driving height switch
ECAS system operation
The electronic control unit (D453) processes the signal of the ECAS-5 system.
The optimal chassis height is stored in the memory of the electronic control unit. The height sensor (F906/F907/F908) registers the chassis
height and sends this value to the electronic control unit which compares the value with the optimal chassis height in the memory.
If there is a difference between the optimal chassis height in the memory and the measured chassis height, the electronic control unit actuates the solenoid valve block (L191/L192/L195/L196/L197/L205), which inflates or deflates the air bellows.
When the vehicle is stationary this is done immediately.
When the vehicle is being driven, the difference should be present for longer than 60 seconds for example, while driving around roundabouts and to limit air consumption.
The unit recognises the situation as it receives a speed signal via the CAN.
If the chassis height measured by the unit does not correspond to the chassis height for the normal driving height that is stored in the unit
memory, the warning lamp on the instrument panel (D366) is activated by VECU (P002).
The chassis can be returned to the optimal driving height by activating the normal driving height switch (S078).
If there is a fault present in the ECAS system this will be shown on the master display of the instrument panel (D366).
The height of the chassis can be adjusted as desired with the ECAS-5 remote control (P020) or with the cabin switches for ECAS-5.

Inputs and outputs
Inputs
Remote control (P020).
ECAS chassis height sensor(s) (F906/F907/F908).
ECAS pressure sensor(s) (F899/F900/F901/F902/F904/F905/F909).
Cabin Switch Module ECU (P003).
VECU ECU (P002).
Outputs
The solenoid valve block
(L191/L192/L195/L196/L197/L205).