Тренинг персонала по топливной системе EDC MS 6.1 MAN

СОДЕРЖАНИЕ
- Сокращения VII
- Введение
- Правила техники безопасности
- Руководство по использованию электрических схем
- Описание оборудования
- Описание системы
- Общая информация
- Конструкция и принцип действия
- Функциональное описание
- Блок управления EDC (A435)
- Топливный насос высокого давления (Y130)
- Датчик движения иглы (B198)
- Датчик частоты вращения (B199, B200)
- Датчик давления наддува (B125)
- Датчик давления масла (B104)
- Датчик давления топлива (B377)
- Датчик температуры топлива (B197)
- Датчик температуры охлаждающей жидкости (B124)
- Датчик температуры наддувочного воздуха (B123)
- Главное реле (K170)
- Регулятор рециркупяции ОГ (Y280)
- Описание компонентов
- Блок управления EDC (A435)
- Топливный насос высокого давления (Y130)
- Датчик движения иглы (B198)
- Датчик частоты вращения (B199, B200)
- Датчик давления наддува (B125)
- Датчик давления масла (B104)
- Датчик давления топлива (B377)
- Датчик температуры топлива (B197)
- Датчик температуры охлаждающей жидкости (B124)
- Датчик температуры наддувочного воздуха (B123)
- Главное реле (K170)
- Регулятор рециркупяции ОГ (Y280)
- Диагностика
- Перечень SPN (коды неисправностей) по EDC 6.1 ступень 4 версия V55
- Контрольный перечень EDC 6.1
- Схема поиска сбоев
- Программа поиска неисправностей
- Электрические схемы
- Принципиальные схемы
- Принципиальная схема EDC 6.1 грузовой автомобиль
- Электросхема № 81.99192.2795
- EDC MS 6.1 грузовых автомобилей типа X с AGR (EURO 3)
- Электросхема № 81.99192.2986
- EDC MS 6.1 грузовых автомобилей TG с AGR (EURO 3)
- Электросхема № 81.99192.2985
- EDC MS 6.1 грузовых автомобилей TG без AGR (EURO 2)
- Электросхема № 81.99289.5892
- EDC MS 6.1 туристические автобусы
- Электросхема № 81.99289.5961
- EDC MS 6.1 междугородные автобусы с двигателем D2866 LUH 27/28/29 Лист 1 из 4
- Электросхема № 88.99289.6910
- EDC MS 6.1 маршрутные автобусы
- Штекерная разводка контактов мультиплексора
- Штекерная разводка контактов мультиплексного узла спереди, блоки управления 1.3 (A413)
- Штекерная разводка контактов мультиплексного узла сзади справа 1.8 (A418)
- Штекерная разводка контактов мультиплексного узла спереди справа 2.1 (A421)
- Штекерная разводка контактов мультиплексного узла сзади слева 2.8 (A428)
Сокращения
A
- a Ускорение
- ABE Общий допуск к эксплуатации
- ABS Антиблокировочная система
- ABV Автоматическое противоблокировочное устройство
- AC Air Condition (кондиционер/климат-контроль)
- ACC Adaptive Cruise Control (система регулирования скорости Темпомат с автоматическим поддержанием безопасной дистанции)
- ACK Autocheck (диагностическая система)
- ADC Аналогово-цифровой конвертер (преобразование аналоговых сигналов в цифровые)
- ADR Международное соглашение по автомобильной транспортировке опасных грузов
- AGB Автоматический ограничитель скорости
- AGND Analog Ground (аналоговая масса)
- AGR Рециркуляция ОГ (отработавших газов)
- AHK Тягово-сцепное устройство
- AHV Тормозной клапан прицепа
- ALB Автоматическое регулирование тормозного усилия в зависимости от нагрузки
- AMA Антенная мачта
- ANH Прицеп/полуприцеп
- AS Автоматическая коробка передач
- ASD Розетка прицепа
- ASM Модуль управления прицепа
- ASR Антипробуксовочная система
- ASV Клапан управления прицепа
- ATC Automatic Temperature Control (автоматическое регулирование температуры)
- ATF Automatic Transmission Fluid (трансмиссионное масло автоматической коробки передач)
- AU Контроль токсичности ОГ
- AV Выпускной клапан
- AVS Автоматическая преселективная система
B
- BA Руководство по эксплуатации
- BBA Рабочая тормозная система
- BBV Рабочий тормозной клапан
- BKR Регулятор тормозного усилия
- BUGH Система отопления спереди
- BV Резервный клапан (запасной клапан)
- BVA Индикатор износа тормозных накладок
- BVS Сенсор износа тормозных накладок
- BVV Питание сенсора износа тормозных накладок
- BW Бундесвер
- BWG Тормозной датчик
- BZ Тормозной цилиндр
C
- CAN Controller Area Network (шина данных с бит-серийной передачей)
- CAN-H Линия передачи данных CAN-high
- CAN-L Линия передачи данных CAN-low
- CATS Computer- Assisted Testing and diagnosting System (компьютерная система контроля и диагностики)
- CCVS Cruise Control Vehicle Speed (режим поддержания постоянной скорости Темпомат)
- CKD Complete Knocked Down (полностью разобранный автомобиль)
- CNG Compressed Natural Gas (сжатый природный газ)
- CPU Central Processing Unit (центральный процессор)
- CRT Continously Regenerating Trap (глушитель, катализатор окисления, фильтр дизельных частиц)
- CS Джойстик управления сцеплением Comfort-Shift
D
- DAHL Потолочный вентилятор
- DBR Реле тормоза-замедлителя
- DECKE Потолок (для дверей)
- DF Датчик частоты вращения
- DFÜ Дистанционная передача данных
- DIA Диагностический и информационный дисплей
- DIAK Диагностика, K-кабель (линия передачи данных)
- DIAL Диагностика, L-кабель (линия возбуждения)
- DIAR Диагностика, последующее возбуждение
- DIN Немецкий промышленный стандарт
- DKE Открытие дроссельной заслонки (регулирование ASR)
- DKH Обогрев потолочного канала
- DKL Крышки люков
- DKR Закрытие дроссельной заслонки (требования закрытия от ASR к EDC/EMS)
- DKV Уставка дроссельной заслонки (сигнал задатчика нагрузки от педального датчика EDC/EMS)
- DLB Пневматическая тормозная система
- DM Diagnostic message (сообщение диагностики)
- DNR Нейтраль заднего хода (рычажной коммутатор автоматической коробки)
- DPF Фильтр дизельных частиц
- DRM Модуль регулирования давления
- DS Сенсор давления
- DSV Клапан регулирования давления
- DV Дроссельный клапан
- DWA Противоугонная сигнализация
- DZG Датчик частоты вращения
- DZM Тахометр
E
- EBS Электронная тормозная система
- ECAM Electronically Controlled Air Management (электронная пневматическая система)
- ECAS Electronically Controlled Air Management (электронная пневматическая подвеска)
- ECE Аварийное отключение по ECE 36
- ECU Electronic Control Unit (блок управления)
- EDC Electronic Diesel Control (электронная система управления впрыском дизельного топлива)
- EDM Электронная система контроля расхода дизельного топлива
- EDR Регулирование максимальной частоты вращения
- EEC Электронный контроллер двигателя (Electronic engine controller)
- EEPROM ЭСППЗУ - стираемая и перезаписываемая (программируемая) энергонезависимая память
- EFR Электронная система регулирования ходовой части
- EFS Электрическое сиденье водителя
- EHAB Электрогидравлический блокиратор
- ELAB Электрический блокиратор
- ELF Электронная пневматическая подвеска
- EMS Электронная система управления мощностью двигателя
- EMV Электромагнитная совместимость
- EOL End Of Line (программирование на выходе с конвейера)
- EP ТНВД (топливный насос высокого давления)
- ER Тормоз-замедлитель двигателя (моторный тормоз)
- ESAC Electronic Shock Absorber Control (электронная система регулирования ходовой части)
- ESP Electronic Stability Program (электронная программа обеспечения устойчивости)
- ESR Электрическая солнечная шторка
- EST Электронный блок управления
- EV Впускной клапан
- EVB Exhaust Valve Brake (моторный тормоз)
F
- FAP Рабочее место водителя
- FAQ Frequently Asked Questions (ответы на часто задаваемые вопросы)
- FBA Стояночная тормозная система
- FDR Регулирование динамики движения
- FFR Управляющий процессор автомобиля
- FGB Система ограничения скорости
- FGR Система регулирования скорости
- FHS Кабина
- FIN Идентификационный номер автомобиля (номер шасси автомобиля)
- FM Система управления автомобилем
- FMI Failure Mode Identifikation (тип сбоя)
- FMR Регулирование двигателя автомобиля
- FOC Front Omnibus Chassis (автобусное шасси с двигателем в передней части)
- FSCH Обогрев лобового стекла
- FSG Понтоноукладчик
- FSH Обогрев стекол/зеркал
- FTW Перегородка места водителя
- FUNK Рация
- FZA Система маршрутной индикации
G
- GDK Дизельный катализатор
- GEN Генератор
- GET Коробка передач
- GGVS Норматив перевозки опасных грузов автомобильным транспортом
- GND Ground (масса)
- GP Планетарная группа коробки передач (задний делитель)
- GS Система управления коробкой передач
- GV Передний делитель коробки передач (группа передач делителя)
H
- HA Задний мост
- HBA Вспомогательная тормозная система
- HGB Ограничение максимальной скорости
- HGS Гидравлическая система переключения передач
- HLUE Гидростатический привод вентилятора
- HOC Heck Omnibus Chassis (автобусное шасси с двигателем в задней части)
- HSS Контактор Highside
- HST Основная коммутационная плата
- HU Основной техосмотр
- Hz Герц (смена/период в секунду)
- HZA Система сигнализации остановки по требованию
- HZG Вспомогательный датчик частоты вращения
I
- IBEL Освещение кабины
- IBIS Интегрированная бортовая информационная система
- IC Integrated Circuit (интегрированная коммутируемая схема)
- ID Идентификация
- IMR Встроенное механическое реле (стартерная система)
- INA Информационный дисплей (например, контрольная лампа)
- IR Индивидуальное регулирование (ABS)
- IRM Модифицированное индивидуальное регулирование (ABS)
- ISO International Standard Organisation (Международная ассоциация стандартизации)
- IWZ Инкрементная система измерения угла/времени
K
- KBZ Комбинированная тормозная камера
- KFH Обогрев топливного фильтра
- KITAS Интеллектуальный сенсор спидографа Kienzle
- KLI Климат-контроль
- KNEEL Система наклона кузова
- KSM Специфический модуль управления заказчика
- KSW Особое пожелание заказчика
- KWP Key Word Protocol (протокол диагностики с MAN-cats)
L
- LBH Ресивер
- LCD Liquid Crystal Display (жидкокристаллический дисплей)
- LDA Зависимый от давления наддува ограничитель хода рейки ТНВД
- LDF Датчик давления наддува
- LDS Система амортизации пневматических рессор
- LED Light Emitting Diode (светодиод)
- LF Пневматическая подвеска
- LGS Lane Guard System (система курсового контроля)
- LL Частота вращения двигателя на холостом ходу
- LLA Увеличение частоты вращения двигателя на холостом ходу
- LLR Регулирование частоты вращения на холостом ходу
- LNA Подруливаемый поддерживающий мост
- LNG Liquified Natural Gas (сжиженный природный газ)
- LOE Контроль масла рулевого привода
- LPG Liquified Petroleum Gas (сжиженный газ)
- LWR Регулирование угла наклона оптической оси фар
- LSVA Зависимый от мощности отбор
M
- M-TCO Модульный спидограф ЕС
- MAB Останов магнитным клапаном (останов двигателя при помощи магнитного клапана высокого давления в ТНВД)
- MAN- cats MAN- computer- assisted testing and diagnosting system (компьютерная система контроля и диагностики MAN)
- MAR Реле останова магнитным клапаном (реле резервного останова двигателя)
- MDB Диапазон частоты вращения двигателя
- MES Регулятор подачи топлива
- ML Midline (средняя линия)
- MMI Интерфейс человек-машина
- MOTB Моторный тормоз
- MP Кабельный туннель двигателя (кабельный туннель на моторном блоке)
- MR Регулятор двигателя - ASR
- MSG Блок управления двигателем (EDC)
- MV Магнитный клапан
- MZ Тормозная пневматическая камера
N
- n Частота вращения
- NA Механизм отбора мощности
- NBF Датчик движения иглы
- NES Новая структура электроники
- NFZ Транспортные средства для перевозки грузов и пассажиров
- NLA Поддерживающий мост
- NSL Задний противотуманный фонарь
- NSW Противотуманная фара
O
- OBDU On board diagnostic unit (бортовой диагностический блок)
- OC Occurrence Count (счетчик повторяемости ...сбоя)
- OEAB Маслоотделитель
- OENF Дозаправка масла
P
- p Давление
- PBM Pulse Breadth Modulation (сигнал широтно-импульсной модуляции, см. также PWM)
- PLM Программируемый логический модуль
- PSG Блок управления насосом (EDC)
- PTO Power Take Off (механизм отбора мощности)
- PWM Pulse Width Modulation (сигнал широтно-импульсной модуляции, см. также PBM)
R
- RA Руководство по ремонту
- RAH Отопление салона
- RAM Random Access Memory (ОЗУ - энергозависимая записываемая/считываемая память)
- RAS Rear Axle Steering (подруливание заднего моста)
- RAS-EC Rear Axle Steering- Electronic Controlled (электронный подруливаемый задний мост)
- RDRA Система регулирования давления воздуха в шинах
- RDS Информационная радиосистема
- RET Тормоз-замедлитель
- RKL Проблестковый маячок
- RLV Релейный клапан
- RME Raps Methyl Ester (биодизель)
- ROM Read Only Memory (ПЗУ - постоянное запоминающее устройство)
S
- SA Специальное оборудование
- SAE Society of Automoiv Engineers (Союз инженеров автотранспорта)
- SAMT Semi Automatic Mechanic Transmission (полуавтоматическая механическая коробка передач)
- SB Сервисный центр
- sec Секунда
- SER Серия
- SG Блок управления
- SH Регулирование select-high (ABS)
- SKD Semi Knocked Down (полуразобранный автомобиль)
- SL Регулирование select-low (ABS)
- SML Боковые габаритные фонари
- SPN Suspect Parameter Number (номер места сбоя)
- STA Пуск/останов двигателя
- SWR Фароочиститель
T
- t Время
- TC Traction Control (антипробуксовочная система)
- TCM Trailer Control Modul (модуль управления прицепа)
- TCO Спидограф
- TKU Техническая документация заказчика
- TMC Traffic Message Channel (информационный канал о ситуации на дорогах)
- TRS Транспортные технические нормативы
- TSC Torque Speed Control (тормозной момент)
- TUER Система дверного управления
U
- U Напряжение аккумулятора
- UDS Аварийные данные в памяти
V
- v Скорость
- VA Передний мост
- VG Раздаточная коробка
- VLA Передний поддерживающий мост
W
- WA Руководство по техническому обслуживанию
- WAB Влагоотделитель
- WaPu Трансмиссионный тормоз от водяного насоса
- WLE Сменный бортовой модуль
- WR Сигнальное реле
- WS Сенсор перемещения
- WSK Гидротрансформаторное сцепление
Z
- z Коэффициент торможения
- ZBR Центральный бортовой компьютер (ЦБК)
- ZBRO Центральный бортовой компьютер автобуса (ЦБКА)
- ZDR Регулирование промежуточной частоты вращения
- ZE Блок предохранителей и реле (БПР)
- ZR Центральный процессор
- ZS Централизованная смазочная система (ЦСС)
- ZUSH Дополнительный отопитель
- ZWS Интервальная система технического обслуживания
- λ Пробуксовка
- μ Коэффициент трения
- μC Микроконтроллер (микропроцессор)
ОПИСАНИЕ СИСТЕМЫ
Общая информация
Уровень требований законодательства и заказчиков в отношении экологии, расхода топлива,
показателей выброса ОГ и шумовой нагрузки, постоянной частоты вращения механизмов отбора
мощности и т.п. на дизельных двигателях постоянно растет и все больше будет расти в будущем.
Разработка электронной системы управления впрыском дизельного топлива EDC (Electronic Diesel
Control) находится на высоком техническом уровне и отвечает вышеназванным требованиям.
В сочетании с электронным управлением переключения коробки передач, антиблокировочными
системами, антипробуксовочными системами, системами регулирования ходовой части,
электронными тормозными системами и т.п., эта система повышает экономичность транспортных
средств, улучшает комфорт езды, облегчает труд водителя и сокращает уровень нагрузки на
окружающую среду.
Конструкция и принцип действия
Предпосылкой для эффективного сгорания является хорошее смесеобразование. При этом система
впрыска топлива играет центральную роль. Топливо должно впрыскиваться в правильном объеме,
в соответствующий момент времени и под высоким давлением.
Принципиальное отличие системы MS 6.1 от системы MS 5 заключается в наличии привязанного к двигателю блока управления EDC, который управляет только основными функциями. В сочетании с управляющим процессором автомобиля, который поддерживает все остальные функции, как, например, положение педали акселератора или функции Темпомат, система преобразует уставку крутящего момента, получаемую от управляющего процессора автомобиля через шину данных CAN, в положение рейки ТНВД.
Известный по системе MS 5 плунжерный ТНВД применяется здесь без изменений. Топливный
насос высокого давления (ТНВД) состоит из обычной системы впрыска известных насосов BOSCH
и прифланцованного вместо механического регулятора электромагнитного регулятора подачи
топлива и электромагнитного регулятора начала впрыскивания (предварительный ход плунжера
ТНВД/регулятор начала подачи топлива). Топливный насос высокого давления EDC называется
также "плунжерный ТНВД", так как исполнительный механизм начала впрыска топлива выполняет
"плунжерное" движение. Помимо линейных магнитов в исполнительном механизме находятся
датчик перемещения регулятора и маслоподающий насос. Линейные магниты преобразуют уставку
крутящего момента, которую блок управления получает от управляющего процессора автомобиля
через шину данных CAN, в положение рейки ТНВД. Для этого он обрабатывает информацию об
эксплуатационном состоянии двигателя, получаемую через датчики в регуляторе, через датчик
движения иглы, датчик давления наддува, датчик температуры охлаждающей жидкости, датчик
температуры топлива, датчик температуры наддувочного воздуха (только на Euro 3), датчик давления
масла, датчик давления топлива и датчики частоты вращения.
Схематическая структура

1 Топливный насос высокого давления (Y130)
2 Датчики частоты вращения (B199, B200)
3 Датчик движения иглы (B198)
4 Датчик давления наддува (B125)
5 Датчик температуры топлива (B197)
6 Датчик температуры воды (B124)
7 Датчик давления топлива (B377)
8 Датчик температуры наддувочного воздуха (B123)
9 Датчик давления масла (B104)
10 Блок управления EDC (A435)
11 Управляющий процессор автомобиля (A403)
12 Центральный бортовой компьютер (A302)
13 Приборный щиток (A407)
14 Контрольная лампа EDC (сбой) (H296)
15 Контрольная лампа воздушного фильтра (H374)
16 Контрольная лампа
17 Блок управления EBS (A402)
18 Переключатель на рулевой колонке (A429)
19 Сенсорный переключатель тормоза-замедлителя (A437)
20 Педаль акселератора (A410)
21 Датчик хода сцепления (B362)
22 Усилитель привода сцепления (Y308)
I-CAN Шина данных CAN приборной панели
M-CAN Шина данных CAN двигателя
T-CAN Шина данных CAN трансмиссии M-TCO-CAN Шина данных CAN тахоспидографа M-TCO
ФУНКЦИОНАЛЬНОЕ ОПИСАНИЕ
Блок управления EDC (A435)

- A Штекер A 35-полюсный
- B Штекер B 35-полюсный
Блок управления обрабатывает сигналы датчиков и рассчитывает командные сигналы для исполнительных элементов. В рамках концепции безопасности блок управления двигателя осуществляет контроль над всей системой впрыска топлива.
Чтобы двигатель мог работать с оптимальным сгоранием в любом эксплуатационном состоянии, блок
управления двигателя проводит расчет соответствующего объема впрыска. При этом учитываются
следующие параметры:
– Пусковой объем топлива
– Режим движения
– Регулирование холостого хода
– Регулирование ограничения впрыска
При пуске двигателя расчет объема впрыска происходит в зависимости от температуры и частоты
вращения. При низких температурах двигатель нуждается в значительно большем объеме впрыска,
чем в прогретом состоянии. Водитель не имеет возможности влиять на пусковой объем.
В режиме нормальной эксплуатации расчет объема впрыска происходит в зависимости от положения
педали акселератора и частоты вращения. Расчет происходит на основании характеристики
динамических свойств.
На холостом ходу двигателя расход топлива определяется в основном эффективностью работы и
частотой вращения двигателя на холостых оборотах. При этом происходит настройка по возможности
низкой частоты вращения двигателя на холостом ходу. Тем не менее холостой ход должен быть
отрегулирован таким образом, чтобы не допустить значительного падения частоты вращения
двигателя на холостом ходу, работы двигателя с перебоями или остановки двигателя при любых
условиях, как, например, нагруженная бортовая сеть, включенный кондиционер, включенная передача на автоматической коробке передач, активированный гидроусилитель рулевого управления и т.д.
Впрыск желаемого водителем или физически возможного объема топлива не всегда возможен.
Причинами этого являются:
– слишком большой выброс вредных веществ,
– слишком высокий выброс копоти из-за низкого давления наддува,
– механическая перегрузка из-за высокого крутящего момента или повышенной частоты вращения,
– термическая перегрузка из-за высокой температуры охлаждающей жидкости, масла или
турбокомпрессора.
Ограничение впрыска регулируется на основании различных входных величин, например, температура охлаждающей жидкости, частота вращения.
Разводка контактов штекера A



Разводка контактов штекера B



Топливный насос высокого давления (Y130)
Топливный насос высокого давления, называемый также "плунжерный ТНВД", так как исполнительный
механизм начала впрыска топлива выполняет "плунжерное" движение, состоит из обычной системы
впрыска известных П-насосов в усиленном исполнении и прифланцованного вместо механического
регулятора электромагнитного регулятора подачи топлива и электромагнитного регулятора начала
впрыскивания (предварительный ход плунжера ТНВД/регулятор начала подачи топлива).
Основное отличие от П-насоса заключается в насосном элементе. В цилиндре находится окно и скользящий на поршне плунжер. В плунжере располагаются перепускные отверстия для начала подачи и окончания подачи. Так как плунжер регулируется по высоте, он позволяет также изменять начало подачи и окончание подачи. В корпусе насоса находится поворотный регулирующий вал с захватами, которые зацепляются в паз плунжера. При вращении вала все плунжеры равномерно регулируются по высоте с изменением предварительного хода плунжера ТНВД и начала подачи.

Регулятор подачи топлива работает аналогично известным регуляторам EDC-RE в сочетании с П-насосом. Наиболее важным компонентом регулятора подачи топлива является линейный магнит, сердечник которого воздействует непосредственно на рейку регулирования подачи и соответственно задает перемещение задатчика объема впрыска. В обесточенном состоянии рейка ТНВД удерживается пружиной в положении останова. Регулятор предварительного хода плунжера ТНВД/начала подачи топлива также оснащен линейным магнитом, сердечник которого вызывает вращательное движение плунжерного вала через рычаг регулятора. В обесточенном состоянии регулирующий вал также удерживается пружиной, чтобы плунжеры находились в своем верхнем положении, иными словами, в положении задержки начала подачи. Дополнительными компонентами регулятора являются датчик перемещения регулятора и масляный насос (вязкостный насос).
Штекерная разводка контактов регулятора

Таблица штекерной разводки контактов

Датчик движения иглы (B198)

Датчик движения иглы определяет начало впрыска топлива при помощи сенсора, который интегрирован непосредственно в корпус форсунки. Этот сенсор воспроизводит момент впрыска
топлива (начало впрыска) на основании движения иглы.
Таблица штекерной разводки контактов

Штекерная разводка контактов

Датчик частоты вращения (B199, B200)

Датчик частоты вращения регистрирует частоту вращения коленчатого вала двигателя. Датчик частоты вращения состоит из постоянного магнита и катушки с большим количеством витков.
Магнит "касается" своим магнитным полем контролируемой, вращающейся части агрегата; как правило зубчатого или шлицевого венца. При прохождении зубца или шлица через магнитное поле датчика магнитный поток усиливается или соответственно уменьшается. Данный процесс вызывает индуктированное напряжение в катушке датчика, которое анализируется управляющей электроникой. Расстояние от датчика до шлицевого венца составляет примерно 1 мм. Для надежной работы системы EDC требуются два датчика частоты вращения. Оба датчика частоты вращения установлены в картере маховика (в разных местах в зависимости от типа двигателя). Различают первичный датчик частоты вращения и вспомогательный датчик частоты вращения. Первичный датчик частоты вращения устанавливается в картере маховика таким образом, чтобы импульс частоты вращения давался на 10° после ВМТ. На основании времени от импульса датчика движения иглы до первого последующего импульса датчика частоты вращения EDC-MS 6.1 рассчитывает начало впрыска топлива. Вспомогательный датчик частоты вращения устанавливается в картере маховика таким образом, чтобы вспомогательный импульс частоты вращения давался на 18° после ВМТ. Сигналы вспомогательного датчика частоты вращения предназначены исключительно для резервного замера частоты вращения и не используются при расчете начала впрыска.
Таблица штекерной разводки контактов первичного датчика частоты вращения

Таблица штекерной разводки контактов вспомогательного датчика частоты вращения

Штекерная разводка контактов

Коммутационная схема

Датчик давления наддува (B125)

Датчик давления наддува предназначен для замера абсолютного давления наддува. Элемент датчика и электроника для усиления сигнала и компенсации температуры интегрированы в кремниевый кристалл. Активная поверхность кремниевого кристалла находится под воздействием эталонного вакуума. Давление впускного трубопровода подводится через напорный патрубок к задней стороне мембраны, которая резистентна среде измерения.
Датчик давления наддува установлен на впускном трубопроводе. При классификации дефекта датчика давления наддува задается резервный параметр, т.е. моделируется исправный сенсор. Это позволяет избежать ограничений при эксплуатации.
Характеристика сенсора

Таблица штекерной разводки контактов

Штекерная разводка контактов

Датчик давления масла (B104)

Датчик давления масла предназначен для защиты двигателя. Он контролирует давление масла.
Диапазон замера составляет от 0 бар (0,5 В) до 6 бар (4,5 В).
Характеристика сенсора

Таблица штекерной разводки контактов

Штекерная разводка контактов

Датчик давления топлива (B377)

Датчик давления топлива контролирует давление топлива на впуске насоса (сторона низкого давления). Диапазон замера составляет от 0 бар (0,5 В) до 6 бар (4,5 В). Конструкция датчика давления топлива аналогична датчику давления масла.
Характеристика сенсора

Таблица штекерной разводки контактов

Штекерная разводка контактов

Датчик температуры топлива (B197)

Датчик температуры топлива представляет собой терморезистор с отрицательным ТКС. Он ввернут в
корпус ТНВД и измеряет температуру топлива для определения плотности топлива. В зависимости
от температуры топлива блок управления вызывает различные характеристики режимов работы
двигателя.
Таблица результатов замера

Таблица штекерной разводки контактов

Штекерная разводка контактов

Коммутационная схема

Датчик температуры охлаждающей жидкости (B124)

Датчик температуры охлаждающей жидкости представляет собой терморезистор с отрицательным
ТКС. Он находится в контуре охлаждения и предоставляет блоку управления информацию о
температуре охлаждающей жидкости. В зависимости от температуры охлаждающей жидкости блок
управления вызывает различные характеристики режимов работы двигателя.
Таблица результатов замера

Таблица штекерной разводки контактов

Штекерная разводка контактов

Коммутационная схема

Датчик температуры наддувочного воздуха (B123)

Датчик температуры наддувочного воздуха представляет собой терморезистор с отрицательным ТКС. Он контролирует рециркуляцию отработавших газов. Рециркуляция отработавших газов (ОГ) отключается при определенных температурных режимах, с одной стороны, чтобы предотвратить
конденсацию сернистых кислот при низких температурах наддувочного воздуха, и с другой стороны,
чтобы предотвратить двигатель от слишком горячего наддувочного воздуха при наличии дефектов в
системе рециркуляции ОГ.
Таблица результатов замера

Таблица штекерной разводки контактов

Штекерная разводка контактов

Коммутационная схема

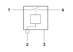
Главное реле (K170)

Главное реле представляет собой электронное реле и предназначено для электропитания блока
управления EDC. Главное реле поддерживает электропитание блока управления даже при
выключенной клемме 15. Таким образом блок управления отвечает за корректное отключение.
На главном реле применяется электронное реле. Это реле обеспечивает максимальный уровень
коммутационной надежности. Рабочее напряжение составляет от 6 В до 32 В. Продолжительная токовая нагрузка составляет 25 A. Электрическое подключение реализовано через 4-полюсный
штыковой разъем.
Таблица штекерной разводки контактов

Штекерная разводка контактов

Коммутационная схема

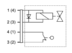
Регулятор рециркупяции ОГ (Y280)

Рециркуляция ОГ позволяет снизить содержание угарного газа (NOX) в отработавших газах, благодаря сокращению избытка кислорода и пониженным значениям пиковой температуры и давления. Регулятор рециркуляции ОГ (AGR) управляется блоком управления EDC. Информация о температуре наддувочного воздуха обеспечивается датчиком температуры наддувочного воздуха.
Рециркуляция ОГ отключается при определенных температурных режимах, с одной стороны, чтобы
предотвратить конденсацию сернистых кислот при низкой температуре наддувочного воздуха, и с
другой стороны, чтобы предотвратить сильный нагрев наддувочного воздуха от рециркулирующих
отработавших газов. Для идентификации открытой или закрытой заслонки системы рециркуляции ОГ в регуляторе системы рециркуляции установлен язычковый контакт, который контролирует положение заслонки.
Регулятор рециркуляции ОГ (регулятор AGR) состоит в основном из следующих компонентов:
– Пневмоцилиндр для привода дросселя рециркуляции ОГ
– Магнитный клапан инициации цилиндра
– Язычковый контакт для обратного сигнала положения поршня
Указание: В положении покоя (поршень втянут) язычковый контакт закрыт. Обращайте внимание на
различия в изображении на электрических схемах.
Таблица штекерной разводки контактов

Штекерная разводка контактов

Коммутационная схема

ОПИСАНИЕ КОМПОНЕНТОВ
Блок управления EDC (A435)
Основной задачей блока управления EDC является управление корректным впрыском топлива и
адаптация этого управления под различные условия эксплуатации, соответственно управление
мощностью двигателя и токсичностью ОГ. Кроме того, блок управления поддерживает другие функции, как системный контроль и резервные функции.

Монтажная позиция
Блок управления установлен сбоку на моторном блоке.

Топливный насос высокого давления (Y130)
Топливный насос высокого давления, называемый также "плунжерный ТНВД", так как исполнительный
механизм начала впрыска топлива выполняет "плунжерное" движение, состоит из обычной системы
впрыска известных П-насосов в усиленном исполнении и прифланцованного вместо механического
регулятора электромагнитного регулятора подачи топлива и электромагнитного регулятора начала
впрыскивания (предварительный ход плунжера ТНВД/регулятор начала подачи топлива).

Монтажная позиция
ТНВД прифланцован сбоку на двигателе.

Продолжение и полное описание - смотрите в