Полные описания Wheeled Loaders JCB

Электрика
- 406, 407, 408, 409, Syncro Shuttle Machines from serial no. 632700
Все следующие электро и гидравлические схемы
доступны только пользователям
- 406, 407, 408, 409 Powershift Machines from serial no. 632700
- 407B, 408B,409B to serial no. 755182
- 407B, 408B,409B from serial no. 755183
- 409TM
- 410B ZX to m/c no. 755490
- 407B ZX, 408B ZX, 409B ZX from m/c no. 755491 to 757399
- 407B ZX, 408B ZX, 409B ZX from m/c no. 757400
- 410B ZX, 411B ZX from m/c no. 755491
- 411 to serial no. 527012, 416 to serial no. 529014
- 411 to serial no. 527013, 416 to serial no. 529015
- 411 from m/c no. 527400, 416 from m/c no. 529500
- 411, 411B from m/c no. 527850, 416, 416B from m/c no. 530100
- 412S to serial no. 535116
- 412S from serial no. 535117
- 412S from m/c no. 535375
- 414S from serial no. 537000 to 537193
- 414S from m/c no. 537194, 416S from m/c no. 543000
- 426, 436
- 426 m/c’s from 532100, 436 m/c’s from 533692
- 426B to serial no. 531064, 436B to serial no. 533069
- 426B from serial no. 531065, 436B from serial no. 533070
- 426B from serial no. 531300, 436B from serial no. 533300
- 426B, 436B m/c’s from March 1998
- 436B from m/c no. 533692
- 446B m/c’s from March 1998
- 446B m/c’s from no 540000
- 456B
- TM200
- TM270 to m/c no. 787040
- TM270 from m/c no. 787041
Гидравлика
- 406, 407, 408, 409
- 407B ZX, 408B ZX, 409B ZX Servo to m/c no. 757399
- 407B ZX, 408B ZX, 409B ZX Manual to m/c no. 757399
- 407B ZX, 408B ZX, 409B ZX from m/c no. 757400
- 410B ZX
- 411B ZX
- 411
- 412S, 414S
- 416 to machine no. 529342
- 416 from m/c no. 529343
- 416S
- 426 machines with 4-ram loader
- 426 machines with Z-bar loader
- 426B machines with Z-bar loader to serial no. 531203
- 426B machines with 4-ram loader from serial no. 531204
- 426B machines with Z-bar loader from serial no. 531204
- 426B machines 4-ram loader to serial no. 531203
- 436 machines with 4-ram loader
- 436 machines with Z-bar loader
- 436B machines with 4-ram loader to serial no. 533195
- 436B machines with Z-bar loader to serial no. 533195
- 436B machines with 4-ram loader from serial no. 533196
- 436B machines with Z-bar loader from serial no. 533196
- 446B ZX from m/c no. 540000
- 436B from m/c no.533692
- 456 to m/c no. 539249
- 456 from m/c no. 539250, 446 from m/c no. 540013
- TM200
- TM270
- TM270 from m/c no. 787118
Полные описаия по Wheeled Loaders JCB
Lubricants and Capacities
- 406, 408
- 407, 409
- 407B ZX, 408B ZX, 409B ZX (1000 Series Engines)
- 407B ZX, 408B ZX, 409B ZX (N. America) (1000 Series Engines)
- 407B ZX, 408B ZX, 409B ZX (New 1000 Series Engines)
- 407B ZX, 408B ZX, 409B ZX (N. America) (New1000 Series Engines)
- 410B ZX, 411B ZX
- 412S, 414S, 416S - Pre-Smoothshift Transmission
- 412S, 414S, 416S - Smoothshift Transmission
- 412S, 414S, 416S (N.America) - Pre- Smoothshift Transmission
- 411, 416
- 411, 416, 411B, 416B
- 426, 436
- 426B, 436B, 446B
- 426B, 436B. 446B (N. America)
- 436B from m/c no. 533692
- 456B
- 456 to m/c no. 539249 (N. America)
- 446 from m/c no. 540000, 456 from m/c no. 539250
- 446 from m/c no. 540000, 456 from m/c no. 539250 (N. America)
- TM200, TM270
- TM200, TM270 (N. America)
Static Dimensions and Wieghts
- 406, 407, 408, 409
- 407B, 408B, 409B, 410B
- 409TM
- 411, 416
- 412S, 414S
- 426, 436
- 426B
- 436B to m/c n. 533691
- 436B from m/c no. 533692
- 446B
- 456B to m/c no. 539249
- 456B from m/c no. 539250
- TM200
- TM270
Data
Electrical
- 406, 407, 408, 409
- 407B, 408B, 409B,to serial no. 755182
- 407B, 408B, 409B from serial no. 755183 to 755490
- 410B ZX to m/c no 755490
- 407B ZX, 408B ZX, 409B ZX from m/c no. 755491 to 757399
- 407B ZX, 408B ZX, 409B ZX from m/c no. 7557400
- 410B ZX, 411B ZX from m/c no. 755491
- 411, 416
- 411 to m/c no. 527375, 416 to m/c no. 529431
- 411 from m/c no. 527400, 416 from m/c no. 529500
- 411 from m/c no. 527850, 416 from m/c no. 530100
- 411 from m/c no. 527850, 416 from m/c no. 530100
- 412S, 414S, 416S
- 412S to m.c no. 535116
- 412S from m/c no. 535117 to 535349, 414S to m/c no. 537149
- 412S from m/c no. 535350, 414S from m/c no. 537150
- 416S from m/c no. 543000
- 412S from m/c no. 535500, 414S from m/c no. 537300, 416S from m/c no. 543100
- 426, 436
- 426B, 436B, 446B
- 426B to serial no. 531064, 436B to serial no. 533069
- 426B from serial no. 531065, 436B from serial no. 533070
- 426B from serial no. 531300, 436B from serial no. 533300
- 446B from serial no. 540000
- 436B from m/c no. 533692
- 456B
- TM200
- TM270 to m/c no. 787040
- TM270 from m/c no. 787041 5
Hydraulics
- 406, 407
- 408, 409
- 407B ZX, 408B ZX, 409B ZX, 410B ZX, 411B ZX
- 409TM
- 411
- 412S, 414S, 416S
- 416
- 426
- 436
- 426B
- 436B, 446B
- 456B
- 426, 436 Smoothshift
- TM200
- TM270
Transmission, Axles & Tyres
- 406, 407, 408, 409
- 407B ZX, 408B ZX, 409B ZX, 410B ZX, 411B ZX
- 411, 416
- 412S, 414S, 416S
- 426, 436
- 426B, 436B, 446B
- 456B
- TM200, TM270
- TM200, TM270 Syncro Shuttle
- TM200, TM270 Powershift
- TM200, TM270 Transfer Gearbox
Brakes
- 406, 407, 408, 409
- 407B ZX, 408B ZX, 409B ZX, 410B ZX, 411B ZX
- 411, 416
- 412S, 414S, 416S
- 426, 436
- 426B, 436B, 446B
- 456B
- TM200, TM270
Steering
- 406, 407, 408, 409
- 407B ZX, 408B ZX, 409B ZX, 410B ZX, 411B ZX
- 411, 416, 426, 436
- 412S, 414S, 416S
- 426B, 436B, 446B
- 456B
- TM200, TM270
Engine
- 406, 407
- 408, 409
- 407B ZX, 408B ZX, 409B ZX, 410B ZX
- 411B ZX
- 407B ZX, 408B ZX, 409B ZX, 410B ZX, 411B ZX (Darwin Engines)
- 411
- 412S
- 414S
- 412S, 414S, 416S
- 412S from m/c no. 535650 (RJ Build)
- 416
- 411B, 416B
- 416 from m/c no. 530350 (RJ Build)
- 426, 436
- 426 from m/c no. 532500
- 426B, 436B
- 446B
- 426B, 436B, 446B, (Darwin Engines)
- 456B
- TM200, TM270
- TM200, TM270 (Darwin Engines)
Fault Finding
Hydraulics
- 407B, 408B, 409B, 410B
- 426, 436
- 426B, 436B, 446B
- 456B
Circuit Diagrams
Electrical
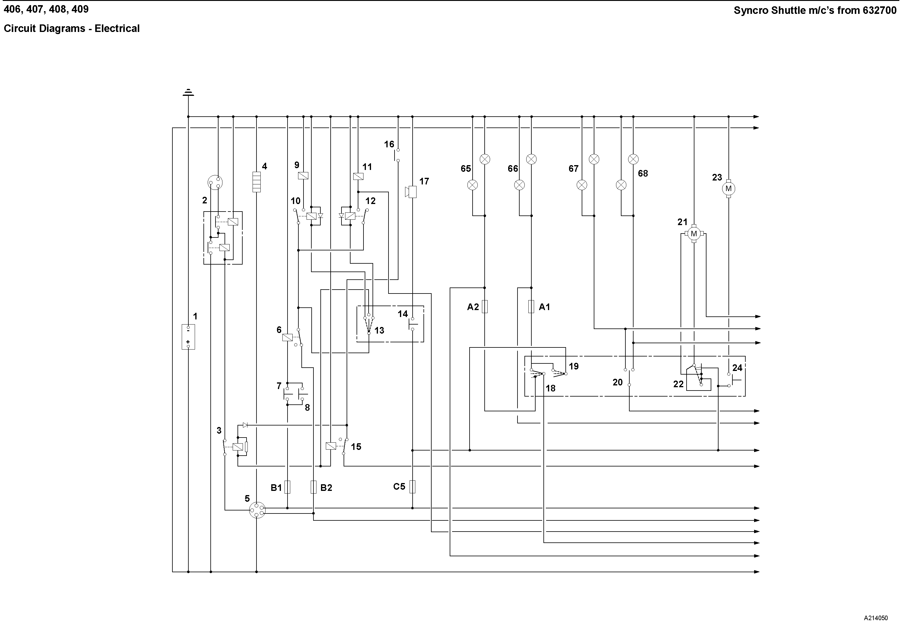
- 406, 407, 408, 409, Syncro Shuttle Machines from serial no. 632700
- 406, 407, 408, 409 Powershift Machines from serial no. 632700
- 407B, 408B,409B to serial no. 755182
- 407B, 408B,409B from serial no. 755183
- 409TM
- 410B ZX to m/c no. 755490
- 407B ZX, 408B ZX, 409B ZX from m/c no. 755491 to 757399
- 407B ZX, 408B ZX, 409B ZX from m/c no. 757400
- 410B ZX, 411B ZX from m/c no. 755491
- 411 to serial no. 527012, 416 to serial no. 529014
- 411 to serial no. 527013, 416 to serial no. 529015
- 411 from m/c no. 527400, 416 from m/c no. 529500
- 411, 411B from m/c no. 527850, 416, 416B from m/c no. 530100
- 412S to serial no. 535116
- 412S from serial no. 535117
- 412S from m/c no. 535375
- 414S from serial no. 537000 to 537193
- 414S from m/c no. 537194, 416S from m/c no. 543000
- 426, 436
- 426 m/c’s from 532100, 436 m/c’s from 533692
- 426B to serial no. 531064, 436B to serial no. 533069
- 426B from serial no. 531065, 436B from serial no. 533070
- 426B from serial no. 531300, 436B from serial no. 533300
- 426B, 436B m/c’s from March 1998
- 436B from m/c no. 533692
- 446B m/c’s from March 1998
- 446B m/c’s from no 540000
- 456B
- TM200
- TM270 to m/c no. 787040
- TM270 from m/c no. 787041
Hydraulic
- 406, 407, 408, 409
- 407B ZX, 408B ZX, 409B ZX Servo to m/c no. 757399
- 407B ZX, 408B ZX, 409B ZX Manual to m/c no. 757399
- 407B ZX, 408B ZX, 409B ZX from m/c no. 757400
- 410B ZX
- 411B ZX
- 411
- 412S, 414S
- 416 to machine no. 529342
- 416 from m/c no. 529343
- 416S
- 426 machines with 4-ram loader
- 426 machines with Z-bar loader
- 426B machines with Z-bar loader to serial no. 531203
- 426B machines with 4-ram loader from serial no. 531204
- 426B machines with Z-bar loader from serial no. 531204
- 426B machines 4-ram loader to serial no. 531203
- 436 machines with 4-ram loader
- 436 machines with Z-bar loader
- 436B machines with 4-ram loader to serial no. 533195
- 436B machines with Z-bar loader to serial no. 533195
- 436B machines with 4-ram loader from serial no. 533196
- 436B machines with Z-bar loader from serial no. 533196
- 446B ZX from m/c no. 540000
- 436B from m/c no.533692
- 456 to m/c no. 539249
- 456 from m/c no. 539250, 446 from m/c no. 540013
- TM200
- TM270
- TM270 from m/c no. 787118












