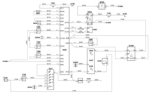
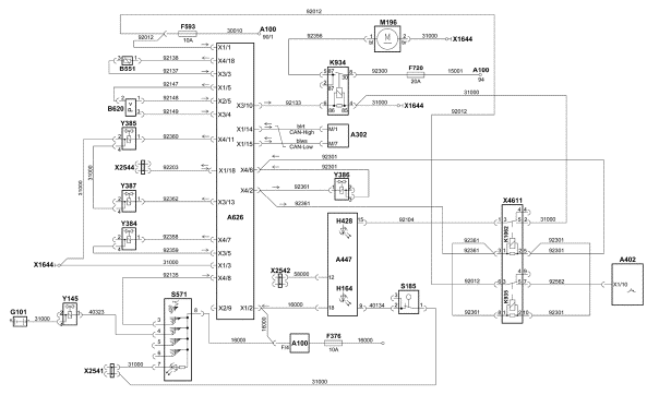
HydroDrive TGA
A100 Центральная электрическая сеть
A302 Центральный компьютер 2
A402 Блок управления EBS
A447 Многофункциональные индикации дифференциала
A626 Блок управления HVA
B551 Датчик температуры масла HVA
B620 Датчик давления масла HVA
F376 Предохранитель кабины внутри (клемма 15)
F593 Предохранитель HVA
F720 Предохранитель двигателя вентилятора HVA
G101 Аккумуляторная батарея 2
H164 Контрольная лампа блокировки дифференциала заднего моста
H428 Контрольная лампа блокировки дифференциала вдоль раздаточной коробки/подключаемого переднего моста
K934 Реле HVA (вентилятор)
K935 Реле всех колес
K1062 Реле контрольной лампы включения HVA
M196 Вентилятор охлаждения масла HVA
S185 Выключатель индикации блокировки дифференциала поперечного заднего моста
S571 Переключатель блокировки дифференциала
X1644 Точка массы кабины рядом с центральной электрической сетью
X2541 Распределитель потенциала 21-контактного провода 31000
X2542 Распределитель потенциала 21-контактного провода 58000
X2544 Распределитель потенциала 21-контактного К-провода
X4611 Цоколь реле K935, K1062
Y145 Магнитный клапан блокировки дифференциала поперек заднего моста
Y384 Электромагнитный клапан сцепления главного насоса HVA
Y385 Главный клапан 1 HVA
Y386 Главный клапан 2 HVA
Y387 Клапан питательного насоса HVA

