Привод сцепления КП AS Tronic DAF XF105

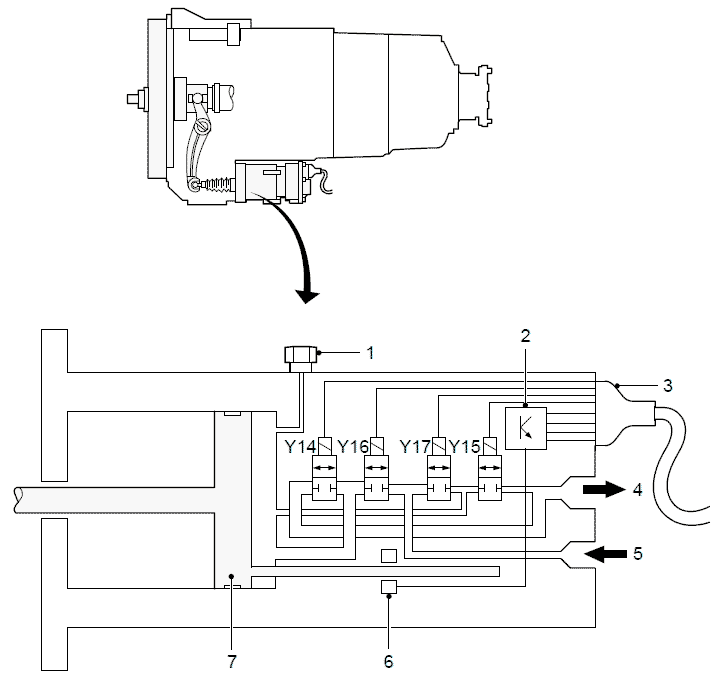
Привод сцепления (B385)
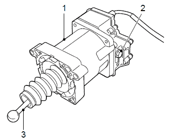
Привод сцепления (1) крепится к встроенному картеру сцепления коробки передач (8).

Сцепление включается полностью автоматически.
Электропневматический привод сцепления (1) получает команду на включение и выключение сцепления от модулятора коробки передач (5).
Привод сцепления соединен с модулятором коробки передач (5) с помощью разъема 4. Жгут проводов (2) подсоединен к приводу сцепления (1) с помощью неподвижного соединения (9) и, следовательно, не
имеет разъема.

Корпус привода сцепления состоит из переднего корпуса (6), в котором расположен управляющий
поршень (4), и заднего корпуса (3), в котором расположены электромагнитные клапаны, датчик хода педали сцепления и внутренние электронные устройства.
В заднем корпусе (1) имеется неподвижное соединение для проводки привода сцепления.
Специальный продолговатый профиль в уплотнении (2) образует спускной воздуховод электромагнитных клапанов сцепления при включении сцепления. В заднем корпусе (3) сжатый воздух из переднего корпуса привода сцепления (6) (выключенное сцепление) выпускается с помощью 2 спускных электромагнитных клапанов. Выпуск воздуха осуществляется через продолговатый профиль в уплотнении (2), вогнутый датчик движения, сердечник вогнутого датчика движения на управляющем поршне (4) и переднюю часть корпуса привода сцепления в картер сцепления коробки передач.

1. Задняя крышка со встроенным жгутом проводов
2. Прокладка
3. Корпус привода сцепления со встроенными электромагнитными клапанами и электронными устройствами
4. Управляющий поршень
5. Пружина
6. Цилиндр привода сцепления
7. Нажимной штифт
Помимо пневматического управляющего поршня для управления рычагом сцепления в корпусе (1) привода сцепления имеются следующие компоненты:
- 2 электромагнитных клапана для выключения сцеплением (3, 4)
- 2 электромагнитных клапана для включения сцепления (6, 7)
- внутренние электронные устройства (2)
- датчик движения S5 (5)
- плоский кабель (9)
- система выпуска воздуха с ручным управлением (8)
- центральная точка подключения подачи воздуха
- со встроенным обратным клапаном (10)
При маневрировании автомобиля и соответствующем трогании с места необходимо точное включение
сцепления.
При определенных условиях движения требуется очень быстрое включение и выключение сцепления.

В данном случае допускаются отклонения во времени открытия и закрытия электромагнитных клапанов.
В итоге сцепление выключается и включается с помощью 4 электромагнитных клапанов. 2
электромагнитных клапана (Y15 и Y17) с небольшим отверстием для впуска/выпуска воздуха регулируют медленное включение и медленной выключение сцепления соответственно.

Два резервных электромагнитных клапана, работа которых зависит от рабочего цикла (Y14 и Y16),
с большим отверстием для впуска/выпуска воздуха обеспечивают быстрое контролируемое включение и быстрое контролируемое выключение сцепления соответственно.
Если питание не подается, клапаны закрываются с помощью пневматической системы. Таким образом, можно выбрать и зафиксировать любое положение управляющего поршня.
Положение управляющего поршня (11) и, следовательно, положение сцепления регистрируется
датчиком движения S5. Датчик движения состоит из неподвижной катушки (3) и сердечника (2), который перемещается по прямой линии и крепится к управляющему поршню (1).
Модулятор коробки передач передает управляющий сигнал в датчик движения в приводе сцепления. На
основании положения сердечника катушки изменяемой индуктивности самоиндукция катушки изменится и сигнал исказится. Внутренние электронные устройства в приводе сцепления обрабатывают сигнал для его возврата в модулятор коробки передач. Таким образом, модулятор коробки передач может точно
определить положение деталей сцепления.
Время включения, положение и ход управляющего поршня также измеряются датчиком движения.
Таким образом, модулятор может регулировать включение и выключение сцепления согласно условиям движения.

Проверка при запуске двигателя
При каждом запуске двигателя привод сцепления проверяет текущую точку включения сцепления (в
зависимости от износа). Она измеряется с помощью датчика движения, а информация сразу же
передается в модулятор коробки передач.
В результате система AS Tronic постоянно получает информацию о любом износе диска сцепления.
Через соединение (5) на корпусе привода сцепления в привод сцепления подается управляющее
давление для включения сцепления.
Управляющее давление возникает в соединении на модуляторе коробки передач, но передается
дальне, не понижаясь.
В случае утечки при подаче воздуха в привод сцепления (что маловероятно) внутренний обратный клапан гарантирует, что если сцепление выключено, оно не включится внезапно без передачи
соответствующего сигнала модулятором коробки передач.
Заключение
Привод сцепления и управление сцеплением разработаны для обеспечения того, что определенные
неисправности не смогут стать причиной нежелательного ответа системы сцепления.
Резервные электромагнитные клапаны, датчик положения и обратный клапан обеспечивают требуемое и безопасное выключение и включение сцепления автомобиля.
Стравливающий винт (2) устанавливается для обеспечения ручной аэрации и выпуска воздуха из
привода сцепления (1).
