См. также:
Другие смстемы
Подвеска ELC автобусов SCANIA 4 серии
Транспортное положение
• Движение автобуса с уровнем, отличным от транспортного, может допускаться только в
исключительном случае.
• Для приведения подвески автобуса к транспортному уровню клавишу Kneeling (опускание на остановке) надо установить в верхнее положение, или удерживать клавишу изменения уровня (вверх или вниз) до тех пор, пока не погаснет контрольная лампа уровня подвески.
• В случае неисправности системы следует воспользоваться 3 ниппелями для того, чтобы закачать воздух в пневмоподушки подвески (например, при эвакуации автобуса).
Уровень может быть приподнят относительного транспортного положения на 110 мм или опущен на 75 мм с помощью выключателя на панели приборов. Изменение уровня допускается, если:
- Давление в пневмосистеме более 5 атм
- Двигатель включен
- Скорость менее 30 км/ч (при большей скорости автобус автоматически вернется в транспортное
положение).
- Транспортное положение 2 (эта функция может быть запрограммирована при помощи SP):
- При движении автобуса со скоростью менее 25 км/ч уровень уменьшается на 20 мм (контрольная лампа при этом не загорается).
- Возврат к нормальному транспортному уровню осуществляется при скорости более 45 км/ч.
- Стоящий автобус поддерживает уровень 2 (это надо учитывать при программировании высоты подвески).
Kneeling
• Функция позволяет опустить уровень автобуса на 70 - 110 мм (в зависимости от того, какой тип функции задан при помощи SD.
• Возможные типы функции kneeling:
- Опускание передней части справа или слева.
- Опускание всей передней части
- Опускание всей правой или левой стороны (from 99 02)
• С февраля 1999 г тип функции kneeling задается с помощью Scania Programmer
• Функция Kneeling допускается
- Давлении в пневмосистеме более 5 атм
- При работающем двигателе
- Стояночный тормоз или тормоз на остановке (BSB) включен
- Разрешающий сигнал от системы управления дверями
Функция защиты от опрокидывания (Roll-over protection)
Максимальное опускание подвески в случае, если разность сигнала правого и левого датчиков уровня
превышает допустимый предел.
В ряде стран использование обязательно
Программируется с помощью Scania Programmer
Управление уровнем подвески
Управление уровнем пневмоподвески осуществляется клавишей S522. Нажатие на верхнюю часть позволяет приподнять уровень, а на нижнюю - опустить. Изменение уровня осуществляется, пока клавиша удерживается в нажатом положении. Для возврата к транспортному положению следует нажимать на клавишу S522 до тех пор, пока не погаснет контрольная лампа уровня, или активировать
верхнюю часть клавиши S504.
Опускание автобуса на остановке (Kneeling) происходит при нажатии нижней части выключателя S504 (опускание происходит, пока нажата клавиша, уровень фиксируется при отпускании, если выключатель нажать повторно, опускание продолжится.
Для возврата к транспортному положению надо нажать более чем на 0,5 сек. верхнюю часть клавиши S504..

Контрольные лампы
• При возникновении неисправности в системе загорается контрольная лампа и в памяти блока
управления записывается код неисправности, который можно считать как программой Scania Diagnos, так и с помощью встроенной диагностики.
• Если неисправность устанена, лампа погаснет, код неисправности остается в памяти блока управления.
• При отклонении высоты подвески автобуса от транспортного положения светится лампа уровня.
Если на автобусе запрограммирован Drive level 2, он также рассматривается как нормальный, то есть
лампа уровня в этом случае не светится.
• ВНИМАНИЕ! В некоторых случаях после устранения неисправности надо принудительно вернуть автобус в транспортное положение (например, подавая +24 В непосредственно на электромагнитные клапаны). Без этого код не сотрется.

Коды неисправности
2 - Обрыв или замыкание цепи одного из клапанов
3 - Замыкание на массу или на напряжение питания одного из клапанов
4 - Неисправность сигнала скорости
5 - Неисправность сигнала уровня
6 - Слишком велико время регулирования
7 - Неисправность сигналов от выключателей
8, 9 - Внутренняя неисправность блока управления
10 - Неисправность калибровки
11 - Неисправность или перегрузка блока управления
Выводы блока управления
I Питание (15)
3 Выход на клапан передней подвески
4 Выход на клапан поднятия/опускания
6 Вход восстановления транспортного положения
7 Питание (61)
8 Вход сигнала от выключателей поднятия/Kneeling
9 Масса левого заднего датчика уровня
10 Сигнал левого заднего датчика уровня
I I Сигнал правого заднего датчика уровня
12, 13 Сигнал переднего датчика уровня
14 Масса переднего датчика уровня
15 К-линия диагностики
17 Выход на контрольную лампу неисправности системы
18 Масса
20 Выход на контрольную лампу уровня
21 Выход на клапан управления подвеской справа сзади
22 Выход на клапан управления подвеской слева сзади
23 Входной сигнал отключения функции Kneeling
24 Вход сигнала от выключателей опускания/Kneeling
25 Входной сигнал датчика давления в системе
26 Масса заднего правого датчика уровня
27 Питание заднего левого датчика уровня
28 Питание заднего правого датчика уровня
29 Питание переднего датчика уровня
32 Сигнал скорости
33 L-линия диагностики
34 Выход на клапан Kneeling
35 Масса клапанов

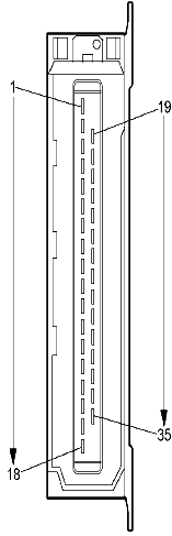
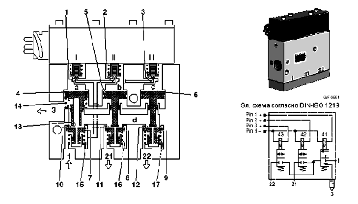
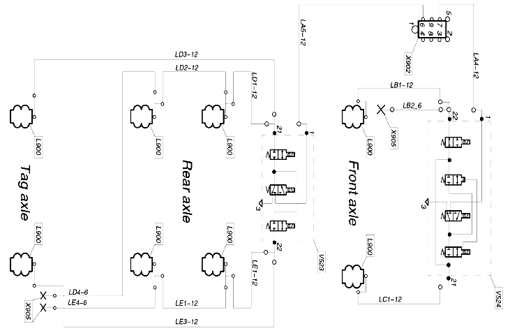
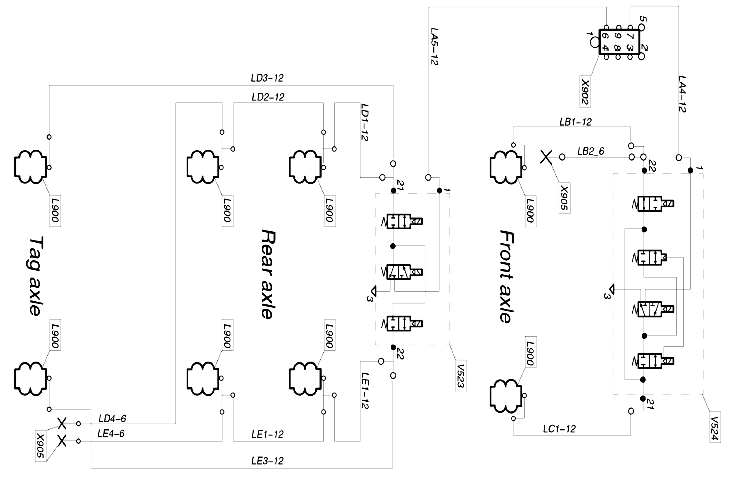
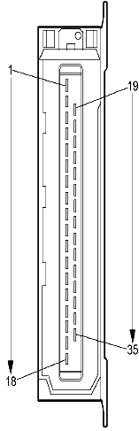
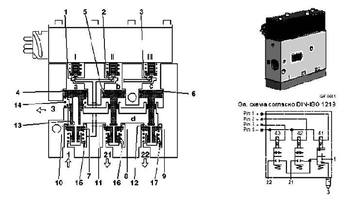
Блок клапанов
• В блоке клапанов передней оси V524 находятся 4 клапана (четвертый клапан используется для функции kneeling).
• Подвеска средней и задней осей управляется однотипными блоками, содержащими по три клапана. их обозначения:
- V543 для средней оси.
- V523 для задней ведущей оси
Обозначения на рисунках:
1 - Вентиляция (3)
2 - Подача воздуха (1)
3 - Подача воздуха на правые подушки пневмоподвески (21)
4 - Подача воздуха на левые подушки пневмоподвески (22)

Блок клапанов передней оси V524

Блок клапанов задней и средней осей V523 и V543
Блок клапанов задней оси V523

Блок клапанов передней оси V524

Датчики уровня - потенциомерического типа.
Напряжение питания +5 Вольт, значение сигнала меняется от 1.7 Вольт в нижнем до 3.4 Вольт в
верхнем положении. В транспортном положении уровень должен составлять 2.5 Вольт

Датчик давления Т4 в пневмосистеме предотвращает опускание уровня подвески и функцию Kneeling при падении давления в ресивере ниже 5 атм. Поднимание уровня подвески при этом возможно.

Scania PROGRAMMER

Калибровка уровня

Перед началом калибровки проверьте отсутствие кодов неисправностей.
1 Поверните ключ и выключите питание бортовой сети.
2 Отсоедините тяги от рычагов датчиков уровня пола.
3 Зафиксируйте рычаги датчиков с помощью 4-мм сверл или аналогичных стержней. Для того чтобы выбрать излишний зазор между сверлом и рычагом, оберните стержень сверла упаковочной лентой.
4 Во избежание появления кодов неисправностей из-за выхода сигналов датчиков из допустимого диапазона, измерьте при включенном зажигании напряжение датчиков на разъеме C507 (передний датчик - выводы 2 (ELC14) и 3 (ELC13), правый задний датчик -выводы 8 (ELC26) и 9 (ELC11), левый задний датчик
- выводы 5 (ELC9) и 6 (ELC10)). Они должны быть в диапазоне от 2,4 Вольт до 2,6 Вольт. Если какой-то из датчиков находится вне диапазона, надо изменить положение рычага и зафиксировать его по-новому.
Включите зажигание при нажатой кнопке диагностики. Диагностическая лампа загорится на 2 секунды
(самодиагностика), и погаснет.
Спустя десять секунд лампа загорится снова и выключится через еще 2 секунды. Отпустите кнопку диагностики.
Калибровка завершена.
Установка высоты пневмобаллонов подвески

1. Установите необходимую высоту подвески, накачивая пневмобаллоны до нужной высоты (см. таблицу след.)
2. Регулируя длину тяги, присоедините ее к шарниру
Регулирование высоты подвески

* Возможен 2 транспортный уровень. В этом случае надо устанавливать высоту на 20 мм меньше указанного значения.

Автобусы K, L 4x2

Автобусы K, L 6x2



Полное описание - доступно только пользователям