Перечень электрических принципиальных схем
на автомобили МАЗ-ххххВ9* семейства 6430
СОДЕРЖАНИЕ
- Нумерация контактов в разъёмах
- Система электропитания
- Система сигнализации поворотов и аварийной
- Система управления габаритными огнями
- Система управления ближнего и дальнего света фар, противотуманных фар и дневного ходового огня
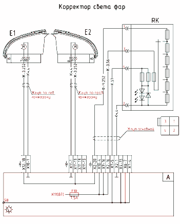
- Корректор света фар
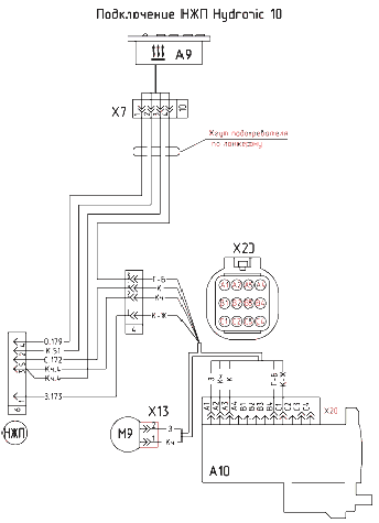
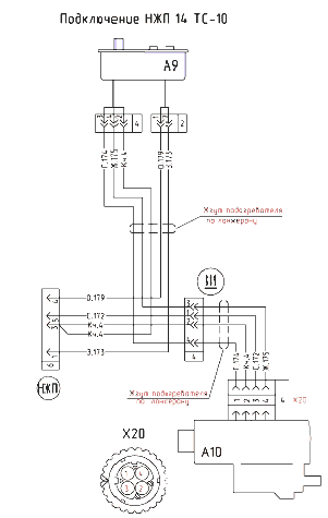
- Система цифрового тахографа, тахометр и датчик нейтрали
- Спидометр, тахометр и датчик нейтрали
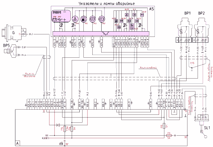
- Указатели и лампы аварийные
- Система сигнализации торможения, ручного тормоза и заднего хода
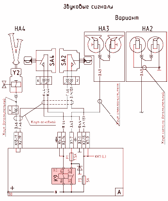
- Звуковые сигналы
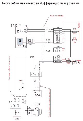
- Блокировка межколесного дифференциала и розетка
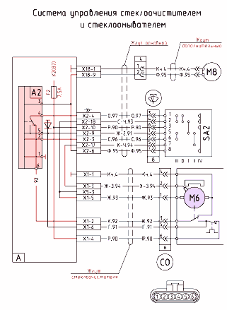
- Система управления стеклоочистителем и стеклоомывателем
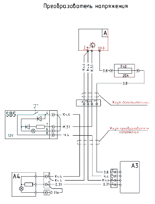
- Преобразователь напряжения
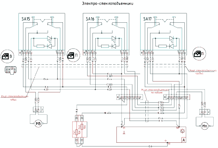
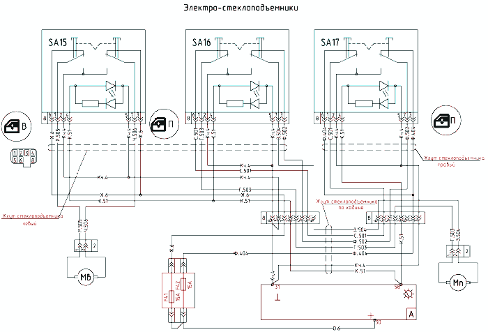
- Электро-стеклоподъёмники
- Система микроклимата
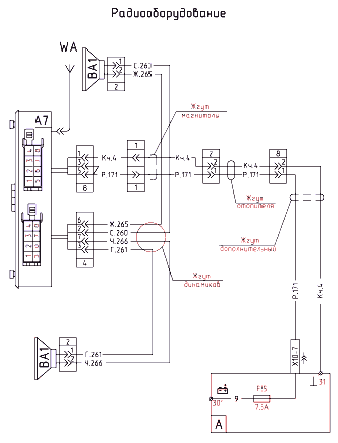
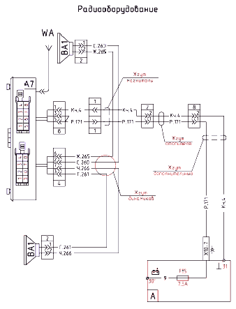
- Радиооборудование
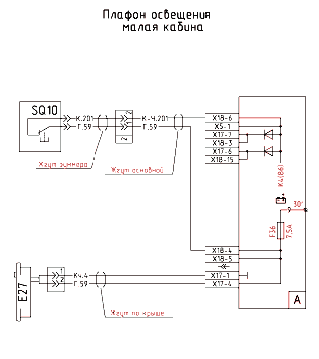
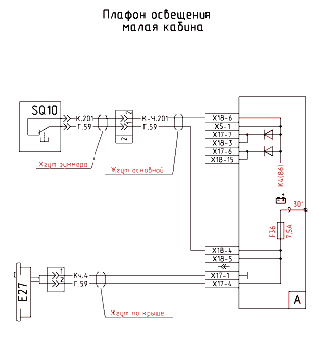
- Плафон освещения
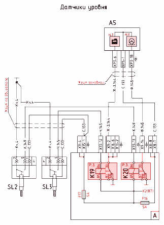
- Датчики уровня
- Нагреватели зеркал и осушитель воздуха
- Управляемые зеркала
- Сигнал автопоезда
- Схема БКА-4
- Схема щитка приборов ЩП8099





























