Подписчикам
"Большой энциклопедии
для автоэлектриков
и диагностов"
доступно 52 гиг. информации
по спецтехнике
KOMATSU
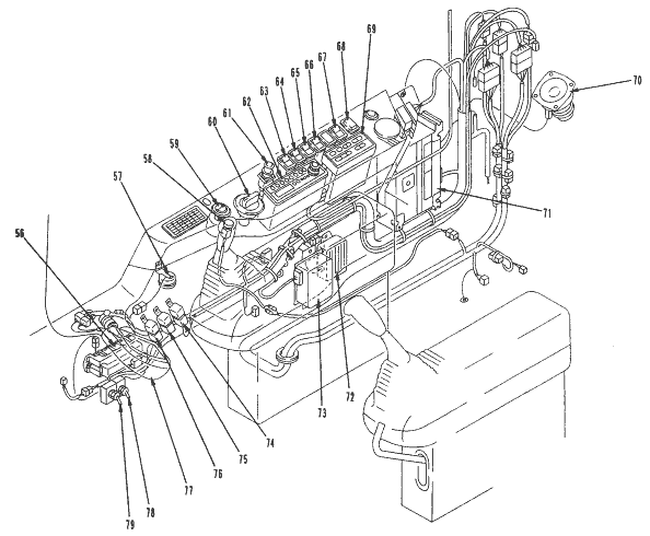
Электросхема Komatsu PC750 (800)-6
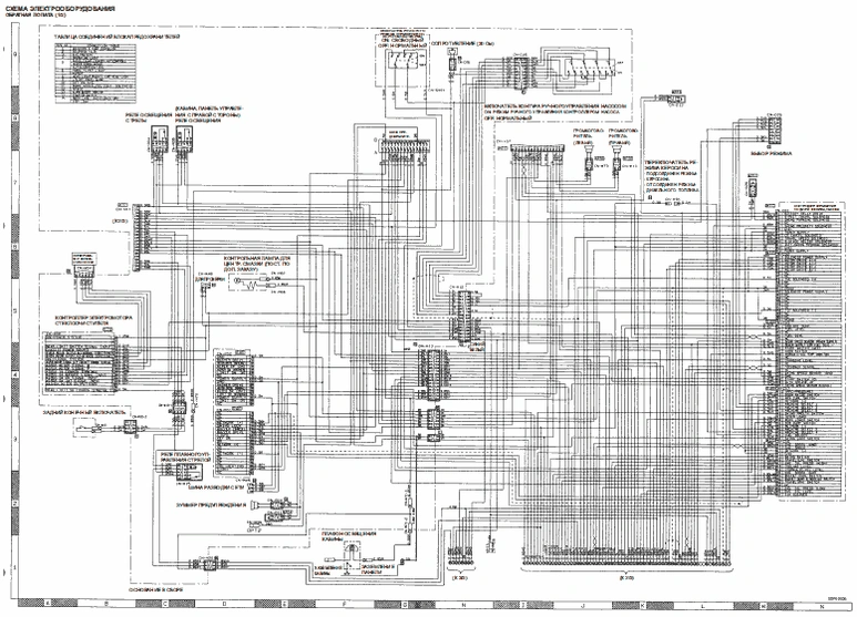
ФАКТИЧЕСКАЯ СХЕМА ЭЛЕКТРООБОРУДОВАНИЯ
ОБРАТНАЯ ЛОПАТА (1/2)

ФАКТИЧЕСКАЯ СХЕМА ЭЛЕКТРООБОРУДОВАНИЯ
ОБРАТНАЯ ЛОПАТА (2/2)

- 1 Рабочая лампа стрелы
- 2 Датчик уровня топлива
- 3 Датчик температуры масла гидросистемы (высокой температуры)
- 4 Электромагнитный клапан предотвращения перебега платформы
- 5 Датчик засорения воздухоочистителя
- 6 Сигнальное устройство передвижения
- 7 Электромагнитный клапан TVC
- 8 Датчик уровня охлаждающей жидкости радиатора
- 9. Датчик уровня масла гидросистемы
- 10. Бачок стеклоомывателя
- 11. Электромагнитный клапан режима плавного управления стрелой (ОПУСКАНИЕ)
- 12. Электромагнитный клапан режима плавного управления стрелой (ПОДЪЕМ)
- 13. Освещение ступенек
- 14. Фара (левая)
- 15. Датчик скорости поворота платформы
- 16. Клапан звукового сигнала
- 17. Звуковой сигнал
- 18. Фара (правая)
- 19. Передняя лампа
- 20. Аккумуляторная батарея
- 21. Реле аккумуляторной батареи
- 22. Включатель освещения ступенек
- 23. Реле лампы освещения ступенек
- 24. Таймер лампы освещения ступенек
- 25. Реле клапана звукового сигнала
- 26. Реле давления масла ОПУСКАНИЯ стрелы
- 27. Реле давления масла ПОДЪЕМА стрелы
- 28. Реле давления масла РАЗГРУЗКИ ковша
- 29. Реле давления масла СКЛАДЫВАНИЯ ковша SEP01655
- 30. Реле давления масла передвижения вправо ВПЕРЕД
- 31. Реле давления масла передвижения вправо НАЗАД
- 32. Реле давления масла поворота платформы вправо
- 33. Реле давления масла поворота платформы влево
- 34. Реле давления масла СКЛАДЫВАНИЯ рукояти
- 35. Реле давления масла ВЫПРЯМЛЕНИЯ рукояти
- 36. Реле давления масла передвижения влево НАЗАД
- 37. Реле давления масла передвижения влево ВПЕРЕД
- 38. Нагреватель впускного воздуха
- 39. Генератор
- 40. Реле нагревателя
- 41. Мотор регулятора
- 42. Датчик температуры охлаждающей жидкости двигателя
- 43. Стартер
- 44. Датчик частоты вращения двигателя
- 45. Реле давления масла в двигателе (низкого давления)
- 46. Реле давления масла в двигателе (высокого давления)
- 47. Датчик уровня масла в двигателе
- 48. Электромагнитный клапан режима подъема тяжелого груза
- 49. Электромагнитный клапан передвижения по прямой
- 50. Электромагнитный клапан двухпозиционного переключателя увеличения силы резания
- 51. Электромагнитный клапан отключения отсечного клапана
- 52. Электромагнитный клапан тормоза удержания поворота платформы
- 53. Электромагнитный переключающий клапан скорости передвижения
- 54. Электромагнитный клапан приоритета поворота платформы
- 55. Магнитная муфта компрессора кондиционера
- 56. Блок предохранителей
- 57. Зуммер предупреждения
- 58. Включатель звукового сигнала
- 59. Пусковой включатель
- 60. Регулятор подачи топлива
- 61. Прикуриватель
- 62. Радиоприемник
- 63. Включатель блокировки поворота платформы
- 64. Включатель стеклоочистителя
- 65. Включатель освещения
- 66. Выключатель звукового сигнала предупреждения
- 67. Двухпозиционный переключатель увеличения силы резания
- 68. Включатель режима плавного управления стрелой
- 69. Панель управления кондиционера
- 70. Громкоговоритель
- 71. Контроллер управления подачей топлива, насоса
- 72. Сопротивление
- 73. Контроллер электромотора стеклоочистителя
- 74. Реле передней лампы
- 75. Реле рабочей лампы стрелы
- 76. Реле плавного управления стрелой
- 77. Контрольная панель
- 78. Включатель ручного режима управления поворотом платформы
- 79. Включатель ручного режима управления звуковым сигналом
ФАКТИЧЕСКАЯ СХЕМА ЭЛЕКТРООБОРУДОВАНИЯ
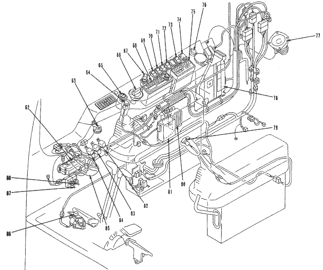
ПРЯМАЯ ЛОПАТА (1/2)

ФАКТИЧЕСКАЯ СХЕМА ЭЛЕКТРООБОРУДОВАНИЯ
ПРЯМАЯ ЛОПАТА (2/2)

- 1 Рабочая лампа стрелы
- 2 Реле аккумуляторной батареи
- 3 Датчик уровня топлива
- 4 Фара
- 5 Освещение ступенек
- 6 Датчик температуры масла гидросистемы (высокой температуры)
- 7 Потенциометр стрелы
- 8 Электромагнитный клапан предотвращения перебега платформы
- 9 Датчик засорения воздухоочистителя
- 10 Сигнальное устройство передвижения
- 11 Электромагнитный клапан TVC
- 12 Датчик уровня охлаждающей жидкости радиатора
- 13. Датчик уровня масла гидросистемы
- 14. Бачок стеклоомывателя
- 15. Соленоид приоритета донной разгрузки и работы рукояти
- 16. Электромагнитный клапан режима плавного управления стрелой (ОПУСКАНИЕ)
- 17. Электромагнитный клапан режима плавного управления стрелой (ПОДЪЕМ)
- 18. Электромагнитный клапан ЕРС ОПУСКАНИЯ стрелы
- 19. Электромагнитный клапан ЕРС разгрузки ковша
- 20. Клапан звукового сигнала
- 21. Датчик скорости поворота платформы
- 22. Звуковой сигнал
- 23. Потенциометр рукояти
- 24. Передняя лампа
- 25. Аккумуляторная батарея
- 26. Включатель освещения ступенек
- 27. Реле лампы освещения ступенек
- 28. Таймер лампы освещения ступенек
- 29. Реле клапана звукового сигнала
- 30. Реле давления масла ОПУСКАНИЯ стрелы
- 31. Реле давления масла ПОДЪЕМА стрелы
- 32. Реле давления масла РАЗГРУЗКИ ковша
- 33. Реле давления масла СКЛАДЫВАНИЯ ковша
- 34. Реле давления масла передвижения вправо ВПЕРЕД SEP04293
- 35. Реле давления масла передвижения вправо НАЗАД
- 36. Реле давления масла поворота платформы вправо
- 37. Реле давления масла поворота платформы влево
- 38. Реле давления масла СКЛАДЫВАНИЯ рукояти
- 39. Реле давления масла ВЫПРЯМЛЕНИЯ рукояти
- 40. Реле давления масла передвижения влево НАЗАД
- 41. Реле давления масла передвижения влево ВПЕРЕД
- 42. Нагреватель впускного воздуха
- 43. Генератор
- 44. Реле нагревателя
- 45. Мотор регулятора
- 46. Датчик температуры охлаждающей жидкости двигателя
- 47. Стартер
- 48. Датчик частоты вращения двигателя
- 49. Реле давления масла в двигателе (высокого давления)
- 50. Реле давления масла в двигателе (низкого давления)
- 51. Датчик уровня масла в двигателе
- 52. Электромагнитный клапан приоритета поворота платформы
- 53. Электромагнитный клапан ковша донной разгрузки (ОТКРЫТ)
- 54. Электромагнитный клапан ковша донной разгрузки (ЗАКРЫТ)
- 55. Электромагнитный клапан отключения отсечного клапана
- 56. Электромагнитный клапан тормоза удержания поворота платформы
- 57. Электромагнитный переключающий клапан скорости передвижения
- 58. Электромагнитный клапан двухпозиционного переключателя увеличения силы резания
- 59. Электромагнитный клапан передвижения по прямой
- 60. Электромагнитный клапан режима подъема тяжелого груза
- 61. Магнитная муфта компрессора кондиционера
- 62. Блок предохранителей
- 63. Зуммер предупреждения
- 64. Включатель донной разгрузки (ОТКРЫТ)
- 65. Пусковой включатель
- 66. Регулятор подачи топлива
- 67. Прикуриватель
- 68. Радиоприемник
- 69. Включатель блокировки поворота платформы
- 70. Включатель стеклоочистителя
- 71. Включатель освещения
- 72. Выключатель звукового сигнала предупреждения
- 73. Двухпозиционный переключатель увеличения силы резания
- 74. Включатель режима плавного управления стрелой
- 75. Панель управления кондиционера
- 76. Включатель плоскопараллельного перемещения ковша, угла компенсации ковша
- 77. Громкоговоритель
- 78. Контроллер управления подачей топлива, насоса
- 79. Включатель донной разгрузки (ЗАКРЫТ)
- 80. Сопротивление
- 81. Контроллер электромотора стеклоочистителя
- 82. Реле передней лампы
- 83. Реле рабочей лампы стрелы
- 84. Реле плавного управления стрелой
- 85. Контрольная панель
- 86. Включатель звукового сигнала
- 87. Включатель ручного режима управления поворотом платформы
- 88. Включатель ручного режима управления звуковым сигналом
Просматривать и распечатывать в высоком качесте могут только пользователи


